Qui troverai tutte le parti e i disegni disponibili di “Hikoki NP18DSAL”. Da qui puoi ordinare direttamente tutte le parti desiderate. Molte parti devono essere ordinate dal produttore, a seconda della marca, ciò richiede da una a quattro settimane. Tutte le informazioni che abbiamo sono sul nostro sito web, non possiamo consigliarti su ciò di cui hai bisogno, per questo dovrai restituire la macchina per la riparazione. Nota quanto segue al momento dell’ordinazione:
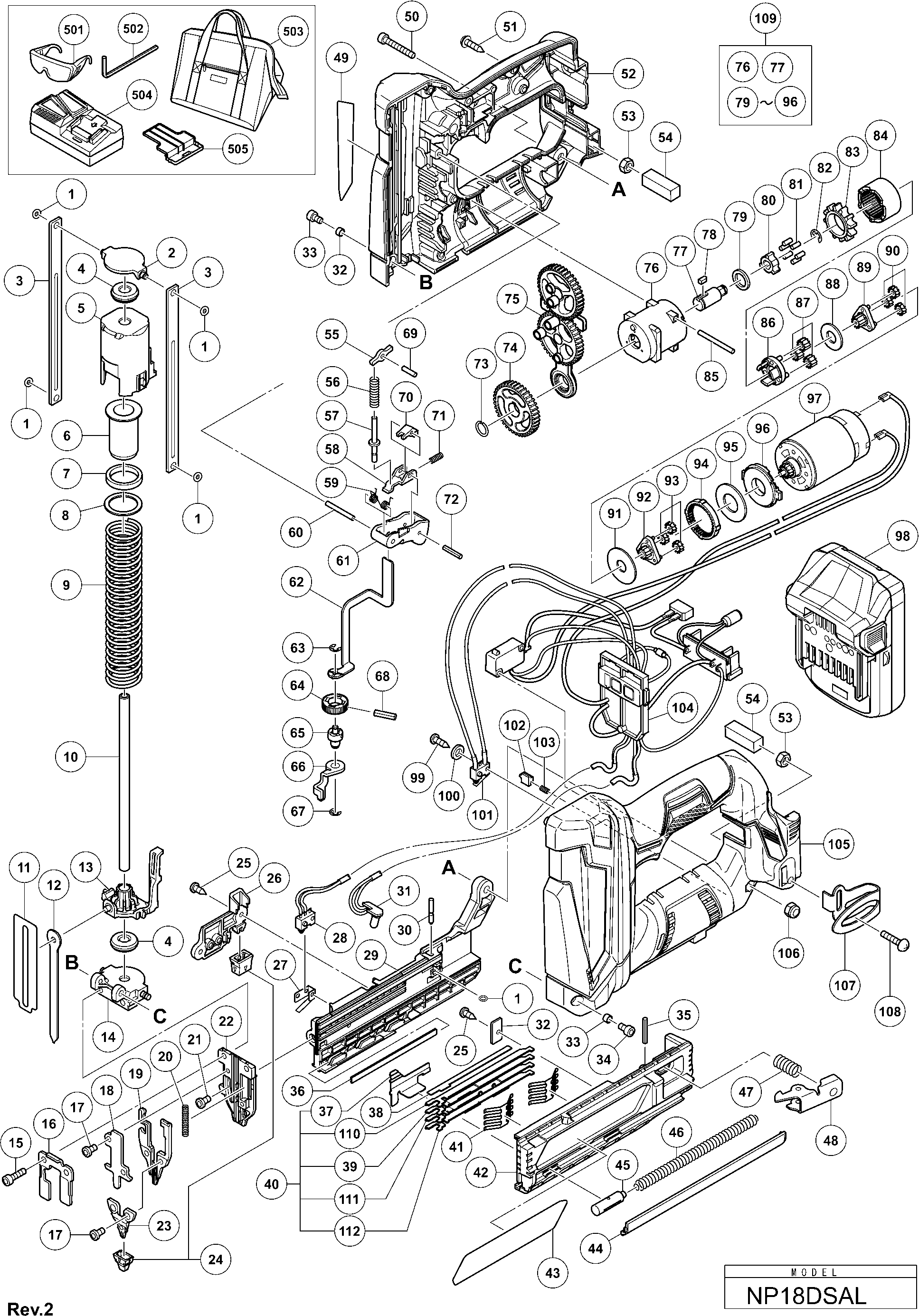
Disegni tecnici di Hikoki NP18DSAL
Elenco parti di Hikoki NP18DSAL
| Pos. | Descrizione | Prezzo IVA escl | Prezzo IVA incl | |
| I prezzi indicati sono comprensivi di IVA | ||||
| Interruttore (B) Ass'y (Con nucleo di ferrite) | ||||
| *104 | 376688 | 45.10 | 55.02 | |
| ALLOGGIAMENTO (A) | ||||
| *105B | 339068 | 17.74 | 21.64 | |
| RIVISTA | ||||
| *29 | 339099 | 6.15 | 7.50 | |
| RIVISTA | ||||
| *29 | 373105 | 4.05 | 4.94 | |
| ALIMENTATORE DI CHIODI | ||||
| *37 | 372727 | 1.04 | 1.27 | |
| BARRE SUPERIORE | ||||
| *38 | 373101 | 1.04 | 1.27 | |
| COPERTINA DELLA RIVISTA | ||||
| *42 | 339104 | 6.15 | 7.50 | |
| COPERTINA DEL MAGAZINE | ||||
| *42 | 373104 | 4.35 | 5.31 | |
| Anello O (i.d 2.8) | ||||
| 1 | 338981 | 1.04 | 1.27 | |
| SUPPORTO SUPERIORE | ||||
| 2 | 339075 | 7.95 | 9.70 | |
| BARRETTA DI GUIDA SCORREVOLE | ||||
| 3 | 339078 | 1.80 | 2.20 | |
| AMMORTIZZATORE PISTONE | ||||
| 4 | 370631 | 3.45 | 4.21 | |
| PESO | ||||
| 5 | 339073 | 20.49 | 24.99 | |
| MANICOTTO DI PESO | ||||
| 6 | 372869 | 6.30 | 7.69 | |
| AMMORTIZZATORE A MOLLA (B) | ||||
| 7 | 372870 | 1.04 | 1.27 | |
| DAMPER WASHER (B) | ||||
| 8 | 372871 | 1.00 | 1.22 | |
| Molla, acciaio non arrugginito | ||||
| 9 | 373107 | 12.00 | 14.64 | |
| ALBERO DEL PISTONE | ||||
| 10 | 339095 | 5.55 | 6.77 | |
| Piastra di copertura (2 necessarie) | ||||
| 11 | 339088 | 1.04 | 1.27 | |
| LAMA DI GUIDA | ||||
| 12 | 339087 | 19.11 | 23.32 | |
| PISTONE (A) (VECCHIO 370630) | ||||
| 13A | 371199 | 25.99 | 31.70 | |
| SUPPORTO INFERIORE | ||||
| 14 | 370643 | 7.65 | 9.33 | |
| Vite a brugola M5x16 (10 pezzi) | ||||
| 15 | 949821 | 2.55 | 3.11 | |
| PIASTRA GUIDA (B) | ||||
| 16 | 339084 | 1.50 | 1.83 | |
| VITE A BRUGOLA ESAGONALE M4X6 | ||||
| 17 | 370899 | 1.04 | 1.27 | |
| PIASTRA DI GUIDA (A) | ||||
| 18 | 339083 | 1.35 | 1.65 | |
| LEVETTA SPINGENTE (A) | ||||
| 19 | 339081 | 12.60 | 15.37 | |
| Molla del leva di spinta | ||||
| 20 | 329133 | 1.80 | 2.20 | |
| BULLONE ESAGONALE A TESTA BASSA M4X8 | ||||
| 21 | 370640 | 1.04 | 1.27 | |
| GUIDA LAMA | ||||
| 22 | 370634 | 59.13 | 72.13 | |
| NASO | ||||
| 23 | 339082 | 6.60 | 8.05 | |
| Nessuna informazione disponibile, non ordinabile | ||||
| 24 | 370901 | |||
| VITE FILETTANTE D3X8 | ||||
| 25 | 339108 | 1.04 | 1.27 | |
| SUPPORTO DELL'INTERRUTTORE | ||||
| 26 | 339098 | 1.04 | 1.27 | |
| Portainterruttore micro (b) | ||||
| 27 | 335025 | 1.20 | 1.46 | |
| MICROINTERRUTTORE (B) | ||||
| 28 | 370902 | 36.71 | 44.79 | |
| RIVISTA | ||||
| 29 | 373105 | 4.05 | 4.94 | |
| Nessuna informazione disponibile, non ordinabile | ||||
| 30 | 339100 | |||
| ALBERO DEL TAPPO (B) NUOVO | ||||
| 30A | 375911 | 3.45 | 4.21 | |
| LED | ||||
| 31 | 370644 | 4.20 | 5.12 | |
| PIASTRA DI GUIDA | ||||
| 32 | 339107 | 1.04 | 1.27 | |
| Manicotto/acciaio inossidabile/strumento elettrico | ||||
| 33 | 370639 | 1.04 | 1.27 | |
| BULLONE NYLOCK HEX.SOCKET HD M4X8 | ||||
| 34 | 878614 | 1.04 | 1.27 | |
| Spinotto D4x32 (10 Pezzi) | ||||
| 35 | 949685 | 2.55 | 3.11 | |
| PIASTRA PER CHIODI | ||||
| 36 | 339101 | 1.04 | 1.27 | |
| Nessuna informazione disponibile, non ordinabile | ||||
| 37 | 371200 | |||
| BARRE SUPERIORE | ||||
| 38 | 373101 | 1.04 | 1.27 | |
| ASTA DI GUIDA (A) | ||||
| 39 | 372728 | 1.04 | 1.27 | |
| Piastra a molla (1) | ||||
| 41 | 339109 | 1.04 | 1.27 | |
| COPERTINA DEL MAGAZINE | ||||
| 42 | 373104 | 4.35 | 5.31 | |
| PIASTRA DI COPERTURA DEL ALIMENTATORE | ||||
| 44 | 339106 | 1.04 | 1.27 | |
| Nessuna informazione disponibile, non ordinabile | ||||
| 45 | 329125 | |||
| MOLLA DI ALIMENTAZIONE | ||||
| 46 | 339105 | 1.04 | 1.27 | |
| MOLLA BOCCHETTA (B) | ||||
| 47 | 370636 | 1.04 | 1.27 | |
| Leva di Arresto | ||||
| 48 | 331121 | 3.45 | 4.21 | |
| Vite a Esagono Incassato M5x30 (10 Pezzi) | ||||
| 50 | 949664 | 3.75 | 4.58 | |
| Vite a filettare (con flangia) D3x16 (nero) | ||||
| 51 | 313687 | 1.04 | 1.27 | |
| Custodia (b) | ||||
| 52 | 339071 | 11.70 | 14.27 | |
| Dado di blocco M4 (nero) | ||||
| 53 | 327002 | 1.80 | 2.20 | |
| Guarnizione | ||||
| 54 | 331186 | 1.80 | 2.20 | |
| Nessuna informazione disponibile, non ordinabile | ||||
| 55 | 329107 | |||
| MOLLA PISTONE (B) | ||||
| 56 | 370900 | 1.04 | 1.27 | |
| STANTUFFO (T) | ||||
| 57 | 339093 | 3.30 | 4.03 | |
| Braccio di innesco (grigio) | ||||
| 58 | 884201 | 12.30 | 15.01 | |
| Nessuna informazione disponibile, non ordinabile | ||||
| 58A | 890718 | |||
| Molla del grilletto | ||||
| 59 | 329104 | 1.80 | 2.20 | |
| Nessuna informazione disponibile, non ordinabile | ||||
| 60 | 329103 | |||
| POMELLO DI BLOCCAGGIO | ||||
| 61 | 329100 | 1.80 | 2.20 | |
| LEVA DI SPINTA (D) | ||||
| 62 | 339111 | 1.65 | 2.01 | |
| ANELLO FERMATORE | ||||
| 63 | 874759 | 1.04 | 1.27 | |
| REGOLATORE | ||||
| 64 | 884221 | 7.80 | 9.52 | |
| Nessuna informazione disponibile, non ordinabile | ||||
| 65 | 339086 | |||
| LEVA DI SPINTA (C) | ||||
| 65A | 376163 | 4.20 | 5.12 | |
| LEVA DI SPINTA (B) | ||||
| 66 | 339085 | 1.04 | 1.27 | |
| ANELLO FERMATORE | ||||
| 67 | 872971 | 1.05 | 1.28 | |
| Spinotto a rullo D2x16 | ||||
| 68 | 880093 | 1.04 | 1.27 | |
| Rullo ad ago | ||||
| 69 | 329108 | 1.80 | 2.20 | |
| Pezzo del Grilletto | ||||
| 70 | 882896 | 1.65 | 2.01 | |
| Molla | ||||
| 71 | 324489 | 1.65 | 2.01 | |
| Perno a rulli D2.5x16 | ||||
| 72 | 881951 | 1.80 | 2.20 | |
| Anello Fermo H25pv | ||||
| 73 | 339091 | 1.04 | 1.27 | |
| Primo ingranaggio | ||||
| 74 | 339089 | 1.95 | 2.38 | |
| PORTAINGRANAGGIO | ||||
| 75 | 339092 | 18.56 | 22.65 | |
| CARTER DEL INGRANAGGIO | ||||
| 76 | 370647 | 1.80 | 2.20 | |
| ALBERO DEL PRIMO INGRANAGGIO | ||||
| 77 | 370648 | 7.50 | 9.15 | |
| CHIAVE 3X3X6 | ||||
| 78 | 339090 | 1.04 | 1.27 | |
| Rondella (a) | ||||
| 79 | 327147 | 1.65 | 2.01 | |
| Camme di bloccaggio | ||||
| 80 | 370649 | 1.04 | 1.27 | |
| Set di rulli ad aghi (6 pezzi.) | ||||
| 81 | 329560 | 1.80 | 2.20 | |
| Rondella | ||||
| 82 | 673489 | 1.04 | 1.27 | |
| Anello, ritenzione | ||||
| 83 | 329559 | 6.75 | 8.24 | |
| Ingranaggio Anulare | ||||
| 84 | 329562 | 1.80 | 2.20 | |
| SPINA | ||||
| 85 | 329565 | 1.80 | 2.20 | |
| Conducente | ||||
| 86 | 329561 | 3.45 | 4.21 | |
| Set di ingranaggi planetari (c) (3 pezzi) | ||||
| 87 | 329563 | 1.80 | 2.20 | |
| Nessuna informazione disponibile, non ordinabile | ||||
| 88 | 329564 | |||
| Pignone (c) | ||||
| 89 | 329566 | 1.80 | 2.20 | |
| Nessuna informazione disponibile, non ordinabile | ||||
| 90 | 329568 | |||
| Rondella (b) Ds9dva/ds12dva/ds14dv Ds14dva/ds14dvb | ||||
| 91 | 329567 | 1.80 | 2.20 | |
| Nessuna informazione disponibile, non ordinabile | ||||
| 92 | 329569 | |||
| Nessuna informazione disponibile, non ordinabile | ||||
| 93 | 329571 | |||
| Primo Ingranaggio Anulare | ||||
| 94 | 329570 | 1.80 | 2.20 | |
| Rondella (a) | ||||
| 95 | 329572 | 1.80 | 2.20 | |
| Distanziatore del Motore | ||||
| 96 | 329573 | 1.80 | 2.20 | |
| MOTORE | ||||
| 97 | 339069 | 13.50 | 16.47 | |
| Nessuna informazione disponibile, non ordinabile | ||||
| 98 | 339782 | |||
| Vite filettante D3x12 (nera) | ||||
| 99 | 334333 | 1.80 | 2.20 | |
| Rondella per bullone M3 (10 pezzi) | ||||
| 100 | 949430 | 1.04 | 1.27 | |
| MICROINTERRUTTORE (B) | ||||
| 101 | 370645 | 8.10 | 9.88 | |
| PIASTRA FRIZIONE | ||||
| 102 | 370635 | 1.04 | 1.27 | |
| MOLLA FRIZIONE | ||||
| 103 | 339096 | 1.04 | 1.27 | |
| INTERRUTTORE (B) ASS'Y | ||||
| 104 | 372873 | 67.10 | 81.86 | |
| ALLOGGIAMENTO (A) | ||||
| 105 | 339068 | 17.74 | 21.64 | |
| Dado in Nylon M5 | ||||
| 106 | 877371 | 1.05 | 1.28 | |
| Gancio (1) | ||||
| 107 | 336372 | 7.35 | 8.97 | |
| GANCIO | ||||
| 107A | 372229 | 2.85 | 3.48 | |
| Vite M4 | ||||
| 108 | 327001 | 1.80 | 2.20 | |
| Set di ingranaggi | ||||
| 109 | 339097 | 17.46 | 21.30 | |
| Nessuna informazione disponibile, non ordinabile | ||||
| 110 | 339110 | |||
| ASTA DI GUIDA (B) | ||||
| 111 | 373102 | 1.05 | 1.28 | |
| SET BARRE GUIDA | ||||
| 112 | 373103 | 1.05 | 1.28 | |
| Set di blocco dell'albero | ||||
| 114 | 375910 | 4.65 | 5.67 | |
| NOSE CAP (A) | ||||
| 115 | 377009 | 1.00 | 1.22 | |
| Nessuna informazione disponibile, non ordinabile | ||||
| 501 | 875769 | |||
| Nessuna informazione disponibile, non ordinabile | ||||
| 502 | 943277 | |||
| Nessuna informazione disponibile, non ordinabile | ||||
| 503 | 371108 | |||
| Cappuccio di protezione per batteria | ||||
| 505 | 329897 | 1.80 | 2.20 | |