Qui troverai tutte le parti e i disegni disponibili di “Hikoki NC40G”. Da qui puoi ordinare direttamente tutte le parti desiderate. Molte parti devono essere ordinate dal produttore, a seconda della marca, ciò richiede da una a quattro settimane. Tutte le informazioni che abbiamo sono sul nostro sito web, non possiamo consigliarti su ciò di cui hai bisogno, per questo dovrai restituire la macchina per la riparazione. Nota quanto segue al momento dell’ordinazione:
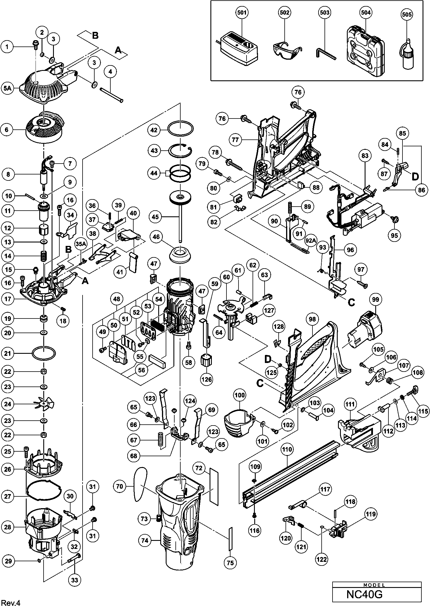
Disegni tecnici di Hikoki NC40G
Elenco parti di Hikoki NC40G
| Pos. | Descrizione | Prezzo IVA escl | Prezzo IVA incl | |
| I prezzi indicati sono comprensivi di IVA | ||||
| Bullone | ||||
| 1 | 996399 | 1.04 | 1.27 | |
| Anello per albero | ||||
| 2 | 880319 | 1.65 | 2.01 | |
| Rondella di blocco M5 (vecchio 949424z , 10 pezzi) | ||||
| 3 | 949424 | 1.05 | 1.28 | |
| Albero (b) | ||||
| 4 | 885277 | 3.00 | 3.66 | |
| Coperchio superiore (vecchio 886142) | ||||
| 5A | 886598 | 9.45 | 11.53 | |
| Set di Filtri | ||||
| 6 | 886129 | 32.18 | 39.25 | |
| Vite macchina M4x6 (10 pezzi) | ||||
| 7 | 949214 | 1.05 | 1.28 | |
| Nessuna informazione disponibile, non ordinabile | ||||
| 8 | 885309 | |||
| Anello di gomma (1) | ||||
| 9 | 885313 | 1.50 | 1.83 | |
| Spinotto a rotolo D2.5x25 | ||||
| 10 | 885318 | 1.50 | 1.83 | |
| Supporto del motore | ||||
| 11 | 885310 | 7.05 | 8.60 | |
| MANICOTTO ESATRICO | ||||
| 12 | 885314 | 1.65 | 2.01 | |
| Rondella | ||||
| 13 | 885320 | 1.50 | 1.83 | |
| Molla del motore | ||||
| 14 | 885319 | 1.50 | 1.83 | |
| Candela di accensione | ||||
| 15 | 885333 | 3.30 | 4.03 | |
| Vite ad esagono M5x20 (10 pezzi) | ||||
| 16 | 949757 | 3.00 | 3.66 | |
| Coperchio del cilindro | ||||
| 17 | 885308 | 32.18 | 39.25 | |
| Vite di regolazione Allen M4 X 5 | ||||
| 18 | 961681 | 1.04 | 1.27 | |
| Copertura TURBO II | ||||
| 19 | 886470 | 1.80 | 2.20 | |
| Rondella | ||||
| 20 | 886471 | 1.80 | 2.20 | |
| Anello O (i.d 59.92) | ||||
| 21 | 885316 | 4.80 | 5.86 | |
| Dado M4 (10 Pezzi) | ||||
| 22 | 949554 | 1.05 | 1.28 | |
| Anello M4 (10 pezzi) | ||||
| 23 | 949423 | 1.05 | 1.28 | |
| GUARNIZIONE | ||||
| 24 | 885311 | 4.80 | 5.86 | |
| Vite a brugola M4x16 | ||||
| 25 | 949754 | 2.40 | 2.93 | |
| Testata della camera | ||||
| 26 | 885294 | 13.89 | 16.94 | |
| Piastra di tenuta (b) Cm 12y | ||||
| 27 | 886133 | 1.80 | 2.20 | |
| Nessuna informazione disponibile, non ordinabile | ||||
| 28 | 885296 | |||
| Anello O | ||||
| 29 | 878607 | 1.05 | 1.28 | |
| Piastrina di bloccaggio | ||||
| 30 | 885297 | 3.30 | 4.03 | |
| Vite macchina M4x6 (10 pezzi) | ||||
| 31 | 949214 | 1.05 | 1.28 | |
| PANELLO D'INTERRUPTORE | ||||
| 32 | 885306 | 1.65 | 2.01 | |
| Spillo (a) | ||||
| 33 | 886484 | 1.65 | 2.01 | |
| Piastra di cablaggio | ||||
| 34 | 886253 | 1.65 | 2.01 | |
| Nessuna informazione disponibile, non ordinabile | ||||
| 35 | 885317 | |||
| Adattatore CMS-OF | ||||
| 35A | 886313 | 1.05 | 1.28 | |
| Spina a rullo D2x8 (10 pezzi) | ||||
| 36 | 949859 | 1.20 | 1.46 | |
| Leva KA 65 | ||||
| 37 | 885280 | 1.50 | 1.83 | |
| Leva della cella (da 7.2016 per Nor) | ||||
| 38 | 886141 | 6.75 | 8.24 | |
| Molla D3.6 | ||||
| 39 | 885281 | 1.50 | 1.83 | |
| Custodia Cellulare | ||||
| 40 | 885352 | 3.30 | 4.03 | |
| Gomma Cel | ||||
| 41 | 886131 | 1.80 | 2.20 | |
| O-ring (d.i 66,27) | ||||
| 42 | 885283 | 6.45 | 7.87 | |
| Rondella elastica | ||||
| 43 | 885285 | 1.65 | 2.01 | |
| Anello del pistone | ||||
| 44 | 886132 | 9.75 | 11.90 | |
| Perni di battuta (h) | ||||
| 45 | 885700 | 117.01 | 142.76 | |
| Paracolpi del pistone | ||||
| 46 | 885289 | 8.40 | 10.25 | |
| Gomma (vecchio 885790) | ||||
| 47 | 885284 | 1.80 | 2.20 | |
| Cilindro Ass'y | ||||
| 48 | 886465 | 169.40 | 206.67 | |
| Vite Allen M4x10 autobloccante | ||||
| 49 | 886241 | 1.65 | 2.01 | |
| Copertura dell'ammortizzatore | ||||
| 50 | 886467 | 1.80 | 2.20 | |
| Valvola di piombo | ||||
| 51 | 885290 | 1.65 | 2.01 | |
| Vite di bloccaggio M4x6 (nera) | ||||
| 52 | 303631 | 1.04 | 1.27 | |
| Piastra Ammortizzante (a) | ||||
| 53 | 886468 | 3.45 | 4.21 | |
| Filtro antipolvere per H70sa | ||||
| 54 | 885292 | 3.30 | 4.03 | |
| Nessuna informazione disponibile, non ordinabile | ||||
| 55 | 886242 | |||
| SILENZIATORE | ||||
| 56 | 885288 | 13.50 | 16.47 | |
| Vite a brugola con bloccaggio M5x12 | ||||
| 58 | 991690 | 1.05 | 1.28 | |
| Leva di Spinta | ||||
| 59 | 885691 | 13.50 | 16.47 | |
| Pezzo di naso | ||||
| 60 | 885704 | 135.58 | 165.40 | |
| SPINOTTO A RULLI D3x8 (10 Pezzi) | ||||
| 61 | 949749 | 1.95 | 2.38 | |
| Molla (a) Dh18vb | ||||
| 62 | 885706 | 1.80 | 2.20 | |
| Pulsante di arresto | ||||
| 63 | 885705 | 7.50 | 9.15 | |
| Spillo a rotolo D3x25 (10 pezzi) | ||||
| 64 | 949539 | 2.25 | 2.74 | |
| Vite a brugola Seal Lock M5x8 | ||||
| 65 | 321527 | 1.65 | 2.01 | |
| Braccio di leve di spinta (l) | ||||
| 66 | 885703 | 14.16 | 17.28 | |
| Molla del Leva di Spinta | ||||
| 67 | 886245 | 1.65 | 2.01 | |
| Connettore della leva di spinta | ||||
| 68 | 885699 | 46.20 | 56.36 | |
| Braccio di leve di spinta (r) | ||||
| 69 | 885710 | 14.85 | 18.12 | |
| Foglio di isolante | ||||
| 72 | 885307 | 1.65 | 2.01 | |
| Vite M5 | ||||
| 73 | 885304 | 1.50 | 1.83 | |
| Cassetta del rivestimento DUO 110 - Set | ||||
| 74 | 886469 | 27.78 | 33.89 | |
| Piastra Hitachi | ||||
| 75 | 328922 | 1.95 | 2.38 | |
| Vite a tagliente (con flangia) D4x20 (nero) | ||||
| 76 | 302086 | 1.05 | 1.28 | |
| Manico (b) | ||||
| 77 | 885709 | 26.54 | 32.38 | |
| Vite filettante (con flangia) D4x45 (nero) | ||||
| 78 | 301815 | 1.05 | 1.28 | |
| Vite a brugola M5x16 (vecchio 984509) | ||||
| 79 | 990079 | 1.05 | 1.28 | |
| Non più disponibile, nessuna sostituzione | ||||
| 80 | 876205 | |||
| Montaggio dell'interruttore | ||||
| 81 | 886473 | 1.80 | 2.20 | |
| Braccio dell'interruttore | ||||
| 82 | 885347 | 1.65 | 2.01 | |
| Nessuna informazione disponibile, non ordinabile | ||||
| 83 | 886462 | |||
| Molla | ||||
| 84 | 885518 | 1.65 | 2.01 | |
| CURSOR DI COMMUTAZIONE | ||||
| 85 | 886147 | 6.45 | 7.87 | |
| Piastra del sensore | ||||
| 86 | 886257 | 3.30 | 4.03 | |
| Vite di trapano D3 | ||||
| 87 | 885714 | 1.80 | 2.20 | |
| PRISMA | ||||
| 88 | 886474 | 2.82 | 3.44 | |
| Molla | ||||
| 89 | 885828 | 1.65 | 2.01 | |
| Interruttore | ||||
| 90 | 885335 | 3.30 | 4.03 | |
| Spillo a rotolo D2,5x10 (10 pezzi) | ||||
| 91 | 949551 | 1.65 | 2.01 | |
| Barra di blocco della camera | ||||
| 92A | 887617 | 4.65 | 5.67 | |
| Molla | ||||
| 93 | 885337 | 1.65 | 2.01 | |
| Vite autofilettante (con flangia) D4x14 (nera) | ||||
| 95 | 309933 | 1.05 | 1.28 | |
| Anello protettivo del cavo | ||||
| 96 | 885339 | 3.30 | 4.03 | |
| VITE C M4X35 | ||||
| 97 | 885346 | 1.65 | 2.01 | |
| Maniglia (a) G18u/g23u e altri | ||||
| 98 | 886472 | 21.86 | 26.67 | |
| Nessuna informazione disponibile, non ordinabile | ||||
| 99 | 325292 | |||
| Coperchio di protezione antipolvere | ||||
| 100 | 885695 | 21.86 | 26.67 | |
| Rondella | ||||
| 101 | 875246 | 1.05 | 1.28 | |
| Vite con flangia D4x12 (nero) | ||||
| 102 | 325083 | 1.65 | 2.01 | |
| Rondella (b) Ds9dva/ds12dva/ds14dv Ds14dva/ds14dvb | ||||
| 103 | 885712 | 1.80 | 2.20 | |
| BARRA TOMMY | ||||
| 104 | 885711 | 11.85 | 14.46 | |
| Vite di trapano (con flangia) D4x10 (nero) | ||||
| 105 | 311945 | 1.05 | 1.28 | |
| Rondella | ||||
| 106 | 875246 | 1.05 | 1.28 | |
| Blocca-unghie | ||||
| 107 | 885696 | 5.10 | 6.22 | |
| Molla (c) | ||||
| 108 | 885697 | 1.80 | 2.20 | |
| Dado M6 | ||||
| 109 | 319166 | 1.80 | 2.20 | |
| Nessuna informazione disponibile, non ordinabile | ||||
| 110 | 886475 | |||
| COPERTINA DEL MAGAZINE | ||||
| 111 | 886479 | 15.68 | 19.12 | |
| Nessuna informazione disponibile, non ordinabile | ||||
| 112 | 885713 | |||
| Non più disponibile, nessuna sostituzione | ||||
| 113 | 876205 | |||
| Rondella di molla M5 (10 pezzi) | ||||
| 114 | 949454 | 1.04 | 1.27 | |
| PULSANTE | ||||
| 115 | 885694 | 3.45 | 4.21 | |
| Vite esagonale M6x7 | ||||
| 116 | 884215 | 5.10 | 6.22 | |
| Molla a Balia | ||||
| 117 | 881755 | 3.30 | 4.03 | |
| Spillo D3x20 (10 Pezzi) | ||||
| 118 | 949890 | 1.80 | 2.20 | |
| Alimentazione dei chiodi | ||||
| 119 | 886476 | 3.45 | 4.21 | |
| Alimentazione dei chiodi | ||||
| 120 | 886477 | 11.85 | 14.46 | |
| Molla | ||||
| 121 | 886478 | 1.80 | 2.20 | |
| Anello-O (1ap-3) | ||||
| 122 | 873093 | 1.05 | 1.28 | |
| Molla M5 | ||||
| 123 | 886243 | 1.80 | 2.20 | |
| GUIDA A MOLLA | ||||
| 124 | 885707 | 5.10 | 6.22 | |
| Manicotto/acciaio inossidabile/strumento elettrico | ||||
| 125 | 886463 | 3.45 | 4.21 | |
| Tappo per naso | ||||
| 126 | 885692 | 3.45 | 4.21 | |
| Gomma del naso | ||||
| 127 | 885693 | 1.80 | 2.20 | |
| Stop Interruttore | ||||
| 128 | 886138 | 3.30 | 4.03 | |
| Nessuna informazione disponibile, non ordinabile | ||||
| 502 | 875769 | |||
| Nessuna informazione disponibile, non ordinabile | ||||
| 503 | 944458 | |||
| Nessuna informazione disponibile, non ordinabile | ||||
| 504 | 886485 | |||
| Nessuna informazione disponibile, non ordinabile | ||||
| 505 | 886036 | |||
| Nessuna informazione disponibile, non ordinabile | ||||
| 601 | 885546 | |||