Qui troverai tutte le parti e i disegni disponibili di “Hikoki JC7”. Da qui puoi ordinare direttamente tutte le parti desiderate. Molte parti devono essere ordinate dal produttore, a seconda della marca, ciò richiede da una a quattro settimane. Tutte le informazioni che abbiamo sono sul nostro sito web, non possiamo consigliarti su ciò di cui hai bisogno, per questo dovrai restituire la macchina per la riparazione. Nota quanto segue al momento dell’ordinazione:
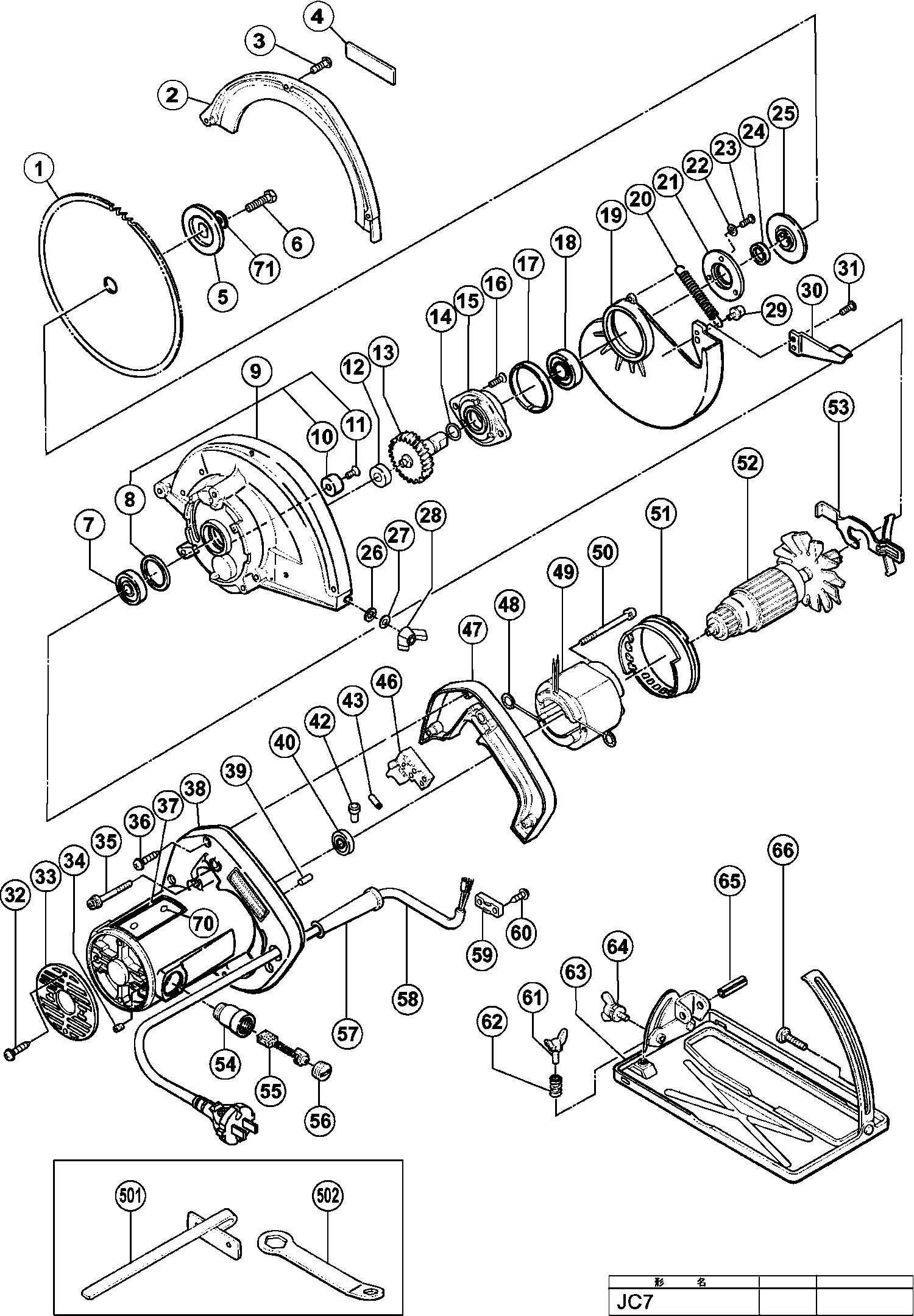
Disegni tecnici di Hikoki JC7
Elenco parti di Hikoki JC7
| Pos. | Descrizione | Prezzo IVA escl | Prezzo IVA incl | |
| I prezzi indicati sono comprensivi di IVA | ||||
| Nessuna informazione disponibile, non ordinabile | ||||
| 1 | 879139 | |||
| Nessuna informazione disponibile, non ordinabile | ||||
| 2 | 400208 | |||
| Vite per macchina M4x16 (10 pezzi) | ||||
| 3 | 949219 | 1.20 | 1.46 | |
| Nessuna informazione disponibile, non ordinabile | ||||
| 5 | 400248 | |||
| Nessuna informazione disponibile, non ordinabile | ||||
| 6 | 400245 | |||
| Cuscinetto a sfere 6001vvcmps2l | ||||
| 7 | 6001VV | 6.60 | 8.05 | |
| Anello di gomma (VECCHIO 996252) | ||||
| 8 | 958130 | 1.65 | 2.01 | |
| Nessuna informazione disponibile, non ordinabile | ||||
| 9 | 306913 | |||
| Cuscino C18dmr | ||||
| 10 | 961729 | 1.05 | 1.28 | |
| Vite (10 pezzi) | ||||
| 11 | 949794 | 1.65 | 2.01 | |
| Nessuna informazione disponibile, non ordinabile | ||||
| 12 | 400212 | |||
| Nessuna informazione disponibile, non ordinabile | ||||
| 13 | 311195 | |||
| Anello O (p-16) | ||||
| 14 | 873095 | 1.04 | 1.27 | |
| Nessuna informazione disponibile, non ordinabile | ||||
| 15 | 400214 | |||
| Nessuna informazione disponibile, non ordinabile | ||||
| 16 | 990299 | |||
| Nessuna informazione disponibile, non ordinabile | ||||
| 17 | 400215 | |||
| Cuscinetto a sfere 6202vvcmps2s | ||||
| 18 | 6202VV | 7.05 | 8.60 | |
| Nessuna informazione disponibile, non ordinabile | ||||
| 19 | 400216 | |||
| Nessuna informazione disponibile, non ordinabile | ||||
| 20 | 400217 | |||
| Nessuna informazione disponibile, non ordinabile | ||||
| 21 | 400219 | |||
| Rondella di molla M4 (10 pezzi) | ||||
| 22 | 949453 | 1.05 | 1.28 | |
| Vite per macchina M4x10 (10 pezzi) (VECCHIO 949216 | ||||
| 23 | 949216 | 1.05 | 1.28 | |
| Nessuna informazione disponibile, non ordinabile | ||||
| 24 | 400220 | |||
| Nessuna informazione disponibile, non ordinabile | ||||
| 25 | 400247 | |||
| Anello M6 (vecchio 949425z , 10 pezzi) | ||||
| 26 | 949425 | 1.05 | 1.28 | |
| Rondella di molla M6 (vecchio 949455z, 10 pezzi) | ||||
| 27 | 949455 | 1.05 | 1.28 | |
| Dado farfalla M6 (10 pezzi) | ||||
| 28 | 949313 | 4.65 | 5.67 | |
| Vite della macchina M4x8 | ||||
| 29 | 986723 | 1.05 | 1.28 | |
| Nessuna informazione disponibile, non ordinabile | ||||
| 30 | 400218 | |||
| Vite per macchina M4x8 (10 pezzi) | ||||
| 31 | 949215 | 1.05 | 1.28 | |
| Nessuna informazione disponibile, non ordinabile | ||||
| 32 | 930446 | |||
| Nessuna informazione disponibile, non ordinabile | ||||
| 33 | 400198 | |||
| Nessuna informazione disponibile, non ordinabile | ||||
| 34 | 400255 | |||
| Vite macchina (con rondelle) M5x45 (nero) | ||||
| 35 | 302434 | 1.04 | 1.27 | |
| Nessuna informazione disponibile, non ordinabile | ||||
| 36 | 956636 | |||
| Nessuna informazione disponibile, non ordinabile | ||||
| 38 | 400199 | |||
| PENNA DI GOMMA | ||||
| 39 | 931701 | 1.05 | 1.28 | |
| Cuscinetto a sfere 608vvmc2eps2l | ||||
| 40 | 608VVM | 5.70 | 6.95 | |
| Giunzione di saldatura 50091 (10 pezzi) | ||||
| 42 | 959140 | 3.30 | 4.03 | |
| Manicotto filettato per cavo | ||||
| 43 | 981373 | 1.05 | 1.28 | |
| Interruttore | ||||
| 46 | 957747 | 14.03 | 17.11 | |
| Nessuna informazione disponibile, non ordinabile | ||||
| 47 | 400201 | |||
| Punto di contatto Portaspazzola | ||||
| 48 | 930703 | 2.40 | 2.93 | |
| Nessuna informazione disponibile, non ordinabile | ||||
| 49 | 400202 | |||
| Nessuna informazione disponibile, non ordinabile | ||||
| 50 | 943430 | |||
| Nessuna informazione disponibile, non ordinabile | ||||
| 51 | 400203 | |||
| Nessuna informazione disponibile, non ordinabile | ||||
| 52 | 400204 | |||
| Nessuna informazione disponibile, non ordinabile | ||||
| 53 | 400205 | |||
| Nessuna informazione disponibile, non ordinabile | ||||
| 54 | 400200 | |||
| Spazzola di carbone (1 paio) | ||||
| 55 | 999043 | 4.50 | 5.49 | |
| Coperchio della spazzola | ||||
| 56 | 935829 | 1.05 | 1.28 | |
| Nessuna informazione disponibile, non ordinabile | ||||
| 57 | 953327 | |||
| Nessuna informazione disponibile, non ordinabile | ||||
| 58 | 500234Z | |||
| Strip di serraggio (vecchio 994566) | ||||
| 59 | 937631 | 1.04 | 1.27 | |
| Nessuna informazione disponibile, non ordinabile | ||||
| 60 | 984750 | |||
| Vite ad ali M6x15 | ||||
| 61 | 941055 | 1.04 | 1.27 | |
| Nessuna informazione disponibile, non ordinabile | ||||
| 62 | 400207 | |||
| Nessuna informazione disponibile, non ordinabile | ||||
| 63 | 400206 | |||
| VLEUGELMOER M6X15 MET RINGEN | ||||
| 64 | 990316 | 1.00 | 1.22 | |
| ROL PIN D6X30 (10 STUKS) | ||||
| 65 | 949515 | 3.48 | 4.25 | |
| BOUT | ||||
| 66 | 957073 | 1.00 | 1.22 | |
| Nessuna informazione disponibile, non ordinabile | ||||
| 71 | 400246 | |||
| GELEIDER | ||||
| 501 | 984964 | 3.96 | 4.83 | |
| Nessuna informazione disponibile, non ordinabile | ||||
| 502 | 961524 | |||