Qui troverai tutte le parti e i disegni disponibili di “Hikoki HTD-2522PF”. Da qui puoi ordinare direttamente tutte le parti desiderate. Molte parti devono essere ordinate dal produttore, a seconda della marca, ciò richiede da una a quattro settimane. Tutte le informazioni che abbiamo sono sul nostro sito web, non possiamo consigliarti su ciò di cui hai bisogno, per questo dovrai restituire la macchina per la riparazione. Nota quanto segue al momento dell’ordinazione:
Disegni tecnici di Hikoki HTD-2522PF
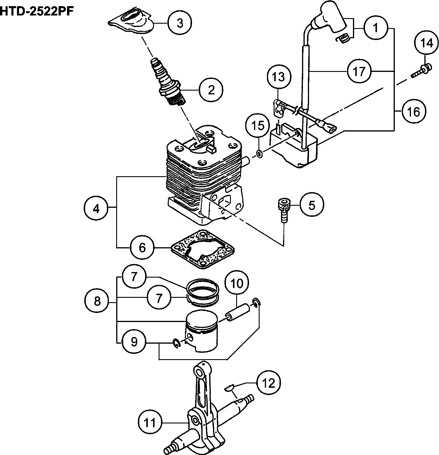
Elenco parti di Hikoki HTD-2522PF
| Pos. | Descrizione | Prezzo IVA escl | Prezzo IVA incl | |
| I prezzi indicati sono comprensivi di IVA | ||||
| Montaggio del cappuccio della spina (vecchio 157-0 | ||||
| 1 | 6684894 | 8.58 | 10.46 | |
| Assemblea candela (vecchio 6685085) | ||||
| 2 | 6699317 | 6.76 | 8.25 | |
| Copertura in gomma per candela (vecchio 255-01680- | ||||
| 3 | 6688334 | 3.30 | 4.03 | |
| Set di cilindri (vecchio 001-03002-90) | ||||
| 4 | 6685462 | 66.40 | 81.01 | |
| Bullone esagonale M5x18/s (vecchio 994-61050-184) | ||||
| 5 | 6684586 | 2.15 | 2.62 | |
| Guarnizione del cilindro (vecchio 017-03002-21) | ||||
| 6 | 6685728 | 1.15 | 1.40 | |
| Anello del pistone (vecchio 041-01601-20) | ||||
| 7 | 6684588 | 8.58 | 10.46 | |
| Set di pistone (vecchio 030-01680-90) | ||||
| 8 | 6685877 | 28.14 | 34.33 | |
| Circlip (vecchio 039-00000-20) | ||||
| 9 | 6685078 | 1.15 | 1.40 | |
| Spinotto pistone (vecchio 037-07020-20/6686011) | ||||
| 10 | 6686016 | 2.31 | 2.82 | |
| Non più disponibile, nessuna sostituzione | ||||
| 11 | 6686176 | |||
| Chiavetta a semiluna 3x13x4,5 (vecchio 068-10100-2 | ||||
| 12 | 6684899 | 2.15 | 2.62 | |
| Cavo, B 140m (vecchio 178-03002-80) | ||||
| 13 | 6687840 | 3.30 | 4.03 | |
| Vite con foro esagonale M4x18/ws (vecchio 994-6404 | ||||
| 14 | 6684599 | 2.15 | 2.62 | |
| Rondella (vecchio 182-0186a-20) | ||||
| 15 | 6684600 | 2.15 | 2.62 | |
| Nessuna informazione disponibile, non ordinabile | ||||
| 16 | 6687704 | |||
| Tubo isolante (vecchio 250-01680-20) | ||||
| 17 | 6688316 | 1.05 | 1.28 | |
| Calza dell'albero dell'ingranaggio 0.20 (vecchio 3 | ||||
| 31 | 6684604 | 2.15 | 2.62 | |
| Calza dell'albero dell'ingranaggio 0.30 (vecchio 3 | ||||
| 31 | 6684605 | 2.15 | 2.62 | |
| Distanziale per albero dell'ingranaggio 0.10 (vecc | ||||
| 31 | 6689177 | 1.15 | 1.40 | |
| Distanziale per albero dell'ingranaggio 0.15 (vecc | ||||
| 31 | 6689178 | 1.15 | 1.40 | |
| Non più disponibile, nessuna sostituzione | ||||
| 32 | 6688047 | |||
| Non più disponibile, nessuna sostituzione | ||||
| 33 | 6686529 | |||
| Guarnizione dell'olio | ||||
| 34 | 6684607 | 4.29 | 5.23 | |
| Cuscinetto a sfere 6001 C3 | ||||
| 35 | 6684608 | 3.80 | 4.64 | |
| Non più disponibile, nessuna sostituzione | ||||
| 36 | 6686705 | |||
| Bullone di Studio 6x22 (vecchio 100-02100-20) | ||||
| 37 | 6686771 | 1.15 | 1.40 | |
| Bullone a testa esagonale interna M5x30 S (vecchio | ||||
| 38 | 6684786 | 2.15 | 2.62 | |
| Bullone Hex. Foro 5x45 (vecchio 990-51050-453) | ||||
| 39 | 6695055 | 1.15 | 1.40 | |
| Anello 5 (vecchio 992-10050-062) | ||||
| 40 | 6684834 | 2.15 | 2.62 | |
| Roto Magneto Comp. | ||||
| 41 | 6687418 | 28.14 | 34.33 | |
| Rondella | ||||
| 42 | 6684971 | 1.04 | 1.27 | |
| Rondella M8 (vecchio 992-01080-011) | ||||
| 43 | 6684611 | 2.15 | 2.62 | |
| Dado M8 (vecchio 991-01080-011/327325/332299/72660 | ||||
| 44 | 6684612 | 2.15 | 2.62 | |
| Guarnizione del collettore di aspirazione (vecchio | ||||
| 51 | 6689874 | 2.31 | 2.82 | |
| Set di Isolanti di Ricambio (vecchio 404-03002-91) | ||||
| 52 | 6689937 | 6.60 | 8.05 | |
| Bullone a foro esagonale 5x25ws (vecchio 994-64050 | ||||
| 53 | 6695515 | 1.15 | 1.40 | |
| Guarnizione del carburatore (vecchio 402-03002-20) | ||||
| 54 | 6689828 | 3.30 | 4.03 | |
| O-ring P-15 | ||||
| 55 | 6698966 | 1.04 | 1.27 | |
| Corpo del pulitore completo (vecchio 423-06500-81/ | ||||
| 56 | 6690119 | 4.45 | 5.43 | |
| Collare 7.5 (vecchio 470-06500-20) | ||||
| 57 | 6690804 | 1.15 | 1.40 | |
| Valvola di strozzamento (vecchio 528-03002-20) | ||||
| 58 | 6691261 | 3.30 | 4.03 | |
| Nessuna informazione disponibile, non ordinabile | ||||
| 59 | 6684658 | |||
| Tavola di controllo soffiaggio (vecchio 476-01700- | ||||
| 60 | 6690843 | 1.15 | 1.40 | |
| Rondella (vecchio 992-10050-012) | ||||
| 61 | 6684662 | 2.15 | 2.62 | |
| Vite M5x60 (vecchio 990-11050-602) | ||||
| 62 | 6684660 | 2.15 | 2.62 | |
| Spugna per la pulizia | ||||
| 63 | 6690364 | 1.15 | 1.40 | |
| Coprifiltro dell'aria | ||||
| 64 | 6690415 | 5.28 | 6.44 | |
| Vite speciale (vecchio 380-0637c-20) | ||||
| 65 | 6689737 | 1.15 | 1.40 | |
| Set carburatore | ||||
| 66 | 6690461 | 62.31 | 76.02 | |
| Tubo di protezione (vecchio 223-07000-90) | ||||
| 67 | 6688174 | 2.31 | 2.82 | |
| Clip.6.3 Dia. (vecchio 680-00731-20) | ||||
| 68 | 6684619 | 2.15 | 2.62 | |
| Nessuna informazione disponibile, non ordinabile | ||||
| 69 | 6684620 | |||
| Nessuna informazione disponibile, non ordinabile | ||||
| 70 | 6699738 | |||
| Serbatoio F T | ||||
| 70A | 6699335 | 15.28 | 18.64 | |
| Tappo del serbatoio D Ass'y (vecchio 595-03002-90/ | ||||
| 71 | 6691748 | 7.59 | 9.26 | |
| Collare 5.8 (vecchio 659-00801-20) | ||||
| 72 | 6692244 | 1.15 | 1.40 | |
| Bullone a buco esagonale 5x18ps (vecchio 994-63050 | ||||
| 73 | 6695505 | 1.15 | 1.40 | |
| Cappuccio girevole (vecchio 560-07120-21/6684628) | ||||
| 76 | 6691337 | 1.15 | 1.40 | |
| Pompa di adescamento Comp. (vecchio 442-25143-80) | ||||
| 77 | 6685139 | 5.94 | 7.24 | |
| Tubo del carburante 2.5x4x80 (vecchio 700-02504-08 | ||||
| 78 | 6692347 | 1.15 | 1.40 | |
| Tubo del carburante 2.5x4x70 (vecchio 700-02504-07 | ||||
| 79 | 6692346 | 1.15 | 1.40 | |
| Gommino di ritorno fino a 7.2014 (vecchio 6684627) | ||||
| 80 | 6697846 | 1.04 | 1.27 | |
| Protettore marmitta (vecchio 738-03002-21) | ||||
| 91 | 6692772 | 9.90 | 12.08 | |
| Marmitta Ass'y | ||||
| 92A | 6601160 | 72.45 | 88.39 | |
| Rondella (b) Ds9dva/ds12dva/ds14dv Ds14dva/ds14dvb | ||||
| 94A | 6696547 | 1.05 | 1.28 | |
| Vite a foro esagonale 6x55 (vecchio 990-53060-553) | ||||
| 95 | 6695086 | 1.15 | 1.40 | |
| Carcassa della ventola | ||||
| 97 | 6686957 | 16.79 | 20.48 | |
| Molla di richiamo (vecchio 780-06097-20/6697591) | ||||
| 98 | 6684675 | 11.55 | 14.09 | |
| Bobina corda avviamento (vecchio 774-06097-20) | ||||
| 99 | 6693066 | 3.30 | 4.03 | |
| Vite di regolazione (vecchia 839-02010-20/6693638) | ||||
| 100 | 6693633 | 1.15 | 1.40 | |
| Assemblaggio puleggia di avviamento (vecchio 798-0 | ||||
| 101 | 6693405 | 4.45 | 5.43 | |
| Passacavo primario (vecchio 203-06000-20) | ||||
| 102 | 6688049 | 1.15 | 1.40 | |
| Corda di avviamento (vecchio 783-06097-20/6693174) | ||||
| 103 | 6693168 | 2.31 | 2.82 | |
| Maniglia di avviamento | ||||
| 104 | 6693237 | 1.15 | 1.40 | |
| Bullone con foro esagonale 4x15/ps (vecchio 994-63 | ||||
| 105 | 6684682 | 2.15 | 2.62 | |
| Nessuna informazione disponibile, non ordinabile | ||||
| 106 | 6692718 | |||
| Rondella | ||||
| 108 | 6684661 | 2.15 | 2.62 | |
| Vite 5x8/s (vecchia 994-14050-081) | ||||
| 110 | 6695332 | 1.05 | 1.28 | |
| FRIZIONE ANTISCIVOLAMENTO COMPLETA | ||||
| 111 | 6688494 | 9.74 | 11.88 | |
| Vite per lamiera 4.5x10 (vecchio 990-73045-104) | ||||
| 112 | 6695104 | 1.15 | 1.40 | |
| Bullone 4x12ps (vecchio 994-25040-128) | ||||
| 113 | 6695441 | 1.15 | 1.40 | |
| Molla della frizione di avviamento (vecchio 790-06 | ||||
| 114 | 6684684 | 4.29 | 5.23 | |
| Molletta di avviamento (vecchia 788-06500-20) | ||||
| 115 | 6693319 | 2.31 | 2.82 | |
| Vite di regolazione del gas (vecchio 548-25140-20) | ||||
| 121 | 6684698 | 4.29 | 5.23 | |
| Snodo (vecchio 539-25120-20) | ||||
| 122 | 6684697 | 6.44 | 7.85 | |
| Anello di arresto (vecchio 489-25100-20) | ||||
| 123 | 6684696 | 2.15 | 2.62 | |
| O-RING (vecchio 550-25100-20) | ||||
| 124 | 6684695 | 4.29 | 5.23 | |
| Getto principale #35 (vecchio 599-2001w-35) | ||||
| 125 | 6691873 | 6.28 | 7.66 | |
| Guarnizione pompa (vecchio 577-25100-20) | ||||
| 126 | 6691457 | 7.10 | 8.66 | |
| Diaframma della pompa (vecchio 576-25100-20 & 6696 | ||||
| 127 | 6684693 | 8.58 | 10.46 | |
| Schermo di ingresso (vecchio 578-25007-20) | ||||
| 128 | 6684700 | 4.29 | 5.23 | |
| Corpo di Pompa Comp. (vecchio 575-25225-80) Nuovo | ||||
| 129 | 6691435 | 15.26 | 18.62 | |
| Non più disponibile, nessuna sostituzione | ||||
| 130 | 6685220 | |||
| Diaframma di misurazione Comp. (vecchio 474-25241- | ||||
| 131 | 6690830 | 11.88 | 14.49 | |
| Coperchio del diaframma (vecchio 476-25004-20) | ||||
| 132 | 6685222 | 4.45 | 5.43 | |
| Vite di regolazione (vecchio 548-25101-20) | ||||
| 133 | 6691312 | 1.15 | 1.40 | |
| Corpo del cambio Comp. (vecchio 300-3317a-81/66886 | ||||
| 151 | 6688671 | 28.14 | 34.33 | |
| Non più disponibile, nessuna sostituzione | ||||
| 151A | 6688828 | |||
| Anello di arresto C-15, esterno (vecchio 993-50015 | ||||
| 152 | 6695285 | 1.15 | 1.40 | |
| Cuscinetto a sfera 6002z | ||||
| 153 | 6695538 | 6.60 | 8.05 | |
| Tamburo frizione Comp. (vecchio 288-33180-80) | ||||
| 154 | 6688570 | 17.70 | 21.59 | |
| Albero del ingranaggio (vecchio 305-33160-20) | ||||
| 155 | 6688960 | 2.31 | 2.82 | |
| Piastra guida (vecchia 075-33160-20) | ||||
| 156 | 6686612 | 1.15 | 1.40 | |
| Asta della camma (vecchio 101-33190-20) | ||||
| 157 | 6686811 | 5.78 | 7.05 | |
| Ingranaggio 2 (vecchio 307-33180-20) | ||||
| 158 | 6688974 | 26.16 | 31.92 | |
| Guarnizione del carter dell'ingranaggio (vecchio 3 | ||||
| 159 | 6688909 | 1.15 | 1.40 | |
| Nessuna informazione disponibile, non ordinabile | ||||
| 160 | 6692100 | |||
| Non più disponibile, nessuna sostituzione | ||||
| 161 | 6687135 | |||
| Guida del taglio 625.5l M6 (vecchio 122-33178-20) | ||||
| 161A | 6687137 | 24.20 | 29.52 | |
| Vite a svasatura con foro esagonale 6x16 (vecchio | ||||
| 162 | 6695073 | 1.15 | 1.40 | |
| Bullone a svasatura con foro esagonale 6x25 (vecch | ||||
| 162A | 6695075 | 1.15 | 1.40 | |
| Coltello superiore (a) | ||||
| 163 | 6687084 | 42.20 | 51.48 | |
| Non più disponibile, nessuna sostituzione | ||||
| 164 | 6686654 | |||
| Non più disponibile, nessuna sostituzione | ||||
| 165 | 6687187 | |||
| Bullone | ||||
| 166 | 6687160 | 1.15 | 1.40 | |
| Bullone | ||||
| 166A | 6687158 | 1.15 | 1.40 | |
| Dado a flangia | ||||
| 167A | 6695170 | 1.15 | 1.40 | |
| Bullone forato esagonale 4x10s (vecchio 994-61040- | ||||
| 168 | 6695484 | 1.15 | 1.40 | |
| Vite con foro esagonale M4x12/s (vecchio 994-61040 | ||||
| 168A | 6684595 | 2.15 | 2.62 | |
| CAPPELLO A GRASSO COMP. (VECCHIO 300-32250-80) | ||||
| 169 | 6688643 | 1.15 | 1.40 | |
| Bullone Hex. Foro 6x14 (vecchio 990-51060-143 T) | ||||
| 170 | 6695058 | 1.15 | 1.40 | |
| Bullone con foro esagonale 6x18/s (vecchio 994-610 | ||||
| 170A | 6695495 | 1.15 | 1.40 | |
| Piastra di supporto dal C192401 | ||||
| 171 | 6690764 | 4.45 | 5.43 | |
| Rondella | ||||
| 172 | 6684822 | 2.15 | 2.62 | |
| Dado 6 Ups-p (vecchio 991-87060-001 & 6698766) | ||||
| 173 | 6695175 | 1.15 | 1.40 | |
| Rondella | ||||
| 174 | 6684639 | 2.15 | 2.62 | |
| Cassa del cambio B (vecchio 301-33160-21) | ||||
| 175 | 6688844 | 7.50 | 9.15 | |
| Copri taglierina (vecchio 138-33168-20) | ||||
| 176 | 6687301 | 8.41 | 10.26 | |
| Dado a molla 6 (vecchio 994-40060-011) | ||||
| 177 | 6695475 | 1.15 | 1.40 | |
| Bullone forato esagonale 4x10s (vecchio 994-61040- | ||||
| 178 | 6695484 | 1.15 | 1.40 | |
| Nessuna informazione disponibile, non ordinabile | ||||
| 179 | 6687285 | |||
| Rondella | ||||
| 180 | 6695219 | 1.15 | 1.40 | |
| Componente della morsetto del cavo (vecchio 198-10 | ||||
| 181 | 6688008 | 1.15 | 1.40 | |
| Rondella | ||||
| 182 | 6684639 | 2.15 | 2.62 | |
| Maniglia A (vecchio 050-33150-22) | ||||
| 201 | 6686270 | 9.08 | 11.07 | |
| Interruttore di stop comp. (vecchio 170-3317a-80) | ||||
| 202 | 6687764 | 10.56 | 12.89 | |
| Pulsante Stop (vecchio 258-11650-20) | ||||
| 203 | 6688366 | 1.15 | 1.40 | |
| Vite 3x10 (vecchio 994-31030-101) | ||||
| 204 | 6684913 | 2.15 | 2.62 | |
| Leva dell'Acceleratore (vecchio 230-33150-20) | ||||
| 205 | 6688226 | 2.31 | 2.82 | |
| Leva di sicurezza (vecchio 231-33150-20) | ||||
| 206 | 6688235 | 2.31 | 2.82 | |
| Molla per leva dell'acceleratore (vecchio 232-3315 | ||||
| 207 | 6688243 | 2.31 | 2.82 | |
| Maniglia B (vecchio 051-33150-23) | ||||
| 208 | 6686307 | 9.08 | 11.07 | |
| Tappo (vecchio 765-32120-20) | ||||
| 209 | 6693002 | 1.15 | 1.40 | |
| Vite da lamiera 4x18 (vecchio 993-11041-812) | ||||
| 210 | 6695246 | 1.15 | 1.40 | |
| Cavo dell'acceleratore | ||||
| 211 | 6693912 | 5.11 | 6.24 | |
| Pulsante di stop Mark (vecchio 925-32530-20) | ||||
| 212 | 6694585 | 1.15 | 1.40 | |
| Vite 5x45s (vecchio 994-14050-451) | ||||
| 213 | 6695350 | 1.15 | 1.40 | |
| Nessuna informazione disponibile, non ordinabile | ||||
| 214 | 6696987 | |||
| Rondella 5 (vecchio 992-00050-011) | ||||
| 216 | 6684864 | 2.15 | 2.62 | |
| Manico (vecchio 210-33247-20) | ||||
| 217 | 6688097 | 9.90 | 12.08 | |
| Rondella | ||||
| 218 | 6689680 | 1.15 | 1.40 | |
| Anello 5 (vecchio 992-10050-062) | ||||
| 219 | 6684834 | 2.15 | 2.62 | |
| Bullone Hex. Foro 5x40 (vecchio 990-51050-403) | ||||
| 220 | 6695054 | 1.15 | 1.40 | |
| PROTECTION TUBE, 140L (OLD 164-07014-00) | ||||
| 221 | 6687522 | 1.00 | 1.22 | |
| Collare 5.8 (vecchio 659-00801-20) | ||||
| 222 | 6692244 | 1.15 | 1.40 | |
| Maniglia B (vecchio 051-33290-20) | ||||
| 231 | 6686314 | 5.11 | 6.24 | |
| Maniglia A (vecchio 050-33290-20) | ||||
| 232 | 6686279 | 5.11 | 6.24 | |
| Leva dell'acceleratore (vecchio 230-33290-20) Da C | ||||
| 233 | 6688230 | 1.15 | 1.40 | |
| Leva di sicurezza Oro (vecchio 231-33290-21 & 6688 | ||||
| 234 | 6688240 | 1.15 | 1.40 | |
| Molla per leva dell'acceleratore (vecchio 232-3316 | ||||
| 235 | 6688244 | 1.15 | 1.40 | |
| Interruttore di arresto Comp. (nuovo 170-33253-80) | ||||
| 236 | 6687769 | 9.58 | 11.68 | |
| Leva di blocco (vecchio 233-33290-20) | ||||
| 237 | 6688246 | 1.15 | 1.40 | |
| Molla (vecchio 245-33290 -20) | ||||
| 238 | 6688279 | 1.15 | 1.40 | |
| Rondella | ||||
| 239 | 6685070 | 1.15 | 1.40 | |
| Vite per lamiera D4x10 (vecchio 993-41040-101) | ||||
| 240 | 6685161 | 1.15 | 1.40 | |
| Vite auto forante D4.5x16 (vecchio 990-72045-164/7 | ||||
| 241 | 6684636 | 2.15 | 2.62 | |
| Cavo dell'acceleratore | ||||
| 242 | 6693993 | 4.45 | 5.43 | |
| Pulsante Stop (vecchio 258-11650-20) | ||||
| 243 | 6688366 | 1.15 | 1.40 | |
| Vite 3x10 (vecchio 994-31030-101) | ||||
| 244 | 6684913 | 2.15 | 2.62 | |
| Pulsante di arresto Mark (vecchio 925-33160-20) | ||||
| 245 | 6694588 | 1.15 | 1.40 | |
| Confezionamento del carter dell'albero motore | ||||
| 246 | 6696539 | 1.05 | 1.28 | |
| Manico (vecchio 210-33247-20) | ||||
| 247 | 6688097 | 9.90 | 12.08 | |
| Rondella | ||||
| 248 | 6689680 | 1.15 | 1.40 | |
| Anello 5 (vecchio 992-10050-062) | ||||
| 249 | 6684834 | 2.15 | 2.62 | |
| Bullone Hex. Foro 5x40 (vecchio 990-51050-403) | ||||
| 250 | 6695054 | 1.15 | 1.40 | |
| Tubo di protezione 130l (vecchio 164-07013-01) | ||||
| 251 | 6687521 | 1.15 | 1.40 | |
| Nessuna informazione disponibile, non ordinabile | ||||
| 501 | 6684813 | |||
| Chiave combinata 10x19 ,più (vecchio 036-29331-50) | ||||
| 502 | 6685997 | 4.45 | 5.43 | |
| Targa del nome Htd2522pf (vecchio 906-03002-21) Nu | ||||
| 601 | 6694122 | 2.10 | 2.56 | |