Qui troverai tutte le parti e i disegni disponibili di “Hikoki GP2SA”. Da qui puoi ordinare direttamente tutte le parti desiderate. Molte parti devono essere ordinate dal produttore, a seconda della marca, ciò richiede da una a quattro settimane. Tutte le informazioni che abbiamo sono sul nostro sito web, non possiamo consigliarti su ciò di cui hai bisogno, per questo dovrai restituire la macchina per la riparazione. Nota quanto segue al momento dell’ordinazione:
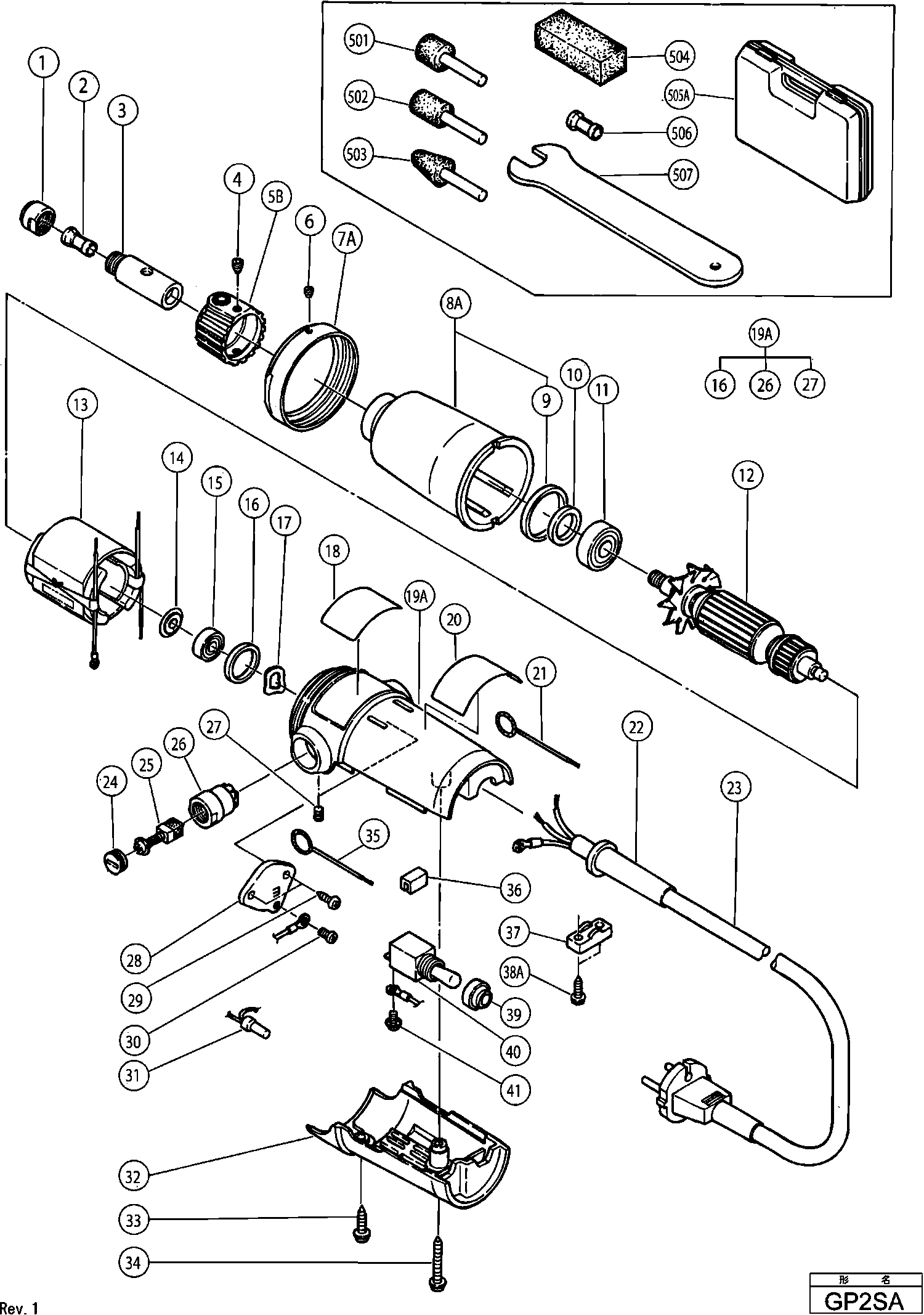
Disegni tecnici di Hikoki GP2SA
Elenco parti di Hikoki GP2SA
| Pos. | Descrizione | Prezzo IVA escl | Prezzo IVA incl | |
| I prezzi indicati sono comprensivi di IVA | ||||
| Nessuna informazione disponibile, non ordinabile | ||||
| 1 | 995527 | |||
| COLLET 6MM | ||||
| 2 | 995530 | 16.28 | 19.86 | |
| Nessuna informazione disponibile, non ordinabile | ||||
| 3 | 995526 | |||
| Vite di regolazione Allen M4 X 5 | ||||
| 4 | 961681 | 1.04 | 1.27 | |
| Nessuna informazione disponibile, non ordinabile | ||||
| 5B | 995528 | |||
| Nessuna informazione disponibile, non ordinabile | ||||
| 6 | 995525 | |||
| Nessuna informazione disponibile, non ordinabile | ||||
| 7A | 333863 | |||
| Nessuna informazione disponibile, non ordinabile | ||||
| 8A | 995522 | |||
| Anello di gomma (vecchio 994299) | ||||
| 9 | 957754 | 1.20 | 1.46 | |
| VILT | ||||
| 10 | 991365 | 1.00 | 1.22 | |
| Cuscinetto a sfera 6000 Vv, Cm9by, C8fse, G23ss | ||||
| 11 | 6000VV | 6.15 | 7.50 | |
| Nessuna informazione disponibile, non ordinabile | ||||
| 12 | 360060C | |||
| Nessuna informazione disponibile, non ordinabile | ||||
| 13 | 340096C | |||
| RONDINA | ||||
| 14 | 980865 | 1.04 | 1.27 | |
| Cuscinetto a sfere 626vvmc2erps2s | ||||
| 15 | 626VVM | 5.70 | 6.95 | |
| Nessuna informazione disponibile, non ordinabile | ||||
| 16 | 995535 | |||
| Nessuna informazione disponibile, non ordinabile | ||||
| 17 | 962606 | |||
| Nessuna informazione disponibile, non ordinabile | ||||
| 19A | 995520 | |||
| Nessuna informazione disponibile, non ordinabile | ||||
| 21 | 995534 | |||
| Pressacavo D8.2 | ||||
| 22 | 930487 | 2.25 | 2.74 | |
| Nessuna informazione disponibile, non ordinabile | ||||
| 23 | 500205Z | |||
| Cappuccio della spazzola | ||||
| 24 | 936551 | 1.05 | 1.28 | |
| Non più disponibile, nessuna sostituzione | ||||
| 25 | 999021 | |||
| BRUSH HOLDER | ||||
| 26 | 937701 | 1.74 | 2.12 | |
| Vite di regolazione Allen M4 X 5 | ||||
| 27 | 961681 | 1.04 | 1.27 | |
| Nessuna informazione disponibile, non ordinabile | ||||
| 28 | 993793 | |||
| VITE C M4X35 | ||||
| 29 | 954017 | 1.04 | 1.27 | |
| Nessuna informazione disponibile, non ordinabile | ||||
| 30 | 949292 | |||
| Giunzione di saldatura 50091 (10 pezzi) | ||||
| 31 | 959140 | 3.30 | 4.03 | |
| Nessuna informazione disponibile, non ordinabile | ||||
| 32 | 995521 | |||
| Nessuna informazione disponibile, non ordinabile | ||||
| 33 | 995532 | |||
| Non più disponibile, nessuna sostituzione | ||||
| 34 | 981814 | |||
| Nessuna informazione disponibile, non ordinabile | ||||
| 35 | 995533 | |||
| Nessuna informazione disponibile, non ordinabile | ||||
| 36 | 991089 | |||
| Strip di serraggio (vecchio 994566) | ||||
| 37 | 937631 | 1.04 | 1.27 | |
| Nessuna informazione disponibile, non ordinabile | ||||
| 38A | 984750 | |||
| Nessuna informazione disponibile, non ordinabile | ||||
| 39 | 991079 | |||
| Nessuna informazione disponibile, non ordinabile | ||||
| 40 | 991076 | |||
| Vite per macchina M3,5x5 | ||||
| 41 | 980060 | 1.05 | 1.28 | |
| Nessuna informazione disponibile, non ordinabile | ||||
| 501 | 949022 | |||
| Nessuna informazione disponibile, non ordinabile | ||||
| 502 | 949021 | |||
| Nessuna informazione disponibile, non ordinabile | ||||
| 503 | 949023 | |||
| Nessuna informazione disponibile, non ordinabile | ||||
| 504 | 939120 | |||
| CASE | ||||
| 505A | 933525 | 13.58 | 16.57 | |
| Nessuna informazione disponibile, non ordinabile | ||||
| 506 | 995531 | |||
| Nessuna informazione disponibile, non ordinabile | ||||
| 507 | 873929 | |||
| Nessuna informazione disponibile, non ordinabile | ||||
| 601 | 939110 | |||
| Nessuna informazione disponibile, non ordinabile | ||||
| 602 | 939111 | |||
| Nessuna informazione disponibile, non ordinabile | ||||
| 603 | 939112 | |||
| Nessuna informazione disponibile, non ordinabile | ||||
| 604 | 939113 | |||
| Nessuna informazione disponibile, non ordinabile | ||||
| 605 | 939114 | |||
| Nessuna informazione disponibile, non ordinabile | ||||
| 606 | 939115 | |||
| Nessuna informazione disponibile, non ordinabile | ||||
| 607 | 939116 | |||
| Nessuna informazione disponibile, non ordinabile | ||||
| 608 | 939117 | |||
| Nessuna informazione disponibile, non ordinabile | ||||
| 609 | 939118 | |||
| Nessuna informazione disponibile, non ordinabile | ||||
| 610 | 939119 | |||