Qui troverai tutte le parti e i disegni disponibili di “Hikoki G23SW”. Da qui puoi ordinare direttamente tutte le parti desiderate. Molte parti devono essere ordinate dal produttore, a seconda della marca, ciò richiede da una a quattro settimane. Tutte le informazioni che abbiamo sono sul nostro sito web, non possiamo consigliarti su ciò di cui hai bisogno, per questo dovrai restituire la macchina per la riparazione. Nota quanto segue al momento dell’ordinazione:
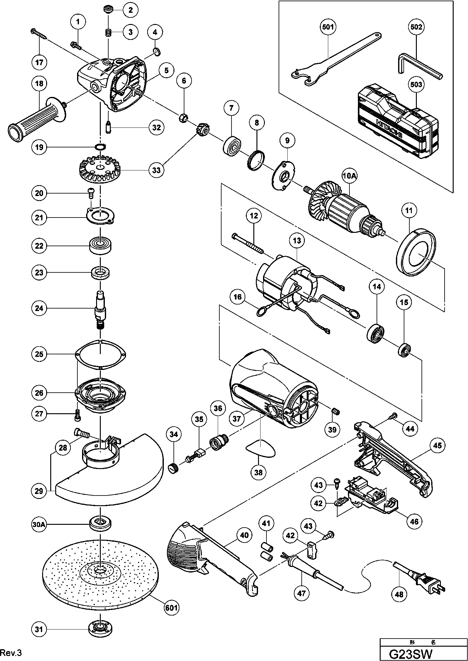
Disegni tecnici di Hikoki G23SW
Elenco parti di Hikoki G23SW
| Pos. | Descrizione | Prezzo IVA escl | Prezzo IVA incl | |
| I prezzi indicati sono comprensivi di IVA | ||||
| Nessuna informazione disponibile, non ordinabile | ||||
| 1 | 315636 | |||
| Bottone Di Spinta | ||||
| 2 | 306888 | 1.04 | 1.27 | |
| Molla | ||||
| 3 | 320219 | 1.35 | 1.65 | |
| Rondella in feltro | ||||
| 4 | 937033 | 1.04 | 1.27 | |
| Coperchio interno | ||||
| 5 | 330080 | 22.83 | 27.85 | |
| DADO M10 | ||||
| 6 | 320226 | 1.35 | 1.65 | |
| Cuscinetto a sfere 6301vvcmps2s | ||||
| 7 | 6301VV | 8.55 | 10.43 | |
| Anello di gomma (1) | ||||
| 8 | 330031 | 1.20 | 1.46 | |
| COPERTURA | ||||
| 9 | 330030 | 2.10 | 2.56 | |
| STATORE 230V | ||||
| 10A | 360959E | 32.45 | 39.59 | |
| Guida per ventilatore | ||||
| 11 | 330081 | 1.05 | 1.28 | |
| Vite di taglio D5x60 | ||||
| 12 | 961501 | 1.04 | 1.27 | |
| Stator 220v-230v H-90sa Includ.103 Per Nzl,saf | ||||
| 13 | 340809E | 45.65 | 55.69 | |
| Sigillo antipolvere | ||||
| 14 | 330029 | 1.80 | 2.20 | |
| Cuscinetto a sfera 6000 Vv, Cm9by, C8fse, G23ss | ||||
| 15 | 6000VV | 6.15 | 7.50 | |
| Punto di contatto Portaspazzola | ||||
| 16 | 937623 | 1.04 | 1.27 | |
| Vite a filettare con flangia D5x35 (nero) | ||||
| 17 | 323209 | 1.35 | 1.65 | |
| Nessuna informazione disponibile, non ordinabile | ||||
| 18 | 937981 | |||
| Rondella elastica D12 (10 pezzi) | ||||
| 19 | 939542 | 1.50 | 1.83 | |
| Vite della macchina M5x10 (10 pezzi) | ||||
| 20 | 949236 | 1.05 | 1.28 | |
| Copertura del cuscinetto (b) | ||||
| 21 | 320229 | 1.35 | 1.65 | |
| Cuscinetto a sfere 6302vvcmps2s | ||||
| 22 | 6302VV | 9.30 | 11.35 | |
| Imballaggio Di Feltro | ||||
| 23 | 990852 | 1.04 | 1.27 | |
| BARRA TOMMY | ||||
| 24 | 320234 | 6.96 | 8.49 | |
| Piastra di tenuta | ||||
| 25 | 320228 | 1.35 | 1.65 | |
| COPERTURA DEL CASETTO DI INGRANAGGI | ||||
| 26 | 320227 | 4.96 | 6.05 | |
| Vite M5X16 | ||||
| 27 | 994192 | 1.04 | 1.27 | |
| Bullone M8x25 (vecchio 949760z, 10 pezzi) | ||||
| 28 | 949760 | 5.55 | 6.77 | |
| Nessuna informazione disponibile, non ordinabile | ||||
| 29 | 330037 | |||
| Non più disponibile, nessuna sostituzione | ||||
| 30 | 937922P | |||
| Nessuna informazione disponibile, non ordinabile | ||||
| 30A | 376202 | |||
| Nessuna informazione disponibile, non ordinabile | ||||
| 31 | 937923P | |||
| Spina di bloccaggio | ||||
| 32 | 306890 | 1.80 | 2.20 | |
| INGRANAGGIO E ALBERO | ||||
| 33 | 330688 | 24.75 | 30.20 | |
| Cappuccio della spazzola | ||||
| 34 | 945161 | 1.20 | 1.46 | |
| Spazzola di carbone (1 paio) | ||||
| 35 | 999038 | 9.30 | 11.35 | |
| Supporto della spazzola di carbone (vecchia 938241 | ||||
| 36 | 938241 | 6.45 | 7.87 | |
| Cassetta del rivestimento DUO 110 - Set | ||||
| 37 | 330028 | 17.19 | 20.97 | |
| Vite di regolazione esagonale M5x8 | ||||
| 39 | 938477 | 1.05 | 1.28 | |
| Maniglia (a) G18u/g23u e altri | ||||
| 40 | 330033 | 4.20 | 5.12 | |
| Manicotto filettato per cavo | ||||
| 41 | 981373 | 1.05 | 1.28 | |
| MORSETTO DEL CAVO | ||||
| 42 | 331336 | 1.20 | 1.46 | |
| MORSETTO DEL CAVO | ||||
| 42 | 960266 | 1.04 | 1.27 | |
| Nessuna informazione disponibile, non ordinabile | ||||
| 43 | 984750 | |||
| Vite Autofilettante (con flangia) D4x16 (nero) | ||||
| 44 | 305812 | 1.04 | 1.27 | |
| Manico (b) | ||||
| 45 | 330034 | 4.20 | 5.12 | |
| Interruttore | ||||
| 46 | 320238 | 22.55 | 27.51 | |
| Interruttore (tipo di blocco on/off) | ||||
| 46A | 337647 | 12.60 | 15.37 | |
| Interruttore (tipo di blocco off) | ||||
| 46A | 337648 | 12.60 | 15.37 | |
| Armatura del cavo D10.7 | ||||
| 47 | 940778 | 2.10 | 2.56 | |
| Armatura del cavo D11.2 | ||||
| 47 | 331335 | 1.20 | 1.46 | |
| Glandola per cavo D8.2 (vecchia 958049z) | ||||
| 47 | 958049 | 1.04 | 1.27 | |
| Cavo 230 Volt Gbr | ||||
| 48 | 500450Z | 31.63 | 38.58 | |
| SNOER 10.7 (USE 714500=2X1 5M) | ||||
| 48 | 500247Z | 6.18 | 7.54 | |
| Nessuna informazione disponibile, non ordinabile | ||||
| 48A | 500497Z | |||
| Nessuna informazione disponibile, non ordinabile | ||||
| 501 | 325491 | |||
| Nessuna informazione disponibile, non ordinabile | ||||
| 502 | 872422 | |||
| Nessuna informazione disponibile, non ordinabile | ||||
| 503 | 333932 | |||
| Nessuna informazione disponibile, non ordinabile | ||||
| 601 | 316825 | |||
| Nessuna informazione disponibile, non ordinabile | ||||
| 602 | 994277 | |||
| Set di maniglie per tubo Includ.602 | ||||
| 603 | 323993 | 63.66 | 77.67 | |
| Bullone | ||||
| 604 | 985597 | 2.85 | 3.48 | |
| Nessuna informazione disponibile, non ordinabile | ||||
| 605 | 310337 | |||
| Nessuna informazione disponibile, non ordinabile | ||||
| 606 | 332797 | |||