Qui troverai tutte le parti e i disegni disponibili di “Hikoki G18DBBVL”. Da qui puoi ordinare direttamente tutte le parti desiderate. Molte parti devono essere ordinate dal produttore, a seconda della marca, ciò richiede da una a quattro settimane. Tutte le informazioni che abbiamo sono sul nostro sito web, non possiamo consigliarti su ciò di cui hai bisogno, per questo dovrai restituire la macchina per la riparazione. Nota quanto segue al momento dell’ordinazione:
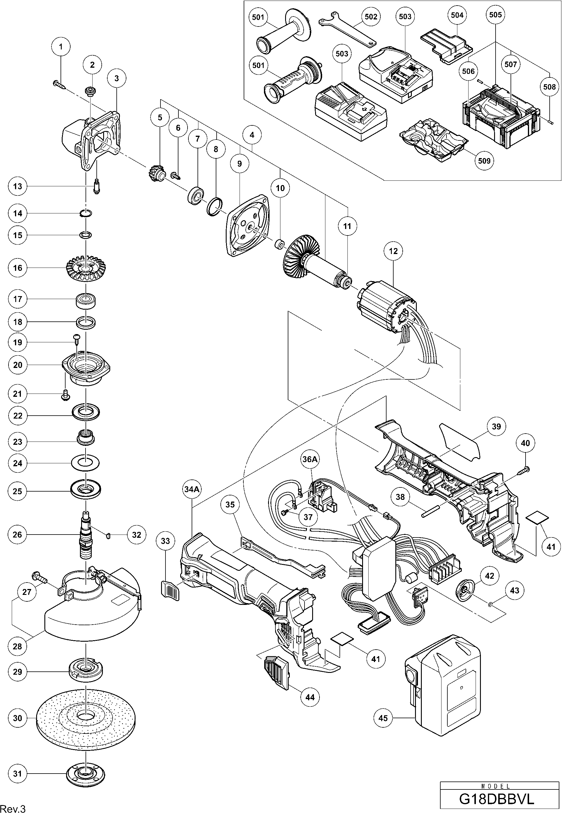
Disegni tecnici di Hikoki G18DBBVL
Elenco parti di Hikoki G18DBBVL
| Pos. | Descrizione | Prezzo IVA escl | Prezzo IVA incl | |
| I prezzi indicati sono comprensivi di IVA | ||||
| Maniglia laterale G13sr3 | ||||
| *501 | 318312 | 7.50 | 9.15 | |
| Vite Autofilettante (con flangia) D4x23 (nero) | ||||
| 1 | 328643 | 1.05 | 1.28 | |
| Pulsante Spinta | ||||
| 2 | 301944 | 1.04 | 1.27 | |
| Custodia del ingranaggio | ||||
| 3 | 339183 | 14.99 | 18.28 | |
| Set Coperchio Interno Rotor Incl.5-11 | ||||
| 4 | 360991 | 125.68 | 153.32 | |
| Pignone (1) | ||||
| 5 | 371811 | 4.65 | 5.67 | |
| Vite a testa scanalata (bloccaggio sigillante) M4 | ||||
| 6 | 371814 | 1.04 | 1.27 | |
| CUSCINETTO A SFERE | ||||
| 7 | 371033 | 3.15 | 3.84 | |
| Anello di Gomma (a) | ||||
| 8 | 328453 | 1.80 | 2.20 | |
| Copertina interna | ||||
| 9 | 371816 | 7.50 | 9.15 | |
| Anello di distanza (a) | ||||
| 10 | 371927 | 1.04 | 1.27 | |
| Cuscinetto a sfere 625dd | ||||
| 11 | 333826 | 5.10 | 6.22 | |
| Assemblaggio cablaggio includ.34 | ||||
| 12 | 371687 | 140.66 | 171.61 | |
| Perno Di Blocco | ||||
| 13 | 301943 | 1.65 | 2.01 | |
| Anello di Ritenzione per Albero D11 Fino a 9.2012 | ||||
| 14 | 316487 | 1.65 | 2.01 | |
| Rondella | ||||
| 15 | 316486 | 1.65 | 2.01 | |
| INGRANAGGIO | ||||
| 16 | 328364 | 11.70 | 14.27 | |
| Cuscinetto a sfere 6001dducmps2s (vecchio 980925) | ||||
| 17 | 6001DD | 6.45 | 7.87 | |
| Imballaggio in feltro | ||||
| 18 | 372126 | 1.04 | 1.27 | |
| Nessuna informazione disponibile, non ordinabile | ||||
| 19 | 301936 | |||
| Vite a testa scanalata (Seal Lock) M4x10 | ||||
| 19A | 314430 | 1.05 | 1.28 | |
| GLANDE DI IMBALLAGGIO | ||||
| 20 | 372124 | 2.70 | 3.29 | |
| Vite di blocco (con rondella sp.) M4x12 | ||||
| 21 | 307127 | 1.05 | 1.28 | |
| Fringer | ||||
| 22 | 372183 | 1.04 | 1.27 | |
| MANICOTTO (B) | ||||
| 23 | 371672 | 3.45 | 4.21 | |
| MOLLA BELLEVILLE (B) | ||||
| 24 | 371673 | 8.40 | 10.25 | |
| CORPO DI SUPPORTO (B) | ||||
| 25 | 371674 | 1.35 | 1.65 | |
| Spindle (e) | ||||
| 26 | 371685 | 6.45 | 7.87 | |
| Vite M5 | ||||
| 27 | 338868 | 1.04 | 1.27 | |
| Pararuota Senza Utensili 125mm Incl.27 | ||||
| 28 | 333840 | 6.15 | 7.50 | |
| Rondella ruota (c) | ||||
| 29 | 371677 | 4.35 | 5.31 | |
| Nessuna informazione disponibile, non ordinabile | ||||
| 30 | 316822 | |||
| Nessuna informazione disponibile, non ordinabile | ||||
| 31 | 339579 | |||
| Chiavetta a luna G12s2/g13sd | ||||
| 32 | 302047 | 1.05 | 1.28 | |
| Cursore dell'interruttore | ||||
| 33 | 314428 | 1.04 | 1.27 | |
| Nessuna informazione disponibile, non ordinabile | ||||
| 34A | 373741 | |||
| HOUSING SET (A+B) (OLD 373741) | ||||
| 34D | 373740 | 21.50 | 26.23 | |
| Barra scorrevole | ||||
| 35 | 371682 | 1.04 | 1.27 | |
| INTERRUTTORE | ||||
| 36A | 371322 | 12.30 | 15.01 | |
| Vite macchina (con rondella) M3.5x6 | ||||
| 37 | 307887 | 1.04 | 1.27 | |
| SPINA | ||||
| 38 | 338869 | 1.04 | 1.27 | |
| Vite per foratura D4x20 con flangia (nero) | ||||
| 40 | 301653 | 1.04 | 1.27 | |
| Cuscino in gomma (b) | ||||
| 41 | 338871 | 1.04 | 1.27 | |
| Quadrante | ||||
| 42 | 337875 | 2.85 | 3.48 | |
| Anello O (i.d 2.8) | ||||
| 43 | 338981 | 1.04 | 1.27 | |
| Filtro | ||||
| 44 | 338870 | 1.05 | 1.28 | |
| Nessuna informazione disponibile, non ordinabile | ||||
| 45 | 335790 | |||
| Maniglia laterale G13sr3 | ||||
| 501 | 318312 | 7.50 | 9.15 | |
| Nessuna informazione disponibile, non ordinabile | ||||
| 502 | 938332Z | |||
| Cappuccio di protezione per batteria | ||||
| 504 | 329897 | 1.80 | 2.20 | |
| Nessuna informazione disponibile, non ordinabile | ||||
| 505 | 336471 | |||
| Nessuna informazione disponibile, non ordinabile | ||||
| 506 | 336472 | |||
| Nessuna informazione disponibile, non ordinabile | ||||
| 507 | 336473 | |||
| Nessuna informazione disponibile, non ordinabile | ||||
| 508 | 336474 | |||
| Nessuna informazione disponibile, non ordinabile | ||||
| 509 | 338872 | |||
| Nessuna informazione disponibile, non ordinabile | ||||
| 601 | 937826Z | |||
| Nessuna informazione disponibile, non ordinabile | ||||
| 602 | 937825Z | |||
| Nessuna informazione disponibile, non ordinabile | ||||
| 603 | 314062 | |||
| Nessuna informazione disponibile, non ordinabile | ||||
| 604 | 314063 | |||
| Nessuna informazione disponibile, non ordinabile | ||||
| 605 | 314064 | |||
| Nessuna informazione disponibile, non ordinabile | ||||
| 606 | 314065 | |||
| Nessuna informazione disponibile, non ordinabile | ||||
| 607 | 314066 | |||
| Nessuna informazione disponibile, non ordinabile | ||||
| 608 | 314067 | |||
| Nessuna informazione disponibile, non ordinabile | ||||
| 609 | 314068 | |||
| Nessuna informazione disponibile, non ordinabile | ||||
| 610 | 314069 | |||
| Nessuna informazione disponibile, non ordinabile | ||||
| 611 | 314070 | |||
| Nessuna informazione disponibile, non ordinabile | ||||
| 612 | 314071 | |||
| Nessuna informazione disponibile, non ordinabile | ||||
| 613 | 314072 | |||