Qui troverai tutte le parti e i disegni disponibili di “Hikoki G18DBAL”. Da qui puoi ordinare direttamente tutte le parti desiderate. Molte parti devono essere ordinate dal produttore, a seconda della marca, ciò richiede da una a quattro settimane. Tutte le informazioni che abbiamo sono sul nostro sito web, non possiamo consigliarti su ciò di cui hai bisogno, per questo dovrai restituire la macchina per la riparazione. Nota quanto segue al momento dell’ordinazione:
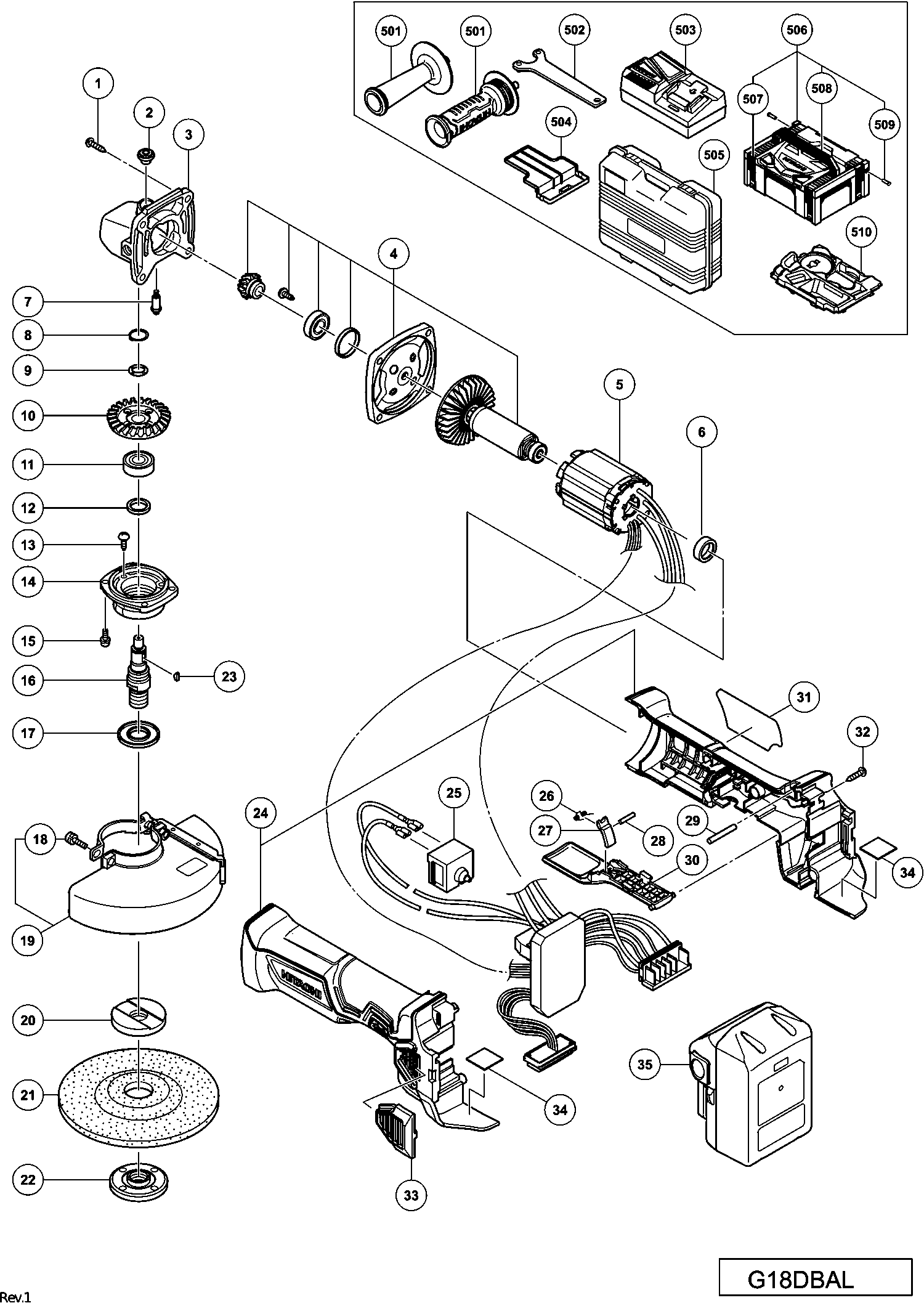
Disegni tecnici di Hikoki G18DBAL
Elenco parti di Hikoki G18DBAL
| Pos. | Descrizione | Prezzo IVA escl | Prezzo IVA incl | |
| I prezzi indicati sono comprensivi di IVA | ||||
| Mandrino M14 | ||||
| *16 | 328359 | 4.20 | 5.12 | |
| Protezione ruota senza utensili 115mm Incl.27 | ||||
| *19 | 338579 | 6.75 | 8.24 | |
| Pararuota Senza Utensili 125mm Incl.27 | ||||
| *19 | 333840 | 6.15 | 7.50 | |
| Nessuna informazione disponibile, non ordinabile | ||||
| *21 | 316822 | |||
| Nessuna informazione disponibile, non ordinabile | ||||
| *35 | 336385 | |||
| Maniglia laterale G13sr3 | ||||
| *501 | 318312 | 7.50 | 9.15 | |
| Vite Autofilettante (con flangia) D4x23 (nero) | ||||
| 1 | 328643 | 1.05 | 1.28 | |
| Pulsante Spinta | ||||
| 2 | 301944 | 1.04 | 1.27 | |
| Custodia del ingranaggio | ||||
| 3 | 339183 | 14.99 | 18.28 | |
| Set Coperchio Interno Rotor Incl.5-11 | ||||
| 4 | 360991 | 125.68 | 153.32 | |
| Set Coperchio Interno Rotor Incl.5-11 | ||||
| 4A | 360991 | 125.68 | 153.32 | |
| Assieme cablaggio (18v singolo) incluso.28 | ||||
| 5 | 339227 | 154.83 | 188.89 | |
| MANICOTTO FILETTATO | ||||
| 6 | 338867 | 1.80 | 2.20 | |
| Perno Di Blocco | ||||
| 7 | 301943 | 1.65 | 2.01 | |
| Anello di Ritenzione per Albero D11 Fino a 9.2012 | ||||
| 8 | 316487 | 1.65 | 2.01 | |
| Rondella | ||||
| 9 | 316486 | 1.65 | 2.01 | |
| INGRANAGGIO | ||||
| 10 | 328364 | 11.70 | 14.27 | |
| Cuscinetto a sfere 6001vvcmps2l | ||||
| 11 | 6001VV | 6.60 | 8.05 | |
| Imballaggio Di Feltro | ||||
| 12 | 301946 | 1.04 | 1.27 | |
| Nessuna informazione disponibile, non ordinabile | ||||
| 13 | 301936 | |||
| Vite a testa scanalata (Seal Lock) M4x10 | ||||
| 13A | 314430 | 1.05 | 1.28 | |
| Coperchio interno | ||||
| 14 | 328198 | 3.15 | 3.84 | |
| Vite di blocco (con rondella sp.) M4x12 | ||||
| 15 | 307127 | 1.05 | 1.28 | |
| Mandrino M14 | ||||
| 16 | 328359 | 4.20 | 5.12 | |
| Anello Scaglioso | ||||
| 17 | 301945 | 1.05 | 1.28 | |
| Vite M5 | ||||
| 18 | 338868 | 1.04 | 1.27 | |
| Protezione ruota senza utensili 115mm Incl.27 | ||||
| 19 | 338579 | 6.75 | 8.24 | |
| Pararuota Senza Utensili 125mm Incl.27 | ||||
| 19 | 333840 | 6.15 | 7.50 | |
| Nessuna informazione disponibile, non ordinabile | ||||
| 20 | 937817Z | |||
| Nessuna informazione disponibile, non ordinabile | ||||
| 20A | 376067 | |||
| Nessuna informazione disponibile, non ordinabile | ||||
| 21 | 316822 | |||
| Nessuna informazione disponibile, non ordinabile | ||||
| 22 | 937923P | |||
| Non più disponibile, nessuna sostituzione | ||||
| 22A | 339580 | |||
| Chiavetta a luna G12s2/g13sd | ||||
| 23 | 302047 | 1.05 | 1.28 | |
| Non più disponibile, nessuna sostituzione | ||||
| 24 | 338866 | |||
| ALLOGGIAMENTO (C+D) (VECCHIO 338866) | ||||
| 24A | 373738 | 26.54 | 32.38 | |
| ALLOGGIAMENTO (C+D) (VECCHIO 338866) | ||||
| 24B | 373738 | 26.54 | 32.38 | |
| Non più disponibile, nessuna sostituzione | ||||
| 25 | 329057 | |||
| Interruttore | ||||
| 25A | 373565 | 4.65 | 5.67 | |
| Molla | ||||
| 26 | 337874 | 1.95 | 2.38 | |
| Blocco | ||||
| 27 | 337873 | 1.04 | 1.27 | |
| SPINA | ||||
| 28 | 339032 | 1.04 | 1.27 | |
| SPINA | ||||
| 29 | 338869 | 1.04 | 1.27 | |
| Leva dell'interruttore Wh14dcal | ||||
| 30 | 337872 | 1.04 | 1.27 | |
| Vite per foratura D4x20 con flangia (nero) | ||||
| 32 | 301653 | 1.04 | 1.27 | |
| Filtro | ||||
| 33 | 338870 | 1.05 | 1.28 | |
| Cuscino in gomma (b) | ||||
| 34 | 338871 | 1.04 | 1.27 | |
| Nessuna informazione disponibile, non ordinabile | ||||
| 35 | 338891 | |||
| Nessuna informazione disponibile, non ordinabile | ||||
| 35A | 371750 | |||
| Pignone (1) | ||||
| 39 | 371811 | 4.65 | 5.67 | |
| Vite a testa scanalata (bloccaggio sigillante) M4 | ||||
| 40 | 371814 | 1.04 | 1.27 | |
| CUSCINETTO A SFERE | ||||
| 41 | 371033 | 3.15 | 3.84 | |
| Anello di Gomma (a) | ||||
| 42 | 328453 | 1.80 | 2.20 | |
| Copertina interna | ||||
| 43 | 371816 | 7.50 | 9.15 | |
| Cuscinetto a sfere 625dd | ||||
| 44 | 333826 | 5.10 | 6.22 | |
| Anello di distanza (a) | ||||
| 45 | 371927 | 1.04 | 1.27 | |
| Maniglia laterale G13sr3 | ||||
| 501 | 318312 | 7.50 | 9.15 | |
| Nessuna informazione disponibile, non ordinabile | ||||
| 502 | 938332Z | |||
| Cappuccio di protezione per batteria | ||||
| 504 | 329897 | 1.80 | 2.20 | |
| Nessuna informazione disponibile, non ordinabile | ||||
| 505 | 337867 | |||
| Nessuna informazione disponibile, non ordinabile | ||||
| 506 | 336471 | |||
| Nessuna informazione disponibile, non ordinabile | ||||
| 507 | 336472 | |||
| Nessuna informazione disponibile, non ordinabile | ||||
| 508 | 336473 | |||
| Nessuna informazione disponibile, non ordinabile | ||||
| 509 | 336474 | |||
| Nessuna informazione disponibile, non ordinabile | ||||
| 510 | 338872 | |||
| Nessuna informazione disponibile, non ordinabile | ||||
| 601 | 332788 | |||
| Nessuna informazione disponibile, non ordinabile | ||||
| 602 | 332787 | |||
| Rondella | ||||
| 603 | 339151 | 3.90 | 4.76 | |
| Nessuna informazione disponibile, non ordinabile | ||||
| 604 | 338497 | |||
| Nessuna informazione disponibile, non ordinabile | ||||
| 605 | 332785 | |||
| Nessuna informazione disponibile, non ordinabile | ||||
| 606 | 937826Z | |||
| Nessuna informazione disponibile, non ordinabile | ||||
| 607 | 938318 | |||
| Nessuna informazione disponibile, non ordinabile | ||||
| 608 | 937825Z | |||
| Nessuna informazione disponibile, non ordinabile | ||||
| 609 | 938317 | |||
| Nessuna informazione disponibile, non ordinabile | ||||
| 610 | 314095 | |||
| Nessuna informazione disponibile, non ordinabile | ||||
| 611 | 314096 | |||
| Nessuna informazione disponibile, non ordinabile | ||||
| 612 | 314097 | |||
| Nessuna informazione disponibile, non ordinabile | ||||
| 613 | 314098 | |||
| Nessuna informazione disponibile, non ordinabile | ||||
| 614 | 314099 | |||
| Nessuna informazione disponibile, non ordinabile | ||||
| 615 | 314100 | |||
| Nessuna informazione disponibile, non ordinabile | ||||
| 616 | 314101 | |||
| Nessuna informazione disponibile, non ordinabile | ||||
| 617 | 314102 | |||
| Nessuna informazione disponibile, non ordinabile | ||||
| 618 | 314103 | |||
| Nessuna informazione disponibile, non ordinabile | ||||
| 619 | 314104 | |||
| Nessuna informazione disponibile, non ordinabile | ||||
| 620 | 314105 | |||
| Nessuna informazione disponibile, non ordinabile | ||||
| 621 | 314062 | |||
| Nessuna informazione disponibile, non ordinabile | ||||
| 622 | 314063 | |||
| Nessuna informazione disponibile, non ordinabile | ||||
| 623 | 314064 | |||
| Nessuna informazione disponibile, non ordinabile | ||||
| 624 | 314065 | |||
| Nessuna informazione disponibile, non ordinabile | ||||
| 625 | 314066 | |||
| Nessuna informazione disponibile, non ordinabile | ||||
| 626 | 314067 | |||
| Nessuna informazione disponibile, non ordinabile | ||||
| 627 | 314068 | |||
| Nessuna informazione disponibile, non ordinabile | ||||
| 628 | 314069 | |||
| Nessuna informazione disponibile, non ordinabile | ||||
| 629 | 314070 | |||
| Nessuna informazione disponibile, non ordinabile | ||||
| 630 | 314071 | |||
| Nessuna informazione disponibile, non ordinabile | ||||
| 631 | 314072 | |||