Qui troverai tutte le parti e i disegni disponibili di “Hikoki G18BYE”. Da qui puoi ordinare direttamente tutte le parti desiderate. Molte parti devono essere ordinate dal produttore, a seconda della marca, ciò richiede da una a quattro settimane. Tutte le informazioni che abbiamo sono sul nostro sito web, non possiamo consigliarti su ciò di cui hai bisogno, per questo dovrai restituire la macchina per la riparazione. Nota quanto segue al momento dell’ordinazione:
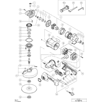
Disegni tecnici di Hikoki G18BYE
Elenco parti di Hikoki G18BYE
| Pos. | Descrizione | Prezzo IVA escl | Prezzo IVA incl | |
| I prezzi indicati sono comprensivi di IVA | ||||
| STATORE ASS'Y (A) 230 VOLT | ||||
| *11 | 341024E | 44.96 | 54.85 | |
| Armatura del cavo D10.7 | ||||
| *45 | 940778 | 2.10 | 2.56 | |
| Nessuna informazione disponibile, non ordinabile | ||||
| *51 | 500497Z | |||
| Pulsante AGC 18 | ||||
| 1 | 337641 | 1.04 | 1.27 | |
| Molla | ||||
| 2 | 320219 | 1.35 | 1.65 | |
| Rondella in feltro | ||||
| 3 | 315049 | 1.20 | 1.46 | |
| Dado M8 Basso(10 Pezzi) | ||||
| 4 | 949568 | 1.50 | 1.83 | |
| ANELLO DI GOMMA NUOVO | ||||
| 5 | 373942 | 1.04 | 1.27 | |
| Cuscinetto a sfere 6201vvcmps2s | ||||
| 6 | 6201VV | 6.45 | 7.87 | |
| Guarnizione in feltro | ||||
| 7 | 373928 | 1.04 | 1.27 | |
| Supporto Del Cuscinetto | ||||
| 8 | 373927 | 1.80 | 2.20 | |
| ASSEMBLAGGIO DEL ROTORE (A) | ||||
| 9 | 361098 | 53.35 | 65.09 | |
| Guida ventilatore | ||||
| 10 | 373943 | 2.55 | 3.11 | |
| PCB DEL SENSORE (A) | ||||
| 12 | 374376 | 9.90 | 12.08 | |
| Sigillo antipolvere | ||||
| 13 | 373929 | 1.04 | 1.27 | |
| Cuscinetto a sfera 6000 Vv, Cm9by, C8fse, G23ss | ||||
| 14 | 6000VV | 6.15 | 7.50 | |
| Vite a percussione D3x10 | ||||
| 15 | 306945 | 1.04 | 1.27 | |
| Vite di taglio (con flangia) D5x25 (nera) | ||||
| 16 | 305558 | 1.04 | 1.27 | |
| COPERTURA DEL CASETTO DI INGRANAGGI | ||||
| 17 | 373935 | 18.84 | 22.98 | |
| Spinotto di bloccaggio | ||||
| 18 | 374367 | 1.05 | 1.28 | |
| VITE DI BLOCCO GUARNIZIONE M4X10 | ||||
| 19 | 987201 | 1.05 | 1.28 | |
| Coperchio del cuscinetto RTS 400 REQ | ||||
| 20 | 373939 | 1.04 | 1.27 | |
| Cuscinetto a sfere 6202vvcmps2s | ||||
| 21 | 6202VV | 7.05 | 8.60 | |
| Guarnizione in feltro | ||||
| 22 | 373938 | 1.04 | 1.27 | |
| PIASTRA DI TENUTA | ||||
| 23 | 374372 | 1.04 | 1.27 | |
| GLANDE DI IMBALLAGGIO | ||||
| 24 | 373937 | 6.30 | 7.69 | |
| Vite a brugola | ||||
| 25 | 998485 | 1.05 | 1.28 | |
| Manicotto/acciaio inossidabile/strumento elettrico | ||||
| 26 | 374604 | 1.80 | 2.20 | |
| BELLEVILLE SPRING (C) (OLD 374370) | ||||
| 27A | 379935 | 1.00 | 1.22 | |
| Corpo di supporto (C) | ||||
| 28 | 374369 | 1.50 | 1.83 | |
| BARRA TOMMY | ||||
| 29 | 374605 | 5.55 | 6.77 | |
| Vite M5x25 (vecchio 949662z, 10 Pezzi) | ||||
| 30 | 949662 | 2.10 | 2.56 | |
| Nessuna informazione disponibile, non ordinabile | ||||
| 31 | 377963 | |||
| RONDELLA (E) | ||||
| 32 | 374314 | 1.95 | 2.38 | |
| Nessuna informazione disponibile, non ordinabile | ||||
| 33 | 316824 | |||
| Nessuna informazione disponibile, non ordinabile | ||||
| 34 | 373779 | |||
| Set di ingranaggi | ||||
| 35 | 373940 | 15.54 | 18.96 | |
| Cassetta del rivestimento DUO 110 - Set | ||||
| 36 | 374312 | 9.00 | 10.98 | |
| HOLDER ASS'Y (OLD 374962) | ||||
| 38 | 377295 | 103.62 | 126.42 | |
| SUPPORTO | ||||
| 39 | 374366 | 3.15 | 3.84 | |
| Vite autofilettante (con flangia) D4x30 (nero) | ||||
| 40 | 305490 | 1.04 | 1.27 | |
| SWITCH G18BYE / G23BYE NEW | ||||
| 41 | 378995 | 7.98 | 9.74 | |
| Porta-led | ||||
| 42 | 373933 | 1.04 | 1.27 | |
| Filtro | ||||
| 43 | 373936 | 1.50 | 1.83 | |
| SET DI MANIGLIE (C+D) | ||||
| 44 | 374313 | 10.65 | 12.99 | |
| Glandola per cavo D8.2 (vecchia 958049z) | ||||
| 45 | 958049 | 1.04 | 1.27 | |
| MORSETTO DEL CAVO | ||||
| 46 | 960266 | 1.04 | 1.27 | |
| Nessuna informazione disponibile, non ordinabile | ||||
| 47 | 984750 | |||
| PCB FILTRO (A) | ||||
| 48 | 374963 | 12.90 | 15.74 | |
| TERMINALE A PILASTRO | ||||
| 49 | 373930 | 6.75 | 8.24 | |
| Vite Autofilettante (con flangia) D4x16 (nero) | ||||
| 50 | 305812 | 1.04 | 1.27 | |
| SNOER 2.5M 2 X 1.0 H05VV-F W/PLUG 13A/250V (OLD 50 | ||||
| 51 | 500423Z | 12.87 | 15.70 | |
| Nessuna informazione disponibile, non ordinabile | ||||
| 501A | 381403 | |||
| Nessuna informazione disponibile, non ordinabile | ||||
| 502 | 376127 | |||
| Nessuna informazione disponibile, non ordinabile | ||||
| 503 | 944458 | |||
| Nessuna informazione disponibile, non ordinabile | ||||
| 601 | 376506 | |||