Qui troverai tutte le parti e i disegni disponibili di “Hikoki G12SA2”. Da qui puoi ordinare direttamente tutte le parti desiderate. Molte parti devono essere ordinate dal produttore, a seconda della marca, ciò richiede da una a quattro settimane. Tutte le informazioni che abbiamo sono sul nostro sito web, non possiamo consigliarti su ciò di cui hai bisogno, per questo dovrai restituire la macchina per la riparazione. Nota quanto segue al momento dell’ordinazione:
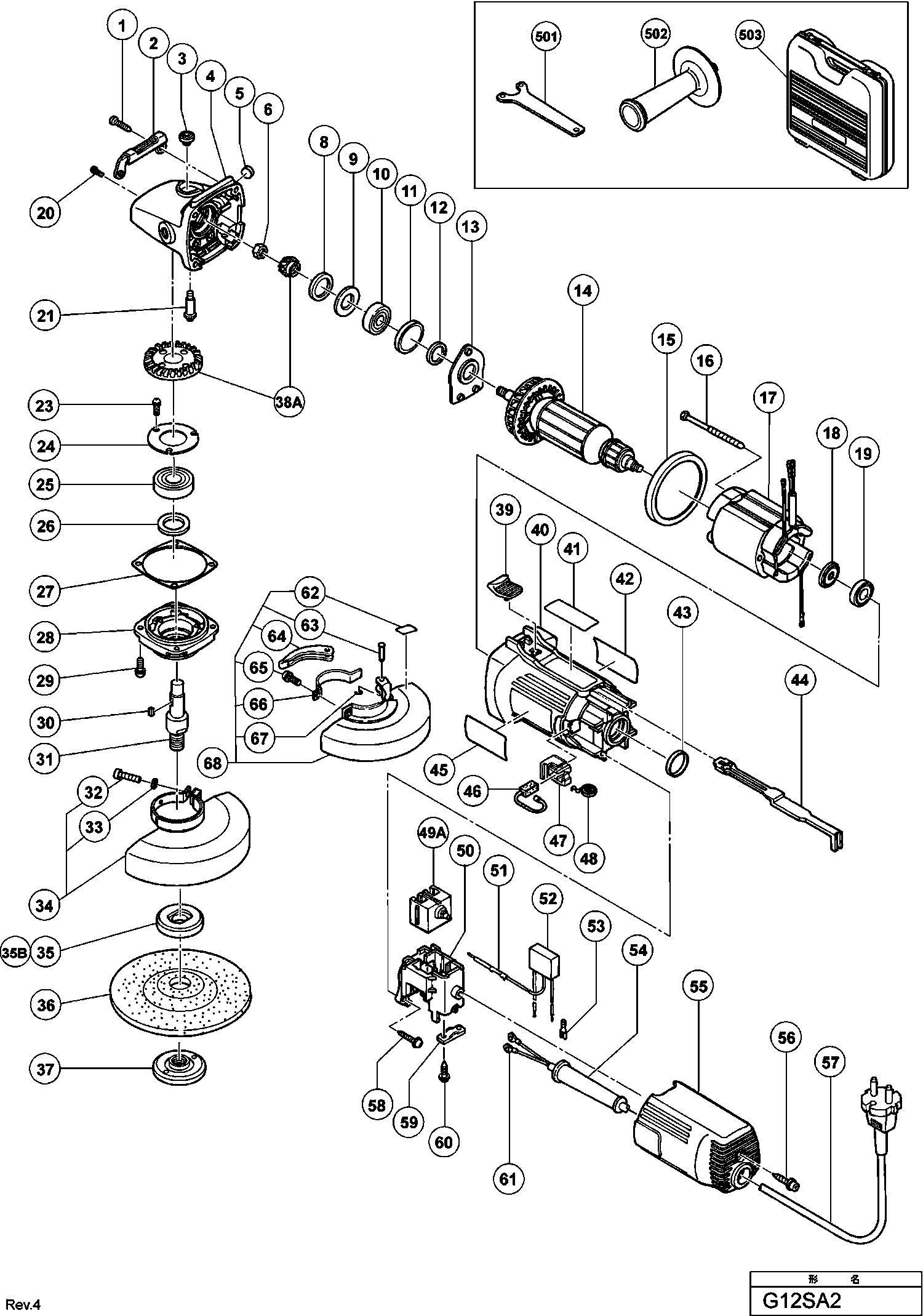
Disegni tecnici di Hikoki G12SA2
Elenco parti di Hikoki G12SA2
| Pos. | Descrizione | Prezzo IVA escl | Prezzo IVA incl | |
| I prezzi indicati sono comprensivi di IVA | ||||
| Nessuna informazione disponibile, non ordinabile | ||||
| 1 | 937807 | |||
| Nessuna informazione disponibile, non ordinabile | ||||
| 2 | 319315 | |||
| Pulsante Spinta | ||||
| 3 | 301944 | 1.04 | 1.27 | |
| Custodia del ingranaggio | ||||
| 4 | 308542 | 21.73 | 26.50 | |
| Rondella in feltro | ||||
| 5 | 315049 | 1.20 | 1.46 | |
| Dado Speciale M7 | ||||
| 6 | 301941 | 1.04 | 1.27 | |
| Anello di tenuta (a) | ||||
| 8 | 308543 | 1.04 | 1.27 | |
| Rondella (c) | ||||
| 9 | 980866 | 1.04 | 1.27 | |
| Cuscinetto a sfere 629t12ddc3ps2-l | ||||
| 10 | 629T12 | 9.83 | 11.99 | |
| Anello di gomma (vecchio 994299) | ||||
| 11 | 957754 | 1.20 | 1.46 | |
| Guarnizione in feltro | ||||
| 12 | 994320 | 1.04 | 1.27 | |
| Coperchio del cuscinetto RTS 400 REQ | ||||
| 13 | 308538 | 1.50 | 1.83 | |
| ASSEMBLEA DI ANCHORAGGIO 120 VOLT | ||||
| 14 | 360541U | 90.20 | 110.04 | |
| Guida del ventilatore | ||||
| 15 | 308537 | 1.50 | 1.83 | |
| Vite a testa esagonale D4x70 | ||||
| 16 | 982021 | 1.04 | 1.27 | |
| Nessuna informazione disponibile, non ordinabile | ||||
| 17 | 340485E | |||
| Guarnizione Antipolvere G18u/ua/ub e altri | ||||
| 18 | 315877 | 1.05 | 1.28 | |
| Cuscinetto a sfere 608vvmc2eps2l | ||||
| 19 | 608VVM | 5.70 | 6.95 | |
| VITE DI BLOCCO GUARNIZIONE M4X10 | ||||
| 20 | 303255 | 1.04 | 1.27 | |
| Perno Di Blocco | ||||
| 21 | 301943 | 1.65 | 2.01 | |
| Vite di bloccaggio M4x8 | ||||
| 23 | 991207 | 1.04 | 1.27 | |
| Piastra di copertura del cuscinetto (a) | ||||
| 24 | 936680 | 1.04 | 1.27 | |
| Cuscinetto a sfere 6201dducmav2s | ||||
| 25 | 6201DD | 6.30 | 7.69 | |
| Imballaggio Di Feltro | ||||
| 26 | 308546 | 1.04 | 1.27 | |
| Pacco di tenuta G12se/g12sa2/g13se/ G12sb2/g12sa2 | ||||
| 27 | 308547 | 1.04 | 1.27 | |
| Coperchio interno | ||||
| 28 | 308545 | 7.35 | 8.97 | |
| Vite di bloccaggio (con rondella sp.) M5x16 | ||||
| 29 | 307046 | 1.04 | 1.27 | |
| Chiavetta 3x3x8 | ||||
| 30 | 944109 | 1.70 | 2.07 | |
| BARRA TOMMY | ||||
| 31 | 994301 | 14.25 | 17.38 | |
| Mandrino (b) | ||||
| 31 | 994302 | 13.89 | 16.94 | |
| Vite a Macchina M5X20 (10 Pezzi) | ||||
| 32 | 949241 | 1.35 | 1.65 | |
| Rondella di molla M5 (10 pezzi) | ||||
| 33 | 949454 | 1.04 | 1.27 | |
| Non più disponibile, nessuna sostituzione | ||||
| 34 | 319656 | |||
| Nessuna informazione disponibile, non ordinabile | ||||
| 35 | 937817Z | |||
| Rondella per ruota (c) per padella (120v) | ||||
| 35B | 334456 | 2.10 | 2.56 | |
| Nessuna informazione disponibile, non ordinabile | ||||
| 36 | 316821 | |||
| Nessuna informazione disponibile, non ordinabile | ||||
| 37 | 994324 | |||
| Set di ingranaggi | ||||
| 38A | 329054 | 16.36 | 19.96 | |
| Cursore dell'interruttore | ||||
| 39 | 314428 | 1.04 | 1.27 | |
| Nessuna informazione disponibile, non ordinabile | ||||
| 40 | 319314 | |||
| Anello di gomma (1) | ||||
| 43 | 995662 | 1.04 | 1.27 | |
| Nessuna informazione disponibile, non ordinabile | ||||
| 44 | 319317 | |||
| Spazzole di Carbonio (2 Pezzi) | ||||
| 46 | 999088 | 4.50 | 5.49 | |
| Portaspazzole di Carbone | ||||
| 47 | 317810 | 4.80 | 5.86 | |
| Molla | ||||
| 48 | 308536 | 1.65 | 2.01 | |
| Non più disponibile, nessuna sostituzione | ||||
| 49A | 329057 | |||
| Porta Interruttore | ||||
| 50 | 319318 | 2.40 | 2.93 | |
| Morsetto di terra per TPE | ||||
| 51 | 314854 | 1.50 | 1.83 | |
| Condensatore (vecchio 930030/991313) | ||||
| 52 | 994273 | 4.29 | 5.23 | |
| Terminale Div.tipi | ||||
| 53 | 319320 | 1.35 | 1.65 | |
| Nessuna informazione disponibile, non ordinabile | ||||
| 54 | 953327 | |||
| Nessuna informazione disponibile, non ordinabile | ||||
| 55 | 319316 | |||
| Nessuna informazione disponibile, non ordinabile | ||||
| 56 | 307811 | |||
| Cavo | ||||
| 57 | 500240Z | 13.18 | 16.07 | |
| Nessuna informazione disponibile, non ordinabile | ||||
| 58 | 305095 | |||
| Strip di serraggio (vecchio 994566) | ||||
| 59 | 937631 | 1.04 | 1.27 | |
| Nessuna informazione disponibile, non ordinabile | ||||
| 60 | 984750 | |||
| Morsetto di Connessione | ||||
| 61 | 980063 | 1.04 | 1.27 | |
| Etichetta | ||||
| 62 | 311492 | 1.20 | 1.46 | |
| Chiodo Fisso Fino 11.2014 | ||||
| 63 | 311744 | 1.20 | 1.46 | |
| Leva | ||||
| 64 | 311743 | 5.75 | 7.02 | |
| Vite Macchina M5x25 (nero) | ||||
| 65 | 880734 | 1.04 | 1.27 | |
| Staffa per coperchio protettivo | ||||
| 66 | 311491 | 4.65 | 5.67 | |
| ANELLO FERMATORE | ||||
| 67 | 874759 | 1.04 | 1.27 | |
| Guarda completa 115mm | ||||
| 68 | 311745 | 19.54 | 23.84 | |
| Nessuna informazione disponibile, non ordinabile | ||||
| 501 | 938332Z | |||
| Nessuna informazione disponibile, non ordinabile | ||||
| 502 | 994322 | |||
| Nessuna informazione disponibile, non ordinabile | ||||
| 503 | 321088 | |||
| Nessuna informazione disponibile, non ordinabile | ||||
| 601 | 938318 | |||
| Nessuna informazione disponibile, non ordinabile | ||||
| 602 | 938317 | |||
| WHEEL WASHER | ||||
| 603 | 994312 | 3.84 | 4.68 | |
| Nessuna informazione disponibile, non ordinabile | ||||
| 604 | 310338 | |||
| Nessuna informazione disponibile, non ordinabile | ||||
| 605 | 314095 | |||
| Nessuna informazione disponibile, non ordinabile | ||||
| 606 | 314096 | |||
| Nessuna informazione disponibile, non ordinabile | ||||
| 607 | 314097 | |||
| Nessuna informazione disponibile, non ordinabile | ||||
| 608 | 314098 | |||
| Nessuna informazione disponibile, non ordinabile | ||||
| 609 | 314099 | |||
| Nessuna informazione disponibile, non ordinabile | ||||
| 610 | 314100 | |||
| Nessuna informazione disponibile, non ordinabile | ||||
| 611 | 314101 | |||
| Nessuna informazione disponibile, non ordinabile | ||||
| 612 | 314102 | |||
| Nessuna informazione disponibile, non ordinabile | ||||
| 613 | 314103 | |||
| Nessuna informazione disponibile, non ordinabile | ||||
| 614 | 314104 | |||
| Nessuna informazione disponibile, non ordinabile | ||||
| 615 | 314105 | |||