Qui troverai tutte le parti e i disegni disponibili di “Hikoki FD10SA”. Da qui puoi ordinare direttamente tutte le parti desiderate. Molte parti devono essere ordinate dal produttore, a seconda della marca, ciò richiede da una a quattro settimane. Tutte le informazioni che abbiamo sono sul nostro sito web, non possiamo consigliarti su ciò di cui hai bisogno, per questo dovrai restituire la macchina per la riparazione. Nota quanto segue al momento dell’ordinazione:
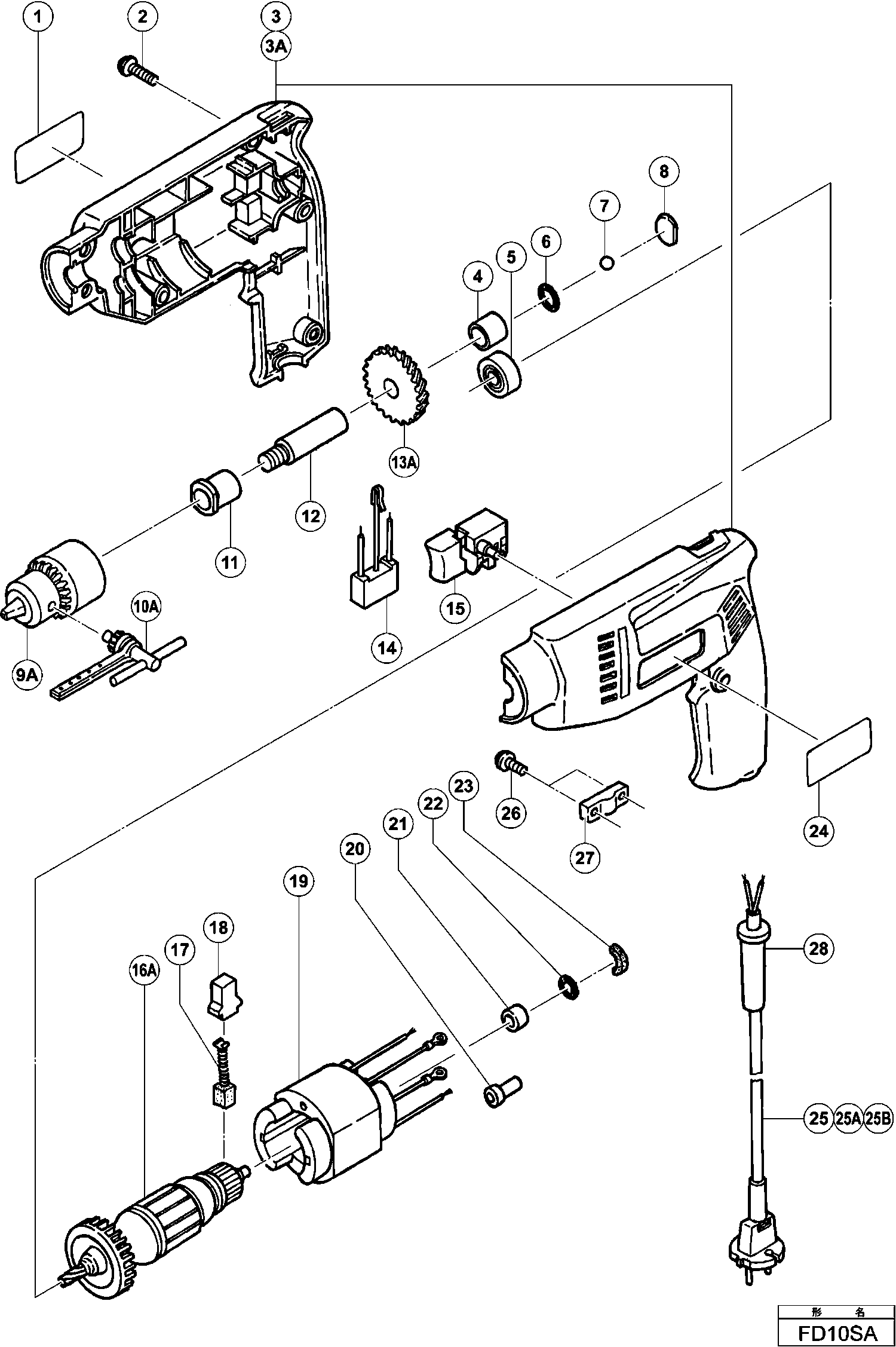
Disegni tecnici di Hikoki FD10SA
Elenco parti di Hikoki FD10SA
| Pos. | Descrizione | Prezzo IVA escl | Prezzo IVA incl | |
| I prezzi indicati sono comprensivi di IVA | ||||
| Nessuna informazione disponibile, non ordinabile | ||||
| *19 | 340071F | |||
| Nessuna informazione disponibile, non ordinabile | ||||
| *25 | 500439Z | |||
| SNOER 2.5M 2 X 1.0 H05VV-F W/PLUG 13A/250V (OLD 50 | ||||
| *25A | 500423Z | 12.87 | 15.70 | |
| Cavo 2,5m 2 X 1.0 H05vv-f (Vecchio 500395z) | ||||
| *25A | 500447Z | 6.60 | 8.05 | |
| Protezione del cavo D10.2 Fino a 11.1982 Per Aus | ||||
| *28 | 930026 | 3.00 | 3.66 | |
| Vite D4x20 (Cravatta di plastica) | ||||
| 2 | 994806 | 1.04 | 1.27 | |
| Nessuna informazione disponibile, non ordinabile | ||||
| 3 | 314774 | |||
| Set di alloggiamenti (a+b) Verde muschio | ||||
| 3A | 994731 | 11.70 | 14.27 | |
| Metallo (b) | ||||
| 4 | 954789 | 1.05 | 1.28 | |
| Cuscinetto a sfere 608vvmc2eps2l | ||||
| 5 | 608VVM | 5.70 | 6.95 | |
| O-ring (s-16) | ||||
| 6 | 876031 | 1.65 | 2.01 | |
| Pallina d'acciaio D5.556 (10 pezzi) | ||||
| 7 | 959154 | 1.35 | 1.65 | |
| Nessuna informazione disponibile, non ordinabile | ||||
| 8 | 954166 | |||
| Nessuna informazione disponibile, non ordinabile | ||||
| 9A | 950292 | |||
| Nessuna informazione disponibile, non ordinabile | ||||
| 10A | 980057 | |||
| Metallo | ||||
| 11 | 987072 | 1.65 | 2.01 | |
| Nessuna informazione disponibile, non ordinabile | ||||
| 12 | 994720 | |||
| Nessuna informazione disponibile, non ordinabile | ||||
| 13A | 994721 | |||
| Interruttore | ||||
| 15 | 957747 | 14.03 | 17.11 | |
| STATORE 230V | ||||
| 16A | 360038F | 33.00 | 40.26 | |
| Spazzola di carbone (1 paio) | ||||
| 17 | 999041 | 4.50 | 5.49 | |
| Portaspazzole di Carbone | ||||
| 18 | 930483 | 1.65 | 2.01 | |
| Nessuna informazione disponibile, non ordinabile | ||||
| 19 | 340071F | |||
| Giunzione di saldatura 50092 (10 pezzi) | ||||
| 20 | 959141 | 3.75 | 4.58 | |
| METAL (A) | ||||
| 21 | 987106 | 1.00 | 1.22 | |
| Anello O (s-10) | ||||
| 22 | 987105 | 1.05 | 1.28 | |
| FELT (REP FROM 987108) | ||||
| 23 | 994722 | 1.00 | 1.22 | |
| Nessuna informazione disponibile, non ordinabile | ||||
| 25 | 500439Z | |||
| Cavo | ||||
| 25A | 930051 | 14.30 | 17.45 | |
| SNOER 2.5M 2 X 1.0 H05VV-F W/PLUG 13A/250V (OLD 50 | ||||
| 25A | 500423Z | 12.87 | 15.70 | |
| Cavo 2,5m 2 X 1.0 H05vv-f (Vecchio 500395z) | ||||
| 25A | 500447Z | 6.60 | 8.05 | |
| Nessuna informazione disponibile, non ordinabile | ||||
| 25B | 500436Z | |||
| Vite (Cravatta di plastica) D4x16 | ||||
| 26 | 994810 | 1.05 | 1.28 | |
| MORSETTO DEL CAVO | ||||
| 27 | 960266 | 1.04 | 1.27 | |
| Protezione del cavo D10.2 Fino a 11.1982 Per Aus | ||||
| 28 | 930026 | 3.00 | 3.66 | |
| Pressacavo D8.2 | ||||
| 28 | 930487 | 2.25 | 2.74 | |