Qui troverai tutte le parti e i disegni disponibili di “Hikoki FCJ65V3”. Da qui puoi ordinare direttamente tutte le parti desiderate. Molte parti devono essere ordinate dal produttore, a seconda della marca, ciò richiede da una a quattro settimane. Tutte le informazioni che abbiamo sono sul nostro sito web, non possiamo consigliarti su ciò di cui hai bisogno, per questo dovrai restituire la macchina per la riparazione. Nota quanto segue al momento dell’ordinazione:
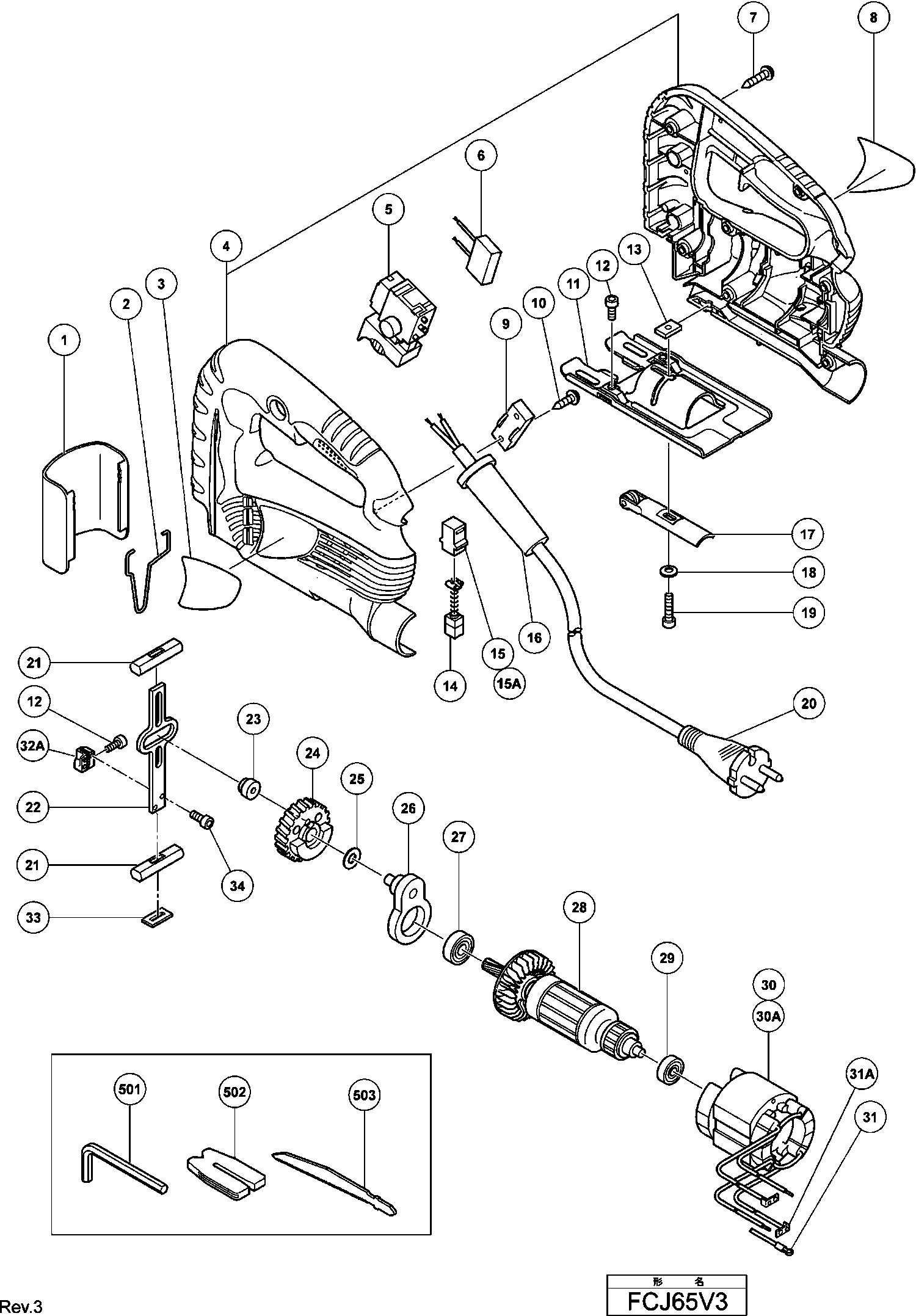
Disegni tecnici di Hikoki FCJ65V3
Elenco parti di Hikoki FCJ65V3
| Pos. | Descrizione | Prezzo IVA escl | Prezzo IVA incl | |
| I prezzi indicati sono comprensivi di IVA | ||||
| Protezione del cavo D10.2 Fino a 11.1982 Per Aus | ||||
| *16 | 930026 | 3.00 | 3.66 | |
| Pressacavo D8.2 | ||||
| *16 | 930487 | 2.25 | 2.74 | |
| SNOER 2.5M 2 X 1.0 H05VV-F W/PLUG 13A/250V (OLD 50 | ||||
| *20 | 500423Z | 12.87 | 15.70 | |
| Cavo 2,5m 2 X 1.0 H05vv-f (Vecchio 500395z) | ||||
| *20 | 500447Z | 6.60 | 8.05 | |
| STATORE 230V | ||||
| *28 | 360724E | 36.16 | 44.12 | |
| Stator 220v-230v H-90sa Includ.103 Per Nzl,saf | ||||
| *30 | 340631E | 18.70 | 22.81 | |
| Stator 220v-230v H-90sa Includ.103 Per Nzl,saf | ||||
| *30A | 340669E | 18.70 | 22.81 | |
| Cappuccio di protezione | ||||
| 1 | 325163 | 2.10 | 2.56 | |
| Barra di protezione | ||||
| 2 | 325164 | 1.05 | 1.28 | |
| Carter completo | ||||
| 4 | 325167 | 34.24 | 41.77 | |
| Non più disponibile, nessuna sostituzione | ||||
| 5 | 323086 | |||
| Interruttore (tipo pilastro 1p) | ||||
| 5A | 370379 | 18.84 | 22.98 | |
| Condensatore (vecchio 987178) | ||||
| 6 | 930039 | 1.95 | 2.38 | |
| Vite per foratura D4x20 con flangia (nero) | ||||
| 7 | 301653 | 1.04 | 1.27 | |
| MORSETTO DEL CAVO | ||||
| 9 | 960266 | 1.04 | 1.27 | |
| Nessuna informazione disponibile, non ordinabile | ||||
| 10 | 984750 | |||
| Piastra di base KS 60 | ||||
| 11 | 325161 | 7.35 | 8.97 | |
| Vite esagonale M4x8 (vecchio 973563,10 pezzi) | ||||
| 12 | 949811 | 1.50 | 1.83 | |
| Dado a piastra | ||||
| 13 | 962991 | 1.05 | 1.28 | |
| Spazzola di carbone (1 paio) | ||||
| 14 | 999041 | 4.50 | 5.49 | |
| Portaspazzole di Carbone | ||||
| 15 | 930483 | 1.65 | 2.01 | |
| Portaspazzole di Carbone | ||||
| 15A | 955203 | 2.40 | 2.93 | |
| Protezione del cavo D10.2 Fino a 11.1982 Per Aus | ||||
| 16 | 930026 | 3.00 | 3.66 | |
| Pressacavo D8.2 | ||||
| 16 | 930487 | 2.25 | 2.74 | |
| Portarotolo | ||||
| 17 | 325162 | 3.15 | 3.84 | |
| Rondella M4 (vecchio 949429z) | ||||
| 18 | 949429 | 1.05 | 1.28 | |
| Vite a brugola M4x16 | ||||
| 19 | 949754 | 2.40 | 2.93 | |
| SNOER 2.5M 2 X 1.0 H05VV-F W/PLUG 13A/250V (OLD 50 | ||||
| 20 | 500423Z | 12.87 | 15.70 | |
| Cavo 2,5m 2 X 1.0 H05vv-f (Vecchio 500395z) | ||||
| 20 | 500447Z | 6.60 | 8.05 | |
| Porta sega | ||||
| 21 | 325159 | 3.75 | 4.58 | |
| Stantuffo | ||||
| 22 | 325246 | 4.20 | 5.12 | |
| CONNETTORE | ||||
| 23 | 325158 | 1.05 | 1.28 | |
| INGRANAGGIO | ||||
| 24 | 325157 | 13.50 | 16.47 | |
| Rondella | ||||
| 25 | 991733 | 1.05 | 1.28 | |
| Supporto | ||||
| 26 | 325155 | 4.50 | 5.49 | |
| Cuscinetto a sfere 608vvmc2eps2l | ||||
| 27 | 608VVM | 5.70 | 6.95 | |
| STATORE 230V | ||||
| 28 | 360724E | 36.16 | 44.12 | |
| Cuscinetto a sfere 626vvmc2erps2s | ||||
| 29 | 626VVM | 5.70 | 6.95 | |
| Stator 220v-230v H-90sa Includ.103 Per Nzl,saf | ||||
| 30 | 340631E | 18.70 | 22.81 | |
| Stator 220v-230v H-90sa Includ.103 Per Nzl,saf | ||||
| 30A | 340669E | 18.70 | 22.81 | |
| Terminale Cavo (vecchio 941562,10 St. | ||||
| 31 | 960356 | 3.00 | 3.66 | |
| Porta lama da sega | ||||
| 32A | 325247 | 5.55 | 6.77 | |
| Rondella in feltro D 20/14 2mm | ||||
| 33 | 325248 | 1.05 | 1.28 | |
| Vite esagonale Seal Lock M3x8 | ||||
| 34 | 325241 | 1.65 | 2.01 | |
| Nessuna informazione disponibile, non ordinabile | ||||
| 501 | 943277 | |||
| Nessuna informazione disponibile, non ordinabile | ||||
| 502 | 305810 | |||
| Nessuna informazione disponibile, non ordinabile | ||||
| 503 | 879356 | |||
| Nessuna informazione disponibile, non ordinabile | ||||
| 601 | 879330 | |||
| Nessuna informazione disponibile, non ordinabile | ||||
| 602 | 879331 | |||
| Nessuna informazione disponibile, non ordinabile | ||||
| 603 | 879332 | |||
| Nessuna informazione disponibile, non ordinabile | ||||
| 604 | 879333 | |||
| Nessuna informazione disponibile, non ordinabile | ||||
| 605 | 879334 | |||
| Nessuna informazione disponibile, non ordinabile | ||||
| 606 | 879335 | |||
| Nessuna informazione disponibile, non ordinabile | ||||
| 607 | 879357 | |||
| Nessuna informazione disponibile, non ordinabile | ||||
| 608 | 879391 | |||