Qui troverai tutte le parti e i disegni disponibili di “Hikoki ECS-4000”. Da qui puoi ordinare direttamente tutte le parti desiderate. Molte parti devono essere ordinate dal produttore, a seconda della marca, ciò richiede da una a quattro settimane. Tutte le informazioni che abbiamo sono sul nostro sito web, non possiamo consigliarti su ciò di cui hai bisogno, per questo dovrai restituire la macchina per la riparazione. Nota quanto segue al momento dell’ordinazione:
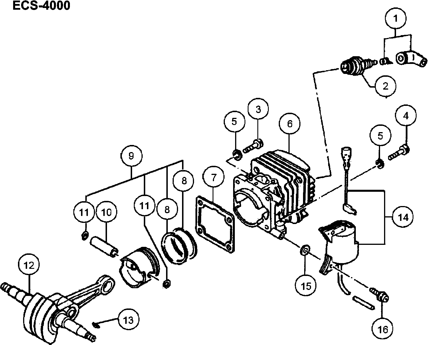
Disegni tecnici di Hikoki ECS-4000
Elenco parti di Hikoki ECS-4000
| Pos. | Descrizione | Prezzo IVA escl | Prezzo IVA incl | |
| I prezzi indicati sono comprensivi di IVA | ||||
| Conjunto de tapon de bujía (antiguo 157-01570-90/6 | ||||
| 1 | 6687468 | 2.31 | 2.82 | |
| Assemblea candela (vecchio 6685085) | ||||
| 2 | 6699317 | 6.76 | 8.25 | |
| Bullone con foro esagonale 5x22s (vecchio 994-6105 | ||||
| 3 | 6695493 | 1.15 | 1.40 | |
| Bullone con foro esagonale 5x22s (vecchio 994-6105 | ||||
| 4 | 6695493 | 1.15 | 1.40 | |
| Rondella | ||||
| 5 | 6685226 | 1.15 | 1.40 | |
| Cilindro (vecchio 6685536) | ||||
| 6 | 6697224 | 66.40 | 81.01 | |
| Guarnizione del cilindro (vecchio 017-04090-21) | ||||
| 7 | 6685734 | 1.15 | 1.40 | |
| Anello di pistone (vecchio 041-04050-20) | ||||
| 8 | 6686123 | 4.45 | 5.43 | |
| Pistone (vecchio 031-04050-20) | ||||
| 9 | 6685934 | 19.96 | 24.35 | |
| Spinotto del pistone 9 X 31 (vecchio 037-01400-20/ | ||||
| 10 | 6686008 | 2.31 | 2.82 | |
| Circlip (vecchio 039-00000-20) | ||||
| 11 | 6685078 | 1.15 | 1.40 | |
| Non più disponibile, nessuna sostituzione | ||||
| 12 | 6686184 | |||
| Chiavetta a semiluna 3x13x4,5 (vecchio 068-10100-2 | ||||
| 13 | 6684899 | 2.15 | 2.62 | |
| Bobina di accensione (vecchia 167-21952-90) | ||||
| 14 | 6695941 | 44.31 | 54.06 | |
| Rondella (vecchio 182-0186a-20) | ||||
| 15 | 6684600 | 2.15 | 2.62 | |
| Nessuna informazione disponibile, non ordinabile | ||||
| 16 | 6695410 | |||
| Calza dell'albero motore 0.10 (vecchio 071-02007-2 | ||||
| 31 | 6686470 | 1.15 | 1.40 | |
| Calza per albero a gomiti 0.20 (vecchia 071-02007- | ||||
| 31 | 6686472 | 1.15 | 1.40 | |
| Calza per albero a gomiti 0.30 (vecchia 071-02007- | ||||
| 31 | 6686473 | 1.15 | 1.40 | |
| Rondella | ||||
| 32 | 6686463 | 1.15 | 1.40 | |
| Non più disponibile, nessuna sostituzione | ||||
| 33 | 6686544 | |||
| Assieme supporto valvola (vecchio 645-32530-90) | ||||
| 34 | 6692168 | 3.30 | 4.03 | |
| Valvola di sfiato dell'aria (b) (vecchio 562-04060 | ||||
| 35 | 6685173 | 2.31 | 2.82 | |
| Guarnizione dell'olio | ||||
| 36 | 6695637 | 3.30 | 4.03 | |
| Nessuna informazione disponibile, non ordinabile | ||||
| 37 | 6695557 | |||
| Guarnizione del carter (vecchio 090-04060-20) | ||||
| 38 | 6686708 | 1.15 | 1.40 | |
| Guarnizione dell'olio | ||||
| 39 | 6684607 | 4.29 | 5.23 | |
| Bullone con foro esagonale 5x30 (vecchio 990-51050 | ||||
| 40 | 6695052 | 1.15 | 1.40 | |
| Guarnizione di regolazione olio (vecchio 488-32530 | ||||
| 41 | 6690953 | 1.05 | 1.28 | |
| Tubo dell'Olio B (vecchio 505-32530-22) | ||||
| 42 | 6691117 | 4.95 | 6.04 | |
| Clip 7 (vecchio 680-04019-21) | ||||
| 43 | 6692312 | 1.15 | 1.40 | |
| Corpo filtro olio (vecchio 486-32710-90) | ||||
| 44 | 6685249 | 2.31 | 2.82 | |
| Insieme rotore del magneto (vecchio 155-21719-90) | ||||
| 45 | 6687408 | 30.25 | 36.90 | |
| Nessuna informazione disponibile, non ordinabile | ||||
| 46 | 6693248 | |||
| Molla di avviamento (vecchio 790-01800-20) Nuovo | ||||
| 47 | 6693347 | 1.15 | 1.40 | |
| Gancio di avviamento (vecchio 788-00601-20) | ||||
| 48 | 6693297 | 1.15 | 1.40 | |
| Non più disponibile, nessuna sostituzione | ||||
| 49 | 6693562 | |||
| Bullone scalino (vecchio 793-10200-20) | ||||
| 50 | 6693366 | 1.15 | 1.40 | |
| Rondella | ||||
| 51 | 6685103 | 1.15 | 1.40 | |
| Rondella | ||||
| 52 | 6695222 | 1.15 | 1.40 | |
| Dado del volano (vecchio 066-01800-20) Nuovo | ||||
| 53 | 6686442 | 1.15 | 1.40 | |
| Pulsante di pulizia Comp. (vecchio 175-32530-80) | ||||
| 71 | 6687794 | 3.30 | 4.03 | |
| Coprifiltro dell'aria | ||||
| 72 | 6686296 | 5.11 | 6.24 | |
| Nessuna informazione disponibile, non ordinabile | ||||
| 73 | 6695658 | |||
| Nessuna informazione disponibile, non ordinabile | ||||
| 74 | 6690068 | |||
| Tasto strozzatore Comp. (vecchio 704-32540-80) Nuo | ||||
| 75 | 6692508 | 2.10 | 2.56 | |
| Vite 5x40/s (vecchio 994-14050-401) | ||||
| 76 | 6695348 | 1.15 | 1.40 | |
| Non più disponibile, nessuna sostituzione | ||||
| 77 | 6690846 | |||
| Nessuna informazione disponibile, non ordinabile | ||||
| 78 | 6692404 | |||
| Calza farfalla 0.8 (vecchio 708-32350-20) | ||||
| 79 | 6692596 | 1.15 | 1.40 | |
| Guarnizione del collettore di aspirazione | ||||
| 80 | 6689877 | 1.15 | 1.40 | |
| Collettore di aspirazione (vecchio 393-04090-20) | ||||
| 81 | 6689797 | 6.28 | 7.66 | |
| Flangia del collettore (vecchio 392-04090-20) | ||||
| 82 | 6689790 | 4.45 | 5.43 | |
| Nessuna informazione disponibile, non ordinabile | ||||
| 83 | 6687292 | |||
| Rondella | ||||
| 84 | 6685149 | 1.15 | 1.40 | |
| Nessuna informazione disponibile, non ordinabile | ||||
| 85 | 6689813 | |||
| Passacavo secondario (vecchio 202-01003-20) | ||||
| 86 | 6688037 | 1.15 | 1.40 | |
| Nessuna informazione disponibile, non ordinabile | ||||
| 87 | 6690981 | |||
| Tubo del carburante (vecchio 700-12665-11) Nuovo | ||||
| 88 | 6692372 | 1.15 | 1.40 | |
| Clip.6.3 Dia. (vecchio 680-00731-20) | ||||
| 89 | 6684619 | 2.15 | 2.62 | |
| Non più disponibile, nessuna sostituzione | ||||
| 90 | 6685684 | |||
| Passacavo primario (vecchio 203-10000-20) | ||||
| 91 | 6688055 | 1.15 | 1.40 | |
| Passacavo primario (vecchio 203-06000-20) | ||||
| 92 | 6688049 | 1.15 | 1.40 | |
| Nessuna informazione disponibile, non ordinabile | ||||
| 93 | 6688449 | |||
| Vite 5x16/s (vecchio 994-14050-162) | ||||
| 94 | 6695338 | 1.15 | 1.40 | |
| Vite 5x16/ps (vecchio 994-15050-162) | ||||
| 95 | 6695386 | 1.15 | 1.40 | |
| Collare (vecchio 027-0630a-20) | ||||
| 96 | 6685853 | 2.31 | 2.82 | |
| Non più disponibile, nessuna sostituzione | ||||
| 101 | 6692528 | |||
| Corpo del silenziatore B Comp. (vecchio 717-04075- | ||||
| 102 | 6692629 | 5.25 | 6.40 | |
| Collare del Silenziatore (vecchio 740-01802-20) Nu | ||||
| 103 | 6692840 | 1.15 | 1.40 | |
| Guarnizione del silenziatore (vecchio 737-04069-20 | ||||
| 104A | 6692738 | 4.65 | 5.67 | |
| Rondella | ||||
| 105 | 6684661 | 2.15 | 2.62 | |
| Vite con foro esagonale M5x35 (vecchio 990-51050-3 | ||||
| 106 | 6684934 | 2.15 | 2.62 | |
| Bullone a testa esagonale M5x35 (vecchio 994-60050 | ||||
| 108 | 6685057 | 1.15 | 1.40 | |
| Non più disponibile, nessuna sostituzione | ||||
| 109 | 6692598 | |||
| Avviatore di rimbalzo Assy (vecchio 756-04080-90) | ||||
| 121 | 6692919 | 34.19 | 41.71 | |
| Vite a testa di legatura 5x12 (vecchia 990-15050-1 | ||||
| 122 | 6694966 | 1.15 | 1.40 | |
| Rondella | ||||
| 123 | 6693250 | 1.05 | 1.28 | |
| Bobina corda avviamento Comp. (vecchio 774-04063-8 | ||||
| 124 | 6693063 | 7.75 | 9.46 | |
| Custodia del molla di richiamo (vecchia 778-00601- | ||||
| 125 | 6693090 | 7.59 | 9.26 | |
| Piastra (vecchio 795-04063-20) | ||||
| 126 | 6685189 | 1.15 | 1.40 | |
| Maniglia di avviamento | ||||
| 127 | 6693230 | 4.45 | 5.43 | |
| Corda di avvio (vecchia 783-04075-20) Nuova | ||||
| 128 | 6693162 | 3.30 | 4.03 | |
| Non più disponibile, nessuna sostituzione | ||||
| 129 | 6686966 | |||
| Vite 5x16/w.s (vecchio 994-16050-162) | ||||
| 130 | 6695418 | 1.15 | 1.40 | |
| Guida corda (vecchio 780-04063-20) Nuovo | ||||
| 131 | 6696199 | 3.00 | 3.66 | |
| Nessuna informazione disponibile, non ordinabile | ||||
| 151 | 6690599 | |||
| Nessuna informazione disponibile, non ordinabile | ||||
| 152 | 6691421 | |||
| Guarnizione della pompa (vecchio 577-25007-20) | ||||
| 153 | 6685212 | 2.31 | 2.82 | |
| Diaframma della pompa (vecchio 576-25006-20) | ||||
| 154 | 6685213 | 4.45 | 5.43 | |
| Guarnizione del diaframma (vecchio 475-25001-20) | ||||
| 155 | 6690837 | 2.31 | 2.82 | |
| Non più disponibile, nessuna sostituzione | ||||
| 156 | 6690827 | |||
| Coperchio del diaframma (vecchio 476-25004-20) | ||||
| 157 | 6685222 | 4.45 | 5.43 | |
| Vite di regolazione alta (vecchio 460-25027-20) | ||||
| 158 | 6690691 | 4.79 | 5.84 | |
| Molla di regolazione alta (vecchio 485-25040-20) | ||||
| 159 | 6690897 | 3.30 | 4.03 | |
| Nessuna informazione disponibile, non ordinabile | ||||
| 160 | 6697669 | |||
| Molla di regolazione Alta/Bassa (vecchio 623-25032 | ||||
| 161 | 6692048 | 2.31 | 2.82 | |
| Vite di regolazione al minimo (vecchio 462-25016-2 | ||||
| 162 | 6685298 | 2.31 | 2.82 | |
| Molla di regolazione al minimo (vecchio 463-25006- | ||||
| 163 | 6685297 | 2.31 | 2.82 | |
| Molla della valvola (vecchio 477-25013-20) | ||||
| 164 | 6690870 | 2.31 | 2.82 | |
| Valvola ad ago (vecchia 603-25001-20) | ||||
| 165 | 6691943 | 5.78 | 7.05 | |
| Leva di controllo (vecchio 473-25001-20) | ||||
| 166 | 6685217 | 3.30 | 4.03 | |
| Perno della cerniera (vecchio 605-25001-20) | ||||
| 167 | 6685219 | 1.15 | 1.40 | |
| Schermo di ingresso (vecchio 578-25007-20) | ||||
| 168 | 6684700 | 4.29 | 5.23 | |
| Vite (vecchia 514-25001-20) | ||||
| 169 | 6685210 | 1.15 | 1.40 | |
| Vite di fissaggio per perno cerniera (vecchio 546- | ||||
| 170 | 6685218 | 2.31 | 2.82 | |
| Vite di regolazione (vecchio 548-25012-20) | ||||
| 171 | 6685223 | 1.15 | 1.40 | |
| Tappo del serbatoio completo | ||||
| 191 | 6692115 | 10.23 | 12.47 | |
| Guarnizione del tappo del serbatoio (vecchio 642-1 | ||||
| 192 | 6692153 | 1.15 | 1.40 | |
| Nessuna informazione disponibile, non ordinabile | ||||
| 193A | 6601144 | |||
| Clip 7 (vecchio 680-04019-21) | ||||
| 194 | 6692312 | 1.15 | 1.40 | |
| Tubo di gomma | ||||
| 195 | 6697912 | 3.30 | 4.03 | |
| Nessuna informazione disponibile, non ordinabile | ||||
| 196 | 6684620 | |||
| Vite 3x10 (vecchio 994-31030-101) | ||||
| 197 | 6684913 | 2.15 | 2.62 | |
| Pulsante Stop (vecchio 258-11650-20) | ||||
| 198 | 6688366 | 1.15 | 1.40 | |
| Pulsante di stop Mark (vecchio 925-32530-20) | ||||
| 199 | 6694585 | 1.15 | 1.40 | |
| Componente del pulsante di arresto (vecchio 170-04 | ||||
| 200 | 6687741 | 8.25 | 10.06 | |
| Leva di sicurezza (vecchio 257-32810-20) Nuovo | ||||
| 201 | 6688359 | 1.15 | 1.40 | |
| Leva del gas (vecchia 060-32810-20) Nuova | ||||
| 202 | 6686388 | 1.15 | 1.40 | |
| Molla leva gas (vecchio 061-32810-20) Nuovo | ||||
| 203 | 6686418 | 2.31 | 2.82 | |
| Astina del gas (vecchio 490-32810-20) Nuovo | ||||
| 204 | 6690973 | 2.10 | 2.56 | |
| Spinotto di spinta (vecchio 064-32530-20) | ||||
| 205 | 6686430 | 1.15 | 1.40 | |
| Molla ferma (vecchio 066-32300-20) | ||||
| 206 | 6686447 | 1.15 | 1.40 | |
| Cappuccio del perno a pressione (vecchio 725-32600 | ||||
| 207 | 6692681 | 1.15 | 1.40 | |
| Componente Maniglia Posteriore B (vecchio 011-3281 | ||||
| 208 | 6685644 | 5.78 | 7.05 | |
| Maniglia Posteriore B (vecchio 011-32810-20) Nuovo | ||||
| 209 | 6685643 | 4.50 | 5.49 | |
| Nessuna informazione disponibile, non ordinabile | ||||
| 210 | 6695412 | |||
| Nessuna informazione disponibile, non ordinabile | ||||
| 211 | 6695410 | |||
| Dado M4 (vecchio 991-01040-011) | ||||
| 212 | 6685069 | 1.15 | 1.40 | |
| Dado speciale (vecchio 856-32810-20) Nuovo | ||||
| 213 | 6693659 | 3.30 | 4.03 | |
| Cappuccio di regolazione (vecchio 190-32540-20) Nu | ||||
| 214 | 6687955 | 1.15 | 1.40 | |
| Passacavo (vecchio 191-32710-20) | ||||
| 215 | 6687976 | 1.15 | 1.40 | |
| Vite 5x25ps (vecchio 994-15050-252) | ||||
| 231 | 6695395 | 1.15 | 1.40 | |
| Ammortizzatore Comp. (vecchio 219-32530-80) | ||||
| 232 | 6688111 | 4.45 | 5.43 | |
| Vite 5x12/s (vecchio 994-14050-121) | ||||
| 233 | 6695334 | 1.15 | 1.40 | |
| Set di bulloni ammortizzatore A (vecchio 295-32600 | ||||
| 234 | 6688630 | 2.31 | 2.82 | |
| Cappuccio dell'ammortizzatore (vecchio 224-32600-2 | ||||
| 235 | 6688182 | 2.10 | 2.56 | |
| Vite 4x8/w (vecchio 994-17040-081) Nuovo | ||||
| 236 | 6695432 | 1.05 | 1.28 | |
| Tappo del serbatoio dell'olio Ass'y (vecchio 642-3 | ||||
| 237 | 6692157 | 5.28 | 6.44 | |
| Assemblaggio tappo serbatoio con catena (vecchio 6 | ||||
| 238 | 6692052 | 3.00 | 3.66 | |
| Anello O | ||||
| 239 | 6697898 | 1.04 | 1.27 | |
| Catturatore di catena (vecchio 125-32540-20) Nuovo | ||||
| 240 | 6687164 | 1.15 | 1.40 | |
| Collare (vecchio 478-32540-20) Nuovo | ||||
| 241 | 6690877 | 2.10 | 2.56 | |
| Rondella 5 (vecchio 992-00050-011) | ||||
| 242 | 6684864 | 2.15 | 2.62 | |
| Bullone con foro esagonale 5x25 (vecchio 990-51050 | ||||
| 243 | 6695051 | 1.15 | 1.40 | |
| Tappo Livello Olio Ass'y (vecchio 525-32530-90) | ||||
| 244 | 6691249 | 2.31 | 2.82 | |
| Anello O | ||||
| 245 | 6697898 | 1.04 | 1.27 | |
| Non più disponibile, nessuna sostituzione | ||||
| 246 | 6685584 | |||
| Non più disponibile, nessuna sostituzione | ||||
| 247 | 6688113 | |||
| Ammortizzatore B Comp. (vecchio 266-32530-80) | ||||
| 248 | 6688410 | 5.61 | 6.85 | |
| Maniglia anteriore completa (vecchio 209-32810-80) | ||||
| 249 | 6688078 | 12.38 | 15.10 | |
| Nessuna informazione disponibile, non ordinabile | ||||
| 250 | 6695384 | |||
| Vite 5x12/s (vecchio 994-14050-121) | ||||
| 251 | 6695334 | 1.15 | 1.40 | |
| Vite 5x25ps (vecchio 994-15050-252) | ||||
| 253 | 6695395 | 1.15 | 1.40 | |
| Vite 5x16/ps (vecchio 994-15050-162) | ||||
| 254 | 6695386 | 1.15 | 1.40 | |
| Dado (vecchio 121-32530-20) | ||||
| 271 | 6685166 | 2.31 | 2.82 | |
| Piastra di guida B (vecchio 462-32525-20) | ||||
| 273 | 6690749 | 2.31 | 2.82 | |
| Vite per lamiera D4x10 (vecchio 993-41040-101) | ||||
| 274 | 6685161 | 1.15 | 1.40 | |
| Vite 4x8 (vecchio 990-11040-081) | ||||
| 275 | 6694861 | 1.15 | 1.40 | |
| Nessuna informazione disponibile, non ordinabile | ||||
| 276 | 6690729 | |||
| Bullone dello studio della barra della catena (vec | ||||
| 278 | 6686804 | 2.31 | 2.82 | |
| Vite di regolazione tensione completa (vecchio 116 | ||||
| 279 | 6687066 | 1.15 | 1.40 | |
| Frizione Comp. (vecchio 287-01801-80) | ||||
| 280 | 6688561 | 28.14 | 34.33 | |
| Cuscinetto a rullini (vecchio 999-62101-301) | ||||
| 281 | 6685143 | 4.45 | 5.43 | |
| Carcassa frizione Comp. P-0.325 (vecchio 310-01857 | ||||
| 282 | 6688999 | 34.19 | 41.71 | |
| Rondella | ||||
| 283 | 6685145 | 2.31 | 2.82 | |
| Copertura della pompa dell'olio Comp. (vecchio 097 | ||||
| 284 | 6686757 | 5.11 | 6.24 | |
| Vite 5x22 (vecchia 990-11050-221) | ||||
| 285 | 6694893 | 1.15 | 1.40 | |
| Alloggiamento della pompa dell'olio (vecchio 088-3 | ||||
| 286 | 6686672 | 52.34 | 63.85 | |
| Regolatore di pompa olio (vecchio 501-32530-20) Nu | ||||
| 287 | 6691067 | 8.25 | 10.06 | |
| Molla di regolazione (vecchio 502-32550-20) Nuovo | ||||
| 288 | 6691085 | 1.05 | 1.28 | |
| Rondella | ||||
| 289 | 6684661 | 2.15 | 2.62 | |
| O-ring P-5 (vecchio 999-67005-000/6698965) | ||||
| 290 | 6695661 | 1.15 | 1.40 | |
| Cappuccio di regolazione della pompa dell'olio (ve | ||||
| 291 | 6691091 | 2.10 | 2.56 | |
| Pompa di olio Comp (vecchio 145-32530-80) | ||||
| 292 | 6687332 | 36.15 | 44.10 | |
| Guarnizione dell'olio | ||||
| 293 | 6695634 | 3.30 | 4.03 | |
| Non più disponibile, nessuna sostituzione | ||||
| 294 | 6686639 | |||
| Tubo dell'olio A (vecchio 515-32530-22) | ||||
| 295 | 6691220 | 3.30 | 4.03 | |
| Nessuna informazione disponibile, non ordinabile | ||||
| 296 | 6692313 | |||
| Montaggio del Custodia Laterale (vecchio 040-32818 | ||||
| 297 | 6686089 | 74.41 | 90.78 | |
| Vite 5x16/s (vecchio 994-14050-162) | ||||
| 298 | 6695338 | 1.15 | 1.40 | |
| Non più disponibile, nessuna sostituzione | ||||
| 299 | 6689743 | |||
| Dado esagonale 5 (vecchio 991-01050-011) | ||||
| 300 | 6684965 | 1.04 | 1.27 | |
| Leva freno Comp (vecchio 361-32750-82/6689669) | ||||
| 301 | 6689670 | 7.75 | 9.46 | |
| Caso laterale comp. (vecchio 040-32529-81) | ||||
| 302 | 6686071 | 30.25 | 36.90 | |
| Molla del freno (vecchio 374-32367-21) | ||||
| 304 | 6689698 | 2.31 | 2.82 | |
| Bullone A progressivo (vecchio 382-32750-20) | ||||
| 305 | 6689760 | 4.05 | 4.94 | |
| Perno a molla 4x12 (vecchio 993-24040-120) | ||||
| 306 | 6695268 | 1.15 | 1.40 | |
| Braccio del freno (vecchio 373-32771-20) | ||||
| 307 | 6689694 | 2.31 | 2.82 | |
| Nessuna informazione disponibile, non ordinabile | ||||
| 308 | 6689723 | |||
| Rondella | ||||
| 309 | 6689680 | 1.15 | 1.40 | |
| Nessuna informazione disponibile, non ordinabile | ||||
| 310 | 6689769 | |||
| Nessuna informazione disponibile, non ordinabile | ||||
| 311 | 6689647 | |||
| Non più disponibile, nessuna sostituzione | ||||
| 501 | 6685666 | |||
| Più guidatore 4 (vecchio 862-20000-20) Nuovo | ||||
| 502 | 6693665 | 3.00 | 3.66 | |
| Nessuna informazione disponibile, non ordinabile | ||||
| 503 | 6694040 | |||
| Copertura della catena 20" (vecchio 945-3254d-21) | ||||
| 504 | 6694804 | 6.93 | 8.45 | |
| Copertura della catena 18" (vecchio 942-3257b-20) | ||||
| 504A | 6694798 | 6.93 | 8.45 | |
| Nessuna informazione disponibile, non ordinabile | ||||
| 505 | 6687282 | |||
| Non più disponibile, nessuna sostituzione | ||||
| 506 | 6686828 | |||