Qui troverai tutte le parti e i disegni disponibili di “Hikoki ECS-3300D”. Da qui puoi ordinare direttamente tutte le parti desiderate. Molte parti devono essere ordinate dal produttore, a seconda della marca, ciò richiede da una a quattro settimane. Tutte le informazioni che abbiamo sono sul nostro sito web, non possiamo consigliarti su ciò di cui hai bisogno, per questo dovrai restituire la macchina per la riparazione. Nota quanto segue al momento dell’ordinazione:
Disegni tecnici di Hikoki ECS-3300D
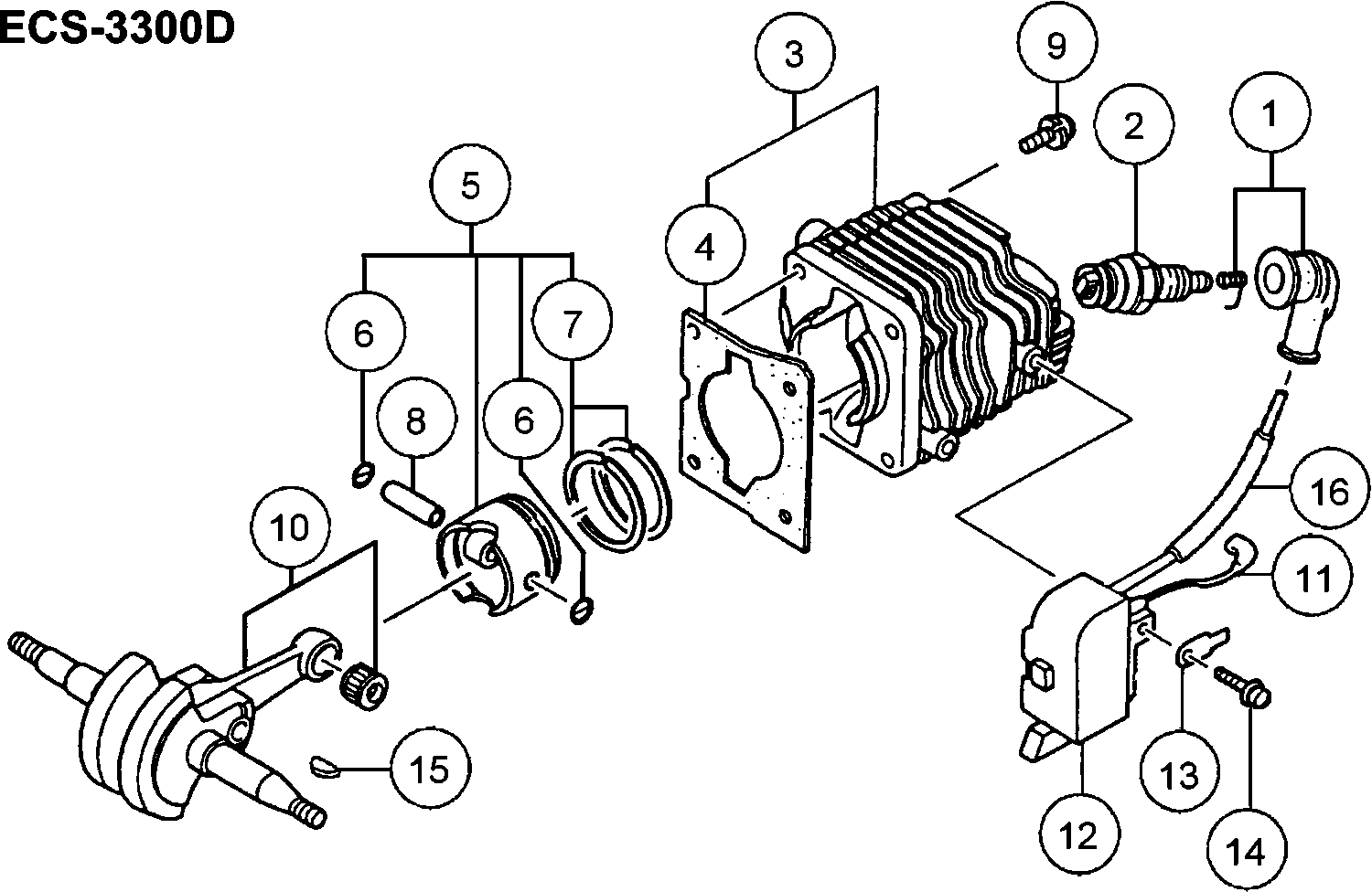
Elenco parti di Hikoki ECS-3300D
| Pos. | Descrizione | Prezzo IVA escl | Prezzo IVA incl | |
| I prezzi indicati sono comprensivi di IVA | ||||
| Conjunto de tapon de bujía (antiguo 157-01570-90/6 | ||||
| 1 | 6687468 | 2.31 | 2.82 | |
| Candela Cj8 (vecchio 6685771) | ||||
| 2 | 6699324 | 3.30 | 4.03 | |
| Set di cilindri (vecchio 001-01740-91/6685458) | ||||
| 3 | 6685457 | 44.31 | 54.06 | |
| Guarnizione del cilindro (vecchio 017-01740-20) | ||||
| 4 | 6685724 | 1.15 | 1.40 | |
| Set di pistone (vecchio 030-01741-90) | ||||
| 5 | 6685879 | 22.24 | 27.13 | |
| Circlip (vecchio 039-00000-20) | ||||
| 6 | 6685078 | 1.15 | 1.40 | |
| Anello del pistone (xr1-1856) | ||||
| 7 | 6685331 | 4.05 | 4.94 | |
| Spinotto del pistone 9 X 31 (vecchio 037-01400-20/ | ||||
| 8 | 6686008 | 2.31 | 2.82 | |
| Vite a testa esagonale M5x16/s (vecchio 994-61050- | ||||
| 9 | 6684903 | 2.15 | 2.62 | |
| CRANK SHAFT COMP (OLD 6686171) | ||||
| 10 | 6697636 | 61.54 | 75.08 | |
| Cavo, B 70m (vecchio 178-01740-80) | ||||
| 11 | 6687837 | 2.31 | 2.82 | |
| Bobina | ||||
| 12 | 6687700 | 44.31 | 54.06 | |
| Linguetta (vecchia 205-01700-20) | ||||
| 13 | 6688060 | 1.15 | 1.40 | |
| Vite ad alta tensione 4x18ws (vecchio 994-16040-18 | ||||
| 14 | 6695407 | 1.15 | 1.40 | |
| Chiavetta a semiluna 3x13x4,5 (vecchio 068-10100-2 | ||||
| 15 | 6684899 | 2.15 | 2.62 | |
| Tubo isolante per cavo (vecchio 755-32050-20) | ||||
| 16 | 6692900 | 1.15 | 1.40 | |
| Gruppo Carter Manovella (vecchio 072-01740-94) | ||||
| 20A | 6686523 | 36.15 | 44.10 | |
| Guarnizione dell'olio | ||||
| 21 | 6684607 | 4.29 | 5.23 | |
| Nessuna informazione disponibile, non ordinabile | ||||
| 22 | 6685095 | |||
| Cuscinetto a sfere 6201 A2c3 | ||||
| 23 | 6685096 | 5.28 | 6.44 | |
| Guarnizione del carter (vecchio 090-0174g-20) | ||||
| 24A | 6686701 | 1.15 | 1.40 | |
| Nessuna informazione disponibile, non ordinabile | ||||
| 25 | 6684668 | |||
| Insieme rotore del magneto (vecchio 155-21540-90) | ||||
| 26 | 6687394 | 24.20 | 29.52 | |
| Nessuna informazione disponibile, non ordinabile | ||||
| 26A | 6697953 | |||
| Anello di fermata D4e (vecchio 993-55040-001) | ||||
| 27 | 6685101 | 1.15 | 1.40 | |
| Molla del rocchetto di avviamento (vecchio 790-017 | ||||
| 28 | 6685105 | 1.15 | 1.40 | |
| Rocchetto di avviamento | ||||
| 29A | 6685334 | 1.05 | 1.28 | |
| Rondella | ||||
| 30 | 6685103 | 1.15 | 1.40 | |
| Dado per volano (vecchio 066-00000-20) | ||||
| 31 | 6685104 | 1.15 | 1.40 | |
| Calza S T0.2 (vecchio 071-04063-23) | ||||
| 32 | 6685098 | 1.15 | 1.40 | |
| Calza S T0.3 (vecchio 071-04063-24) | ||||
| 32 | 6685099 | 1.15 | 1.40 | |
| Calza 0.1 (vecchia 071-04063-21) | ||||
| 32 | 6686474 | 1.15 | 1.40 | |
| Calza 0.4 (vecchia 071-04063-25) | ||||
| 32 | 6686475 | 1.15 | 1.40 | |
| Rondella | ||||
| 33 | 6695222 | 1.15 | 1.40 | |
| Conjunto di custodie del motore, vermiglio (vecchi | ||||
| 40 | 6691365 | 40.24 | 49.09 | |
| Valvola di sfiato dell'aria (b) (vecchio 562-04060 | ||||
| 41 | 6685173 | 2.31 | 2.82 | |
| Set di valvole di sfiato aria (vecchio 6692164) | ||||
| 42 | 6697231 | 5.45 | 6.65 | |
| Bullone a buco esagonale 5x20/ps (vecchio 994-6305 | ||||
| 43 | 6684634 | 2.15 | 2.62 | |
| Cavo di terra 90mm (vecchio 6688444) | ||||
| 44 | 6697602 | 1.98 | 2.41 | |
| Interruttore di arresto Ass'y (vecchio 6687502) | ||||
| 45A | 6601374 | 11.71 | 14.29 | |
| Piastra nominale dell'interruttore (vecchio 183-01 | ||||
| 46 | 6687949 | 1.15 | 1.40 | |
| Coprifiltro dell'aria | ||||
| 50 | 6686299 | 3.30 | 4.03 | |
| Coprifiltro dell'aria | ||||
| 51 | 6689735 | 1.15 | 1.40 | |
| Elemento del filtro dell'aria | ||||
| 52 | 6690064 | 3.30 | 4.03 | |
| Set di Isolanti del Carburatore (vecchio 404-01740 | ||||
| 53 | 6689934 | 8.91 | 10.87 | |
| Set di Isolanti (vecchio 404-0174g-90) | ||||
| 53A | 6689935 | 12.05 | 14.70 | |
| Guarnizione di aspirazione (vecchio 403-01740-21 & | ||||
| 54 | 6689870 | 1.15 | 1.40 | |
| Guarnizione isolante (vecchio 403-0174g-20) | ||||
| 54A | 6689871 | 1.15 | 1.40 | |
| Isolante in gomma del carburatore (vecchio 409-017 | ||||
| 55 | 6690001 | 1.15 | 1.40 | |
| Porta valvola Reed (vecchio 395-01730-20) | ||||
| 56 | 6689805 | 1.15 | 1.40 | |
| Porta valvola (vecchio 395-0174g-20) | ||||
| 56A | 6689806 | 1.15 | 1.40 | |
| Valvola Reed (vecchio 394-01700-20) | ||||
| 57 | 6689802 | 2.31 | 2.82 | |
| Valvola Reed (vecchio 394-0174g-20) | ||||
| 57A | 6689803 | 3.30 | 4.03 | |
| Non più disponibile, nessuna sostituzione | ||||
| 58 | 6694964 | |||
| Guarnizione del carburatore | ||||
| 59 | 6698108 | 1.80 | 2.20 | |
| Set carburatore | ||||
| 60 | 6690666 | 64.28 | 78.42 | |
| Vite 5x45s (vecchio 994-14050-451) | ||||
| 61 | 6695350 | 1.15 | 1.40 | |
| Calza farfalla 1.0 (vecchio 708-32911-20) Nuovo | ||||
| 62 | 6692597 | 1.05 | 1.28 | |
| Rondella 5 (vecchio 992-00050-011) | ||||
| 63 | 6684864 | 2.15 | 2.62 | |
| Valvola choke (vecchia 700-32918-20/6692409) | ||||
| 64 | 6692410 | 2.31 | 2.82 | |
| Vite autoperforante D4.5x14 (vecchio 990-75045-144 | ||||
| 65 | 6685152 | 1.15 | 1.40 | |
| Coprifiltro dell'aria | ||||
| 66 | 6687344 | 4.45 | 5.43 | |
| Nessuna informazione disponibile, non ordinabile | ||||
| 67 | 6684668 | |||
| Rondella 5 (vecchio 992-00050-011) | ||||
| 68 | 6684864 | 2.15 | 2.62 | |
| Spugna al minimo (vecchia 191-32970-20) | ||||
| 69 | 6685224 | 1.15 | 1.40 | |
| Spugna H/l 10l (vecchio 191-32964-20) | ||||
| 70 | 6687978 | 1.15 | 1.40 | |
| Spugna pulitore d'aria (vecchio 446-01740-20) | ||||
| 71 | 6690355 | 1.15 | 1.40 | |
| Coperchio di tenuta (vecchio 129-01730-20) | ||||
| 72 | 6687182 | 1.15 | 1.40 | |
| Nessuna informazione disponibile, non ordinabile | ||||
| 81 | 6692443 | |||
| Guarnizione del marmitta (vecchio 737-01700-20) | ||||
| 82 | 6692734 | 1.15 | 1.40 | |
| Non più disponibile, nessuna sostituzione | ||||
| 83 | 6692625 | |||
| Fitting del marmitta in metallo (vecchio 724-01700 | ||||
| 84 | 6692676 | 2.31 | 2.82 | |
| Corpo del silenziatore A Comp. (vecchio 716-01700- | ||||
| 86 | 6692606 | 3.30 | 4.03 | |
| Vite con foro esagonale M5x35 (vecchio 990-51050-3 | ||||
| 87 | 6684934 | 2.15 | 2.62 | |
| Rondella | ||||
| 88 | 6684661 | 2.15 | 2.62 | |
| Tubo dell'Olio B (vecchio 505-32710-20) | ||||
| 101 | 6691121 | 4.45 | 5.43 | |
| Clip 7 (vecchio 680-04019-21) | ||||
| 102 | 6692312 | 1.15 | 1.40 | |
| Rondella | ||||
| 103 | 6684661 | 2.15 | 2.62 | |
| Filtro Olio (vecchio 487-32712-20/6696804) | ||||
| 104 | 6690919 | 1.15 | 1.40 | |
| Corpo filtro olio (vecchio 486-32710-90) | ||||
| 105 | 6685249 | 2.31 | 2.82 | |
| Astina del gas (vecchio 490-32910-20) | ||||
| 106 | 6690974 | 4.45 | 5.43 | |
| Guida del'Aceleratore (vecchio 491-32710-20) | ||||
| 107 | 6690982 | 1.15 | 1.40 | |
| Pompa di adescamento Comp. (vecchio 442-25143-80) | ||||
| 108 | 6685139 | 5.94 | 7.24 | |
| Tubo del carburante 2,5x4x42 (vecchio 700-02504-04 | ||||
| 109 | 6685138 | 1.15 | 1.40 | |
| Tubo di gomma (vecchio 678-01740-20/6692291) | ||||
| 110 | 6692292 | 4.45 | 5.43 | |
| Corpo filtro pompa (vecchio 675-11600-90/6692275/6 | ||||
| 111 | 6685199 | 4.45 | 5.43 | |
| Tubo del carburante 2.5x4x150 (vecchio 700-02504-1 | ||||
| 112 | 6692351 | 1.15 | 1.40 | |
| Gommino di ritorno fino a 7.2014 (vecchio 6684627) | ||||
| 113 | 6697846 | 1.04 | 1.27 | |
| Nessuna informazione disponibile, non ordinabile | ||||
| 114 | 6697780 | |||
| Cappuccio di regolazione (vecchio 190-32710-20) | ||||
| 115 | 6687956 | 1.15 | 1.40 | |
| Anello (vecchio 707-32710-20) | ||||
| 116 | 6692590 | 1.15 | 1.40 | |
| Pulsante di soffocamento comp. (vecchio 704-32710- | ||||
| 117 | 6692513 | 2.31 | 2.82 | |
| Passacavo (vecchio 191-32710-20) | ||||
| 118 | 6687976 | 1.15 | 1.40 | |
| Anello O | ||||
| 119 | 6697898 | 1.04 | 1.27 | |
| Anello O P-21 | ||||
| 119A | 6699285 | 1.04 | 1.27 | |
| Tappo del serbatoio dell'olio Ass'y (vecchio 642-3 | ||||
| 120 | 6692159 | 5.11 | 6.24 | |
| Tappo del serbatoio completo | ||||
| 121A | 6692121 | 9.58 | 11.68 | |
| Assemblea avviamento a strappo (vecchio 756-01740- | ||||
| 131 | 6692906 | 44.31 | 54.06 | |
| Vite a Taglio D5x14 (vecchio 990-72050-144) | ||||
| 132 | 6685275 | 1.15 | 1.40 | |
| Rondella | ||||
| 133 | 6689681 | 1.15 | 1.40 | |
| Puleggia dell'avviamento (vecchio 774-01740-20) | ||||
| 134 | 6693060 | 3.30 | 4.03 | |
| Corda da avviamento 3 X 890 (vecchio 783-01740-20) | ||||
| 135 | 6693159 | 1.15 | 1.40 | |
| Custodia della molla di richiamo (vecchia Art.nr. | ||||
| 136 | 6693093 | 7.75 | 9.46 | |
| Maniglia di avviamento | ||||
| 137 | 6693228 | 2.31 | 2.82 | |
| Carcassa della ventola | ||||
| 138 | 6686947 | 8.58 | 10.46 | |
| Vite a lamiera D4.5x20 (vecchio 990-72045-204) | ||||
| 139 | 6685191 | 1.15 | 1.40 | |
| Rondella | ||||
| 140 | 6684632 | 2.15 | 2.62 | |
| Schermo di ingresso (vecchio 578-25007-20) | ||||
| 151 | 6684700 | 4.29 | 5.23 | |
| Corpo della pompa (vecchio 575-25028-20/6696844) | ||||
| 152 | 6685211 | 8.41 | 10.26 | |
| Vite (vecchia 514-25001-20) | ||||
| 153 | 6685210 | 1.15 | 1.40 | |
| Guarnizione della pompa (vecchio 577-25007-20) | ||||
| 154 | 6685212 | 2.31 | 2.82 | |
| Diaframma della pompa (vecchio 576-25006-20) | ||||
| 155 | 6685213 | 4.45 | 5.43 | |
| Vite di regolazione bassa (vecchio 461-25027-20) | ||||
| 156 | 6690714 | 5.28 | 6.44 | |
| Molla di regolazione Alta/Bassa (vecchio 623-25032 | ||||
| 157 | 6692048 | 2.31 | 2.82 | |
| Leva di controllo (vecchio 473-25001-20) | ||||
| 158 | 6685217 | 3.30 | 4.03 | |
| Vite di fissaggio per perno cerniera (vecchio 546- | ||||
| 159 | 6685218 | 2.31 | 2.82 | |
| Molla della valvola (vecchio 477-25088-20) | ||||
| 160 | 6690873 | 4.45 | 5.43 | |
| Perno della cerniera (vecchio 605-25001-20) | ||||
| 161 | 6685219 | 1.15 | 1.40 | |
| Coperchio del diaframma (vecchio 476-25004-20) | ||||
| 162 | 6685222 | 4.45 | 5.43 | |
| Membrana di dosaggio Comp. (vecchio 474-25001-80/6 | ||||
| 163 | 6690827 | 11.71 | 14.29 | |
| Non più disponibile, nessuna sostituzione | ||||
| 164 | 6685220 | |||
| Valvola a ago (vecchio 603-25012-20) | ||||
| 165 | 6685215 | 5.28 | 6.44 | |
| Molla di regolazione al minimo (vecchio 463-25006- | ||||
| 166 | 6685297 | 2.31 | 2.82 | |
| Vite di regolazione al minimo (vecchio 462-25016-2 | ||||
| 167 | 6685298 | 2.31 | 2.82 | |
| Vite di regolazione alta (vecchio 460-25027-20) | ||||
| 168 | 6690691 | 4.79 | 5.84 | |
| Molla di regolazione alta (vecchio 485-25040-20) | ||||
| 169 | 6690897 | 3.30 | 4.03 | |
| Vite di regolazione (vecchio 548-25012-20) | ||||
| 170 | 6685223 | 1.15 | 1.40 | |
| Vite 5x14/w.s (vecchio 994-16050-141) | ||||
| 191 | 6695416 | 1.15 | 1.40 | |
| Copertura della pompa dell'olio (vecchia 097-32900 | ||||
| 192 | 6686763 | 2.31 | 2.82 | |
| Tubo dell'olio A (vecchio 515-32710-20) | ||||
| 193 | 6691223 | 3.30 | 4.03 | |
| Vite Ingranaggio (vecchio 084-32900-20) | ||||
| 194 | 6686645 | 10.40 | 12.69 | |
| Spugna di ventilazione (vecchio 567-01700-20) | ||||
| 195 | 6691400 | 1.15 | 1.40 | |
| Assembly pompa olio (vecchio 144-32902-90 / 668667 | ||||
| 196 | 6687324 | 10.56 | 12.89 | |
| Guarnizione di regolazione olio (vecchio 488-32710 | ||||
| 197 | 6690956 | 1.15 | 1.40 | |
| Regolatore di pompa olio (vecchio 501-32710-21) | ||||
| 198 | 6691070 | 1.15 | 1.40 | |
| Anello O P-6 (vecchio 6695663) | ||||
| 199 | 6697917 | 1.04 | 1.27 | |
| Set di custodia della pompa dell'olio, di ricambio | ||||
| 200 | 6686681 | 9.74 | 11.88 | |
| Anello O P-6 (vecchio 6695663) | ||||
| 201 | 6697917 | 1.04 | 1.27 | |
| Vite a Taglio D5x14 (vecchio 990-72050-144) | ||||
| 202 | 6685275 | 1.15 | 1.40 | |
| Tubo del carburante (vecchio 700-07105-02) | ||||
| 203 | 6685154 | 1.15 | 1.40 | |
| Catturatore di catene (vecchio 125-32710-20) | ||||
| 204 | 6685155 | 1.15 | 1.40 | |
| Vite autoperforante D4.5x14 (vecchio 990-75045-144 | ||||
| 205 | 6685152 | 1.15 | 1.40 | |
| Dado (vecchio 121-32530-20) | ||||
| 221 | 6685166 | 2.31 | 2.82 | |
| Dado di bloccaggio per barra della catena (vecchio | ||||
| 221A | 6687105 | 1.15 | 1.40 | |
| Frizione Comp. (vecchio 6688559/6685362) | ||||
| 222 | 6685142 | 14.38 | 17.54 | |
| Cuscinetto a rullini (vecchio 999-62101-301) | ||||
| 223 | 6685143 | 4.45 | 5.43 | |
| Carter frizione comp.3/8 (vecchio 310-32900-20) | ||||
| 224 | 6689013 | 14.19 | 17.31 | |
| Rondella | ||||
| 225 | 6685145 | 2.31 | 2.82 | |
| Vite per lamiera D4x10 (vecchio 993-41040-101) | ||||
| 226 | 6685161 | 1.15 | 1.40 | |
| Piastra (vecchio 466-32710-21 & 6690789) | ||||
| 227 | 6690790 | 2.31 | 2.82 | |
| Piastra guida A (vecchio 6690733) | ||||
| 227A | 6697599 | 2.80 | 3.42 | |
| Collare albero motore (vecchio 511-32900-20) | ||||
| 228 | 6685146 | 2.31 | 2.82 | |
| Vite per lamiera D4x10 (vecchio 993-41040-101) | ||||
| 229 | 6685161 | 1.15 | 1.40 | |
| Vite 2.6x5 (vecchio 993-30026-050) | ||||
| 232 | 6695269 | 1.15 | 1.40 | |
| Estrattore di Catena | ||||
| 234B | 6698986 | 13.35 | 16.29 | |
| Ingranaggio (a) (vecchio 301-72000-20) | ||||
| 235 | 6685168 | 2.31 | 2.82 | |
| Piastra di guida B (vecchio 462-32911-21/6690755) | ||||
| 237 | 6690756 | 2.31 | 2.82 | |
| Compartimento laterale (vecchio 6686104) | ||||
| 244 | 6698015 | 9.24 | 11.27 | |
| Assemblaggio bullone di regolazione della tensione | ||||
| 247 | 6687072 | 3.30 | 4.03 | |
| Dado di bloccaggio in nylon 4 (vecchio 991-78040-0 | ||||
| 261 | 6695163 | 1.15 | 1.40 | |
| Vite auto-filettante 5x40 (vecchio 990-73050-404) | ||||
| 262 | 6695108 | 1.15 | 1.40 | |
| Collare dell'ammortizzatore A (vecchio 275-32710-2 | ||||
| 263 | 6688480 | 1.15 | 1.40 | |
| Ammortizzatore A (vecchio 219-32750-20) | ||||
| 264 | 6688117 | 1.15 | 1.40 | |
| Componente Maniglia Posteriore B (vecchio 011-3290 | ||||
| 266 | 6685645 | 5.61 | 6.85 | |
| Cappuccio del perno a pressione (vecchio 725-32161 | ||||
| 267 | 6692680 | 1.15 | 1.40 | |
| Molla ferma (vecchio 066-32300-20) | ||||
| 268 | 6686447 | 1.15 | 1.40 | |
| Spinotto di spinta (vecchio 064-32530-20) | ||||
| 269 | 6686430 | 1.15 | 1.40 | |
| Leva di sicurezza (vecchio 257-32910-20) | ||||
| 270 | 6688363 | 1.15 | 1.40 | |
| Leva del farfalla (vecchio 060-32910-20) | ||||
| 271 | 6686392 | 1.15 | 1.40 | |
| Molla leva gas (vecchio 061-32710-20) | ||||
| 272 | 6686416 | 2.31 | 2.82 | |
| Impugnatura posteriore (vecchio 010-32900-20) | ||||
| 273 | 6685620 | 7.59 | 9.26 | |
| Vite auto-filettante 5x35 (vecchio 990-73050-354) | ||||
| 274 | 6695107 | 1.15 | 1.40 | |
| Vite autoperforante D4x15 (vecchio 993-41040-151) | ||||
| 275 | 6685148 | 1.15 | 1.40 | |
| Maniglia anteriore (vecchio 209-32946-20/6688076) | ||||
| 276 | 6688083 | 6.28 | 7.66 | |
| Ammortizzatore B (vecchio 266-32750-20/6688412) | ||||
| 277 | 6688412 | 1.15 | 1.40 | |
| Collare ammortizzatore B (vecchio 276-32710-20) | ||||
| 278 | 6688485 | 1.15 | 1.40 | |
| Vite auto-filettante 5x35 (vecchio 990-73050-354) | ||||
| 279 | 6695107 | 1.15 | 1.40 | |
| Non più disponibile, nessuna sostituzione | ||||
| 280 | 6694879 | |||
| Rondella | ||||
| 281 | 6695211 | 1.15 | 1.40 | |
| Rondella | ||||
| 282 | 6685070 | 1.15 | 1.40 | |
| Guardamano anteriore comp. (vecchio 805-32710-80) | ||||
| 283 | 6693461 | 6.28 | 7.66 | |
| Chiave Combinata 10/19mm (vecchio 013-29323-50/668 | ||||
| 501 | 6685257 | 3.30 | 4.03 | |
| Chiave combinata 13x19 Minus (vecchio 883-32600-20 | ||||
| 501A | 6693809 | 4.45 | 5.43 | |
| Copertura Catena 14" (vecchio 946-32753-20) | ||||
| 502 | 6685256 | 6.44 | 7.85 | |
| Nessuna informazione disponibile, non ordinabile | ||||
| 503A | 6685401 | |||
| Nessuna informazione disponibile, non ordinabile | ||||
| 510 | 6685159 | |||
| Nessuna informazione disponibile, non ordinabile | ||||
| 511 | 6685160 | |||
| Nessuna informazione disponibile, non ordinabile | ||||
| 512 | 6686854 | |||
| Nessuna informazione disponibile, non ordinabile | ||||
| 513 | 6697852 | |||
| Nessuna informazione disponibile, non ordinabile | ||||
| 514 | 6697854 | |||
| Nessuna informazione disponibile, non ordinabile | ||||
| 515 | 6697889 | |||
| Nessuna informazione disponibile, non ordinabile | ||||
| 601 | 6699529 | |||