Qui troverai tutte le parti e i disegni disponibili di “Hikoki DW15Y”. Da qui puoi ordinare direttamente tutte le parti desiderate. Molte parti devono essere ordinate dal produttore, a seconda della marca, ciò richiede da una a quattro settimane. Tutte le informazioni che abbiamo sono sul nostro sito web, non possiamo consigliarti su ciò di cui hai bisogno, per questo dovrai restituire la macchina per la riparazione. Nota quanto segue al momento dell’ordinazione:
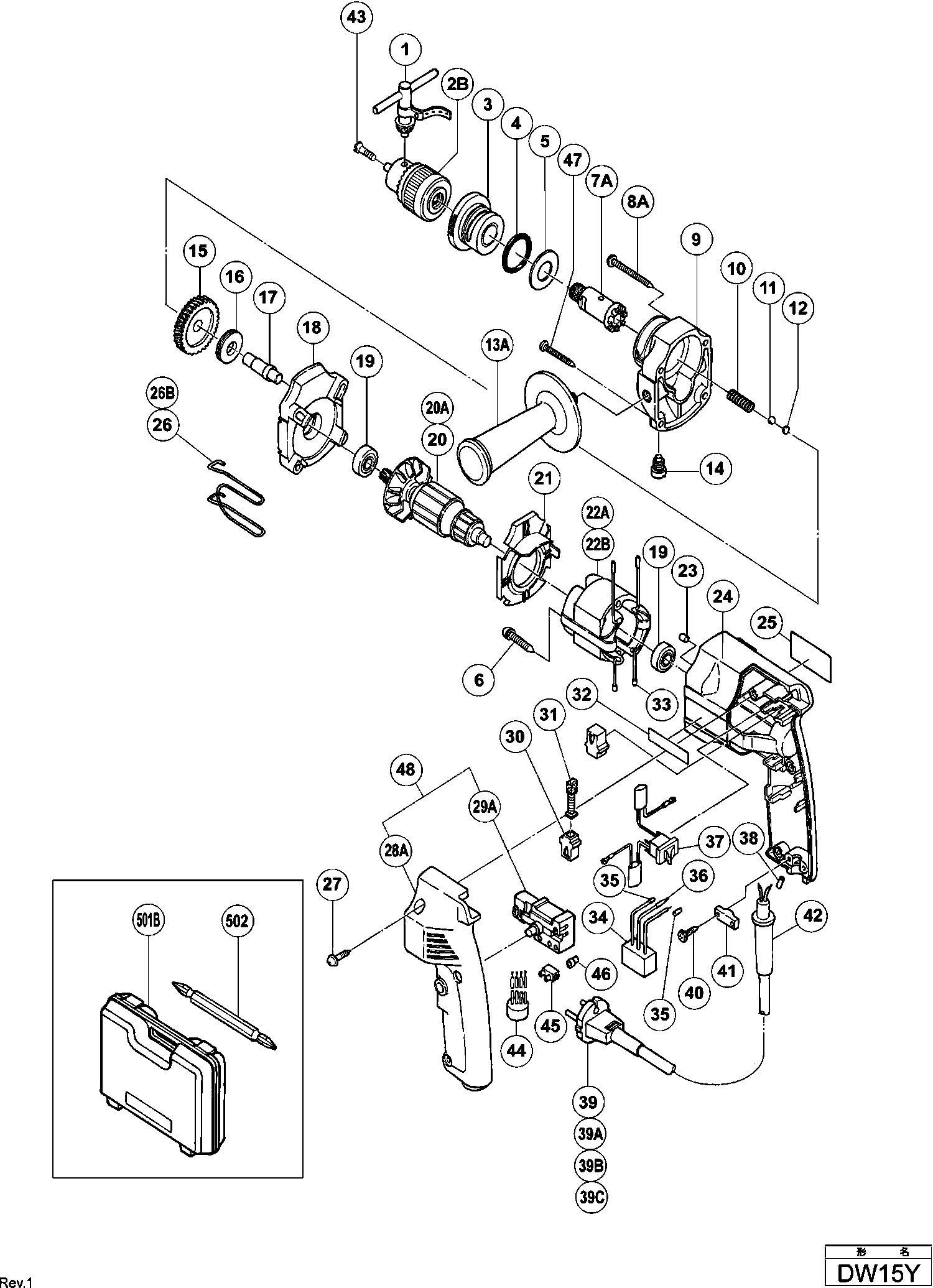
Disegni tecnici di Hikoki DW15Y
Elenco parti di Hikoki DW15Y
| Pos. | Descrizione | Prezzo IVA escl | Prezzo IVA incl | |
| I prezzi indicati sono comprensivi di IVA | ||||
| Stator 220v-230v H-90sa Includ.103 Per Nzl,saf | ||||
| *22A | 992639E | 37.95 | 46.30 | |
| Campo 220-230 Volt (vecchio 340218g) | ||||
| *22B | 340218L | 35.06 | 42.78 | |
| Interruttore | ||||
| *29A | 307893 | 35.06 | 42.78 | |
| Interruttore Vtv16 dal 8.1999 | ||||
| *29A | 316257 | 32.18 | 39.25 | |
| Cavo | ||||
| *39 | 950543Z | 10.20 | 12.44 | |
| Protezione del cavo D10.2 Fino a 11.1982 Per Aus | ||||
| *42 | 930026 | 3.00 | 3.66 | |
| Protezione cavo D10.2 (vecchio 930354) | ||||
| *42 | 980193 | 1.65 | 2.01 | |
| Set interruttore e impugnatura | ||||
| *48 | 318330 | 30.66 | 37.41 | |
| Nessuna informazione disponibile, non ordinabile | ||||
| 1 | 930119 | |||
| Nessuna informazione disponibile, non ordinabile | ||||
| 2B | 321812 | |||
| Anello di frizione | ||||
| 3 | 950521 | 26.40 | 32.21 | |
| Anello O (s-28) | ||||
| 4 | 873731 | 1.05 | 1.28 | |
| RONDINA | ||||
| 5 | 950513 | 1.05 | 1.28 | |
| TAPSCHROEF D4X40 | ||||
| 6 | 992630 | 1.00 | 1.22 | |
| BARRA TOMMY | ||||
| 7A | 950512 | 18.43 | 22.48 | |
| SCHROEF D4X50 (OUD 992631) | ||||
| 8A | 950515 | 1.00 | 1.22 | |
| Copertura del ingranaggio (vecchio 950516z) | ||||
| 9 | 950516 | 12.75 | 15.56 | |
| VEER | ||||
| 10 | 943614 | 1.00 | 1.22 | |
| Pallina d'acciaio D5.556 (10 pezzi) | ||||
| 11 | 959154 | 1.35 | 1.65 | |
| STRISCIA | ||||
| 12 | 950539 | 1.05 | 1.28 | |
| Nessuna informazione disponibile, non ordinabile | ||||
| 13A | 994322 | |||
| STOPSCHROEF | ||||
| 14 | 950519 | 6.18 | 7.54 | |
| INGRANAGGIO | ||||
| 15 | 950510 | 27.78 | 33.89 | |
| MANICOTTO | ||||
| 16 | 950508 | 11.55 | 14.09 | |
| TANDWIELTANG | ||||
| 17 | 950509 | 8.40 | 10.25 | |
| TANDWIELHUISDEKSEL | ||||
| 18 | 950507 | 14.68 | 17.91 | |
| Cuscinetto a sfere 608vvmc2eps2l | ||||
| 19 | 608VVM | 5.70 | 6.95 | |
| Armadura 220-230v (vecchio 992640g) | ||||
| 20 | 992640E | 64.21 | 78.34 | |
| ANKER 100-115 VOLT (OUD 992640J) | ||||
| 20 | 992640 | 54.23 | 66.16 | |
| Guida per ventilatore | ||||
| 21 | 950504 | 1.65 | 2.01 | |
| Stator 220v-230v H-90sa Includ.103 Per Nzl,saf | ||||
| 22A | 992639E | 37.95 | 46.30 | |
| PENNA DI GOMMA | ||||
| 23 | 931701 | 1.05 | 1.28 | |
| ALLOGGIAMENTO | ||||
| 24 | 991880 | 14.30 | 17.45 | |
| RIEMKLEM (NIEUW 950551) | ||||
| 26 | 950511 | 2.94 | 3.59 | |
| Nessuna informazione disponibile, non ordinabile | ||||
| 26B | 950551 | |||
| Vite rubinetto | ||||
| 27 | 982095 | 1.04 | 1.27 | |
| Coperchio del manico | ||||
| 28A | 318329 | 6.75 | 8.24 | |
| Interruttore | ||||
| 29A | 307893 | 35.06 | 42.78 | |
| Interruttore Vtv16 dal 8.1999 | ||||
| 29A | 316257 | 32.18 | 39.25 | |
| Portaspazzole di Carbone | ||||
| 30 | 930483 | 1.65 | 2.01 | |
| Spazzola di carbone (1 paio) | ||||
| 31 | 999041 | 4.50 | 5.49 | |
| Nessuna informazione disponibile, non ordinabile | ||||
| 32 | 950565 | |||
| Manicotto filettato per cavo | ||||
| 33 | 981373 | 1.05 | 1.28 | |
| Condensatore (vecchio 930030/991313) | ||||
| 34 | 994273 | 4.29 | 5.23 | |
| Manicotto filettato per cavo | ||||
| 35 | 981373 | 1.05 | 1.28 | |
| Morsetto di terra | ||||
| 36 | 992635 | 1.05 | 1.28 | |
| Interruttore (r+l) | ||||
| 37 | 992636 | 17.60 | 21.47 | |
| Manicotto filettato per cavo | ||||
| 38 | 981373 | 1.05 | 1.28 | |
| Cavo | ||||
| 39 | 950543Z | 10.20 | 12.44 | |
| SNOER 2.5M 2 X 1.0 H05VV-F W/PLUG 13A/250V (OLD 50 | ||||
| 39A | 500423Z | 12.87 | 15.70 | |
| Non più disponibile, nessuna sostituzione | ||||
| 39C | 500435Z | |||
| Nessuna informazione disponibile, non ordinabile | ||||
| 40 | 984750 | |||
| Strip di serraggio (vecchio 994566) | ||||
| 41 | 937631 | 1.04 | 1.27 | |
| Protezione del cavo D10.2 Fino a 11.1982 Per Aus | ||||
| 42 | 930026 | 3.00 | 3.66 | |
| Pressacavo D8.2 | ||||
| 42 | 930487 | 2.25 | 2.74 | |
| Protezione cavo D10.2 (vecchio 930354) | ||||
| 42 | 980193 | 1.65 | 2.01 | |
| Vite a sinistra M6x22 | ||||
| 43 | 981122 | 1.35 | 1.65 | |
| Induttanza di strozzatura (vecchio 500259z) | ||||
| 44 | 955908 | 32.18 | 39.25 | |
| Terminale | ||||
| 45 | 982805Z | 2.55 | 3.11 | |
| Giunzione di saldatura 50091 (10 pezzi) | ||||
| 46 | 959140 | 3.30 | 4.03 | |
| Vite D4 X 40 | ||||
| 47 | 950514 | 1.20 | 1.46 | |
| Set interruttore e impugnatura | ||||
| 48 | 318330 | 30.66 | 37.41 | |
| Nessuna informazione disponibile, non ordinabile | ||||
| 501B | 310904 | |||
| Nessuna informazione disponibile, non ordinabile | ||||
| 502 | 983006 | |||
| Nessuna informazione disponibile, non ordinabile | ||||
| 601 | 983004 | |||
| Nessuna informazione disponibile, non ordinabile | ||||
| 602 | 983011 | |||
| Nessuna informazione disponibile, non ordinabile | ||||
| 603 | 955656 | |||
| Nessuna informazione disponibile, non ordinabile | ||||
| 604 | 955658 | |||
| Nessuna informazione disponibile, non ordinabile | ||||
| 605 | 955673 | |||
| Nessuna informazione disponibile, non ordinabile | ||||
| 606 | 955675 | |||
| Nessuna informazione disponibile, non ordinabile | ||||
| 607 | 955676 | |||
| Nessuna informazione disponibile, non ordinabile | ||||
| 608 | 955677 | |||
| Nessuna informazione disponibile, non ordinabile | ||||
| 609 | 955678 | |||
| Nessuna informazione disponibile, non ordinabile | ||||
| 616 | 954321 | |||
| AS | ||||
| 617 | 954322 | 3.84 | 4.68 | |
| Nessuna informazione disponibile, non ordinabile | ||||
| 618 | 954324 | |||
| Nessuna informazione disponibile, non ordinabile | ||||
| 619 | 954323 | |||
| Vite (10 pezzi) | ||||
| 620 | 949794 | 1.65 | 2.01 | |
| Nessuna informazione disponibile, non ordinabile | ||||
| 629 | 939520 | |||