Qui troverai tutte le parti e i disegni disponibili di “Hikoki DS9DVB”. Da qui puoi ordinare direttamente tutte le parti desiderate. Molte parti devono essere ordinate dal produttore, a seconda della marca, ciò richiede da una a quattro settimane. Tutte le informazioni che abbiamo sono sul nostro sito web, non possiamo consigliarti su ciò di cui hai bisogno, per questo dovrai restituire la macchina per la riparazione. Nota quanto segue al momento dell’ordinazione:
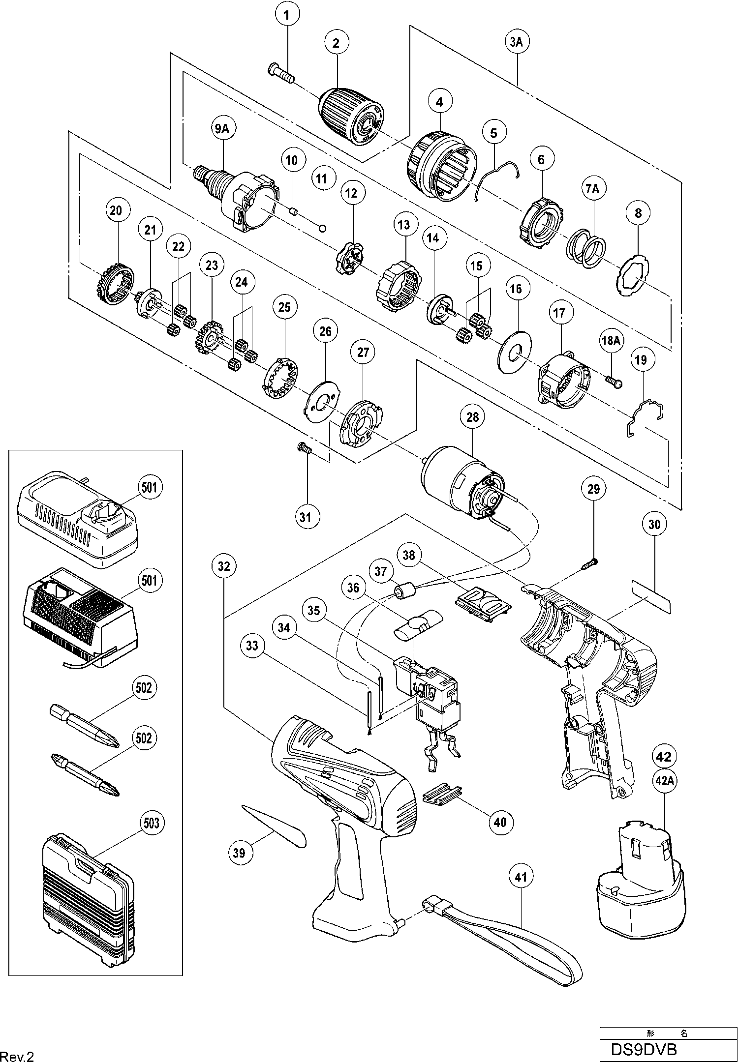
Disegni tecnici di Hikoki DS9DVB
Elenco parti di Hikoki DS9DVB
| Pos. | Descrizione | Prezzo IVA escl | Prezzo IVA incl | |
| I prezzi indicati sono comprensivi di IVA | ||||
| Vite speciale (mano sinistra) M6x23 | ||||
| 1 | 311959 | 1.50 | 1.83 | |
| Nessuna informazione disponibile, non ordinabile | ||||
| 2 | 320683 | |||
| Cambio Completo Includ.4-27 | ||||
| 3A | 323013 | 87.18 | 106.35 | |
| Quadrante della frizione | ||||
| 4 | 319755 | 6.45 | 7.87 | |
| Diaframma | ||||
| 5 | 319754 | 3.30 | 4.03 | |
| Anello interno TID 18 | ||||
| 6 | 319743 | 1.65 | 2.01 | |
| Nessuna informazione disponibile, non ordinabile | ||||
| 7A | 323015 | |||
| Anello di bloccaggio | ||||
| 8 | 319741 | 1.65 | 2.01 | |
| Custodia Frontale | ||||
| 9A | 323014 | 26.40 | 32.21 | |
| ROTOLO | ||||
| 10 | 319744 | 1.65 | 2.01 | |
| palla di acciaio | ||||
| 11 | 306936 | 1.05 | 1.28 | |
| ANELLO DI BLOCCO | ||||
| 12 | 320928 | 10.20 | 12.44 | |
| Ingranaggio Anulare | ||||
| 13 | 319745 | 3.30 | 4.03 | |
| Conducente | ||||
| 14 | 320929 | 3.30 | 4.03 | |
| Set di ingranaggi planetari (c) (3 pezzi) | ||||
| 15 | 319769 | 1.80 | 2.20 | |
| Rondella (a) | ||||
| 16 | 312704 | 1.95 | 2.38 | |
| Custodia del ingranaggio | ||||
| 17 | 319748 | 3.30 | 4.03 | |
| Viti a testa Phillips D3X12 (4 pezzi) | ||||
| 18A | 324357 | 1.65 | 2.01 | |
| Braccio di Cambio | ||||
| 19 | 319753 | 3.30 | 4.03 | |
| Ingranaggio Anulare Scorrevole | ||||
| 20 | 319750 | 4.80 | 5.86 | |
| Pignone (c) | ||||
| 21 | 319749 | 3.30 | 4.03 | |
| Set Ingranaggi Pianeti (b) (3 Pezzi) | ||||
| 22 | 319768 | 1.65 | 2.01 | |
| Pignone (b) | ||||
| 23 | 319751 | 3.30 | 4.03 | |
| Set Ingranaggi Pianeti (a) (3 Pezzi) | ||||
| 24 | 319767 | 1.65 | 2.01 | |
| Primo Ingranaggio Anulare | ||||
| 25 | 319752 | 4.80 | 5.86 | |
| Rondella (b) Ds9dva/ds12dva/ds14dv Ds14dva/ds14dvb | ||||
| 26 | 312716 | 1.95 | 2.38 | |
| Nessuna informazione disponibile, non ordinabile | ||||
| 27 | 316955 | |||
| MOTORE | ||||
| 28 | 320931 | 35.75 | 43.62 | |
| Vite a filettare (con flangia) D3x16 (nero) | ||||
| 29 | 313687 | 1.04 | 1.27 | |
| Vite a Macchina (con Rondella sp.) M4x6 | ||||
| 31 | 317333 | 1.50 | 1.83 | |
| Vite da macchina M4 X 8 | ||||
| 31 | 958523 | 1.04 | 1.27 | |
| ALLOGGIAMENTO | ||||
| 32 | 320930 | 15.81 | 19.29 | |
| Cablaggio nero 160l | ||||
| 33 | 320159 | 1.35 | 1.65 | |
| Cavo Interno (nero) 100l esclusa l'Europa (fino | ||||
| 33 | 319759 | 1.05 | 1.28 | |
| Cavo Interno (rosso) 130l esclusa l'Europa (fino | ||||
| 34 | 319758 | 1.05 | 1.28 | |
| Interruttore di controllo | ||||
| 35 | 318245 | 23.65 | 28.85 | |
| Pulsante di commutazione (s + d) | ||||
| 36 | 319760 | 1.05 | 1.28 | |
| Tubo termoretraibile | ||||
| 37 | 318247 | 1.05 | 1.28 | |
| Pomello del cambio | ||||
| 38 | 318234 | 1.05 | 1.28 | |
| Supporto | ||||
| 40 | 315141 | 1.20 | 1.46 | |
| Cinghia (nera) | ||||
| 41 | 306952 | 4.05 | 4.94 | |
| Nessuna informazione disponibile, non ordinabile | ||||
| 42 | 324079 | |||
| Nessuna informazione disponibile, non ordinabile | ||||
| 42A | 323225 | |||
| Nessuna informazione disponibile, non ordinabile | ||||
| 502 | 318236 | |||
| Nessuna informazione disponibile, non ordinabile | ||||
| 503 | 324359 | |||