Qui troverai tutte le parti e i disegni disponibili di “Hikoki DS14DSFL”. Da qui puoi ordinare direttamente tutte le parti desiderate. Molte parti devono essere ordinate dal produttore, a seconda della marca, ciò richiede da una a quattro settimane. Tutte le informazioni che abbiamo sono sul nostro sito web, non possiamo consigliarti su ciò di cui hai bisogno, per questo dovrai restituire la macchina per la riparazione. Nota quanto segue al momento dell’ordinazione:
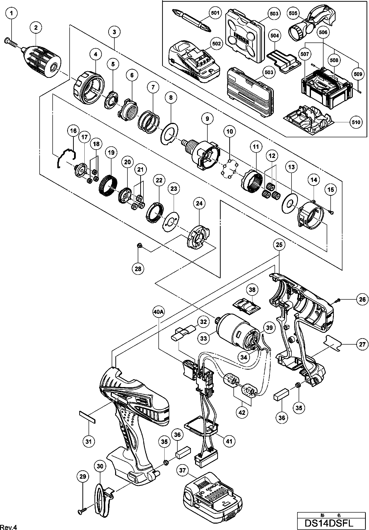
Disegni tecnici di Hikoki DS14DSFL
Elenco parti di Hikoki DS14DSFL
| Pos. | Descrizione | Prezzo IVA escl | Prezzo IVA incl | |
| I prezzi indicati sono comprensivi di IVA | ||||
| Vite speciale (mano sinistra) M6x23 | ||||
| 1 | 311959 | 1.50 | 1.83 | |
| Nessuna informazione disponibile, non ordinabile | ||||
| 2 | 332050 | |||
| Giunto Scorrevole Completo | ||||
| 3 | 333315 | 74.11 | 90.42 | |
| Quadrante della frizione | ||||
| 4 | 332025 | 5.03 | 6.13 | |
| Primavera click | ||||
| 5 | 332741 | 8.33 | 10.16 | |
| Portacappuccio | ||||
| 6 | 324109 | 3.30 | 4.03 | |
| Molla | ||||
| 7 | 324110 | 3.30 | 4.03 | |
| Rondella (d) Cm12y | ||||
| 8 | 324347 | 3.30 | 4.03 | |
| Custodia frontale | ||||
| 9 | 333314 | 16.78 | 20.47 | |
| palla di acciaio | ||||
| 10 | 306936 | 1.05 | 1.28 | |
| Ingranaggio Anulare | ||||
| 11 | 332027 | 5.03 | 6.13 | |
| Set di ingranaggi planetari (c) (3 pezzi) | ||||
| 12 | 332028 | 3.38 | 4.12 | |
| Rondella (a) | ||||
| 13 | 324349 | 3.30 | 4.03 | |
| Custodia del ingranaggio | ||||
| 14 | 324501 | 4.80 | 5.86 | |
| Viti a testa Phillips D3X12 (4 pezzi) | ||||
| 15 | 324357 | 1.65 | 2.01 | |
| Braccio di Cambio | ||||
| 16 | 324115 | 3.30 | 4.03 | |
| Pignone (c) | ||||
| 17 | 332029 | 3.38 | 4.12 | |
| Set Ingranaggi Pianeti (b) (3 Pezzi) | ||||
| 18 | 332031 | 1.73 | 2.10 | |
| Ingranaggio Anulare Scorrevole | ||||
| 19 | 332030 | 6.68 | 8.14 | |
| Pignone (b) | ||||
| 20 | 332032 | 3.38 | 4.12 | |
| Set Ingranaggi Pianeti (a) (3 Pezzi) | ||||
| 21 | 332034 | 3.38 | 4.12 | |
| Primo Ingranaggio Anulare | ||||
| 22 | 332033 | 3.38 | 4.12 | |
| Rondella (b) Ds9dva/ds12dva/ds14dv Ds14dva/ds14dvb | ||||
| 23 | 324355 | 3.30 | 4.03 | |
| Distanziatore del Motore | ||||
| 24 | 332035 | 1.73 | 2.10 | |
| Nessuna informazione disponibile, non ordinabile | ||||
| 25 | 332820 | |||
| Vite a filettare (con flangia) D3x16 (nero) | ||||
| 26 | 313687 | 1.04 | 1.27 | |
| Vite a Macchina (con Rondella sp.) M4x6 | ||||
| 28 | 317333 | 1.50 | 1.83 | |
| Vite M4 | ||||
| 29 | 327001 | 1.80 | 2.20 | |
| GANCIO | ||||
| 30 | 332824 | 4.58 | 5.58 | |
| Targa di Nome | ||||
| 31 | 330719 | 2.10 | 2.56 | |
| Pulsante AGC 18 | ||||
| 32 | 332836 | 1.13 | 1.37 | |
| MOTORE DC 14,4 VOLT | ||||
| 33 | 332559 | 34.18 | 41.69 | |
| Cavo Interno (nero) | ||||
| 34 | 332843 | 1.05 | 1.28 | |
| Dado di blocco M4 (nero) | ||||
| 35 | 327002 | 1.80 | 2.20 | |
| Guarnizione | ||||
| 36 | 327004 | 1.80 | 2.20 | |
| Nessuna informazione disponibile, non ordinabile | ||||
| 37 | 334306 | |||
| Pomello del cambio | ||||
| 38 | 332036 | 1.05 | 1.28 | |
| Cablaggio interno rosso 140L | ||||
| 39 | 324499 | 1.05 | 1.28 | |
| Involucro. Set di interruttori | ||||
| 40A | 336804 | 26.26 | 32.04 | |
| Set terminale del controller | ||||
| 41 | 332823 | 30.45 | 37.15 | |
| SET CAVI FERRITE INTERNI | ||||
| 42 | 334857 | 6.90 | 8.42 | |
| Nessuna informazione disponibile, non ordinabile | ||||
| 501 | 983006 | |||
| Nessuna informazione disponibile, non ordinabile | ||||
| 503 | 332825 | |||
| Cappuccio di protezione per batteria | ||||
| 504 | 329897 | 1.80 | 2.20 | |
| Nessuna informazione disponibile, non ordinabile | ||||
| 506 | 336471 | |||
| Nessuna informazione disponibile, non ordinabile | ||||
| 507 | 336472 | |||
| Nessuna informazione disponibile, non ordinabile | ||||
| 508 | 336473 | |||
| Nessuna informazione disponibile, non ordinabile | ||||
| 509 | 336474 | |||
| Nessuna informazione disponibile, non ordinabile | ||||
| 510 | 336475 | |||
| Nessuna informazione disponibile, non ordinabile | ||||
| 601 | 955657 | |||
| Nessuna informazione disponibile, non ordinabile | ||||
| 602 | 955659 | |||
| Nessuna informazione disponibile, non ordinabile | ||||
| 603 | 955674 | |||
| Nessuna informazione disponibile, non ordinabile | ||||
| 604 | 983004 | |||
| Nessuna informazione disponibile, non ordinabile | ||||
| 605 | 983011 | |||