Qui troverai tutte le parti e i disegni disponibili di “Hikoki DH38YE3”. Da qui puoi ordinare direttamente tutte le parti desiderate. Molte parti devono essere ordinate dal produttore, a seconda della marca, ciò richiede da una a quattro settimane. Tutte le informazioni che abbiamo sono sul nostro sito web, non possiamo consigliarti su ciò di cui hai bisogno, per questo dovrai restituire la macchina per la riparazione. Nota quanto segue al momento dell’ordinazione:
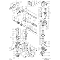
Disegni tecnici di Hikoki DH38YE3
Elenco parti di Hikoki DH38YE3
| Pos. | Descrizione | Prezzo IVA escl | Prezzo IVA incl | |
| I prezzi indicati sono comprensivi di IVA | ||||
| Nessuna informazione disponibile, non ordinabile | ||||
| 1 | 330209 | |||
| Bullone ad ali | ||||
| 2 | 337577 | 1.04 | 1.27 | |
| Spina a rullo D2x8 (10 pezzi) | ||||
| 3 | 949859 | 1.20 | 1.46 | |
| Supporto | ||||
| 4 | 371135 | 3.75 | 4.58 | |
| Dado M6 (10pcs) | ||||
| 5 | 949556 | 1.05 | 1.28 | |
| Bullone del Manico Dh40ma/mb/yb/fa/mr/dh30pc | ||||
| 6 | 331247 | 4.20 | 5.12 | |
| Banda | ||||
| 7 | 331246 | 3.15 | 3.84 | |
| Rullo di ago D4x20 | ||||
| 8 | 943364 | 1.05 | 1.28 | |
| Nessuna informazione disponibile, non ordinabile | ||||
| 9 | 331872 | |||
| Nessuna informazione disponibile, non ordinabile | ||||
| 10 | 331871 | |||
| Nessuna informazione disponibile, non ordinabile | ||||
| 11 | 331870 | |||
| Nessuna informazione disponibile, non ordinabile | ||||
| 12 | 379023 | |||
| Bullone della guarnizione M7x25 (vecchio 991696) | ||||
| 13 | 993040 | 2.40 | 2.93 | |
| Perno del leva H65sd | ||||
| 14 | 985372 | 58.44 | 71.29 | |
| Anello O | ||||
| 15 | 331244 | 1.05 | 1.28 | |
| Anello O (c) Dh40ma/mb/mr | ||||
| 16 | 981857 | 5.85 | 7.14 | |
| Nessuna informazione disponibile, non ordinabile | ||||
| 18 | 331865 | |||
| Nessuna informazione disponibile, non ordinabile | ||||
| 19 | 331864 | |||
| Nessuna informazione disponibile, non ordinabile | ||||
| 20 | 331866 | |||
| Nessuna informazione disponibile, non ordinabile | ||||
| 21 | 379027 | |||
| Vite a brugola M6x25 | ||||
| 22 | 991712 | 1.05 | 1.28 | |
| Anello O (1as-60) | ||||
| 23 | 956996 | 3.00 | 3.66 | |
| Banda | ||||
| 24 | 981858 | 7.35 | 8.97 | |
| Nessuna informazione disponibile, non ordinabile | ||||
| 25 | 379026 | |||
| Nessuna informazione disponibile, non ordinabile | ||||
| 26 | 379025 | |||
| Anello O | ||||
| 27 | 986104 | 1.05 | 1.28 | |
| Nessuna informazione disponibile, non ordinabile | ||||
| 28 | 379695 | |||
| Frizione | ||||
| 29 | 371137 | 1.04 | 1.27 | |
| Cursore (1) | ||||
| 30 | 371147 | 1.95 | 2.38 | |
| INGRANAGGIO CONICO | ||||
| 31 | 371158 | 15.26 | 18.62 | |
| Anello di bloccaggio | ||||
| 32 | 331234 | 1.05 | 1.28 | |
| Anello O | ||||
| 33 | 986104 | 1.05 | 1.28 | |
| PISTONE | ||||
| 34 | 326369 | 3.30 | 4.03 | |
| Spinotto Dh 38ms | ||||
| 35 | 331221 | 1.05 | 1.28 | |
| DRIJFSTANG (OUD 371175) | ||||
| 36 | 376787 | 5.64 | 6.88 | |
| Guida ventilatore | ||||
| 37 | 371172 | 1.05 | 1.28 | |
| Vite tagliente D5x55 | ||||
| 38 | 953174 | 1.04 | 1.27 | |
| Portastatore | ||||
| 39 | 371123 | 1.04 | 1.27 | |
| Boccola in gomma | ||||
| 40 | 338755 | 1.04 | 1.27 | |
| Nessuna informazione disponibile, non ordinabile | ||||
| 41 | 340963D | |||
| Punto di contatto Portaspazzola | ||||
| 42 | 930703 | 2.40 | 2.93 | |
| Montaggio della Scocca Incl. 86,87 | ||||
| 43 | 371174 | 12.60 | 15.37 | |
| Portaspazzole di Carbone | ||||
| 44 | 958900 | 6.45 | 7.87 | |
| Vite di regolazione esagonale M5x8 | ||||
| 45 | 938477 | 1.05 | 1.28 | |
| Cappuccio della spazzola | ||||
| 46 | 945161 | 1.20 | 1.46 | |
| Spazzole di Carbonio (2 Pezzi) | ||||
| 47 | 999108 | 4.35 | 5.31 | |
| SUPPORTO DEL CUSCINETTO | ||||
| 48 | 371139 | 1.50 | 1.83 | |
| Sigillo antipolvere | ||||
| 49 | 331547 | 1.88 | 2.29 | |
| Copertura di Coda | ||||
| 50 | 371127 | 2.10 | 2.56 | |
| Vite a tagliente (con flangia) D5x20 (nero) | ||||
| 51 | 302089 | 1.05 | 1.28 | |
| Nessuna informazione disponibile, non ordinabile | ||||
| 52 | 361058U | |||
| Cuscinetto a sfere 6201dducmav2s | ||||
| 53 | 6201DD | 6.30 | 7.69 | |
| Rondella Antipolvere (b) | ||||
| 54 | 325003 | 1.05 | 1.28 | |
| Anello del Cuscinetto | ||||
| 55 | 958915 | 1.04 | 1.27 | |
| Cuscinetto a sfere 629vvmc2eps2l | ||||
| 56 | 629VVM | 5.85 | 7.14 | |
| Spazzole di Carbonio Auto-Fermo (2 Pezzi) | ||||
| 57 | 999094 | 7.05 | 8.60 | |
| Morsetto | ||||
| 58 | 938307 | 2.13 | 2.59 | |
| Giunzione di saldatura 50092 (10 pezzi) | ||||
| 59 | 959141 | 3.75 | 4.58 | |
| Nessuna informazione disponibile, non ordinabile | ||||
| 61 | 500434Z | |||
| Glandola per cavo D8.2 (vecchia 958049z) | ||||
| 62 | 958049 | 1.04 | 1.27 | |
| Vite M5X16 | ||||
| 63 | 994192 | 1.04 | 1.27 | |
| MANICO | ||||
| 64 | 371129 | 9.15 | 11.16 | |
| GRILLETTO | ||||
| 65 | 371128 | 1.04 | 1.27 | |
| INTERRUTTORE | ||||
| 66 | 371171 | 8.55 | 10.43 | |
| Coprimerella | ||||
| 67 | 371130 | 7.05 | 8.60 | |
| Vite a taglio (con flangia) D4x25 (nero) | ||||
| 68 | 307028 | 1.05 | 1.28 | |
| Terminale M4.0 (10 pezzi) | ||||
| 69 | 930804 | 3.00 | 3.66 | |
| Filo interno | ||||
| 70 | 371149 | 1.05 | 1.28 | |
| MORSETTO DEL CAVO | ||||
| 71 | 960266 | 1.04 | 1.27 | |
| Nessuna informazione disponibile, non ordinabile | ||||
| 72 | 984750 | |||
| Albero a gomiti | ||||
| 73 | 371136 | 13.80 | 16.84 | |
| Chiavetta 3x3x8 | ||||
| 74 | 944109 | 1.70 | 2.07 | |
| Rondella D40 | ||||
| 75 | 948391 | 1.65 | 2.01 | |
| Cuscinetto a sfera 6203dducmav2s | ||||
| 76 | 6203DD | 7.65 | 9.33 | |
| Anello O (s-40) | ||||
| 77 | 996363 | 1.65 | 2.01 | |
| OIL SEAL (B) (OLD 321274) | ||||
| 78 | 373199 | 1.00 | 1.22 | |
| Vite di bloccaggio del sigillo a brugola 6x45 | ||||
| 79 | 986940 | 1.05 | 1.28 | |
| FRIZIONE ANTISCIVOLAMENTO COMPLETA | ||||
| 80 | 371176 | 42.08 | 51.33 | |
| Guarnizione dell'olio | ||||
| 81 | 313050 | 3.90 | 4.76 | |
| Pignone Conico | ||||
| 82 | 331211 | 12.45 | 15.19 | |
| Chiavetta 3x3x8 | ||||
| 83 | 944109 | 1.70 | 2.07 | |
| Rondella | ||||
| 84 | 321279 | 8.40 | 10.25 | |
| Cuscinetto a sfere 6002dducmps2s | ||||
| 85 | 6002DD | 7.05 | 8.60 | |
| Rondella | ||||
| 86 | 331213 | 1.05 | 1.28 | |
| Rondella (a) | ||||
| 87 | 331214 | 1.05 | 1.28 | |
| Secondo ingranaggio | ||||
| 88 | 331215 | 19.11 | 23.32 | |
| Supporto ingranaggio | ||||
| 89 | 321281 | 17.88 | 21.81 | |
| Molla | ||||
| 90 | 321282 | 1.65 | 2.01 | |
| Rullo ad ago | ||||
| 91 | 331217 | 1.05 | 1.28 | |
| Anello di spaziatura | ||||
| 92 | 331219 | 11.40 | 13.91 | |
| Cuscinetto a sfere 629vvmc2eps2l | ||||
| 93 | 629VVM | 5.85 | 7.14 | |
| Anello del Cuscinetto | ||||
| 94 | 331220 | 1.05 | 1.28 | |
| Coperchio del ingranaggio | ||||
| 95 | 371124 | 13.20 | 16.10 | |
| Serratura di sicurezza Hd. Vite esagonale M6x20 (v | ||||
| 96 | 992803 | 1.05 | 1.28 | |
| Bullone Hex. Socket (con flangia) M5x18 | ||||
| 97 | 371170 | 1.04 | 1.27 | |
| Nessuna informazione disponibile, non ordinabile | ||||
| 98 | 379029M | |||
| CHANGE LEVER (OLD 371134) | ||||
| 99A | 381391 | 1.00 | 1.22 | |
| Molla a Leva | ||||
| 100 | 371168 | 1.04 | 1.27 | |
| Pallina di acciaio D4.76 (10 pezzi) | ||||
| 101 | 959149 | 1.04 | 1.27 | |
| O-RING (S-18) | ||||
| 102 | 878885 | 1.05 | 1.28 | |
| Nessuna informazione disponibile, non ordinabile | ||||
| 103 | 379028 | |||
| Nessuna informazione disponibile, non ordinabile | ||||
| 103A | 381407 | |||
| Nessuna informazione disponibile, non ordinabile | ||||
| 104 | 877315 | |||
| Anello di ritenzione D20 (10 pezzi) | ||||
| 105 | 939547 | 3.90 | 4.76 | |
| Piastra di Cambio | ||||
| 106 | 371146 | 1.04 | 1.27 | |
| Carter Albero a Gomiti | ||||
| 107 | 371173 | 24.75 | 30.20 | |
| Vite a testa | ||||
| 108 | 371179 | 17.46 | 21.30 | |
| VALVOLA | ||||
| 109 | 995396 | 1.80 | 2.20 | |
| Primo ingranaggio | ||||
| 110 | 371162 | 7.05 | 8.60 | |
| Cuscinetto a Rullini | ||||
| 111 | 371169 | 1.20 | 1.46 | |
| Imballaggio di tenuta | ||||
| 112 | 371143 | 1.95 | 2.38 | |
| Cappuccio | ||||
| 113 | 371132 | 1.95 | 2.38 | |
| Vite Esagonale Hd M5x12 | ||||
| 114 | 998471 | 1.05 | 1.28 | |
| Nessuna informazione disponibile, non ordinabile | ||||
| 501 | 379030 | |||
| Coperchio antipolvere | ||||
| 502 | 993245 | 6.75 | 8.24 | |
| Nessuna informazione disponibile, non ordinabile | ||||
| 503 | 971786 | |||
| Grasso (tubo da 30 Grammi) | ||||
| 601 | 981840 | 8.40 | 10.25 | |
| Grasso per martello. Trapano a percussione (70g) | ||||
| 602 | 308471 | 12.75 | 15.56 | |
| Grasso (barattolo da 500 grammi) | ||||
| 603 | 980927 | 73.01 | 89.08 | |
| Nessuna informazione disponibile, non ordinabile | ||||
| 604 | 318085 | |||
| Nessuna informazione disponibile, non ordinabile | ||||
| 605 | 955165 | |||
| Nessuna informazione disponibile, non ordinabile | ||||
| 607 | 955159 | |||
| Nessuna informazione disponibile, non ordinabile | ||||
| 608 | 985379 | |||
| Nessuna informazione disponibile, non ordinabile | ||||
| 609 | 985383 | |||
| Nessuna informazione disponibile, non ordinabile | ||||
| 610 | 985381 | |||
| Nessuna informazione disponibile, non ordinabile | ||||
| 611 | 985382 | |||
| Nessuna informazione disponibile, non ordinabile | ||||
| 612 | 985384 | |||
| Nessuna informazione disponibile, non ordinabile | ||||
| 613 | 985385 | |||
| Nessuna informazione disponibile, non ordinabile | ||||
| 614 | 985386 | |||