Qui troverai tutte le parti e i disegni disponibili di “Hikoki DH28PBY”. Da qui puoi ordinare direttamente tutte le parti desiderate. Molte parti devono essere ordinate dal produttore, a seconda della marca, ciò richiede da una a quattro settimane. Tutte le informazioni che abbiamo sono sul nostro sito web, non possiamo consigliarti su ciò di cui hai bisogno, per questo dovrai restituire la macchina per la riparazione. Nota quanto segue al momento dell’ordinazione:
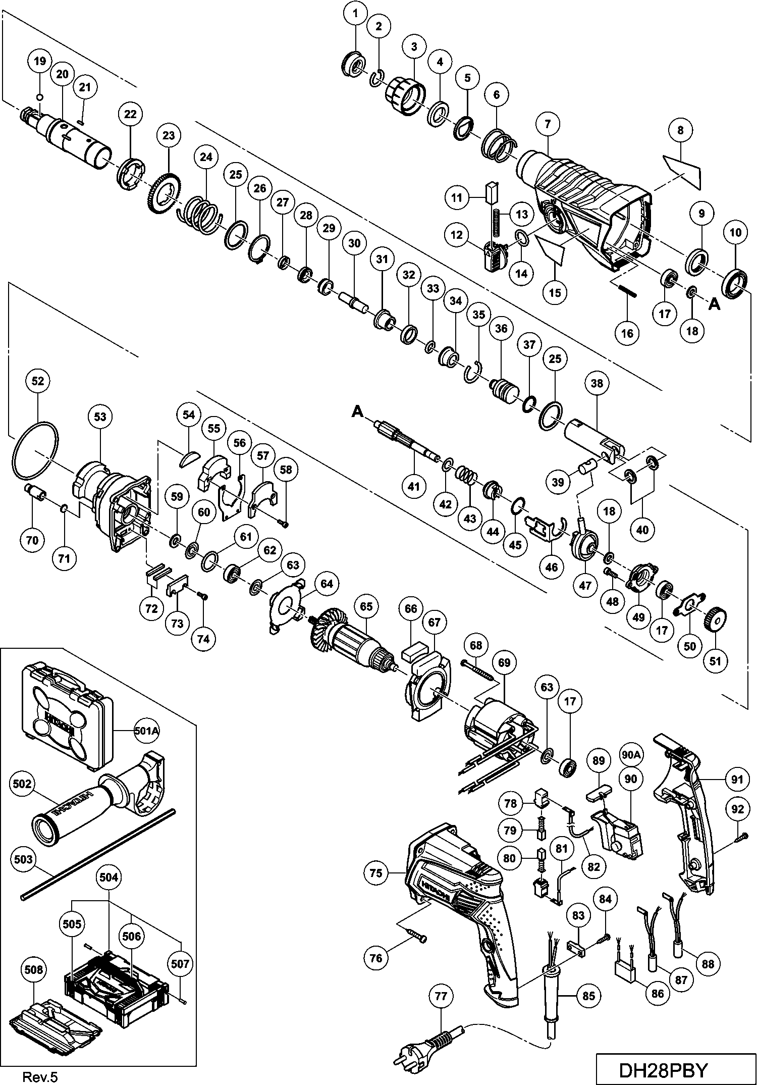
Disegni tecnici di Hikoki DH28PBY
Elenco parti di Hikoki DH28PBY
| Pos. | Descrizione | Prezzo IVA escl | Prezzo IVA incl | |
| I prezzi indicati sono comprensivi di IVA | ||||
| Cappuccio frontale H45ma/h60ma/mb H45mr | ||||
| 1 | 322239 | 2.70 | 3.29 | |
| Anello di bloccaggio | ||||
| 2 | 306340 | 1.35 | 1.65 | |
| Impugnatura | ||||
| 3 | 324527 | 3.30 | 4.03 | |
| Porta-palla | ||||
| 4 | 324528 | 6.45 | 7.87 | |
| Piastra di supporto | ||||
| 5 | 324526 | 3.30 | 4.03 | |
| Molla | ||||
| 6 | 322812 | 1.65 | 2.01 | |
| COPERTURA DEL CASETTO DI INGRANAGGI | ||||
| 7 | 335258 | 19.80 | 24.16 | |
| Guarnizione dell'olio | ||||
| 9 | 335259 | 2.85 | 3.48 | |
| Cuscinetto a sfere 6805dd | ||||
| 10 | 335260 | 3.30 | 4.03 | |
| Pulsante AGC 18 | ||||
| 11 | 322789 | 4.80 | 5.86 | |
| Leva di cambio | ||||
| 12 | 334011 | 2.10 | 2.56 | |
| Molla di spinta | ||||
| 13 | 317223 | 1.65 | 2.01 | |
| O-RING (S-18) | ||||
| 14 | 878885 | 1.05 | 1.28 | |
| Molla (e) | ||||
| 16 | 335800 | 1.04 | 1.27 | |
| Cuscinetto a sfere 608vvmc2eps2l | ||||
| 17 | 608VVM | 5.70 | 6.95 | |
| Rondella di Cuscinetto | ||||
| 18 | 335250 | 1.04 | 1.27 | |
| Pallina in acciaio D7.0 (10 Pz.) | ||||
| 19 | 335300 | 1.04 | 1.27 | |
| CILINDRO | ||||
| 20 | 335261 | 22.28 | 27.18 | |
| PIN D2.5 | ||||
| 21 | 335264 | 1.04 | 1.27 | |
| Frizione del cilindro | ||||
| 22 | 335263 | 12.45 | 15.19 | |
| Secondo ingranaggio | ||||
| 23 | 335265 | 6.15 | 7.50 | |
| Molla (a) | ||||
| 24 | 335266 | 1.50 | 1.83 | |
| Rondella | ||||
| 25 | 301679 | 1.20 | 1.46 | |
| Anello di ritenzione tipo C | ||||
| 26 | 948310 | 1.35 | 1.65 | |
| Guarnizione olio (A) | ||||
| 27 | 335262 | 1.80 | 2.20 | |
| Portamartello (c) | ||||
| 28 | 335268 | 9.60 | 11.71 | |
| Manica (fw) | ||||
| 29 | 335795 | 4.20 | 5.12 | |
| Secondo martello | ||||
| 30 | 335269 | 3.90 | 4.76 | |
| Portamartello (a) | ||||
| 31 | 335267 | 3.00 | 3.66 | |
| ANELLO DI SMORZAMENTO (A) | ||||
| 32 | 322805 | 1.65 | 2.01 | |
| Anello O (c) Dh40ma/mb/mr | ||||
| 33 | 322808 | 1.65 | 2.01 | |
| Supporto dell'ammortizzatore | ||||
| 34 | 324524 | 6.45 | 7.87 | |
| ANELLO FERMATORE | ||||
| 35 | 322807 | 1.65 | 2.01 | |
| Percussore | ||||
| 36 | 335246 | 4.20 | 5.12 | |
| Anello O D17 | ||||
| 37 | 335247 | 2.55 | 3.11 | |
| PISTONE | ||||
| 38 | 335255 | 1.04 | 1.27 | |
| Spinotto Dh 38ms | ||||
| 39 | 335793 | 3.15 | 3.84 | |
| Anello del pistone | ||||
| 40 | 335794 | 1.20 | 1.46 | |
| Secondo albero | ||||
| 41 | 335248 | 6.15 | 7.50 | |
| Rondella (c) | ||||
| 42 | 335251 | 1.04 | 1.27 | |
| Molla frizione | ||||
| 43 | 323182 | 1.65 | 2.01 | |
| Frizione | ||||
| 44 | 335254 | 3.90 | 4.76 | |
| Rondella | ||||
| 45 | 331315 | 1.05 | 1.28 | |
| Piastra di Cambio | ||||
| 46 | 335252 | 1.04 | 1.27 | |
| Cuscinetto alternativo | ||||
| 47 | 335249 | 13.65 | 16.65 | |
| Vite a brugola M5x16 (vecchio 984509) | ||||
| 48 | 990079 | 1.05 | 1.28 | |
| Portacuscinetti | ||||
| 49 | 335270 | 11.40 | 13.91 | |
| Copricuscinetto | ||||
| 50 | 335271 | 1.04 | 1.27 | |
| Primo Ingranaggio | ||||
| 51 | 335253 | 6.75 | 8.24 | |
| Anello O D72.2 | ||||
| 52 | 335245 | 1.20 | 1.46 | |
| Coperchio interno | ||||
| 53 | 335798 | 9.75 | 11.90 | |
| Ammortizzatore di Peso (a) | ||||
| 54 | 335285 | 1.04 | 1.27 | |
| Peso (a) | ||||
| 55 | 335280 | 3.75 | 4.58 | |
| molla a balestra | ||||
| 56 | 335282 | 1.04 | 1.27 | |
| Peso (b) | ||||
| 57 | 335281 | 1.95 | 2.38 | |
| Vite esagonale Seal Lock M3x8 | ||||
| 58 | 325241 | 1.65 | 2.01 | |
| Imballaggio Di Feltro | ||||
| 59 | 322816 | 1.65 | 2.01 | |
| Rondella di tenuta per Wh14 | ||||
| 60 | 322818 | 3.30 | 4.03 | |
| O-ring (p-22) | ||||
| 61 | 876796 | 1.05 | 1.28 | |
| Cuscinetto a sfere 608ddmc2eps2s | ||||
| 62 | 608DDM | 5.55 | 6.77 | |
| Rondella (a) | ||||
| 63 | 982631 | 1.04 | 1.27 | |
| Piastra di copertura | ||||
| 64 | 335279 | 1.04 | 1.27 | |
| ANKER 110-127 VOLT | ||||
| 65 | 360961U | 26.95 | 32.88 | |
| Indotto 220-230 Volt | ||||
| 65 | 360961E | 24.48 | 29.86 | |
| Ammortizzatore di peso (b) | ||||
| 66 | 335286 | 1.04 | 1.27 | |
| Guida del ventilatore | ||||
| 67 | 335244 | 1.04 | 1.27 | |
| Vite di taglio a testa esagonale D4x50 | ||||
| 68 | 961672 | 1.04 | 1.27 | |
| VELD 110 VOLT | ||||
| 69 | 340827C | 19.80 | 24.16 | |
| Stator 220v-230v H-90sa Includ.103 Per Nzl,saf | ||||
| 69 | 340850E | 17.33 | 21.14 | |
| VELD 110-127 VOLT | ||||
| 69 | 340850C | 16.17 | 19.73 | |
| Cappuccio d'aria | ||||
| 70 | 334008 | 1.20 | 1.46 | |
| Imballaggio Di Feltro | ||||
| 71 | 324543 | 1.65 | 2.01 | |
| Ammortizzatore a Molla | ||||
| 72 | 335284 | 1.04 | 1.27 | |
| Portamolla | ||||
| 73 | 335283 | 1.04 | 1.27 | |
| Blocco del sigillo Vite a brugola M4x12 | ||||
| 74 | 983162 | 1.05 | 1.28 | |
| Cassetta del rivestimento DUO 110 - Set | ||||
| 75 | 335241 | 9.60 | 11.71 | |
| VITE C M4X35 | ||||
| 76 | 301654 | 1.05 | 1.28 | |
| Cavo 4m 2 X 1,0 H07rn-f W/spina 16a Cee Form 2p+e | ||||
| 77 | 500465Z | 37.95 | 46.30 | |
| Cavo di 5m 2 X 1,0 W/Plug 13a/250v Per Gbr | ||||
| 77 | 500440Z | 20.49 | 24.99 | |
| Portaspazzole di Carbone | ||||
| 78 | 955203 | 2.40 | 2.93 | |
| Spazzola di carbone (1 paio) | ||||
| 79 | 999041 | 4.50 | 5.49 | |
| Spazzole di Carbonio Auto-disconnettenti (2 pezzi) | ||||
| 80 | 999072 | 14.40 | 17.57 | |
| Cavo interno (a) (blu) | ||||
| 81 | 324538 | 4.35 | 5.31 | |
| Cablaggio (a) Marrone | ||||
| 82 | 324537 | 4.35 | 5.31 | |
| Strip di serraggio (vecchio 994566) | ||||
| 83 | 937631 | 1.04 | 1.27 | |
| Nessuna informazione disponibile, non ordinabile | ||||
| 84 | 984750 | |||
| Protezione cavo D8.8 | ||||
| 85 | 380090 | 1.04 | 1.27 | |
| Boccola del cavo D10.1 | ||||
| 85 | 938051 | 1.04 | 1.27 | |
| Condensatore (vecchio 987178) | ||||
| 86 | 930039 | 1.95 | 2.38 | |
| Bobina di Soffocamento (a) Marrone | ||||
| 87 | 335857 | 1.95 | 2.38 | |
| Bobina di soffocamento (a) Blu | ||||
| 88 | 324551 | 11.55 | 14.09 | |
| Pulsante di pressione | ||||
| 89 | 322853 | 1.05 | 1.28 | |
| Interruttore | ||||
| 90 | 335796 | 17.05 | 20.80 | |
| SCHAKELAAR 110-127 VOLT | ||||
| 90A | 337388 | 18.10 | 22.08 | |
| Copertura del Manico | ||||
| 91 | 335242 | 4.35 | 5.31 | |
| Vite per foratura D4x20 con flangia (nero) | ||||
| 92 | 301653 | 1.04 | 1.27 | |
| Nessuna informazione disponibile, non ordinabile | ||||
| 501A | 337257 | |||
| MANIGLIA LATERALE | ||||
| 502 | 335273 | 8.85 | 10.80 | |
| Nessuna informazione disponibile, non ordinabile | ||||
| 503 | 310331 | |||
| Nessuna informazione disponibile, non ordinabile | ||||
| 504 | 337739 | |||
| Nessuna informazione disponibile, non ordinabile | ||||
| 505 | 336472 | |||
| Maniglia TSC 55 | ||||
| 506 | 318601 | 25.30 | 30.87 | |
| Nessuna informazione disponibile, non ordinabile | ||||
| 507 | 336474 | |||
| Nessuna informazione disponibile, non ordinabile | ||||
| 508 | 338872 | |||
| Nessuna informazione disponibile, non ordinabile | ||||
| 601 | 306885 | |||
| Nessuna informazione disponibile, non ordinabile | ||||
| 602 | 986802 | |||
| STOFVANGER | ||||
| 603 | 986803 | 6.54 | 7.98 | |
| SIGILLO | ||||
| 604 | 986804 | 3.38 | 4.12 | |
| Anello di ritenzione tipo C | ||||
| 605 | 948310 | 1.35 | 1.65 | |
| RING | ||||
| 606 | 958063 | 1.00 | 1.22 | |
| Pallina di acciaio D6.35 (10 pezzi) | ||||
| 607 | 959150 | 1.35 | 1.65 | |
| OUTER RACE | ||||
| 608 | 986805 | 4.26 | 5.20 | |
| Preso | ||||
| 609 | 986806 | 5.10 | 6.22 | |
| Adattatore per Presa (b) | ||||
| 610 | 306910 | 4.50 | 5.49 | |
| Nessuna informazione disponibile, non ordinabile | ||||
| 611 | 971787 | |||
| Non più disponibile, nessuna sostituzione | ||||
| 612 | 310778 | |||
| Nessuna informazione disponibile, non ordinabile | ||||
| 613 | 321814 | |||
| Vite a testa piatta (mano sinistra) M6x20 | ||||
| 614 | 331966 | 6.75 | 8.24 | |
| Nessuna informazione disponibile, non ordinabile | ||||
| 615 | 321813 | |||
| Nessuna informazione disponibile, non ordinabile | ||||
| 616 | 971511Z | |||
| Nessuna informazione disponibile, non ordinabile | ||||
| 617 | 971512Z | |||
| Nessuna informazione disponibile, non ordinabile | ||||
| 618 | 944477 | |||
| Nessuna informazione disponibile, non ordinabile | ||||
| 619 | 982684 | |||
| Nessuna informazione disponibile, non ordinabile | ||||
| 620 | 982685 | |||
| Nessuna informazione disponibile, non ordinabile | ||||
| 621 | 982672 | |||
| Nessuna informazione disponibile, non ordinabile | ||||
| 622 | 982673 | |||
| Nessuna informazione disponibile, non ordinabile | ||||
| 623 | 982674 | |||
| Nessuna informazione disponibile, non ordinabile | ||||
| 624 | 982686 | |||
| Nessuna informazione disponibile, non ordinabile | ||||
| 625 | 982675 | |||
| Nessuna informazione disponibile, non ordinabile | ||||
| 626 | 982687 | |||
| Nessuna informazione disponibile, non ordinabile | ||||
| 627 | 982676 | |||
| Nessuna informazione disponibile, non ordinabile | ||||
| 628 | 982688 | |||
| Nessuna informazione disponibile, non ordinabile | ||||
| 629 | 982677 | |||
| Nessuna informazione disponibile, non ordinabile | ||||
| 630 | 982689 | |||
| Nessuna informazione disponibile, non ordinabile | ||||
| 631 | 982678 | |||
| Nessuna informazione disponibile, non ordinabile | ||||
| 632 | 982690 | |||
| Nessuna informazione disponibile, non ordinabile | ||||
| 633 | 971794 | |||
| Nessuna informazione disponibile, non ordinabile | ||||
| 634 | 971795 | |||
| Nessuna informazione disponibile, non ordinabile | ||||
| 635 | 971796 | |||
| Nessuna informazione disponibile, non ordinabile | ||||
| 636 | 971797 | |||
| Nessuna informazione disponibile, non ordinabile | ||||
| 637 | 971798 | |||
| Nessuna informazione disponibile, non ordinabile | ||||
| 638 | 971799 | |||
| Nessuna informazione disponibile, non ordinabile | ||||
| 639 | 971800 | |||
| Nessuna informazione disponibile, non ordinabile | ||||
| 640 | 971801 | |||
| Nessuna informazione disponibile, non ordinabile | ||||
| 641 | 971802 | |||
| Nessuna informazione disponibile, non ordinabile | ||||
| 642 | 971803 | |||
| Nessuna informazione disponibile, non ordinabile | ||||
| 643 | 944460 | |||
| Nessuna informazione disponibile, non ordinabile | ||||
| 644 | 944461 | |||
| Nessuna informazione disponibile, non ordinabile | ||||
| 645 | 993038 | |||
| Nessuna informazione disponibile, non ordinabile | ||||
| 647 | 944500 | |||
| Nessuna informazione disponibile, non ordinabile | ||||
| 649 | 944464 | |||
| Nessuna informazione disponibile, non ordinabile | ||||
| 650 | 320859 | |||
| Nessuna informazione disponibile, non ordinabile | ||||
| 651 | 303046 | |||
| Nessuna informazione disponibile, non ordinabile | ||||
| 652 | 303044 | |||
| Nessuna informazione disponibile, non ordinabile | ||||
| 653 | 303045 | |||
| Vite a sinistra M6x22 | ||||
| 654 | 981122 | 1.35 | 1.65 | |
| Nessuna informazione disponibile, non ordinabile | ||||
| 655 | 930515 | |||
| Nessuna informazione disponibile, non ordinabile | ||||
| 656 | 302976 | |||
| Nessuna informazione disponibile, non ordinabile | ||||
| 657 | 302975 | |||
| Nessuna informazione disponibile, non ordinabile | ||||
| 658 | 303621 | |||
| Nessuna informazione disponibile, non ordinabile | ||||
| 659 | 302974 | |||
| Nessuna informazione disponibile, non ordinabile | ||||
| 660 | 302979 | |||
| Nessuna informazione disponibile, non ordinabile | ||||
| 661 | 302978 | |||
| Nessuna informazione disponibile, non ordinabile | ||||
| 662 | 303622 | |||
| Nessuna informazione disponibile, non ordinabile | ||||
| 663 | 302977 | |||
| Nessuna informazione disponibile, non ordinabile | ||||
| 664 | 303332 | |||
| Nessuna informazione disponibile, non ordinabile | ||||
| 665 | 303334 | |||
| Nessuna informazione disponibile, non ordinabile | ||||
| 666 | 303335 | |||
| Nessuna informazione disponibile, non ordinabile | ||||
| 667 | 303617 | |||
| Nessuna informazione disponibile, non ordinabile | ||||
| 668 | 303618 | |||
| Nessuna informazione disponibile, non ordinabile | ||||
| 669 | 303619 | |||
| Nessuna informazione disponibile, non ordinabile | ||||
| 670 | 303620 | |||
| Nessuna informazione disponibile, non ordinabile | ||||
| 671 | 303625 | |||
| Nessuna informazione disponibile, non ordinabile | ||||
| 672 | 303626 | |||
| Nessuna informazione disponibile, non ordinabile | ||||
| 673 | 303627 | |||
| Nessuna informazione disponibile, non ordinabile | ||||
| 674 | 303624 | |||
| Nessuna informazione disponibile, non ordinabile | ||||
| 675 | 321825 | |||
| Nessuna informazione disponibile, non ordinabile | ||||
| 676 | 303623 | |||
| Nessuna informazione disponibile, non ordinabile | ||||
| 677 | 306370 | |||
| Grasso per Martello Rotante (500g) | ||||
| 678 | 335781 | 67.24 | 82.03 | |
| Grasso per Martello Rotante (60g) | ||||
| 679 | 335782 | 13.50 | 16.47 | |