Qui troverai tutte le parti e i disegni disponibili di “Hikoki DH25PB”. Da qui puoi ordinare direttamente tutte le parti desiderate. Molte parti devono essere ordinate dal produttore, a seconda della marca, ciò richiede da una a quattro settimane. Tutte le informazioni che abbiamo sono sul nostro sito web, non possiamo consigliarti su ciò di cui hai bisogno, per questo dovrai restituire la macchina per la riparazione. Nota quanto segue al momento dell’ordinazione:
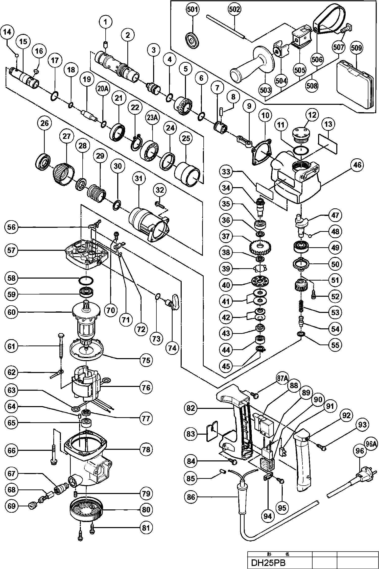
Disegni tecnici di Hikoki DH25PB
Elenco parti di Hikoki DH25PB
| Pos. | Descrizione | Prezzo IVA escl | Prezzo IVA incl | |
| I prezzi indicati sono comprensivi di IVA | ||||
| Ago Dh25pa/pb | ||||
| 1 | 318200 | 4.80 | 5.86 | |
| CILINDRO | ||||
| 2 | 318022 | 47.58 | 58.04 | |
| Colpitore | ||||
| 3 | 318024 | 14.99 | 18.28 | |
| Anello O | ||||
| 4 | 971760 | 1.05 | 1.28 | |
| Terzo Pignone | ||||
| 5 | 992933 | 37.95 | 46.30 | |
| Anello O | ||||
| 6 | 971760 | 1.05 | 1.28 | |
| PISTONE | ||||
| 7 | 992930 | 18.70 | 22.81 | |
| Spinotto Dh 38ms | ||||
| 8 | 992931 | 1.04 | 1.27 | |
| ASTA CONICA | ||||
| 9 | 318020 | 4.80 | 5.86 | |
| Guarnizione | ||||
| 10 | 980896 | 1.35 | 1.65 | |
| Anello O | ||||
| 11 | 980948 | 1.05 | 1.28 | |
| Tappo di Olio Assembly Including Part 28a | ||||
| 12 | 980880 | 1.35 | 1.65 | |
| Pallina in acciaio D7.0 (10 Pz.) | ||||
| 14 | 959156 | 1.65 | 2.01 | |
| Manicotto di ritenzione | ||||
| 15 | 318023 | 61.33 | 74.82 | |
| Chiavetta a luna G12s2/g13sd | ||||
| 16 | 318026 | 12.15 | 14.82 | |
| Anello di gomma | ||||
| 17 | 980890 | 1.05 | 1.28 | |
| Anello O | ||||
| 18 | 318199 | 1.65 | 2.01 | |
| Secondo martello | ||||
| 19 | 318025 | 10.23 | 12.47 | |
| Anello O (i.d. 10.5) | ||||
| 20A | 301680 | 2.40 | 2.93 | |
| Guarnizione dell'olio | ||||
| 21 | 318027 | 10.65 | 12.99 | |
| Anello di ritenzione tipo C | ||||
| 22 | 948310 | 1.35 | 1.65 | |
| Cuscinetto a sfere 6906t2cn | ||||
| 23A | 6906T2 | 16.64 | 20.30 | |
| Anello in uretano | ||||
| 24 | 992906 | 5.85 | 7.14 | |
| Tubo | ||||
| 25 | 980891 | 4.20 | 5.12 | |
| Cappuccio frontale H45ma/h60ma/mb H45mr | ||||
| 26 | 318028 | 3.30 | 4.03 | |
| Impugnatura | ||||
| 27 | 318029 | 4.80 | 5.86 | |
| Portapalle | ||||
| 28 | 318030 | 4.20 | 5.12 | |
| Molla | ||||
| 29 | 306342 | 3.00 | 3.66 | |
| Rondella (b) Ds9dva/ds12dva/ds14dv Ds14dva/ds14dvb | ||||
| 30 | 984118 | 1.05 | 1.28 | |
| Custodia del Cilindro | ||||
| 31 | 318021 | 15.40 | 18.79 | |
| Bullone m5x25 | ||||
| 32 | 992253 | 1.05 | 1.28 | |
| Terzo Pignone | ||||
| 34 | 992914 | 35.06 | 42.78 | |
| Cuscinetto a sfere 6001dducmps2s (vecchio 980925) | ||||
| 35 | 6001DD | 6.45 | 7.87 | |
| Rondella | ||||
| 36 | 992503 | 1.04 | 1.27 | |
| Secondo ingranaggio | ||||
| 37 | 992928 | 21.55 | 26.29 | |
| Anello di arresto | ||||
| 38 | 971087 | 1.04 | 1.27 | |
| Pallina d'acciaio D3.97 (10 pezzi) | ||||
| 39 | 959155 | 1.04 | 1.27 | |
| Piastra di frizione | ||||
| 40 | 992916 | 2.10 | 2.56 | |
| Diaframma | ||||
| 41 | 992926 | 1.05 | 1.28 | |
| Molla | ||||
| 42 | 980877 | 1.05 | 1.28 | |
| RONDINA | ||||
| 43 | 992504 | 1.04 | 1.27 | |
| Cuscinetto a sfere 608vvmc2eps2l | ||||
| 44 | 608VVM | 5.70 | 6.95 | |
| ANELLO FERMATORE | ||||
| 45 | 940079 | 1.04 | 1.27 | |
| Carter del manovella | ||||
| 46 | 980920 | 32.78 | 39.99 | |
| Albero Motore | ||||
| 47 | 318034 | 37.54 | 45.80 | |
| Pallina di acciaio D4.76 (10 pezzi) | ||||
| 48 | 959149 | 1.04 | 1.27 | |
| Cuscinetto a sfere 6202dducmps2s (vecchio 956937) | ||||
| 49 | 6202DD | 6.75 | 8.24 | |
| COPERTURA | ||||
| 50 | 980871 | 3.65 | 4.45 | |
| Primo Ingranaggio | ||||
| 51 | 992902 | 15.26 | 18.62 | |
| Vite di blocco (con rondella sp.) M4x12 | ||||
| 52 | 987203 | 1.05 | 1.28 | |
| Molla della frizione | ||||
| 53 | 992937 | 1.04 | 1.27 | |
| Asse di Accoppiamento | ||||
| 54 | 992938 | 5.40 | 6.59 | |
| Rondella di spinta | ||||
| 55 | 992506 | 1.04 | 1.27 | |
| STOPVEER | ||||
| 56 | 986276 | 1.38 | 1.68 | |
| Custodia del ingranaggio | ||||
| 57 | 992925 | 37.95 | 46.30 | |
| Anello O (S-26) | ||||
| 58 | 872470 | 1.65 | 2.01 | |
| Cuscinetto a sfere 6000dducmps2s | ||||
| 59 | 6000DD | 6.00 | 7.32 | |
| STATORE 230V | ||||
| 60 | 360505E | 119.63 | 145.94 | |
| Non più disponibile, nessuna sostituzione | ||||
| 61 | 992509 | |||
| Nessuna informazione disponibile, non ordinabile | ||||
| 62 | 318035 | |||
| Punto di contatto Portaspazzola | ||||
| 63 | 930630 | 1.35 | 1.65 | |
| PENNA DI GOMMA (VECCHIA 976441) | ||||
| 64 | 946362 | 1.05 | 1.28 | |
| Cuscinetto a sfere 626vvmc2erps2s | ||||
| 65 | 626VVM | 5.70 | 6.95 | |
| Bullone M5x45 | ||||
| 66 | 980951 | 1.05 | 1.28 | |
| Portaspazzole (vecchio 931265) | ||||
| 67 | 990721 | 3.30 | 4.03 | |
| Spazzole di Carbonio Auto-disconnettenti (2 pezzi) | ||||
| 68 | 999070 | 14.40 | 17.57 | |
| Coperchio della spazzola di carbone (vecchio 96006 | ||||
| 69 | 937847 | 1.65 | 2.01 | |
| Vite di bloccaggio M4x8 | ||||
| 70 | 991207 | 1.04 | 1.27 | |
| VEERPLAAT | ||||
| 71 | 992936 | 1.74 | 2.12 | |
| Pallina di acciaio D3.175 (10 pezzi) | ||||
| 72 | 959148 | 1.05 | 1.28 | |
| Anello O (s-8) | ||||
| 73 | 992912 | 1.05 | 1.28 | |
| Lever Ass'y di cambio | ||||
| 74 | 302140 | 18.84 | 22.98 | |
| Guida per ventilatore | ||||
| 75 | 992911 | 2.85 | 3.48 | |
| Stator Ass'y 220v incluso.63 per Tha | ||||
| 76 | 340451F | 82.50 | 100.65 | |
| Stator Ass'y 220v-240v incluso.63 | ||||
| 76 | 340451K | 69.55 | 84.85 | |
| RONDINA | ||||
| 77 | 992500 | 1.04 | 1.27 | |
| Casa (vecchio 981140) | ||||
| 78 | 986812 | 41.80 | 51.00 | |
| Vite di regolazione esagonale M5x8 | ||||
| 79 | 938477 | 1.05 | 1.28 | |
| Piastra di copertura | ||||
| 80 | 318031 | 6.45 | 7.87 | |
| Nessuna informazione disponibile, non ordinabile | ||||
| 81 | 309470 | |||
| Maniglia Dh25pa/pb | ||||
| 82 | 318018 | 19.94 | 24.32 | |
| STRISCIA | ||||
| 83 | 980900 | 1.04 | 1.27 | |
| Vite di taglio (con flangia) D5x25 (nera) | ||||
| 84 | 305558 | 1.04 | 1.27 | |
| Manicotto filettato per cavo | ||||
| 85 | 981373 | 1.05 | 1.28 | |
| Protezione cavo D8.8 | ||||
| 86 | 380090 | 1.04 | 1.27 | |
| Boccola del cavo D10.1 | ||||
| 86 | 938051 | 1.04 | 1.27 | |
| Vite Macchina M5x30 Nera | ||||
| 87A | 880881 | 1.05 | 1.28 | |
| Interruttore | ||||
| 88 | 318032 | 35.06 | 42.78 | |
| Interruttore | ||||
| 88 | 318033 | 35.06 | 42.78 | |
| Condensatore (vecchio 930030/991313) | ||||
| 89 | 994273 | 4.29 | 5.23 | |
| Porta condensatore | ||||
| 90 | 317492 | 1.65 | 2.01 | |
| Morsetto | ||||
| 91 | 938307 | 2.13 | 2.59 | |
| Copertura del Manico | ||||
| 92 | 318019 | 19.94 | 24.32 | |
| Vite per foratura D4x20 con flangia (nero) | ||||
| 93 | 301653 | 1.04 | 1.27 | |
| Strip di serraggio (vecchio 994566) | ||||
| 94 | 937631 | 1.04 | 1.27 | |
| Nessuna informazione disponibile, non ordinabile | ||||
| 95 | 984750 | |||
| Non più disponibile, nessuna sostituzione | ||||
| 96 | 500391Z | |||
| Cavo 4m 2 X 1,0 H07rn-f W/spina 16a Cee Form 2p+e | ||||
| 96A | 500465Z | 37.95 | 46.30 | |
| Nessuna informazione disponibile, non ordinabile | ||||
| 501 | 971787 | |||
| Nessuna informazione disponibile, non ordinabile | ||||
| 502 | 980906 | |||
| Nessuna informazione disponibile, non ordinabile | ||||
| 503 | 980901 | |||
| Porta pinze | ||||
| 504 | 980905 | 1.35 | 1.65 | |
| Porta maniglia | ||||
| 505 | 980902 | 7.05 | 8.60 | |
| Banda | ||||
| 506 | 980904 | 2.70 | 3.29 | |
| Bullone quadrato | ||||
| 507 | 980903 | 1.35 | 1.65 | |
| Nessuna informazione disponibile, non ordinabile | ||||
| 508 | 980939 | |||
| Nessuna informazione disponibile, non ordinabile | ||||
| 509 | 318307 | |||
| Nessuna informazione disponibile, non ordinabile | ||||
| 601 | 303571 | |||
| Nessuna informazione disponibile, non ordinabile | ||||
| 602 | 303572 | |||
| Nessuna informazione disponibile, non ordinabile | ||||
| 603 | 303573 | |||
| Nessuna informazione disponibile, non ordinabile | ||||
| 604 | 303574 | |||
| Nessuna informazione disponibile, non ordinabile | ||||
| 605 | 303575 | |||
| Nessuna informazione disponibile, non ordinabile | ||||
| 606 | 303578 | |||
| Nessuna informazione disponibile, non ordinabile | ||||
| 607 | 303576 | |||
| Nessuna informazione disponibile, non ordinabile | ||||
| 608 | 303577 | |||
| Nessuna informazione disponibile, non ordinabile | ||||
| 609 | 303579 | |||
| Nessuna informazione disponibile, non ordinabile | ||||
| 610 | 303580 | |||
| Nessuna informazione disponibile, non ordinabile | ||||
| 611 | 303581 | |||
| Nessuna informazione disponibile, non ordinabile | ||||
| 612 | 303582 | |||
| Nessuna informazione disponibile, non ordinabile | ||||
| 613 | 303583 | |||
| Nessuna informazione disponibile, non ordinabile | ||||
| 614 | 303584 | |||
| Nessuna informazione disponibile, non ordinabile | ||||
| 615 | 303585 | |||
| Nessuna informazione disponibile, non ordinabile | ||||
| 616 | 303586 | |||
| Nessuna informazione disponibile, non ordinabile | ||||
| 617 | 303587 | |||
| Nessuna informazione disponibile, non ordinabile | ||||
| 618 | 303588 | |||
| Nessuna informazione disponibile, non ordinabile | ||||
| 619 | 303604 | |||
| Nessuna informazione disponibile, non ordinabile | ||||
| 620 | 303589 | |||
| Nessuna informazione disponibile, non ordinabile | ||||
| 621 | 303605 | |||
| Nessuna informazione disponibile, non ordinabile | ||||
| 622 | 303590 | |||
| Nessuna informazione disponibile, non ordinabile | ||||
| 623 | 303591 | |||
| Nessuna informazione disponibile, non ordinabile | ||||
| 624 | 303606 | |||
| Nessuna informazione disponibile, non ordinabile | ||||
| 625 | 303592 | |||
| Nessuna informazione disponibile, non ordinabile | ||||
| 626 | 303607 | |||
| Nessuna informazione disponibile, non ordinabile | ||||
| 627 | 303593 | |||
| Nessuna informazione disponibile, non ordinabile | ||||
| 628 | 303608 | |||
| Nessuna informazione disponibile, non ordinabile | ||||
| 629 | 303594 | |||
| Nessuna informazione disponibile, non ordinabile | ||||
| 630 | 303595 | |||
| Nessuna informazione disponibile, non ordinabile | ||||
| 631 | 303596 | |||
| Nessuna informazione disponibile, non ordinabile | ||||
| 632 | 303609 | |||
| Nessuna informazione disponibile, non ordinabile | ||||
| 633 | 303597 | |||
| Nessuna informazione disponibile, non ordinabile | ||||
| 634 | 303610 | |||
| Nessuna informazione disponibile, non ordinabile | ||||
| 635 | 303598 | |||
| Nessuna informazione disponibile, non ordinabile | ||||
| 636 | 303599 | |||
| Nessuna informazione disponibile, non ordinabile | ||||
| 637 | 303611 | |||
| Nessuna informazione disponibile, non ordinabile | ||||
| 638 | 303600 | |||
| Nessuna informazione disponibile, non ordinabile | ||||
| 639 | 303601 | |||
| Nessuna informazione disponibile, non ordinabile | ||||
| 640 | 308485 | |||
| Nessuna informazione disponibile, non ordinabile | ||||
| 641 | 303602 | |||
| Nessuna informazione disponibile, non ordinabile | ||||
| 642 | 303612 | |||
| Nessuna informazione disponibile, non ordinabile | ||||
| 643 | 303603 | |||
| Nessuna informazione disponibile, non ordinabile | ||||
| 644 | 303613 | |||
| Nessuna informazione disponibile, non ordinabile | ||||
| 645 | 303614 | |||
| Nessuna informazione disponibile, non ordinabile | ||||
| 646 | 303615 | |||
| Nessuna informazione disponibile, non ordinabile | ||||
| 647 | 308486 | |||
| Nessuna informazione disponibile, non ordinabile | ||||
| 648 | 303616 | |||
| Nessuna informazione disponibile, non ordinabile | ||||
| 649 | 303619 | |||
| Nessuna informazione disponibile, non ordinabile | ||||
| 650 | 303620 | |||
| Nessuna informazione disponibile, non ordinabile | ||||
| 651 | 303624 | |||
| Nessuna informazione disponibile, non ordinabile | ||||
| 652 | 944460 | |||
| Nessuna informazione disponibile, non ordinabile | ||||
| 653 | 944461 | |||
| Nessuna informazione disponibile, non ordinabile | ||||
| 654 | 993038 | |||
| Nessuna informazione disponibile, non ordinabile | ||||
| 656 | 944500 | |||
| Nessuna informazione disponibile, non ordinabile | ||||
| 658 | 944464 | |||
| Nessuna informazione disponibile, non ordinabile | ||||
| 659 | 303617 | |||
| Nessuna informazione disponibile, non ordinabile | ||||
| 660 | 303618 | |||
| Nessuna informazione disponibile, non ordinabile | ||||
| 661 | 944477 | |||
| Nessuna informazione disponibile, non ordinabile | ||||
| 662 | 303332 | |||
| Nessuna informazione disponibile, non ordinabile | ||||
| 663 | 303334 | |||
| Nessuna informazione disponibile, non ordinabile | ||||
| 664 | 303335 | |||
| Nessuna informazione disponibile, non ordinabile | ||||
| 665 | 302976 | |||
| Nessuna informazione disponibile, non ordinabile | ||||
| 666 | 302975 | |||
| Nessuna informazione disponibile, non ordinabile | ||||
| 667 | 303621 | |||
| Nessuna informazione disponibile, non ordinabile | ||||
| 668 | 302974 | |||
| Nessuna informazione disponibile, non ordinabile | ||||
| 669 | 302979 | |||
| Nessuna informazione disponibile, non ordinabile | ||||
| 670 | 302978 | |||
| Nessuna informazione disponibile, non ordinabile | ||||
| 671 | 303622 | |||
| Nessuna informazione disponibile, non ordinabile | ||||
| 672 | 302977 | |||
| Nessuna informazione disponibile, non ordinabile | ||||
| 673 | 971794 | |||
| Nessuna informazione disponibile, non ordinabile | ||||
| 674 | 971795 | |||
| Nessuna informazione disponibile, non ordinabile | ||||
| 675 | 971796 | |||
| Nessuna informazione disponibile, non ordinabile | ||||
| 676 | 971797 | |||
| Nessuna informazione disponibile, non ordinabile | ||||
| 677 | 971798 | |||
| Nessuna informazione disponibile, non ordinabile | ||||
| 678 | 971799 | |||
| Nessuna informazione disponibile, non ordinabile | ||||
| 679 | 971800 | |||
| Nessuna informazione disponibile, non ordinabile | ||||
| 680 | 971801 | |||
| Nessuna informazione disponibile, non ordinabile | ||||
| 681 | 971802 | |||
| Nessuna informazione disponibile, non ordinabile | ||||
| 682 | 971803 | |||
| Nessuna informazione disponibile, non ordinabile | ||||
| 683 | 303044 | |||
| Nessuna informazione disponibile, non ordinabile | ||||
| 684 | 303045 | |||
| Nessuna informazione disponibile, non ordinabile | ||||
| 685 | 321813 | |||
| Nessuna informazione disponibile, non ordinabile | ||||
| 686 | 930515 | |||
| Nessuna informazione disponibile, non ordinabile | ||||
| 687 | 303623 | |||
| Nessuna informazione disponibile, non ordinabile | ||||
| 688 | 982672 | |||
| Nessuna informazione disponibile, non ordinabile | ||||
| 689 | 982673 | |||
| Nessuna informazione disponibile, non ordinabile | ||||
| 690 | 982674 | |||
| Nessuna informazione disponibile, non ordinabile | ||||
| 691 | 982675 | |||
| Nessuna informazione disponibile, non ordinabile | ||||
| 692 | 982676 | |||
| Nessuna informazione disponibile, non ordinabile | ||||
| 693 | 982677 | |||
| Nessuna informazione disponibile, non ordinabile | ||||
| 694 | 982678 | |||
| Nessuna informazione disponibile, non ordinabile | ||||
| 695 | 982679 | |||
| Nessuna informazione disponibile, non ordinabile | ||||
| 696 | 982680 | |||
| Nessuna informazione disponibile, non ordinabile | ||||
| 697 | 982681 | |||
| Nessuna informazione disponibile, non ordinabile | ||||
| 698 | 982686 | |||
| Nessuna informazione disponibile, non ordinabile | ||||
| 699 | 982687 | |||
| Nessuna informazione disponibile, non ordinabile | ||||
| 700 | 982688 | |||
| Nessuna informazione disponibile, non ordinabile | ||||
| 701 | 982689 | |||
| Nessuna informazione disponibile, non ordinabile | ||||
| 702 | 982690 | |||
| Nessuna informazione disponibile, non ordinabile | ||||
| 703 | 982691 | |||
| Nessuna informazione disponibile, non ordinabile | ||||
| 704 | 982692 | |||
| Nessuna informazione disponibile, non ordinabile | ||||
| 705 | 982693 | |||
| Nessuna informazione disponibile, non ordinabile | ||||
| 706 | 982684 | |||
| Nessuna informazione disponibile, non ordinabile | ||||
| 707 | 982685 | |||
| Nessuna informazione disponibile, non ordinabile | ||||
| 708 | 303625 | |||
| Nessuna informazione disponibile, non ordinabile | ||||
| 709 | 303626 | |||
| Nessuna informazione disponibile, non ordinabile | ||||
| 710 | 303627 | |||
| Nessuna informazione disponibile, non ordinabile | ||||
| 711 | 303046 | |||
| Nessuna informazione disponibile, non ordinabile | ||||
| 712 | 306885 | |||
| Adattatore per Presa (b) | ||||
| 713 | 306910 | 4.50 | 5.49 | |
| Grasso (tubo da 30 Grammi) | ||||
| 714 | 981840 | 8.40 | 10.25 | |
| Grasso per martello. Trapano a percussione (70g) | ||||
| 715 | 308471 | 12.75 | 15.56 | |
| Grasso (barattolo da 500 grammi) | ||||
| 716 | 980927 | 73.01 | 89.08 | |