Qui troverai tutte le parti e i disegni disponibili di “Hikoki DH25DAL”. Da qui puoi ordinare direttamente tutte le parti desiderate. Molte parti devono essere ordinate dal produttore, a seconda della marca, ciò richiede da una a quattro settimane. Tutte le informazioni che abbiamo sono sul nostro sito web, non possiamo consigliarti su ciò di cui hai bisogno, per questo dovrai restituire la macchina per la riparazione. Nota quanto segue al momento dell’ordinazione:
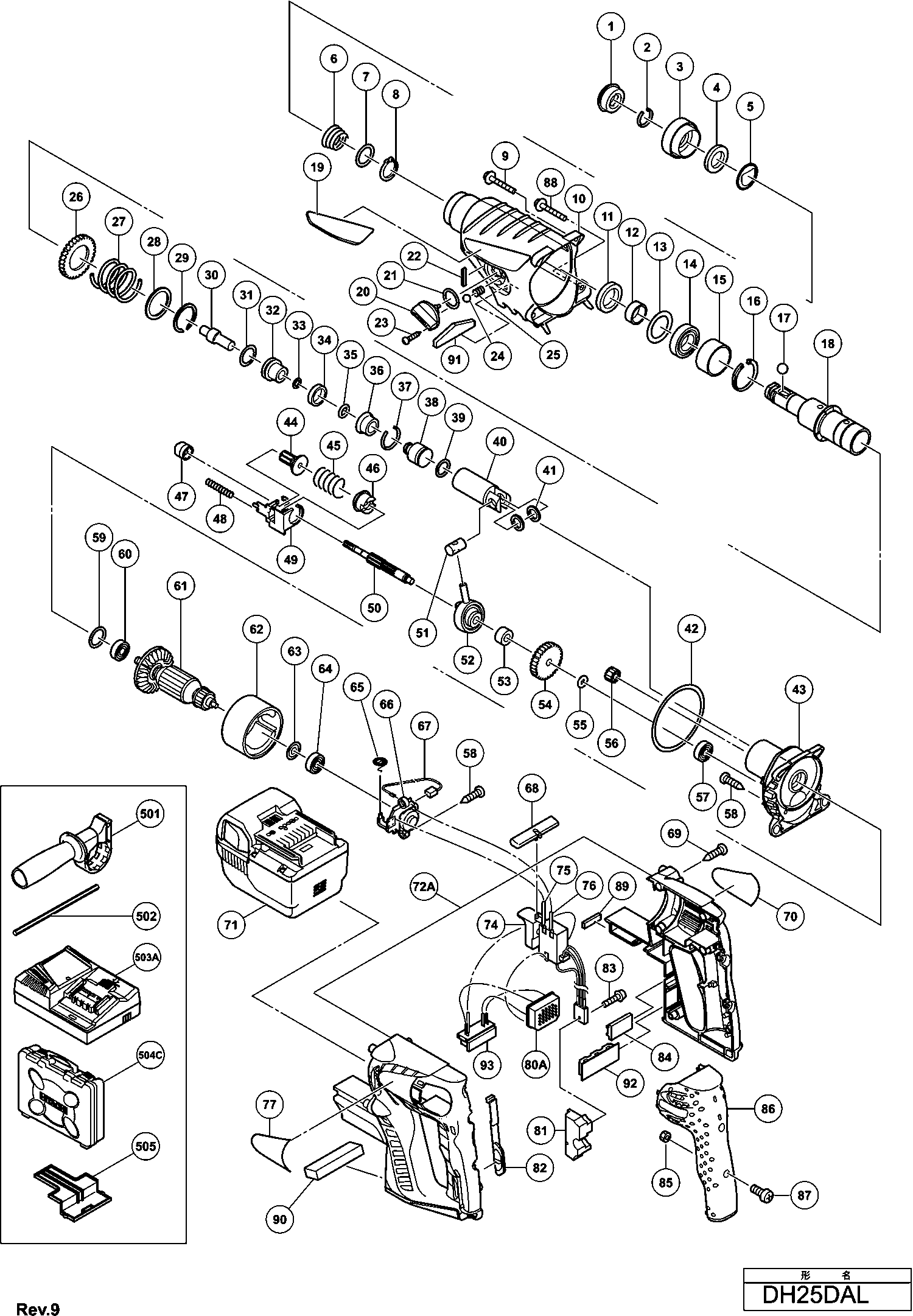
Disegni tecnici di Hikoki DH25DAL
Elenco parti di Hikoki DH25DAL
| Pos. | Descrizione | Prezzo IVA escl | Prezzo IVA incl | |
| I prezzi indicati sono comprensivi di IVA | ||||
| Nessuna informazione disponibile, non ordinabile | ||||
| 1 | 306345 | |||
| Anello di bloccaggio | ||||
| 2 | 306340 | 1.35 | 1.65 | |
| Impugnatura | ||||
| 3 | 323154 | 4.80 | 5.86 | |
| Porta-palla | ||||
| 4 | 324528 | 6.45 | 7.87 | |
| Piastra di supporto | ||||
| 5 | 324526 | 3.30 | 4.03 | |
| Molla | ||||
| 6 | 322812 | 1.65 | 2.01 | |
| Rondella (b) Ds9dva/ds12dva/ds14dv Ds14dva/ds14dvb | ||||
| 7 | 984118 | 1.05 | 1.28 | |
| Anello di ritenzione D20 (10 pezzi) | ||||
| 8 | 939547 | 3.90 | 4.76 | |
| Vite di taglio (con flangia) D5x25 (nera) | ||||
| 9 | 305558 | 1.04 | 1.27 | |
| Nessuna informazione disponibile, non ordinabile | ||||
| 10 | 325555 | |||
| Guarnizione dell'olio | ||||
| 11 | 307688 | 3.90 | 4.76 | |
| MANICOTTO ESATRICO | ||||
| 12 | 322815 | 1.65 | 2.01 | |
| Imballaggio Di Feltro | ||||
| 13 | 323232 | 1.65 | 2.01 | |
| Nessuna informazione disponibile, non ordinabile | ||||
| 14 | 6904DD | |||
| BUS (A) | ||||
| 15 | 324522 | 3.30 | 4.03 | |
| Rondella elastica 37MM | ||||
| 16 | 322813 | 1.65 | 2.01 | |
| Pallina in acciaio D7.0 (10 Pz.) | ||||
| 17 | 959156 | 1.65 | 2.01 | |
| CILINDRO | ||||
| 18 | 323184 | 81.68 | 99.64 | |
| Piastra del marchio (verde) | ||||
| 19 | 323172 | 4.05 | 4.94 | |
| Leva di cambio | ||||
| 20 | 325551 | 4.20 | 5.12 | |
| O-RING (S-18) | ||||
| 21 | 878885 | 1.05 | 1.28 | |
| Imballaggio Di Feltro | ||||
| 22 | 325554 | 1.05 | 1.28 | |
| Vite filettata D2.6x10 | ||||
| 23 | 323239 | 1.65 | 2.01 | |
| Pallina d'acciaio D3.97 (10 pezzi) | ||||
| 24 | 959155 | 1.04 | 1.27 | |
| Molla (vedi 984123) | ||||
| 25 | 981328 | 1.05 | 1.28 | |
| Secondo ingranaggio | ||||
| 26 | 323185 | 20.21 | 24.66 | |
| Molla (a) Dh18vb | ||||
| 27 | 317233 | 7.35 | 8.97 | |
| Rondella (a) | ||||
| 28 | 317234 | 3.30 | 4.03 | |
| Anello di ritenzione D30 | ||||
| 29 | 317235 | 1.65 | 2.01 | |
| Secondo Martello | ||||
| 30 | 324525 | 6.45 | 7.87 | |
| Anello O (1ap-20) | ||||
| 31 | 944486 | 1.05 | 1.28 | |
| Portamartello | ||||
| 32 | 324523 | 11.55 | 14.09 | |
| Anello O (b) | ||||
| 33 | 322802 | 3.30 | 4.03 | |
| ANELLO DI SMORZAMENTO (A) | ||||
| 34 | 322805 | 1.65 | 2.01 | |
| Anello O (c) Dh40ma/mb/mr | ||||
| 35 | 322808 | 1.65 | 2.01 | |
| Supporto dell'ammortizzatore | ||||
| 36 | 324524 | 6.45 | 7.87 | |
| ANELLO FERMATORE | ||||
| 37 | 322807 | 1.65 | 2.01 | |
| Battitore | ||||
| 38 | 324535 | 10.20 | 12.44 | |
| Anello O | ||||
| 39 | 322834 | 3.30 | 4.03 | |
| PISTONE | ||||
| 40 | 324534 | 16.36 | 19.96 | |
| Rondella (c) | ||||
| 41 | 322799 | 1.65 | 2.01 | |
| Anello O (i.d. 72) | ||||
| 42 | 325254 | 3.30 | 4.03 | |
| Coperchio interno | ||||
| 43 | 323157 | 21.45 | 26.17 | |
| Secondo ingranaggio | ||||
| 44 | 323181 | 18.15 | 22.14 | |
| Molla frizione | ||||
| 45 | 323182 | 1.65 | 2.01 | |
| Fruizione | ||||
| 46 | 324606 | 14.03 | 17.11 | |
| Manicotto pignone | ||||
| 47 | 323249 | 46.75 | 57.04 | |
| Molla (c) | ||||
| 48 | 325556 | 1.50 | 1.83 | |
| Piastra di bloccaggio | ||||
| 49 | 325553 | 42.49 | 51.83 | |
| Secondo albero (a) | ||||
| 50 | 325552 | 28.60 | 34.89 | |
| Perno del pistone | ||||
| 51 | 322798 | 1.65 | 2.01 | |
| Cuscinetto Alternativo | ||||
| 52 | 324533 | 37.95 | 46.30 | |
| Rondella | ||||
| 53 | 323152 | 4.80 | 5.86 | |
| Primo Ingranaggio | ||||
| 54 | 323153 | 20.76 | 25.33 | |
| Anello di distanza AU 43 FF | ||||
| 55 | 301663 | 1.04 | 1.27 | |
| INGRANAGGIO | ||||
| 56 | 323170 | 5.40 | 6.59 | |
| Cuscinetto a sfere 626vvmc2erps2s | ||||
| 57 | 626VVM | 5.70 | 6.95 | |
| Vite Autofilettante (con flangia) D4x16 (nero) | ||||
| 58 | 305812 | 1.04 | 1.27 | |
| O-ring (p-22) | ||||
| 59 | 876796 | 1.05 | 1.28 | |
| Cuscinetto a sfere 608ddmc2eps2s | ||||
| 60 | 608DDM | 5.55 | 6.77 | |
| SET DI ANCHOR & INGRANAGGI DC 25.2V | ||||
| 61 | 360814 | 68.48 | 83.54 | |
| Magnete | ||||
| 62 | 323156 | 24.68 | 30.10 | |
| Rondella (a) | ||||
| 63 | 982631 | 1.04 | 1.27 | |
| Cuscinetto a sfere 608ddmc2eps2s | ||||
| 64 | 608DDM | 5.55 | 6.77 | |
| Molla | ||||
| 65 | 308536 | 1.65 | 2.01 | |
| Portaspazzole di Carbone | ||||
| 66 | 323164 | 4.05 | 4.94 | |
| Spazzole di Carbonio Auto-Fermo (2 Pezzi) | ||||
| 67 | 999090 | 14.40 | 17.57 | |
| Pulsante di pressione | ||||
| 68 | 328064 | 1.05 | 1.28 | |
| Vite a tagliente (con flangia) D4x20 (nero) | ||||
| 69 | 302086 | 1.05 | 1.28 | |
| Nessuna informazione disponibile, non ordinabile | ||||
| 71 | 328033 | |||
| Custodia (a).(b) Set | ||||
| 72A | 328514 | 38.09 | 46.47 | |
| Interruttore | ||||
| 74 | 328058 | 22.83 | 27.85 | |
| Cablaggio interno (rosso) | ||||
| 75 | 323166 | 1.20 | 1.46 | |
| Cavo interno (nero) 75l | ||||
| 76 | 323165 | 1.35 | 1.65 | |
| SET TERMINALE CONTROLLER | ||||
| 80A | 328060 | 36.30 | 44.29 | |
| Dissipatore di Calore Cr24dv/dv24dv | ||||
| 81 | 319812 | 2.85 | 3.48 | |
| Pomello del cambio | ||||
| 82 | 323159 | 1.20 | 1.46 | |
| Vite della macchina M3x12 | ||||
| 83 | 993963 | 1.05 | 1.28 | |
| Porta in gomma (fino al 04.2010) | ||||
| 84 | 313591 | 3.15 | 3.84 | |
| Dado M4 (10 Pezzi) | ||||
| 85 | 949554 | 1.05 | 1.28 | |
| Impugnatura | ||||
| 86 | 323160 | 19.94 | 24.32 | |
| Vite per macchina M4x8 (10 pezzi) | ||||
| 87 | 949215 | 1.05 | 1.28 | |
| Vite di battuta (con flangia) D5x30 (nero) | ||||
| 88 | 328707 | 1.05 | 1.28 | |
| Cuscino C18dmr | ||||
| 89 | 328708 | 2.10 | 2.56 | |
| Guarnizione | ||||
| 90 | 331415 | 1.20 | 1.46 | |
| Imballaggio (c) | ||||
| 91 | 333144 | 1.05 | 1.28 | |
| Cuscino di gomma | ||||
| 92 | 332668 | 2.10 | 2.56 | |
| Terminal della batteria | ||||
| 93 | 333991 | 4.20 | 5.12 | |
| Nessuna informazione disponibile, non ordinabile | ||||
| 501 | 323155 | |||
| Nessuna informazione disponibile, non ordinabile | ||||
| 502 | 303709 | |||
| Nessuna informazione disponibile, non ordinabile | ||||
| 504B | 329319 | |||
| Nessuna informazione disponibile, non ordinabile | ||||
| 504C | 337814 | |||
| Cappuccio di protezione per batteria | ||||
| 505 | 329897 | 1.80 | 2.20 | |
| Nessuna informazione disponibile, non ordinabile | ||||
| 601 | 303332 | |||
| Nessuna informazione disponibile, non ordinabile | ||||
| 602 | 303334 | |||
| Nessuna informazione disponibile, non ordinabile | ||||
| 603 | 303335 | |||
| Nessuna informazione disponibile, non ordinabile | ||||
| 604 | 321825 | |||
| Nessuna informazione disponibile, non ordinabile | ||||
| 605 | 303623 | |||
| Nessuna informazione disponibile, non ordinabile | ||||
| 606 | 321814 | |||
| Nessuna informazione disponibile, non ordinabile | ||||
| 607 | 995344 | |||
| Nessuna informazione disponibile, non ordinabile | ||||
| 608 | 987576 | |||
| Nessuna informazione disponibile, non ordinabile | ||||
| 609 | 321813 | |||
| Nessuna informazione disponibile, non ordinabile | ||||
| 610 | 303334 | |||
| Nessuna informazione disponibile, non ordinabile | ||||
| 611 | 971787 | |||
| Nessuna informazione disponibile, non ordinabile | ||||
| 612 | 931844 | |||
| Nessuna informazione disponibile, non ordinabile | ||||
| 613 | 971511Z | |||
| Nessuna informazione disponibile, non ordinabile | ||||
| 614 | 971512Z | |||
| Nessuna informazione disponibile, non ordinabile | ||||
| 615 | 971795 | |||
| Nessuna informazione disponibile, non ordinabile | ||||
| 616 | 971796 | |||
| Nessuna informazione disponibile, non ordinabile | ||||
| 617 | 971797 | |||
| Nessuna informazione disponibile, non ordinabile | ||||
| 618 | 971798 | |||
| Nessuna informazione disponibile, non ordinabile | ||||
| 619 | 971799 | |||
| Nessuna informazione disponibile, non ordinabile | ||||
| 620 | 971800 | |||
| Nessuna informazione disponibile, non ordinabile | ||||
| 621 | 971801 | |||
| Nessuna informazione disponibile, non ordinabile | ||||
| 622 | 971802 | |||
| Nessuna informazione disponibile, non ordinabile | ||||
| 623 | 971803 | |||
| Nessuna informazione disponibile, non ordinabile | ||||
| 624 | 971803 | |||
| Nessuna informazione disponibile, non ordinabile | ||||
| 625 | 944477 | |||
| Nessuna informazione disponibile, non ordinabile | ||||
| 626 | 303617 | |||
| Nessuna informazione disponibile, non ordinabile | ||||
| 627 | 303619 | |||
| Nessuna informazione disponibile, non ordinabile | ||||
| 628 | 303620 | |||
| Nessuna informazione disponibile, non ordinabile | ||||
| 629 | 303624 | |||
| Nessuna informazione disponibile, non ordinabile | ||||
| 630 | 302976 | |||
| Nessuna informazione disponibile, non ordinabile | ||||
| 631 | 302975 | |||
| Nessuna informazione disponibile, non ordinabile | ||||
| 632 | 303621 | |||
| Nessuna informazione disponibile, non ordinabile | ||||
| 633 | 302974 | |||
| Nessuna informazione disponibile, non ordinabile | ||||
| 634 | 302979 | |||
| Nessuna informazione disponibile, non ordinabile | ||||
| 635 | 302978 | |||
| Nessuna informazione disponibile, non ordinabile | ||||
| 636 | 303622 | |||
| Nessuna informazione disponibile, non ordinabile | ||||
| 637 | 302977 | |||
| Nessuna informazione disponibile, non ordinabile | ||||
| 638 | 303044 | |||
| Nessuna informazione disponibile, non ordinabile | ||||
| 639 | 303045 | |||
| Nessuna informazione disponibile, non ordinabile | ||||
| 640 | 303625 | |||
| Nessuna informazione disponibile, non ordinabile | ||||
| 641 | 303626 | |||
| Nessuna informazione disponibile, non ordinabile | ||||
| 642 | 303627 | |||
| Nessuna informazione disponibile, non ordinabile | ||||
| 643 | 306885 | |||
| Adattatore per Presa (b) | ||||
| 644 | 306910 | 4.50 | 5.49 | |
| Nessuna informazione disponibile, non ordinabile | ||||
| 645 | 944460 | |||
| Nessuna informazione disponibile, non ordinabile | ||||
| 646 | 944461 | |||
| Nessuna informazione disponibile, non ordinabile | ||||
| 647 | 993038 | |||
| Nessuna informazione disponibile, non ordinabile | ||||
| 649 | 944500 | |||
| Nessuna informazione disponibile, non ordinabile | ||||
| 651 | 944464 | |||
| Nessuna informazione disponibile, non ordinabile | ||||
| 652 | 982672 | |||
| Nessuna informazione disponibile, non ordinabile | ||||
| 653 | 982673 | |||
| Nessuna informazione disponibile, non ordinabile | ||||
| 654 | 982674 | |||
| Nessuna informazione disponibile, non ordinabile | ||||
| 655 | 982686 | |||
| Nessuna informazione disponibile, non ordinabile | ||||
| 656 | 982675 | |||
| Nessuna informazione disponibile, non ordinabile | ||||
| 657 | 982687 | |||
| Nessuna informazione disponibile, non ordinabile | ||||
| 658 | 982676 | |||
| Nessuna informazione disponibile, non ordinabile | ||||
| 659 | 982688 | |||
| Nessuna informazione disponibile, non ordinabile | ||||
| 660 | 982677 | |||
| Nessuna informazione disponibile, non ordinabile | ||||
| 661 | 982689 | |||
| Nessuna informazione disponibile, non ordinabile | ||||
| 662 | 982678 | |||
| Nessuna informazione disponibile, non ordinabile | ||||
| 663 | 982690 | |||
| Nessuna informazione disponibile, non ordinabile | ||||
| 664 | 982684 | |||
| Nessuna informazione disponibile, non ordinabile | ||||
| 665 | 982685 | |||
| Grasso (tubo da 30 Grammi) | ||||
| 666 | 981840 | 8.40 | 10.25 | |
| Grasso per martello. Trapano a percussione (70g) | ||||
| 667 | 308471 | 12.75 | 15.56 | |
| Grasso (barattolo da 500 grammi) | ||||
| 668 | 980927 | 73.01 | 89.08 | |
| Nessuna informazione disponibile, non ordinabile | ||||
| 669 | 303046 | |||
| Nessuna informazione disponibile, non ordinabile | ||||
| 670 | 325149 | |||