Qui troverai tutte le parti e i disegni disponibili di “Hikoki DC120V”. Da qui puoi ordinare direttamente tutte le parti desiderate. Molte parti devono essere ordinate dal produttore, a seconda della marca, ciò richiede da una a quattro settimane. Tutte le informazioni che abbiamo sono sul nostro sito web, non possiamo consigliarti su ciò di cui hai bisogno, per questo dovrai restituire la macchina per la riparazione. Nota quanto segue al momento dell’ordinazione:
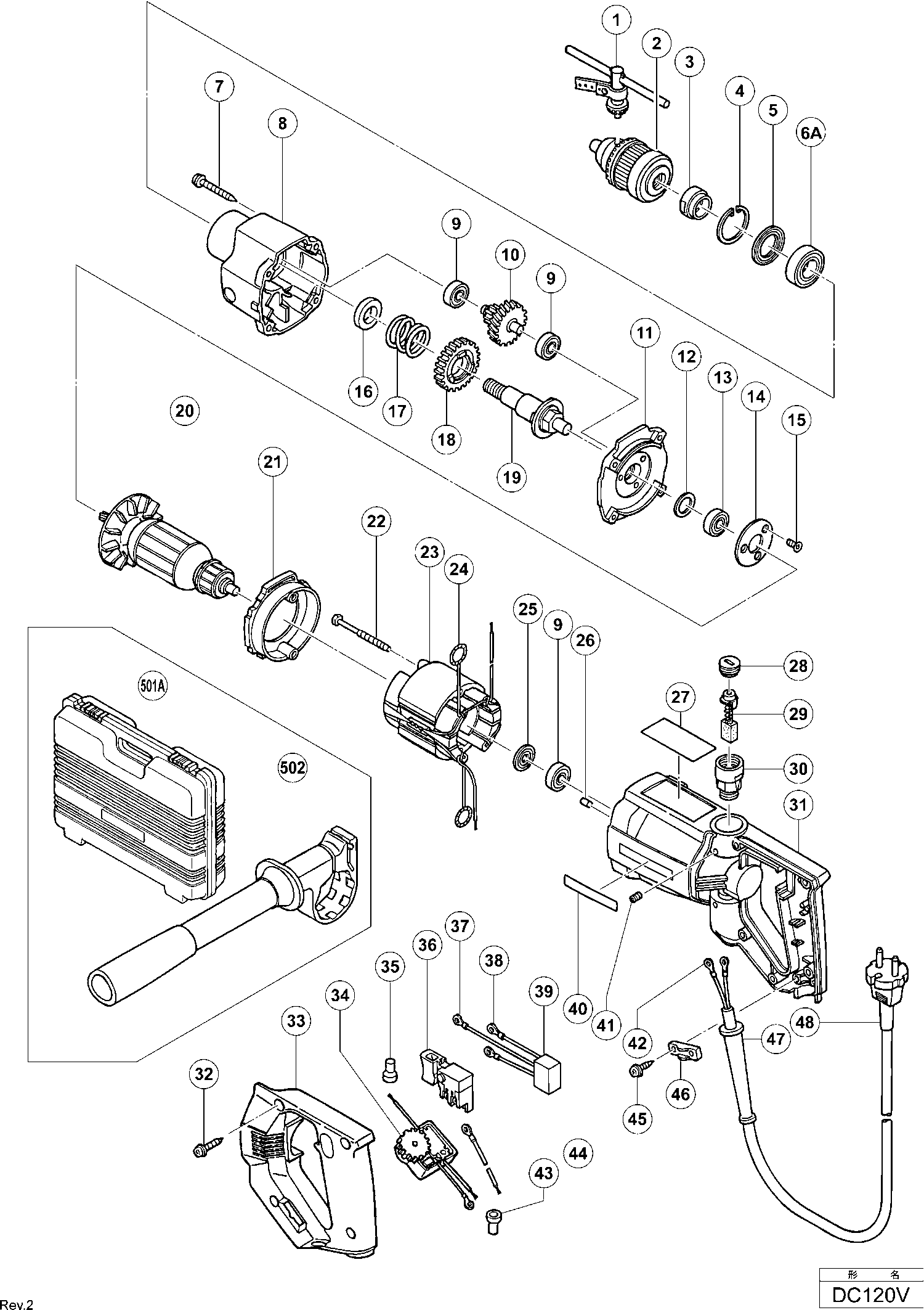
Disegni tecnici di Hikoki DC120V
Elenco parti di Hikoki DC120V
| Pos. | Descrizione | Prezzo IVA escl | Prezzo IVA incl | |
| I prezzi indicati sono comprensivi di IVA | ||||
| Nessuna informazione disponibile, non ordinabile | ||||
| 1 | 930515 | |||
| Nessuna informazione disponibile, non ordinabile | ||||
| 2 | 321816 | |||
| Dado | ||||
| 3 | 309125 | 14.70 | 17.93 | |
| Anello di Sicurezza D35 (10 Pezzi) | ||||
| 4 | 939556 | 10.20 | 12.44 | |
| Guarnizione | ||||
| 5 | 981572 | 3.30 | 4.03 | |
| Cuscinetto a sfere 6003 Dd | ||||
| 6A | 6003DD | 7.50 | 9.15 | |
| Cuscinetto a sfere 6202dducmps2s (vecchio 956937) | ||||
| 6A | 6202DD | 6.75 | 8.24 | |
| Vite D5x35 (nw 931875) | ||||
| 7 | 986140 | 1.05 | 1.28 | |
| Carcassa del ingranaggio Dc120v | ||||
| 8 | 309124 | 37.95 | 46.30 | |
| Cuscinetto a sfere 608vvmc2eps2l | ||||
| 9 | 608VVM | 5.70 | 6.95 | |
| Nessuna informazione disponibile, non ordinabile | ||||
| 10 | 309129 | |||
| Nessuna informazione disponibile, non ordinabile | ||||
| 11 | 319542 | |||
| Rondella | ||||
| 12 | 984357 | 1.05 | 1.28 | |
| Cuscinetto a sfere 609vvmc2ps2s | ||||
| 13 | 609VVM | 6.00 | 7.32 | |
| Nessuna informazione disponibile, non ordinabile | ||||
| 14 | 309132 | |||
| Vite a brugola M15x16 Hd Seal Lock | ||||
| 15 | 981588 | 1.04 | 1.27 | |
| Manica | ||||
| 16 | 300399 | 7.35 | 8.97 | |
| MANICOTTO FILETTATO | ||||
| 16 | 309128 | 6.45 | 7.87 | |
| Molla | ||||
| 17 | 309167 | 4.50 | 5.49 | |
| Ingranaggio Finale | ||||
| 18 | 309127 | 37.95 | 46.30 | |
| Nessuna informazione disponibile, non ordinabile | ||||
| 19 | 309126 | |||
| Nessuna informazione disponibile, non ordinabile | ||||
| 20 | 360342E | |||
| Guida per ventilatore | ||||
| 21 | 981562 | 2.55 | 3.11 | |
| Vite di taglio D5x60 | ||||
| 22 | 961501 | 1.04 | 1.27 | |
| STATOR ASS'Y 110 VOLT | ||||
| 23 | 340302C | 59.95 | 73.14 | |
| Punto di contatto Portaspazzola | ||||
| 24 | 930703 | 2.40 | 2.93 | |
| Anello di tenuta polvere (a) | ||||
| 25 | 956387 | 2.10 | 2.56 | |
| PENNA DI GOMMA (VECCHIA 976441) | ||||
| 26 | 946362 | 1.05 | 1.28 | |
| Cappuccio della spazzola | ||||
| 28 | 961781 | 2.55 | 3.11 | |
| Spazzola di carbone (1 paio) | ||||
| 29 | 999043 | 4.50 | 5.49 | |
| Portaspazzole di Carbone | ||||
| 30 | 981586 | 6.45 | 7.87 | |
| ALLOGGIAMENTO | ||||
| 31 | 983552 | 49.64 | 60.56 | |
| Vite per foratura D4x20 con flangia (nero) | ||||
| 32 | 301653 | 1.04 | 1.27 | |
| Nessuna informazione disponibile, non ordinabile | ||||
| 33 | 309123 | |||
| Regolatore di velocità | ||||
| 34 | 983582 | 67.10 | 81.86 | |
| Giunzione di saldatura 50091 (10 pezzi) | ||||
| 35 | 959140 | 3.30 | 4.03 | |
| Interruttore | ||||
| 36 | 302470 | 10.95 | 13.36 | |
| Scheda di contatto | ||||
| 37 | 938108 | 1.20 | 1.46 | |
| Morsetto di Connessione | ||||
| 38 | 980063 | 1.04 | 1.27 | |
| Condensatore (vecchio 930030/991313) | ||||
| 39 | 994273 | 4.29 | 5.23 | |
| Vite esagonale interna M4x6 | ||||
| 41 | 985114 | 1.05 | 1.28 | |
| Morsetto di Connessione | ||||
| 42 | 980063 | 1.04 | 1.27 | |
| Giunzione di saldatura 50092 (10 pezzi) | ||||
| 43 | 959141 | 3.75 | 4.58 | |
| Nessuna informazione disponibile, non ordinabile | ||||
| 44 | 309165 | |||
| Nessuna informazione disponibile, non ordinabile | ||||
| 45 | 984750 | |||
| MORSETTO DEL CAVO | ||||
| 46 | 960266 | 1.04 | 1.27 | |
| Nessuna informazione disponibile, non ordinabile | ||||
| 47 | 953327 | |||
| Cavo 2,5m 2 X 1.0 Senza Spina | ||||
| 48 | 500237Z | 11.40 | 13.91 | |
| Nessuna informazione disponibile, non ordinabile | ||||
| 501A | 310905 | |||
| Nessuna informazione disponibile, non ordinabile | ||||
| 502 | 309122 | |||