Qui troverai tutte le parti e i disegni disponibili di “Hikoki DA300E”. Da qui puoi ordinare direttamente tutte le parti desiderate. Molte parti devono essere ordinate dal produttore, a seconda della marca, ciò richiede da una a quattro settimane. Tutte le informazioni che abbiamo sono sul nostro sito web, non possiamo consigliarti su ciò di cui hai bisogno, per questo dovrai restituire la macchina per la riparazione. Nota quanto segue al momento dell’ordinazione:
Disegni tecnici di Hikoki DA300E
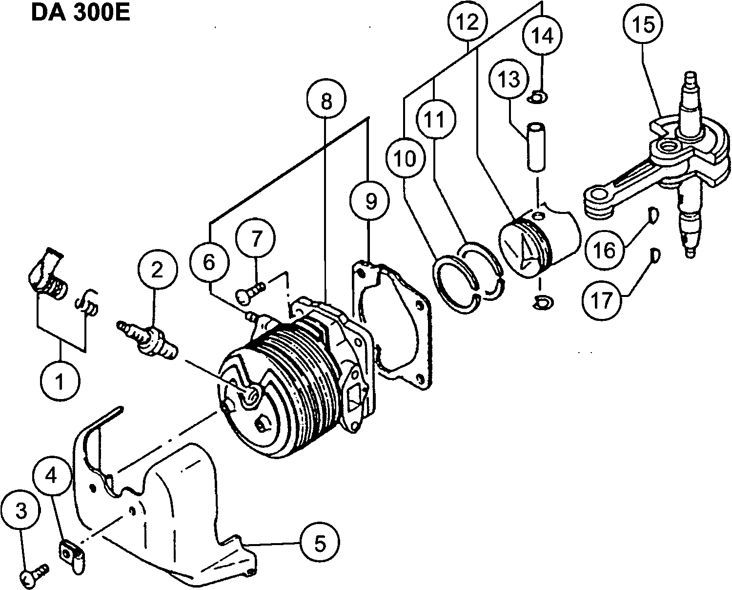
Elenco parti di Hikoki DA300E
| Pos. | Descrizione | Prezzo IVA escl | Prezzo IVA incl | |
| I prezzi indicati sono comprensivi di IVA | ||||
| Conjunto de tapon de bujía (antiguo 157-01570-90/6 | ||||
| 1 | 6687468 | 2.31 | 2.82 | |
| CANDELA BMR6A | ||||
| 2 | 6699315 | 13.35 | 16.29 | |
| Vite 5x10/p (vecchio 994-13050-101) | ||||
| 3 | 6695319 | 1.15 | 1.40 | |
| Morsetto del cavo L (vecchio 198-11109-20) | ||||
| 4 | 6688009 | 1.15 | 1.40 | |
| Cappuccio del coperchio del cilindro (vecchio 016- | ||||
| 5 | 6685695 | 13.53 | 16.50 | |
| Bullone di Studio 6x22 (vecchio 100-02100-20) | ||||
| 6 | 6686771 | 1.15 | 1.40 | |
| Bullone con foro esagonale 6x18/s (vecchio 994-610 | ||||
| 7 | 6695495 | 1.15 | 1.40 | |
| Nessuna informazione disponibile, non ordinabile | ||||
| 8 | 6697742 | |||
| Guarnizione del cilindro (vecchio 017-10200-21/668 | ||||
| 9 | 6685752 | 1.15 | 1.40 | |
| Anello del pistone (vecchio 040-10100-20) | ||||
| 10 | 6686051 | 7.10 | 8.66 | |
| Anello del pistone (vecchio 041-10100-20) | ||||
| 11 | 6686133 | 4.45 | 5.43 | |
| Set di pistoni Pn (vecchio 030-10266-90) (vecchio | ||||
| 12 | 6685904 | 34.19 | 41.71 | |
| Spinotto pistone 10x35 (vecchio 037-10100-20 & 668 | ||||
| 13 | 6686019 | 2.31 | 2.82 | |
| Circlip di spinotto del pistone (vecchio 039-02000 | ||||
| 14 | 6686029 | 1.15 | 1.40 | |
| Albero a gomiti comp. (vecchio 046-10244-81) | ||||
| 15 | 6686224 | 98.46 | 120.12 | |
| Chiavetta a semiluna 3x13x4,5 (vecchio 068-10100-2 | ||||
| 16 | 6684899 | 2.15 | 2.62 | |
| Chiavetta Wood-ruff 3x13x5 (vecchio 068-02000-20/7 | ||||
| 17 | 6686457 | 1.15 | 1.40 | |
| Calza per albero a gomiti 0.20 (vecchia 071-02007- | ||||
| 31 | 6686472 | 1.15 | 1.40 | |
| Calza per albero a gomiti 0.30 (vecchia 071-02007- | ||||
| 31 | 6686473 | 1.15 | 1.40 | |
| Piccolo Dado 10 (vecchio 991-11100-013/6695138/790 | ||||
| 32 | 6695139 | 1.05 | 1.28 | |
| Rondella | ||||
| 33 | 6684820 | 2.15 | 2.62 | |
| Puleggia Avviamento (old 798-10205-20) | ||||
| 34 | 6693409 | 6.93 | 8.45 | |
| Carter Albero a gomiti Ass'y (vecchio 072-10243-91 | ||||
| 35 | 6686595 | 66.40 | 81.01 | |
| Guarnizione del carter (vecchio 090-10200-21) | ||||
| 36 | 6686727 | 1.15 | 1.40 | |
| Guarnizione dell'olio | ||||
| 37 | 6695641 | 2.31 | 2.82 | |
| Nessuna informazione disponibile, non ordinabile | ||||
| 38 | 6695557 | |||
| Nessuna informazione disponibile, non ordinabile | ||||
| 39 | 6695562 | |||
| Guarnizione dell'olio | ||||
| 40 | 6695648 | 3.30 | 4.03 | |
| Nessuna informazione disponibile, non ordinabile | ||||
| 41 | 6695499 | |||
| Guarnizione di Scarico (vecchio 727-01040-20) | ||||
| 42 | 6692685 | 1.15 | 1.40 | |
| Vite 6x10 (vecchio 990-11060-102) | ||||
| 43 | 6694926 | 1.15 | 1.40 | |
| Nessuna informazione disponibile, non ordinabile | ||||
| 44 | 6689682 | |||
| Braccio dell'albero del governatore (vecchio 367-1 | ||||
| 45 | 6689679 | 2.31 | 2.82 | |
| Vite 3x6 (vecchio 990-11030-061) | ||||
| 46 | 6694855 | 1.15 | 1.40 | |
| Partizione dell'olio (vecchio 329-10250-21 & 66891 | ||||
| 47 | 6689175 | 1.15 | 1.40 | |
| Vite 4x8 (vecchio 990-11040-081) | ||||
| 48 | 6694861 | 1.15 | 1.40 | |
| Assemblaggio del governatore (vecchio 114-10250-91 | ||||
| 49 | 6687057 | 22.24 | 27.13 | |
| Piastra del governatore (vecchio 388-10250-21) | ||||
| 50 | 6689780 | 2.31 | 2.82 | |
| Manicotto del governatore (vecchio 389-10250-21) | ||||
| 51 | 6689782 | 10.23 | 12.47 | |
| Anello di arresto C-15, esterno (vecchio 993-50015 | ||||
| 52 | 6695285 | 1.15 | 1.40 | |
| Guarnizione della copertura del regolatore (vecchi | ||||
| 61 | 6689775 | 1.15 | 1.40 | |
| Copertura del regolatore Ass'y (vecchio 384-10243- | ||||
| 62 | 6689771 | 7.26 | 8.86 | |
| Guarnizione dell'olio | ||||
| 63 | 6695637 | 3.30 | 4.03 | |
| Vite 4x10 (vecchio 990-11040-101) | ||||
| 64 | 6694863 | 1.15 | 1.40 | |
| Rotor di magneto comp. | ||||
| 65 | 6699709 | 45.23 | 55.17 | |
| Rondella | ||||
| 66 | 6695198 | 1.15 | 1.40 | |
| Dado 10 (filettatura sx) (vecchio 991-09100-001) | ||||
| 67 | 6695134 | 1.15 | 1.40 | |
| Vite 4x22/ws (vecchia 994-16040-226) | ||||
| 68 | 6695410 | 1.15 | 1.40 | |
| Bobina di accensione 255 (vecchia 167-21954-81/668 | ||||
| 69 | 6695942 | 42.20 | 51.48 | |
| Carcassa della ventola | ||||
| 70 | 6687046 | 26.16 | 31.92 | |
| Passacavo (vecchio 202-10200-20) | ||||
| 71 | 6688040 | 1.15 | 1.40 | |
| Morsetto per cavo comp. (vecchio 198-05015-80/6687 | ||||
| 72 | 6688004 | 1.15 | 1.40 | |
| Vite 6x25/s (vecchio 994-14060-251) | ||||
| 73 | 6695363 | 1.15 | 1.40 | |
| Bullone di studio 6x36 (vecchio 100-04001-20) | ||||
| 74 | 6686772 | 1.15 | 1.40 | |
| Cordone di arresto Comp. (vecchio 178-0136m-80) | ||||
| 75 | 6687826 | 2.31 | 2.82 | |
| Corda B 135m (vecchio 178-10269-80) Nuovo | ||||
| 75A | 6696371 | 3.30 | 4.03 | |
| Corda B 135m (vecchio 178-10269-80) Nuovo | ||||
| 76 | 6696371 | 3.30 | 4.03 | |
| Guarnizione del collettore di aspirazione | ||||
| 91 | 6689899 | 1.15 | 1.40 | |
| Set di isolanti per carburatore (vecchio 404-10262 | ||||
| 92 | 6689980 | 8.91 | 10.87 | |
| Guarnizione del carburatore (vecchio 402-01740-20/ | ||||
| 93 | 6689826 | 1.15 | 1.40 | |
| Vite 5x24ws (vecchio 994-16050-241) | ||||
| 94 | 6695423 | 1.15 | 1.40 | |
| Leva del choke (vecchio 495-04200-20) | ||||
| 95 | 6691004 | 1.15 | 1.40 | |
| Corpo del pulitore Blk (vecchio 423-1024a-20/66901 | ||||
| 96 | 6696027 | 3.30 | 4.03 | |
| Collare 5.8 (vecchio 659-00801-20) | ||||
| 97 | 6692244 | 1.15 | 1.40 | |
| Vite 5x55s (vecchio 994-14050-551) | ||||
| 98 | 6695352 | 1.15 | 1.40 | |
| Rondella 5 (vecchio 992-00050-011) | ||||
| 99 | 6684864 | 2.15 | 2.62 | |
| Spugna (vecchio 446-10244-20) | ||||
| 100 | 6690366 | 2.31 | 2.82 | |
| Cappuccio pulisci (vecchio 424-10244-21) | ||||
| 101 | 6690158 | 3.30 | 4.03 | |
| Set carburatore | ||||
| 102 | 6690523 | 58.39 | 71.23 | |
| Astina del gas (vecchio 490-10244-20) | ||||
| 103 | 6690964 | 1.15 | 1.40 | |
| Molla della barra del governatore (vecchia 376-121 | ||||
| 104 | 6689714 | 1.15 | 1.40 | |
| Leva esterna del governatore (vecchia 377-10244-20 | ||||
| 105 | 6689719 | 2.31 | 2.82 | |
| Leva della molla del governatore (vecchio 372-1025 | ||||
| 106 | 6689687 | 1.15 | 1.40 | |
| Rondella | ||||
| 107 | 6695219 | 1.15 | 1.40 | |
| Dado di Blocco M6 (vecchio 991-01060-013) | ||||
| 108 | 6684872 | 2.15 | 2.62 | |
| Vite 4x8/ps (vecchio 994-15040-081) | ||||
| 109 | 6695368 | 1.15 | 1.40 | |
| Molla del governatore (vecchio 374-10244-20) | ||||
| 110 | 6689697 | 1.15 | 1.40 | |
| Nessuna informazione disponibile, non ordinabile | ||||
| 111 | 6693590 | |||
| Leva di controllo Ass'y (vecchio 830-10250-90) | ||||
| 112 | 6693591 | 6.93 | 8.45 | |
| Vite 5x10 ws (vecchia 994-16050-101/6695473) | ||||
| 113 | 6695413 | 1.15 | 1.40 | |
| Nessuna informazione disponibile, non ordinabile | ||||
| 114 | 6694056 | |||
| Molla di Ritorno del Filo (vecchio 902-10243-20) | ||||
| 115 | 6694055 | 1.15 | 1.40 | |
| Guida perno farfalla (vecchio 891-10244-20) | ||||
| 116 | 6694037 | 3.30 | 4.03 | |
| Bullone a gradino (vecchio 357-00601-20) | ||||
| 117 | 6689627 | 1.15 | 1.40 | |
| Morsetto per Filo (vecchio 903-10244-20) | ||||
| 118 | 6694057 | 1.15 | 1.40 | |
| Vite 5x10 ws (vecchia 994-16050-101/6695473) | ||||
| 119 | 6695413 | 1.15 | 1.40 | |
| Dado U 6 (vecchio 991-74060-010) | ||||
| 120 | 6695159 | 1.15 | 1.40 | |
| Vite 6x8/s (vecchio 994-14060-081) | ||||
| 131 | 6695356 | 1.15 | 1.40 | |
| Rondella | ||||
| 132 | 6684639 | 2.15 | 2.62 | |
| Protezione del silenziatore (vecchio 738-10244-20) | ||||
| 133 | 6692820 | 32.21 | 39.30 | |
| Supporto del silenziatore (vecchio 733-10244-20) | ||||
| 134 | 6692706 | 2.31 | 2.82 | |
| Vite M6x12/ps (vecchio 994-15060-121) | ||||
| 135 | 6695399 | 1.15 | 1.40 | |
| Nessuna informazione disponibile, non ordinabile | ||||
| 136 | 6697637 | |||
| Nessuna informazione disponibile, non ordinabile | ||||
| 137 | 6684792 | |||
| Rondella | ||||
| 138 | 6695219 | 1.15 | 1.40 | |
| Guarnizione Marmitta 1.5t (vecchio 737-10100-20) | ||||
| 139 | 6692746 | 1.15 | 1.40 | |
| Vite 5x18/ps (vecchio 994-15050-181) | ||||
| 140 | 6695388 | 1.15 | 1.40 | |
| Nessuna informazione disponibile, non ordinabile | ||||
| 141 | 6691926 | |||
| Serpente Wht (vecchio 6696381) | ||||
| 142A | 6601173 | 11.55 | 14.09 | |
| TANICA | ||||
| 142B | 6601177 | 8.58 | 10.46 | |
| Nessuna informazione disponibile, non ordinabile | ||||
| 143 | 6684620 | |||
| Montaggio del clip del tubo (vecchio 680-0632s-90) | ||||
| 144 | 6692316 | 3.30 | 4.03 | |
| Anello di arresto E-6 (vecchio 993-55060-000) | ||||
| 145 | 6695310 | 1.15 | 1.40 | |
| Rondella | ||||
| 146 | 6695184 | 1.15 | 1.40 | |
| Gomma di trattenimento per rubinetto del carburant | ||||
| 147 | 6691333 | 1.15 | 1.40 | |
| Montaggio del rubinetto Pet (vecchio 592-06020-90) | ||||
| 148 | 6691653 | 9.08 | 11.07 | |
| Nessuna informazione disponibile, non ordinabile | ||||
| 149 | 6692366 | |||
| Clip 7 (vecchio 680-04019-21) | ||||
| 150 | 6692312 | 1.15 | 1.40 | |
| Clip D6 (vecchio 680-00070-20) | ||||
| 150A | 6685198 | 1.15 | 1.40 | |
| Nessuna informazione disponibile, non ordinabile | ||||
| 151 | 6692297 | |||
| Cuscino in gomma (vecchio 655-10244-20) | ||||
| 152 | 6692232 | 2.31 | 2.82 | |
| Nessuna informazione disponibile, non ordinabile | ||||
| 153 | 6691985 | |||
| Vite M6x12/ps (vecchio 994-15060-121) | ||||
| 154 | 6695399 | 1.15 | 1.40 | |
| Tappo del serbatoio D Ass'y nero (vecchio 595-0144 | ||||
| 155 | 6691740 | 7.59 | 9.26 | |
| Nessuna informazione disponibile, non ordinabile | ||||
| 156 | 6684625 | |||
| Rondella | ||||
| 157 | 6689645 | 1.15 | 1.40 | |
| Interfodera completa della frizione | ||||
| 158 | 6688617 | 8.25 | 10.06 | |
| Rondella | ||||
| 159 | 6689638 | 1.15 | 1.40 | |
| Bolo passo frizione | ||||
| 160 | 6689633 | 2.31 | 2.82 | |
| Molla frizione (vecchio 342-10205-22/6689432/66894 | ||||
| 161 | 6689434 | 1.15 | 1.40 | |
| Tubo di protezione Ass'y | ||||
| 162 | 6601178 | 3.14 | 3.83 | |
| Bobina di tubo carburante (vecchio 702-30200-20) N | ||||
| 163 | 6692428 | 1.15 | 1.40 | |
| Componente della morsetto del cavo (vecchio 198-10 | ||||
| 164 | 6688008 | 1.15 | 1.40 | |
| Corpo del conjunto di avviamento a strappo (vecchi | ||||
| 181 | 6692995 | 30.25 | 36.90 | |
| Corpo starter a ritorno (vecchio 772-10244-20) | ||||
| 182 | 6693044 | 16.19 | 19.75 | |
| Molla di richiamo (vecchio 779-10205-20) | ||||
| 183 | 6693123 | 14.53 | 17.72 | |
| Bobina della corda di avviamento Comp. (vecchio 77 | ||||
| 184 | 6693085 | 8.58 | 10.46 | |
| Corda di avvio (vecchia 783-10205-20) | ||||
| 185 | 6693176 | 4.45 | 5.43 | |
| Pawl di avviamento (vecchio 788-10205-20) | ||||
| 186 | 6693322 | 3.30 | 4.03 | |
| Molla di frizione (vecchio 836-10205-20) | ||||
| 187 | 6693617 | 2.31 | 2.82 | |
| Piastra di attrito (vecchia 837-10205-20) | ||||
| 188 | 6693630 | 5.94 | 7.24 | |
| Bullone 6x12 (vecchio 990-21060-121) | ||||
| 189 | 6694982 | 1.15 | 1.40 | |
| Maniglia di avviamento | ||||
| 190 | 6693610 | 1.15 | 1.40 | |
| Fermo per corda (vecchio 795-10243-20) | ||||
| 191 | 6693383 | 1.15 | 1.40 | |
| Maniglia di avviamento | ||||
| 192 | 6693241 | 3.30 | 4.03 | |
| Guida per corda (vecchio 780-10108-20) | ||||
| 193 | 6693140 | 3.30 | 4.03 | |
| Vite (vecchia 514-25001-20) | ||||
| 211 | 6685210 | 1.15 | 1.40 | |
| Corpo della pompa (vecchio 575-25012-20) | ||||
| 212 | 6691420 | 8.25 | 10.06 | |
| Guarnizione pompa (vecchio 577-25012-20) | ||||
| 213 | 6691455 | 2.31 | 2.82 | |
| Diaframma della pompa (vecchio 576-25012-20) | ||||
| 214 | 6691446 | 5.28 | 6.44 | |
| Schermo di ingresso (vecchio 578-25007-20) | ||||
| 215 | 6684700 | 4.29 | 5.23 | |
| Vite di regolazione del minimo (vecchio 462-25006- | ||||
| 216 | 6690736 | 3.30 | 4.03 | |
| Molla di regolazione al minimo (vecchio 463-25012- | ||||
| 217 | 6690766 | 2.31 | 2.82 | |
| Molla di regolazione al minimo (vecchio 463-25006- | ||||
| 217 | 6685297 | 2.31 | 2.82 | |
| Molla della valvola (vecchio 477-25088-20) | ||||
| 218 | 6690873 | 4.45 | 5.43 | |
| Leva di controllo (vecchio 473-25012-20) | ||||
| 219 | 6690819 | 4.45 | 5.43 | |
| Perno della cerniera (vecchio 605-25001-20) | ||||
| 220 | 6685219 | 1.15 | 1.40 | |
| Vite di fissaggio per perno cerniera (vecchio 546- | ||||
| 221 | 6685218 | 2.31 | 2.82 | |
| Valvola a ago (vecchio 603-25012-20) | ||||
| 222 | 6685215 | 5.28 | 6.44 | |
| Guarnizione del diaframma (vecchio 475-25012-20) | ||||
| 223 | 6690838 | 2.31 | 2.82 | |
| Membrana di dosaggio Comp. (vecchio 474-25012-80) | ||||
| 224 | 6690828 | 11.88 | 14.49 | |
| Coperchio del diaframma (vecchio 476-25012-20) | ||||
| 225 | 6690858 | 6.93 | 8.45 | |
| Vite di regolazione (vecchio 548-25012-20) | ||||
| 226 | 6685223 | 1.15 | 1.40 | |
| Albero della frizione comp. (vecchio 030-32203-80) | ||||
| 241 | 6685911 | 36.15 | 44.10 | |
| Chiavetta a semiluna 3x13x4,5 (vecchio 068-10100-2 | ||||
| 242 | 6684899 | 2.15 | 2.62 | |
| Cassa del ingranaggio C (vecchia 008-32250-20) | ||||
| 243 | 6685596 | 34.19 | 41.71 | |
| Dado a molla 6 (vecchio 994-40060-011) | ||||
| 244 | 6695475 | 1.15 | 1.40 | |
| Anello di arresto interno C-32, vecchio n. di part | ||||
| 245 | 6695295 | 1.15 | 1.40 | |
| Cuscinetto a sfera 6002z | ||||
| 246 | 6695538 | 6.60 | 8.05 | |
| Anello di arresto C-15, esterno (vecchio 993-50015 | ||||
| 247 | 6695285 | 1.15 | 1.40 | |
| Carcassa Ingranaggi A Comp. (vecchio 002-32250-81/ | ||||
| 248 | 6696365 | 194.81 | 237.67 | |
| Rondella | ||||
| 249 | 6695219 | 1.15 | 1.40 | |
| Vite con foro esagonale 6x18 (vecchio 990-51060-18 | ||||
| 250 | 6695059 | 1.15 | 1.40 | |
| CAPPELLO A GRASSO COMP. (VECCHIO 300-32250-80) | ||||
| 251 | 6688643 | 1.15 | 1.40 | |
| Comp. di blocco (vecchio 404-32250-80) | ||||
| 252 | 6689987 | 17.40 | 21.23 | |
| Molla del perno di bloccaggio (vecchio 403-32250-2 | ||||
| 253 | 6689905 | 2.31 | 2.82 | |
| Rondella | ||||
| 254 | 6692944 | 1.15 | 1.40 | |
| O-ring P-7 (vecchio 999-67007-000) | ||||
| 255 | 6695665 | 1.15 | 1.40 | |
| Vite 5x16/w.s (vecchio 994-16050-161) | ||||
| 256 | 6695417 | 1.15 | 1.40 | |
| Nessuna informazione disponibile, non ordinabile | ||||
| 257 | 6685606 | |||
| Anello di arresto C-10, Esterno (vecchio 993-50010 | ||||
| 258 | 6684821 | 2.15 | 2.62 | |
| Anello di Arresto C-22, Esterno (vecchio 993-50022 | ||||
| 259 | 6695288 | 1.15 | 1.40 | |
| Non più disponibile, nessuna sostituzione | ||||
| 260 | 6685789 | |||
| Nessuna informazione disponibile, non ordinabile | ||||
| 261 | 6695557 | |||
| Ingranaggio 2 (vecchio 012-32250-20) | ||||
| 262 | 6685658 | 64.28 | 78.42 | |
| Ingranaggio 3 (vecchio 016-32201-20) | ||||
| 263 | 6685704 | 17.55 | 21.41 | |
| Chiavetta Wood-ruff 4x16x5 (vecchia 068-12101-20) | ||||
| 264 | 6686460 | 1.15 | 1.40 | |
| Cuscinetto a sfere #6200 | ||||
| 265 | 6695551 | 5.94 | 7.24 | |
| Involucro della catena B | ||||
| 266 | 6685594 | 50.21 | 61.26 | |
| Rondella | ||||
| 267 | 6695219 | 1.15 | 1.40 | |
| Vite Plus 6x22 (vecchio 990-23060-221) | ||||
| 268 | 6695021 | 1.15 | 1.40 | |
| Cuscinetto a rulli 30205j 6.5x10.5 (vecchio 999-61 | ||||
| 269 | 6695523 | 14.85 | 18.12 | |
| Fermo cuscinetto (vecchio 040-32250-20) | ||||
| 270 | 6686066 | 7.59 | 9.26 | |
| Cuscinetto a sfere #6205z | ||||
| 271 | 6695565 | 9.40 | 11.47 | |
| Nessuna informazione disponibile, non ordinabile | ||||
| 272 | 6695208 | |||
| Anello di arresto C-52, interno (vecchio 993-51052 | ||||
| 273 | 6695300 | 2.31 | 2.82 | |
| Albero di trasmissione (vecchio 022-32250-20) | ||||
| 274 | 6685825 | 46.29 | 56.47 | |
| Albero di trasmissione (vecchio 022-32251-20) | ||||
| 274A | 6685826 | 44.31 | 54.06 | |
| Spinotto (vecchio 820-32250-20) | ||||
| 275 | 6693554 | 5.11 | 6.24 | |
| Perno a Scatto 8 (vecchio 821-32203-20) | ||||
| 276 | 6693558 | 1.15 | 1.40 | |
| Nessuna informazione disponibile, non ordinabile | ||||
| 291 | 6695841 | |||
| Involucro della catena B | ||||
| 292 | 6685595 | 62.31 | 76.02 | |
| Nessuna informazione disponibile, non ordinabile | ||||
| 293 | 6695557 | |||
| Cuscinetto a sfera 6002z | ||||
| 294 | 6695538 | 6.60 | 8.05 | |
| Anello di arresto interno C-32, vecchio n. di part | ||||
| 295 | 6695295 | 1.15 | 1.40 | |
| Albero di trasmissione (vecchio 022-32251-20) | ||||
| 296 | 6685826 | 44.31 | 54.06 | |
| Cuscinetto a sfere #6200 | ||||
| 297 | 6695551 | 5.94 | 7.24 | |
| Cuscinetto a rulli 30205j 6.5x10.5 (vecchio 999-61 | ||||
| 298 | 6695523 | 14.85 | 18.12 | |
| Fermo cuscinetto (vecchio 040-32250-20) | ||||
| 299 | 6686066 | 7.59 | 9.26 | |
| Cuscinetto a sfere #6205z | ||||
| 300 | 6695565 | 9.40 | 11.47 | |
| Anello di arresto C-52, interno (vecchio 993-51052 | ||||
| 301 | 6695300 | 2.31 | 2.82 | |
| Albero della frizione comp. (vecchio 030-32203-80) | ||||
| 302 | 6685911 | 36.15 | 44.10 | |
| Anello di arresto C-15, esterno (vecchio 993-50015 | ||||
| 303 | 6695285 | 1.15 | 1.40 | |
| Chiavetta a semiluna 3x13x4,5 (vecchio 068-10100-2 | ||||
| 304 | 6684899 | 2.15 | 2.62 | |
| Nessuna informazione disponibile, non ordinabile | ||||
| 305 | 6685606 | |||
| Ingranaggio 2 (vecchio 012-32201-20) | ||||
| 306 | 6685657 | 70.33 | 85.80 | |
| Ingranaggio 3 (vecchio 016-32201-20) | ||||
| 307 | 6685704 | 17.55 | 21.41 | |
| Non più disponibile, nessuna sostituzione | ||||
| 308 | 6685789 | |||
| Chiavetta Wood-ruff 4x16x5 (vecchia 068-12101-20) | ||||
| 309 | 6686460 | 1.15 | 1.40 | |
| Anello di arresto C-10, Esterno (vecchio 993-50010 | ||||
| 310 | 6684821 | 2.15 | 2.62 | |
| Anello di Arresto C-22, Esterno (vecchio 993-50022 | ||||
| 311 | 6695288 | 1.15 | 1.40 | |
| CAPPELLO A GRASSO COMP. (VECCHIO 300-32250-80) | ||||
| 312 | 6688643 | 1.15 | 1.40 | |
| Rondella | ||||
| 313 | 6695219 | 1.15 | 1.40 | |
| Bullone 6x45 (vecchio 990-21060-451) Nuovo | ||||
| 314 | 6694994 | 1.15 | 1.40 | |
| Rondella | ||||
| 315 | 6695219 | 1.15 | 1.40 | |
| Vite Plus 6x22 (vecchio 990-23060-221) | ||||
| 316 | 6695021 | 1.15 | 1.40 | |
| Rondella | ||||
| 317 | 6695219 | 1.15 | 1.40 | |
| Vite Plus 6x18 (vecchio 990-23060-181) | ||||
| 318 | 6695020 | 1.15 | 1.40 | |
| Nessuna informazione disponibile, non ordinabile | ||||
| 319 | 6695208 | |||
| Nessuna informazione disponibile, non ordinabile | ||||
| 331 | 6688342 | |||
| Impugnatura (vecchio 055-32250-20) | ||||
| 332 | 6686351 | 6.60 | 8.05 | |
| Nessuna informazione disponibile, non ordinabile | ||||
| 333 | 6696373 | |||
| Nessuna informazione disponibile, non ordinabile | ||||
| 334 | 6695132 | |||
| Nessuna informazione disponibile, non ordinabile | ||||
| 335 | 6699394 | |||
| Cavo dell'acceleratore | ||||
| 336 | 6693930 | 14.68 | 17.90 | |
| Fermo Cord Comp. (vecchio 178-10244-80) | ||||
| 337 | 6687880 | 4.45 | 5.43 | |
| Bullone 6x35 (vecchio 990-21060-351) | ||||
| 338 | 6694992 | 1.15 | 1.40 | |
| Rondella | ||||
| 339 | 6684639 | 2.15 | 2.62 | |
| Leva dell'acceleratore Completa. (vecchio 101-3225 | ||||
| 340 | 6686801 | 15.58 | 19.00 | |
| Dado U 6 (vecchio 991-74060-010) | ||||
| 341 | 6695159 | 1.15 | 1.40 | |
| Spinotto a spinta comp. (vecchio 064-33225-80) | ||||
| 342 | 6686434 | 2.31 | 2.82 | |
| Staffa dell'interruttore di arresto (vecchio 163-3 | ||||
| 343 | 6696370 | 6.44 | 7.85 | |
| Interruttore di arresto Ass'y (vecchio 6687502) | ||||
| 344A | 6601374 | 11.71 | 14.29 | |
| Piastra nominale dell'interruttore (vecchio 183-01 | ||||
| 345 | 6687949 | 1.15 | 1.40 | |
| Gomma Antivibrazione | ||||
| 346 | 6691822 | 1.15 | 1.40 | |
| Morsetto per cavo (vecchio 198-33576-20/6688023) | ||||
| 347 | 6688022 | 1.15 | 1.40 | |
| Tubo di Protezione 13x680l (vecchio 164-13068-00) | ||||
| 348 | 6687616 | 3.30 | 4.03 | |
| Tubo di Protezione 13x500l (vecchio 164-13050-00) | ||||
| 349 | 6687614 | 2.31 | 2.82 | |
| Morsetto B. (vecchio 460-33111-20) | ||||
| 361 | 6684715 | 2.15 | 2.62 | |
| Non più disponibile, nessuna sostituzione | ||||
| 362 | 6686252 | |||
| Cavo dell'acceleratore | ||||
| 363 | 6693932 | 11.55 | 14.09 | |
| Assemblea della leva di regolazione (vecchio 472-3 | ||||
| 364 | 6690816 | 9.08 | 11.07 | |
| Staffa pulsante di arresto (vecchio 640-0062m-20) | ||||
| 365 | 6692127 | 1.15 | 1.40 | |
| Nessuna informazione disponibile, non ordinabile | ||||
| 366 | 6687737 | |||
| Tubo di protezione 13x360l (vecchio 164-13036-00) | ||||
| 367 | 6687607 | 2.31 | 2.82 | |
| Non più disponibile, nessuna sostituzione | ||||
| 368 | 6696507 | |||
| Rondella | ||||
| 369 | 6684971 | 1.04 | 1.27 | |
| Dado di fissaggio del pulsante di arresto (vecchio | ||||
| 370 | 6687935 | 1.15 | 1.40 | |
| Chiave Combinata 10/19mm (vecchio 013-29323-50/668 | ||||
| 501 | 6685257 | 3.30 | 4.03 | |
| Chiave 10x13 (vecchio 808-20000-20) Nuovo | ||||
| 502 | 6693479 | 2.31 | 2.82 | |
| Più guidatore 4 (vecchio 862-20000-20) Nuovo | ||||
| 503 | 6693665 | 3.00 | 3.66 | |
| Chiave 13x17 (vecchio 810-20000-20) Nuova | ||||
| 504 | 6693498 | 4.45 | 5.43 | |
| Spinotto (vecchio 820-32250-20) | ||||
| 505 | 6693554 | 5.11 | 6.24 | |
| Perno a Scatto 8 (vecchio 821-32203-20) | ||||
| 506 | 6693558 | 1.15 | 1.40 | |
| Piastra di nome Da300e (vecchio 906-32255-21) | ||||
| 601 | 6694260 | 1.15 | 1.40 | |
| Nessuna informazione disponibile, non ordinabile | ||||
| 602 | 6697919 | |||