Qui troverai tutte le parti e i disegni disponibili di “Hikoki D6VA”. Da qui puoi ordinare direttamente tutte le parti desiderate. Molte parti devono essere ordinate dal produttore, a seconda della marca, ciò richiede da una a quattro settimane. Tutte le informazioni che abbiamo sono sul nostro sito web, non possiamo consigliarti su ciò di cui hai bisogno, per questo dovrai restituire la macchina per la riparazione. Nota quanto segue al momento dell’ordinazione:
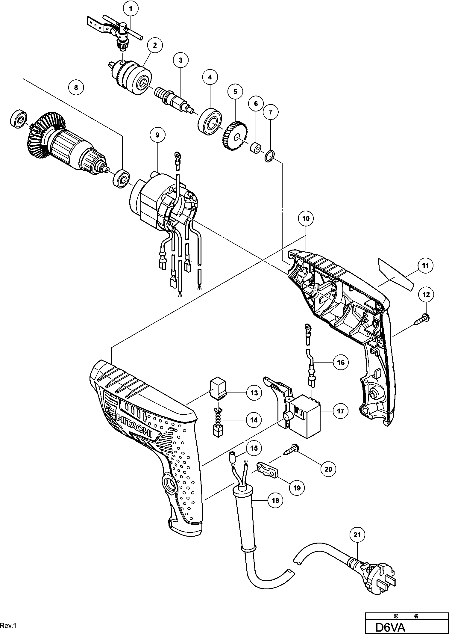
Disegni tecnici di Hikoki D6VA
Elenco parti di Hikoki D6VA
| Pos. | Descrizione | Prezzo IVA escl | Prezzo IVA incl | |
| I prezzi indicati sono comprensivi di IVA | ||||
| Nessuna informazione disponibile, non ordinabile | ||||
| *10A | 370870 | |||
| Nessuna informazione disponibile, non ordinabile | ||||
| 1 | 980057 | |||
| Nessuna informazione disponibile, non ordinabile | ||||
| 1A | 375606 | |||
| Nessuna informazione disponibile, non ordinabile | ||||
| 2 | 314679 | |||
| Nessuna informazione disponibile, non ordinabile | ||||
| 3 | 338896 | |||
| Cuscinetto a sfere 6001vvcmps2l | ||||
| 4 | 6001VV | 6.60 | 8.05 | |
| Nessuna informazione disponibile, non ordinabile | ||||
| 5 | 338895 | |||
| Metalli D6sh | ||||
| 6 | 314670 | 1.35 | 1.65 | |
| Anello O (s-10) | ||||
| 7 | 987105 | 1.05 | 1.28 | |
| Nessuna informazione disponibile, non ordinabile | ||||
| 8 | 361009E | |||
| Nessuna informazione disponibile, non ordinabile | ||||
| 9 | 340910E | |||
| Nessuna informazione disponibile, non ordinabile | ||||
| 10 | 370870 | |||
| Vite per foratura D4x20 con flangia (nero) | ||||
| 12 | 301653 | 1.04 | 1.27 | |
| Portaspazzole di Carbone | ||||
| 13 | 930483 | 1.65 | 2.01 | |
| Spazzola di carbone (1 paio) | ||||
| 14 | 999041 | 4.50 | 5.49 | |
| Manicotto filettato per cavo | ||||
| 15 | 981373 | 1.05 | 1.28 | |
| Nessuna informazione disponibile, non ordinabile | ||||
| 16 | 338894 | |||
| Interruttore | ||||
| 17 | 330716 | 22.41 | 27.34 | |
| Nessuna informazione disponibile, non ordinabile | ||||
| 18 | 953327 | |||
| Strip di serraggio (vecchio 994566) | ||||
| 19 | 937631 | 1.04 | 1.27 | |
| Nessuna informazione disponibile, non ordinabile | ||||
| 20 | 984750 | |||
| Nessuna informazione disponibile, non ordinabile | ||||
| 21 | 500468Z | |||