Qui troverai tutte le parti e i disegni disponibili di “Hikoki D13VF”. Da qui puoi ordinare direttamente tutte le parti desiderate. Molte parti devono essere ordinate dal produttore, a seconda della marca, ciò richiede da una a quattro settimane. Tutte le informazioni che abbiamo sono sul nostro sito web, non possiamo consigliarti su ciò di cui hai bisogno, per questo dovrai restituire la macchina per la riparazione. Nota quanto segue al momento dell’ordinazione:
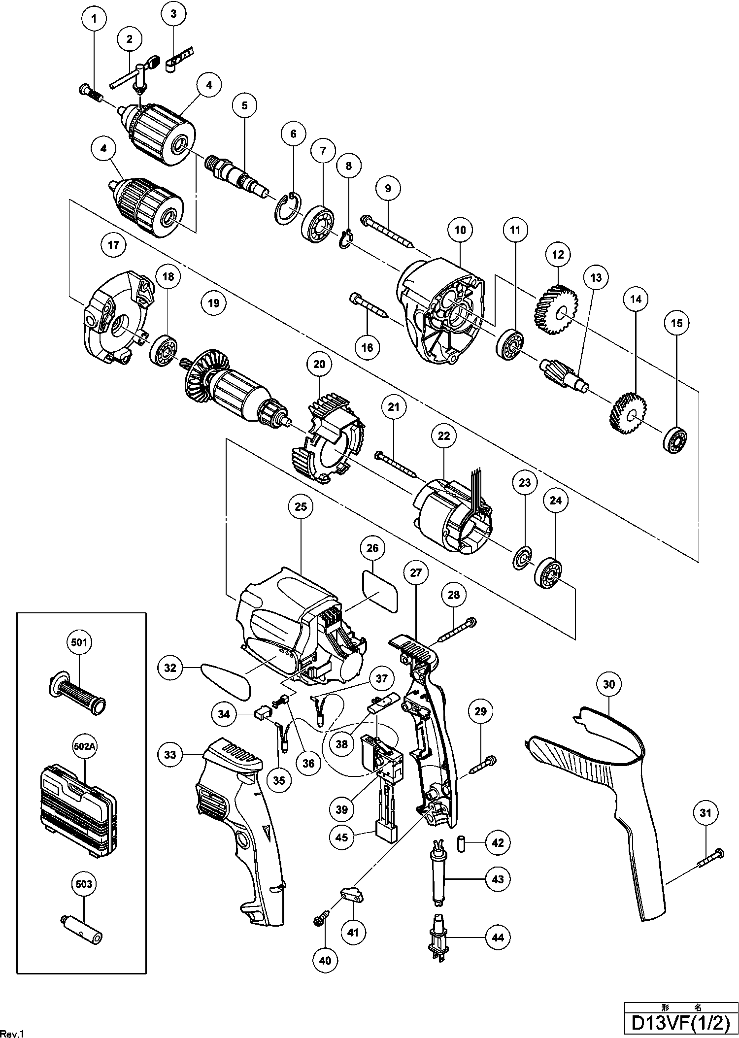
Disegni tecnici di Hikoki D13VF
Elenco parti di Hikoki D13VF
| Pos. | Descrizione | Prezzo IVA escl | Prezzo IVA incl | |
| I prezzi indicati sono comprensivi di IVA | ||||
| STATORE 230V | ||||
| *19 | 360543E | 67.24 | 82.03 | |
| CAMPO 230-240 VOLTI | ||||
| *22 | 340504E | 41.94 | 51.16 | |
| Restrittore TN19/11/10-3E25 | ||||
| *35 | 320197 | 6.60 | 8.05 | |
| Restrittore TN19/11/10-3E25 | ||||
| *37 | 320196 | 6.60 | 8.05 | |
| Interruttore | ||||
| *39 | 320195 | 32.18 | 39.25 | |
| Nessuna informazione disponibile, non ordinabile | ||||
| *4 | 319304 | |||
| Cavo | ||||
| *44 | 500240Z | 13.18 | 16.07 | |
| Cavo 2,5m 2 X 1.0 H05vv-f (Vecchio 500395z) | ||||
| *44 | 500447Z | 6.60 | 8.05 | |
| SNOER 10.7 (USE 714500=2X1 5M) | ||||
| *44 | 500247Z | 6.18 | 7.54 | |
| Vite speciale (mano sinistra) M6x23 | ||||
| 1 | 311959 | 1.50 | 1.83 | |
| Nessuna informazione disponibile, non ordinabile | ||||
| 2 | 319527 | |||
| Nessuna informazione disponibile, non ordinabile | ||||
| 3 | 950288 | |||
| Nessuna informazione disponibile, non ordinabile | ||||
| 4 | 319304 | |||
| ALBERO DI TRASMISSIONE | ||||
| 5 | 319346 | 13.83 | 16.87 | |
| Anello di arresto D32 | ||||
| 6 | 948001 | 1.20 | 1.46 | |
| Cuscinetto a sfere 6002 Vv C7mfa | ||||
| 7 | 6002VV | 7.35 | 8.97 | |
| Anello di sicurezza D15 (10 pezzi) | ||||
| 8 | 939544 | 2.13 | 2.59 | |
| Vite di Fissaggio (con flangia) D5x60 | ||||
| 9 | 305701 | 1.05 | 1.28 | |
| Copertura dell'ingranaggio | ||||
| 10 | 319345 | 21.86 | 26.67 | |
| Cuscinetto a sfere 627 Vvm | ||||
| 11 | 627VVM | 5.55 | 6.77 | |
| Ingranaggio Finale | ||||
| 12 | 319299 | 5.25 | 6.40 | |
| Secondo ingranaggio | ||||
| 13 | 319547 | 9.00 | 10.98 | |
| Primo Ingranaggio | ||||
| 14 | 319544 | 5.40 | 6.59 | |
| Cuscinetto a sfere 606zzmc3ps2s | ||||
| 15 | 606ZZM | 15.40 | 18.79 | |
| Vite di Fissaggio D5x40 (nera) | ||||
| 16 | 316458 | 1.50 | 1.83 | |
| Coperchio interno | ||||
| 17 | 319344 | 24.06 | 29.36 | |
| Cuscinetto a sfere 608ddmc2eps2s | ||||
| 18 | 608DDM | 5.55 | 6.77 | |
| STATORE 230V | ||||
| 19 | 360543E | 67.24 | 82.03 | |
| Guida per ventilatore | ||||
| 20 | 319329 | 3.90 | 4.76 | |
| Vite a testa esagonale autoraschiante D4x55 | ||||
| 21 | 981421 | 1.04 | 1.27 | |
| CAMPO 230-240 VOLTI | ||||
| 22 | 340504E | 41.94 | 51.16 | |
| Rondella (a) | ||||
| 23 | 982631 | 1.04 | 1.27 | |
| Cuscinetto a sfere 608vvmc2eps2l | ||||
| 24 | 608VVM | 5.70 | 6.95 | |
| ALLOGGIAMENTO | ||||
| 25 | 319328 | 12.89 | 15.72 | |
| Leva | ||||
| 27 | 319331 | 5.25 | 6.40 | |
| Vite di taraudage (con flangia) D4x35 (nero) | ||||
| 28 | 303694 | 1.04 | 1.27 | |
| Vite per foratura D4x20 con flangia (nero) | ||||
| 29 | 301653 | 1.04 | 1.27 | |
| Manico | ||||
| 30 | 319332 | 15.26 | 18.62 | |
| Vite (legame di plastica) D4x25 | ||||
| 31 | 319337 | 1.50 | 1.83 | |
| Maniglia TSC 55 | ||||
| 33 | 319330 | 5.25 | 6.40 | |
| Portaspazzole di Carbone | ||||
| 34 | 955203 | 2.40 | 2.93 | |
| Restrittore TN19/11/10-3E25 | ||||
| 35 | 320197 | 6.60 | 8.05 | |
| Cavo interno blu 86l | ||||
| 35 | 319341 | 1.50 | 1.83 | |
| Spazzola di carbone (1 paio) | ||||
| 36 | 999041 | 4.50 | 5.49 | |
| SMOORSPOEL (BRUIN) 110 VOLT | ||||
| 37 | 320203 | 11.22 | 13.69 | |
| Restrittore TN19/11/10-3E25 | ||||
| 37 | 320196 | 6.60 | 8.05 | |
| Cavo interno marrone 86l | ||||
| 37 | 319340 | 1.50 | 1.83 | |
| Pulsante di spinta | ||||
| 38 | 316166 | 1.65 | 2.01 | |
| Interruttore | ||||
| 39 | 319302 | 37.95 | 46.30 | |
| Interruttore | ||||
| 39 | 319339 | 32.18 | 39.25 | |
| Interruttore | ||||
| 39 | 320195 | 32.18 | 39.25 | |
| Nessuna informazione disponibile, non ordinabile | ||||
| 40 | 984750 | |||
| Strip di serraggio (vecchio 994566) | ||||
| 41 | 937631 | 1.04 | 1.27 | |
| Manicotto filettato per cavo | ||||
| 42 | 981373 | 1.05 | 1.28 | |
| Protezione cavo D8.8 | ||||
| 43 | 380090 | 1.04 | 1.27 | |
| Cavo 3M 2 X 1,0 H05vv-f con spina 16a CEE | ||||
| 44 | 500461Z | 17.88 | 21.81 | |
| Cavo | ||||
| 44 | 500240Z | 13.18 | 16.07 | |
| Cavo 2,5m 2 X 1.0 H05vv-f (Vecchio 500395z) | ||||
| 44 | 500447Z | 6.60 | 8.05 | |
| SNOER 10.7 (USE 714500=2X1 5M) | ||||
| 44 | 500247Z | 6.18 | 7.54 | |
| CONDENSATORE | ||||
| 45 | 320198 | 10.95 | 13.36 | |
| Nessuna informazione disponibile, non ordinabile | ||||
| 46 | 378115 | |||
| Manico (old 500335) | ||||
| 501 | 981205 | 5.85 | 7.14 | |
| Nessuna informazione disponibile, non ordinabile | ||||
| 502A | 319543 | |||
| Giunto della maniglia | ||||
| 503 | 319550 | 7.45 | 9.09 | |
| Nessuna informazione disponibile, non ordinabile | ||||
| 601 | 319528 | |||
| Cuscinetto a rullini Hk0810 | ||||
| 602 | 670714 | 6.45 | 7.87 | |
| TANDWIEL | ||||
| 603 | 986149 | 19.69 | 24.02 | |
| Cuscinetto a sfere 6301vvcmps2s | ||||
| 604 | 6301VV | 8.55 | 10.43 | |
| Rondella | ||||
| 605 | 986147 | 1.05 | 1.28 | |
| INLEGSPIE 3X10 *TD5-1-2* | ||||
| 606 | 932819 | 1.26 | 1.54 | |
| AS | ||||
| 607 | 986146 | 26.46 | 32.28 | |
| CONNETTORE | ||||
| 608 | 986143 | 6.75 | 8.24 | |
| Nessuna informazione disponibile, non ordinabile | ||||
| 609 | 986142 | |||
| BOUT M8X45 (10 STUKS) | ||||
| 610 | 949632 | 2.34 | 2.85 | |
| Rondella di chiusura M8 (10 pezzi) | ||||
| 611 | 949426 | 1.05 | 1.28 | |
| TANDWIELHUIS + NAALDLAGER | ||||
| 612 | 986144 | 40.70 | 49.65 | |
| AS EN TANDWIELSET | ||||
| 613 | 986156 | 64.52 | 78.71 | |
| Nessuna informazione disponibile, non ordinabile | ||||
| 614 | 949168 | |||
| GANCIO | ||||
| 615 | 317676 | 3.30 | 4.03 | |