Qui troverai tutte le parti e i disegni disponibili di “Hikoki D10VH”. Da qui puoi ordinare direttamente tutte le parti desiderate. Molte parti devono essere ordinate dal produttore, a seconda della marca, ciò richiede da una a quattro settimane. Tutte le informazioni che abbiamo sono sul nostro sito web, non possiamo consigliarti su ciò di cui hai bisogno, per questo dovrai restituire la macchina per la riparazione. Nota quanto segue al momento dell’ordinazione:
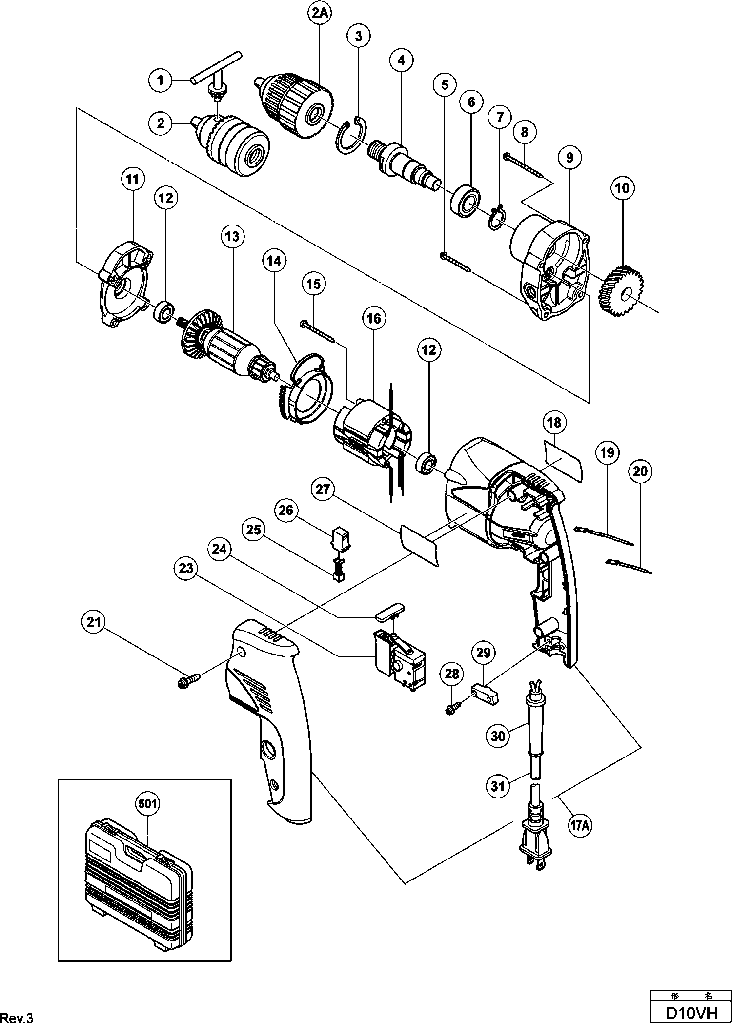
Disegni tecnici di Hikoki D10VH
Elenco parti di Hikoki D10VH
| Pos. | Descrizione | Prezzo IVA escl | Prezzo IVA incl | |
| I prezzi indicati sono comprensivi di IVA | ||||
| Nessuna informazione disponibile, non ordinabile | ||||
| 1 | 980057 | |||
| Nessuna informazione disponibile, non ordinabile | ||||
| 2 | 950292 | |||
| Nessuna informazione disponibile, non ordinabile | ||||
| 2A | 323250 | |||
| Anello di arresto D32 | ||||
| 3 | 948001 | 1.20 | 1.46 | |
| BARRA TOMMY | ||||
| 4 | 321626 | 5.46 | 6.66 | |
| Vite autofilettante (con flangia) D4x30 (nero) | ||||
| 5 | 305490 | 1.04 | 1.27 | |
| Cuscinetto a sfere 6002 Vv C7mfa | ||||
| 6 | 6002VV | 7.35 | 8.97 | |
| Anello di sicurezza D15 (10 pezzi) | ||||
| 7 | 939544 | 2.13 | 2.59 | |
| Vite filettante (con flangia) D4x45 (nero) | ||||
| 8 | 301815 | 1.05 | 1.28 | |
| Copertura dell'ingranaggio | ||||
| 9 | 321625 | 9.98 | 12.17 | |
| INGRANAGGIO | ||||
| 10 | 321627 | 10.43 | 12.72 | |
| Coperchio interno | ||||
| 11 | 321624 | 6.15 | 7.50 | |
| Cuscinetto a sfere 608vvmc2eps2l | ||||
| 12 | 608VVM | 5.70 | 6.95 | |
| Nessuna informazione disponibile, non ordinabile | ||||
| 13 | 360597U | |||
| Guida per ventilatore | ||||
| 14 | 321623 | 1.50 | 1.83 | |
| SCHROEF D4X45 | ||||
| 15 | 991031 | 1.00 | 1.22 | |
| Nessuna informazione disponibile, non ordinabile | ||||
| 16 | 340548D | |||
| Set di Coperchio della Maniglia dell'alloggiamento | ||||
| 17A | 331661 | 32.53 | 39.68 | |
| Cavo Interno (marrone) 100l Per Kuw,ina,sau,sin | ||||
| 19 | 321630 | 3.30 | 4.03 | |
| Cavo Interno (blu) 55l Per Kuw,ina,sau,sin | ||||
| 20 | 321631 | 3.30 | 4.03 | |
| Vite per foratura D4x20 con flangia (nero) | ||||
| 21 | 301653 | 1.04 | 1.27 | |
| Interruttore D10vc2 | ||||
| 23 | 321632 | 29.29 | 35.73 | |
| Pulsante Spinta | ||||
| 24 | 321628 | 1.65 | 2.01 | |
| Spazzola di carbone (1 paio) | ||||
| 25 | 999041 | 4.50 | 5.49 | |
| Portaspazzole di Carbone | ||||
| 26 | 955203 | 2.40 | 2.93 | |
| Nessuna informazione disponibile, non ordinabile | ||||
| 28 | 984750 | |||
| Strip di serraggio (vecchio 994566) | ||||
| 29 | 937631 | 1.04 | 1.27 | |
| Nessuna informazione disponibile, non ordinabile | ||||
| 30 | 953327 | |||
| Cavo | ||||
| 31 | 500240Z | 13.18 | 16.07 | |
| Nessuna informazione disponibile, non ordinabile | ||||
| 501 | 321635 | |||
| Nessuna informazione disponibile, non ordinabile | ||||
| 601 | 982593 | |||
| Nessuna informazione disponibile, non ordinabile | ||||
| 602 | 321612 | |||
| Manico (old 500335) | ||||
| 603 | 981205 | 5.85 | 7.14 | |
| Nessuna informazione disponibile, non ordinabile | ||||
| 604 | 873929 | |||