Qui troverai tutte le parti e i disegni disponibili di “Hikoki CS40Y”. Da qui puoi ordinare direttamente tutte le parti desiderate. Molte parti devono essere ordinate dal produttore, a seconda della marca, ciò richiede da una a quattro settimane. Tutte le informazioni che abbiamo sono sul nostro sito web, non possiamo consigliarti su ciò di cui hai bisogno, per questo dovrai restituire la macchina per la riparazione. Nota quanto segue al momento dell’ordinazione:
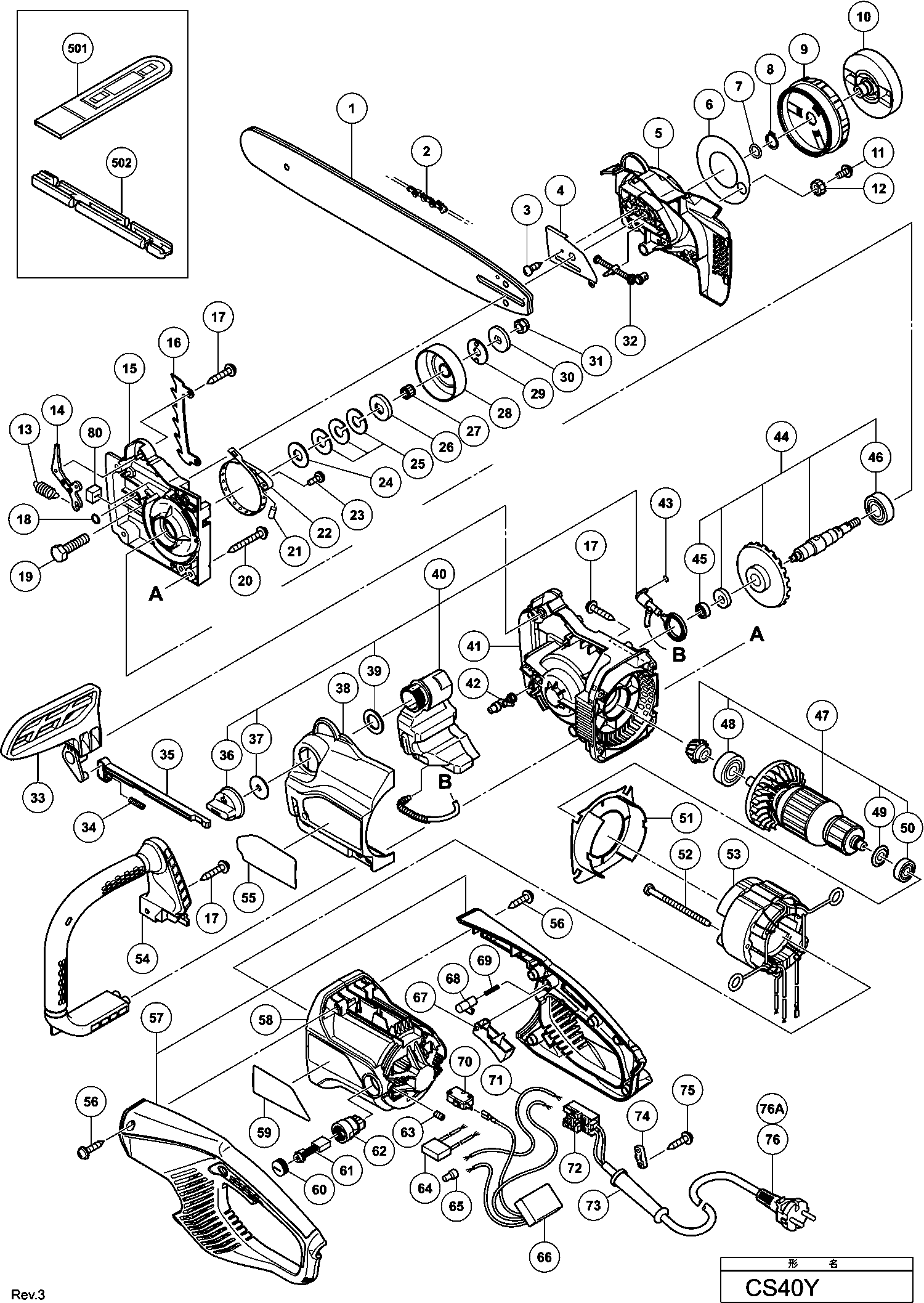
Disegni tecnici di Hikoki CS40Y
Elenco parti di Hikoki CS40Y
| Pos. | Descrizione | Prezzo IVA escl | Prezzo IVA incl | |
| I prezzi indicati sono comprensivi di IVA | ||||
| Set di armatura e pignone 220-230v | ||||
| *47 | 360957E | 55.69 | 67.94 | |
| Stator 220v-230v H-90sa Includ.103 Per Nzl,saf | ||||
| *53 | 340864E | 37.81 | 46.13 | |
| Etichetta di attenzione | ||||
| *55 | 335466 | 1.05 | 1.28 | |
| Spazzola di carbone (1 paio) | ||||
| *61 | 999065 | 7.95 | 9.70 | |
| Controller 100v-127v | ||||
| *66 | 335454 | 31.63 | 38.58 | |
| Controller 200v-240v | ||||
| *66 | 335455 | 25.44 | 31.03 | |
| Protezione cavo D8.8 | ||||
| *73 | 380090 | 1.04 | 1.27 | |
| Boccola del cavo D10.1 | ||||
| *73 | 938051 | 1.04 | 1.27 | |
| Cavo (hol) L5030 Per Rus | ||||
| *76A | 337723 | 13.80 | 16.84 | |
| Nessuna informazione disponibile, non ordinabile | ||||
| 1 | 6696992 | |||
| Nessuna informazione disponibile, non ordinabile | ||||
| 2 | 6697889 | |||
| Vite di trapano D3 | ||||
| 3 | 696352 | 1.13 | 1.37 | |
| Piastra di guida | ||||
| 4 | 335471 | 1.04 | 1.27 | |
| Coperchio laterale (r) | ||||
| 5 | 335470 | 1.04 | 1.27 | |
| Sigillo antipolvere | ||||
| 6 | 335688 | 1.04 | 1.27 | |
| Anello di gomma | ||||
| 7 | 996407 | 1.05 | 1.28 | |
| Rondella Elastica D14 (10 Pezzi) | ||||
| 8 | 939543 | 2.55 | 3.11 | |
| Alimentazione commutata Ass'y | ||||
| 9 | 335150 | 2.40 | 2.93 | |
| PULSANTE | ||||
| 10 | 335151 | 6.75 | 8.24 | |
| Vite per macchina (con rondella) M4x8 (nero) | ||||
| 11 | 315500 | 1.35 | 1.65 | |
| INGRANAGGIO | ||||
| 12 | 335152 | 1.35 | 1.65 | |
| Molla del freno (vecchio 6685167) | ||||
| 13 | 6685389 | 1.05 | 1.28 | |
| Collegamento del Freno | ||||
| 14 | 6698587 | 4.65 | 5.67 | |
| Coperchio interno | ||||
| 15 | 335472 | 12.90 | 15.74 | |
| Barra di picchi | ||||
| 16 | 335482 | 1.04 | 1.27 | |
| Vite di taglio (con flangia) D5x25 (nera) | ||||
| 17 | 305558 | 1.04 | 1.27 | |
| O-ring (s-6) | ||||
| 18 | 997218 | 1.05 | 1.28 | |
| Vite M8x35 (10 Pezzi) | ||||
| 19 | 949678 | 2.55 | 3.11 | |
| Non più disponibile, nessuna sostituzione | ||||
| 20 | 325336 | |||
| Rullo di aghi D3 | ||||
| 21 | 6685391 | 1.05 | 1.28 | |
| Fascia freno | ||||
| 22 | 6685390 | 4.05 | 4.94 | |
| Vite di Macchina M4x12 (nera) con Rondella | ||||
| 23 | 935196 | 1.04 | 1.27 | |
| Rondella (e) | ||||
| 24 | 335484 | 1.04 | 1.27 | |
| Rondella elastica | ||||
| 25 | 335485 | 1.04 | 1.27 | |
| Rondella (b) Ds9dva/ds12dva/ds14dv Ds14dva/ds14dvb | ||||
| 26 | 335486 | 3.15 | 3.84 | |
| CUSCINETTO A RULLINI | ||||
| 27 | 6685361 | 4.05 | 4.94 | |
| CARTER FRIZIONE | ||||
| 28 | 6685403 | 10.20 | 12.44 | |
| Rondella (C) | ||||
| 29 | 335487 | 1.04 | 1.27 | |
| Rondella (d) | ||||
| 30 | 335488 | 1.60 | 1.95 | |
| Nessuna informazione disponibile, non ordinabile | ||||
| 31 | 975348 | |||
| Estrattore di catena | ||||
| 32 | 335966 | 6.15 | 7.50 | |
| Maniglia del freno | ||||
| 33 | 335479 | 2.70 | 3.29 | |
| Molla (c) | ||||
| 34 | 335483 | 1.04 | 1.27 | |
| Tirante DF 700 | ||||
| 35 | 335480 | 1.04 | 1.27 | |
| Tappo del serbatoio | ||||
| 36 | 335144 | 1.04 | 1.27 | |
| Guarnizione del tappo del serbatoio | ||||
| 37 | 335691 | 1.04 | 1.27 | |
| Coperchio Laterale (l) | ||||
| 38 | 335477 | 4.05 | 4.94 | |
| Guarnizione | ||||
| 39 | 335490 | 1.04 | 1.27 | |
| Pompa dell'olio | ||||
| 40 | 335474 | 10.35 | 12.63 | |
| Custodia del ingranaggio | ||||
| 41 | 335476 | 10.65 | 12.99 | |
| Bullone di regolazione | ||||
| 42 | 335967 | 3.30 | 4.03 | |
| O-RING (S-4) | ||||
| 43 | 981317 | 1.05 | 1.28 | |
| Conjunto di ingranaggi del mandrino incl.45,46 | ||||
| 44 | 335473 | 18.43 | 22.48 | |
| Conjunto di ingranaggi del mandrino incl.45,46 | ||||
| 44A | 371353 | 21.86 | 26.67 | |
| Cuscinetto a sfere 606zzmc3ps2s | ||||
| 45 | 606ZZM | 15.40 | 18.79 | |
| Cuscinetto a sfere 6202vvcmps2s | ||||
| 46 | 6202VV | 7.05 | 8.60 | |
| Set di armatura e pignone 220-230v | ||||
| 47 | 360957E | 55.69 | 67.94 | |
| Cuscinetto a sfere 6301vvcmps2s | ||||
| 48 | 6301VV | 8.55 | 10.43 | |
| Rondella | ||||
| 49 | 302428 | 1.04 | 1.27 | |
| Cuscinetto a sfera 6000 Vv, Cm9by, C8fse, G23ss | ||||
| 50 | 6000VV | 6.15 | 7.50 | |
| Guida Ventola | ||||
| 51 | 335481 | 1.04 | 1.27 | |
| Vite filettata a testa esagonale D5x50 | ||||
| 52 | 953121 | 1.04 | 1.27 | |
| Stator 220v-230v H-90sa Includ.103 Per Nzl,saf | ||||
| 53 | 340864E | 37.81 | 46.13 | |
| Staffa maniglia | ||||
| 54 | 335478 | 11.55 | 14.09 | |
| Etichetta di attenzione | ||||
| 55 | 335466 | 1.05 | 1.28 | |
| Nessuna informazione disponibile, non ordinabile | ||||
| 56 | 307811 | |||
| Copertura del Manico | ||||
| 57 | 335475 | 15.40 | 18.79 | |
| Copertura del Manico | ||||
| 57A | 335475 | 15.40 | 18.79 | |
| ALLOGGIAMENTO | ||||
| 58 | 335469 | 14.55 | 17.75 | |
| Cappuccio della spazzola | ||||
| 60 | 945161 | 1.20 | 1.46 | |
| Spazzola di carbone (1 paio) | ||||
| 61 | 999038 | 9.30 | 11.35 | |
| Spazzola di carbone (1 paio) | ||||
| 61 | 999065 | 7.95 | 9.70 | |
| Supporto della spazzola di carbone (vecchia 938241 | ||||
| 62 | 938241 | 6.45 | 7.87 | |
| Vite di regolazione esagonale M5x8 | ||||
| 63 | 938477 | 1.05 | 1.28 | |
| Suppressore di rumore | ||||
| 64 | 335462 | 1.04 | 1.27 | |
| Giunzione di saldatura 50092 (10 pezzi) | ||||
| 65 | 959141 | 3.75 | 4.58 | |
| Controller 100v-127v | ||||
| 66 | 335454 | 31.63 | 38.58 | |
| Controller 200v-240v | ||||
| 66 | 335455 | 25.44 | 31.03 | |
| POMELLO DI BLOCCAGGIO | ||||
| 67 | 335463 | 1.04 | 1.27 | |
| Pulsante di blocco Off | ||||
| 68 | 335464 | 1.04 | 1.27 | |
| Molla (a) Dh18vb | ||||
| 69 | 335465 | 1.04 | 1.27 | |
| Micro Interruttore | ||||
| 70 | 335460 | 1.95 | 2.38 | |
| Nessuna informazione disponibile, non ordinabile | ||||
| 71 | 335461 | |||
| Interruttore | ||||
| 72 | 335453 | 13.20 | 16.10 | |
| Protezione cavo D8.8 | ||||
| 73 | 380090 | 1.04 | 1.27 | |
| Boccola del cavo D10.1 | ||||
| 73 | 938051 | 1.04 | 1.27 | |
| Strip di serraggio (vecchio 994566) | ||||
| 74 | 937631 | 1.04 | 1.27 | |
| Nessuna informazione disponibile, non ordinabile | ||||
| 75 | 984750 | |||
| Nessuna informazione disponibile, non ordinabile | ||||
| 76 | 336381 | |||
| Cavo (hol) L5030 Per Rus | ||||
| 76A | 337723 | 13.80 | 16.84 | |
| Cavo (hol) | ||||
| 76A | 337722 | 3.00 | 3.66 | |
| Nessuna informazione disponibile, non ordinabile | ||||
| 501 | 6699115 | |||
| Nessuna informazione disponibile, non ordinabile | ||||
| 501A | 6685440 | |||
| Clip di spina eccetto per Rus | ||||
| 502 | 309686 | 4.05 | 4.94 | |