Qui troverai tutte le parti e i disegni disponibili di “Hikoki CS33EDT”. Da qui puoi ordinare direttamente tutte le parti desiderate. Molte parti devono essere ordinate dal produttore, a seconda della marca, ciò richiede da una a quattro settimane. Tutte le informazioni che abbiamo sono sul nostro sito web, non possiamo consigliarti su ciò di cui hai bisogno, per questo dovrai restituire la macchina per la riparazione. Nota quanto segue al momento dell’ordinazione:
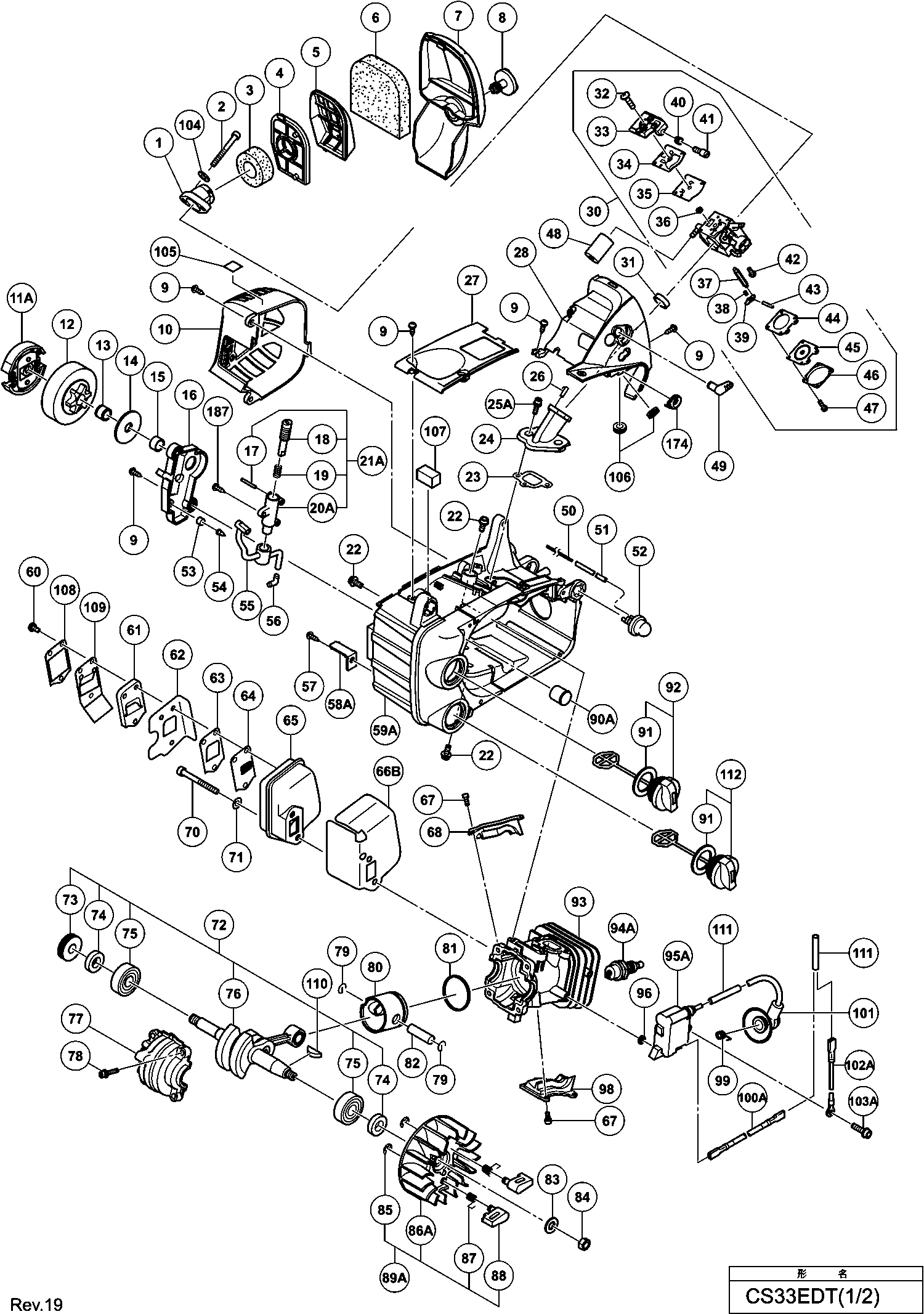
Disegni tecnici di Hikoki CS33EDT
Elenco parti di Hikoki CS33EDT
| Pos. | Descrizione | Prezzo IVA escl | Prezzo IVA incl | |
| I prezzi indicati sono comprensivi di IVA | ||||
| Nessuna informazione disponibile, non ordinabile | ||||
| *148A | 6697854 | |||
| Nessuna informazione disponibile, non ordinabile | ||||
| *149 | 6696991 | |||
| Nessuna informazione disponibile, non ordinabile | ||||
| *501 | 6685439 | |||
| Base del filtro dell'aria (vecchia 436-56300-20) | ||||
| 1 | 6685225 | 1.15 | 1.40 | |
| Vite a testa esagonale M5x45 (10 pezzi) | ||||
| 2 | 949824 | 3.90 | 4.76 | |
| Nessuna informazione disponibile, non ordinabile | ||||
| 3 | 6685229 | |||
| Elemento del filtro dell'aria | ||||
| 4 | 6685230 | 3.30 | 4.03 | |
| Elemento del filtro dell'aria | ||||
| 5 | 6685231 | 3.30 | 4.03 | |
| Spugna per la pulizia | ||||
| 6 | 6696825 | 1.20 | 1.46 | |
| Coprifiltro dell'aria | ||||
| 7 | 6696785 | 4.20 | 5.12 | |
| Pulsante del pulitore | ||||
| 8 | 6696786 | 1.20 | 1.46 | |
| Vite Autofilettante (con flangia) D4x16 (nero) | ||||
| 9 | 305812 | 1.04 | 1.27 | |
| Copertura del silenziatore | ||||
| 10 | 6696821 | 7.95 | 9.70 | |
| Nessuna informazione disponibile, non ordinabile | ||||
| 11A | 6600316 | |||
| CARTER FRIZIONE | ||||
| 12 | 6698856 | 14.25 | 17.38 | |
| CUSCINETTO A RULLINI | ||||
| 13 | 6685361 | 4.05 | 4.94 | |
| Rondella | ||||
| 14 | 6685414 | 1.05 | 1.28 | |
| Non più disponibile, nessuna sostituzione | ||||
| 15 | 6685360 | |||
| Coperchio della pompa dell'olio | ||||
| 16A | 6699610 | 2.80 | 3.42 | |
| Rullo ad ago | ||||
| 17 | 6685356 | 1.05 | 1.28 | |
| Ingranaggio della pompa | ||||
| 18 | 6685354 | 2.10 | 2.56 | |
| Molla di ingranaggio della pompa | ||||
| 19 | 6685355 | 1.05 | 1.28 | |
| Caso della pompa (vecchio 6685353) | ||||
| 20A | 6699119 | 7.50 | 9.15 | |
| Assemblea della pompa (vecchio 6696788) | ||||
| 21A | 6699120 | 9.30 | 11.35 | |
| Bullone di blocco guarnizione M5x15 (vecchio 990-5 | ||||
| 22 | 6685136 | 1.15 | 1.40 | |
| Nessuna informazione disponibile, non ordinabile | ||||
| 23 | 6698849 | |||
| Prendi aria | ||||
| 24 | 6696794 | 4.20 | 5.12 | |
| Vite con foro esagonale M4 | ||||
| 25A | 6698792 | 1.20 | 1.46 | |
| Guida ad impulsi (vecchio 431-32970-20) | ||||
| 26 | 6685203 | 1.15 | 1.40 | |
| Coperchio del alloggiamento del motore | ||||
| 27 | 6696812 | 3.15 | 3.84 | |
| Corpo del pulitore | ||||
| 28 | 6696792 | 4.65 | 5.67 | |
| Carburatore Ass'y | ||||
| 30 | 6696795 | 83.60 | 101.99 | |
| Distanziatore di ingresso | ||||
| 31 | 6698857 | 1.20 | 1.46 | |
| Vite (vecchia 514-25001-20) | ||||
| 32 | 6685210 | 1.15 | 1.40 | |
| Nessuna informazione disponibile, non ordinabile | ||||
| 33 | 6685211 | |||
| Guarnizione della pompa (vecchio 577-25007-20) | ||||
| 34 | 6685212 | 2.31 | 2.82 | |
| Diaframma della pompa (vecchio 576-25006-20) | ||||
| 35 | 6685213 | 4.45 | 5.43 | |
| Schermo di ingresso (vecchio 578-25007-20) | ||||
| 36 | 6684700 | 4.29 | 5.23 | |
| Valvola a ago (vecchio 603-25012-20) | ||||
| 37 | 6685215 | 5.28 | 6.44 | |
| Molla della valvola (vecchio 477-25343-20) | ||||
| 38 | 6685216 | 2.31 | 2.82 | |
| Leva di controllo (vecchio 473-25001-20) | ||||
| 39 | 6685217 | 3.30 | 4.03 | |
| Molla di regolazione al minimo (vecchio 463-25006- | ||||
| 40 | 6685297 | 2.31 | 2.82 | |
| Vite di regolazione al minimo (vecchio 462-25016-2 | ||||
| 41 | 6685298 | 2.31 | 2.82 | |
| Vite di fissaggio per perno cerniera (vecchio 546- | ||||
| 42 | 6685218 | 2.31 | 2.82 | |
| Perno della cerniera (vecchio 605-25001-20) | ||||
| 43 | 6685219 | 1.15 | 1.40 | |
| Non più disponibile, nessuna sostituzione | ||||
| 44 | 6685220 | |||
| Non più disponibile, nessuna sostituzione | ||||
| 45 | 6684690 | |||
| Coperchio del diaframma (vecchio 476-25004-20) | ||||
| 46 | 6685222 | 4.45 | 5.43 | |
| Vite di regolazione (vecchio 548-25012-20) | ||||
| 47 | 6685223 | 1.15 | 1.40 | |
| Spugna idolo | ||||
| 48 | 6696793 | 1.20 | 1.46 | |
| Leva del starter (vecchio 495-56300-20) | ||||
| 49 | 6685206 | 1.15 | 1.40 | |
| Bobina protettiva | ||||
| 50 | 6698699 | 1.20 | 1.46 | |
| Nessuna informazione disponibile, non ordinabile | ||||
| 51 | 6698850 | |||
| Pompa di adescamento Comp. (vecchio 442-25143-80) | ||||
| 52 | 6685139 | 5.94 | 7.24 | |
| Nessuna informazione disponibile, non ordinabile | ||||
| 53 | 6685371 | |||
| Valvola di sfiato dell'aria (b) | ||||
| 54 | 6685370 | 2.10 | 2.56 | |
| Tubo dell'olio | ||||
| 55 | 6696811 | 2.10 | 2.56 | |
| Giunto del Tubo | ||||
| 56 | 6685358 | 1.05 | 1.28 | |
| Vite di Lamiera Flangiata D5x15 | ||||
| 57 | 6698456 | 1.05 | 1.28 | |
| Acchiappacatena | ||||
| 58A | 6699950 | 1.04 | 1.27 | |
| Custodia del motore | ||||
| 59A | 6696807 | 34.24 | 41.77 | |
| Vite di Macchina M4x12 (nera) con Rondella | ||||
| 60 | 935196 | 1.04 | 1.27 | |
| Tubo di scappamento | ||||
| 61 | 6696816 | 1.20 | 1.46 | |
| Confezione speciale del silenziatore | ||||
| 62 | 6696818 | 1.20 | 1.46 | |
| Piastra di fissaggio della griglia | ||||
| 63 | 6696817 | 1.20 | 1.46 | |
| Maglia di scarico | ||||
| 64 | 6696815 | 1.20 | 1.46 | |
| SILENZIATORE | ||||
| 65 | 6696814 | 8.40 | 10.25 | |
| Nessuna informazione disponibile, non ordinabile | ||||
| 66B | 6600445 | |||
| Vite (10 pezzi) | ||||
| 67 | 949812 | 2.40 | 2.93 | |
| Nessuna informazione disponibile, non ordinabile | ||||
| 68 | 6696766 | |||
| Nessuna informazione disponibile, non ordinabile | ||||
| 70 | 6696819 | |||
| Rondella M6 (10 Pezzi) | ||||
| 71 | 949432 | 1.05 | 1.28 | |
| Insieme di Verme della Manovella | ||||
| 72 | 6698853 | 66.55 | 81.19 | |
| Verme | ||||
| 73 | 6685330 | 4.50 | 5.49 | |
| Guarnizione dell'olio | ||||
| 74 | 6685329 | 2.10 | 2.56 | |
| CUSCINETTO A SFERE | ||||
| 75 | 6685328 | 3.00 | 3.66 | |
| Nessuna informazione disponibile, non ordinabile | ||||
| 76 | 6696762 | |||
| Carter della manovella | ||||
| 77 | 6696767 | 5.70 | 6.95 | |
| Nessuna informazione disponibile, non ordinabile | ||||
| 78 | 6698386 | |||
| Clip di Cir | ||||
| 79 | 6685326 | 1.05 | 1.28 | |
| PISTONE | ||||
| 80 | 6698806 | 13.36 | 16.30 | |
| Anello del pistone (xr1-1856) | ||||
| 81 | 6685331 | 4.05 | 4.94 | |
| Spina del pistone (vecchio 6685079) | ||||
| 82 | 6696764 | 1.20 | 1.46 | |
| Rondella | ||||
| 83 | 6685103 | 1.15 | 1.40 | |
| Dado per volano (vecchio 066-00000-20) | ||||
| 84 | 6685104 | 1.15 | 1.40 | |
| Anello di ritenzione D4 | ||||
| 85 | 6685336 | 1.05 | 1.28 | |
| Rotor di magneto comp. | ||||
| 86A | 6600053 | 8.85 | 10.80 | |
| Molla | ||||
| 87 | 6685335 | 1.05 | 1.28 | |
| Rocchetto di avviamento | ||||
| 88 | 6685334 | 1.05 | 1.28 | |
| Sottogruppo magneto | ||||
| 89A | 6600090 | 36.71 | 44.79 | |
| Cap interno Ass'y | ||||
| 90A | 6685351 | 4.50 | 5.49 | |
| Imballaggio del tappo del serbatoio (vecchio 630-3 | ||||
| 91 | 6685179 | 1.15 | 1.40 | |
| Nessuna informazione disponibile, non ordinabile | ||||
| 92 | 6698854 | |||
| CILINDRO | ||||
| 93A | 6601440 | 44.55 | 54.35 | |
| Nessuna informazione disponibile, non ordinabile | ||||
| 94A | 6699320 | |||
| Bobina | ||||
| 95A | 6699999 | 38.64 | 47.14 | |
| Non più disponibile, nessuna sostituzione | ||||
| 96 | 6698700 | |||
| Nessuna informazione disponibile, non ordinabile | ||||
| 98 | 6696765 | |||
| Raccordo in metallo del cappuccio della spina (a) | ||||
| 99 | 6696772 | 1.20 | 1.46 | |
| Cavo (a) | ||||
| 100A | 6696787 | 1.20 | 1.46 | |
| SPARK PLUG CAP | ||||
| 101 | 6696771 | 1.98 | 2.42 | |
| Cavo (b) | ||||
| 102A | 6696791 | 1.20 | 1.46 | |
| Bullone a testa esagonale M4x18 (con rondelle) | ||||
| 103A | 6696326 | 1.20 | 1.46 | |
| Rondella | ||||
| 104 | 6685226 | 1.15 | 1.40 | |
| Etichetta di avvertimento (caldo) | ||||
| 105 | 6698864 | 1.20 | 1.46 | |
| OCCHIELLO | ||||
| 106 | 6698787 | 1.80 | 2.20 | |
| Foglio di Protezione | ||||
| 107 | 6698860 | 1.20 | 1.46 | |
| Piastra di imballaggio | ||||
| 108 | 6698861 | 1.20 | 1.46 | |
| Imballaggio speciale (s) | ||||
| 109 | 6698862 | 1.20 | 1.46 | |
| Chiavetta a semiluna 3x13x4,5 (vecchio 068-10100-2 | ||||
| 110 | 6684899 | 2.15 | 2.62 | |
| Nessuna informazione disponibile, non ordinabile | ||||
| 111 | 6698863 | |||
| Tappo del serbatoio completo | ||||
| 112 | 6698358 | 4.20 | 5.12 | |
| Bobina di accensione Ass'y | ||||
| 113 | 6601441 | 32.59 | 39.76 | |
| Vite per lamiera (con flangia) D5x40 | ||||
| 121A | 6699403 | 1.04 | 1.27 | |
| Nessuna informazione disponibile, non ordinabile | ||||
| 122 | 6698858 | |||
| Collare 28.2 | ||||
| 123 | 6696800 | 2.10 | 2.56 | |
| Ammortizzatore | ||||
| 124 | 6696775 | 1.20 | 1.46 | |
| Manico Posteriore | ||||
| 125 | 6696774 | 4.65 | 5.67 | |
| Blocco del commutatore | ||||
| 126A | 6685244 | 1.15 | 1.40 | |
| Cavo dell'acceleratore | ||||
| 127 | 6696797 | 2.10 | 2.56 | |
| Nessuna informazione disponibile, non ordinabile | ||||
| 128 | 6696940 | |||
| Non più disponibile, nessuna sostituzione | ||||
| 128A | 6601275 | |||
| NUT M6 | ||||
| 129 | 6698449 | 1.00 | 1.22 | |
| Molla lever dell'acceleratore | ||||
| 130 | 6698691 | 1.20 | 1.46 | |
| Leva dell'acceleratore (vecchio 060-72930-20) | ||||
| 131 | 6685242 | 1.15 | 1.40 | |
| Portamolla | ||||
| 132 | 6698409 | 2.10 | 2.56 | |
| Bullone del Set di Ammortizzatore | ||||
| 133 | 6698859 | 1.20 | 1.46 | |
| Molla Antivibrazione | ||||
| 134 | 6698428 | 2.10 | 2.56 | |
| DADO M8 | ||||
| 136 | 6698581 | 1.20 | 1.46 | |
| Coperchio Laterale | ||||
| 137A | 6696776 | 10.65 | 12.99 | |
| Piastra di supporto freno | ||||
| 138 | 6696782 | 4.20 | 5.12 | |
| Molla della leva del freno | ||||
| 139 | 6696783 | 1.20 | 1.46 | |
| Assemblaggio del collegamento del freno | ||||
| 140 | 6685388 | 4.05 | 4.94 | |
| Nessuna informazione disponibile, non ordinabile | ||||
| 141 | 6685140 | |||
| Rullo di aghi D3 | ||||
| 142 | 6685391 | 1.05 | 1.28 | |
| Molla del freno (vecchio 6685167) | ||||
| 143 | 6685389 | 1.05 | 1.28 | |
| Non più disponibile, nessuna sostituzione | ||||
| 144A | 6698986 | |||
| Piastra guida (b) (vecchio 6685157) | ||||
| 145 | 6696784 | 2.10 | 2.56 | |
| Vite di trapano D3 | ||||
| 146 | 696352 | 1.13 | 1.37 | |
| VITE C M4X35 | ||||
| 147 | 958715 | 1.04 | 1.27 | |
| Nessuna informazione disponibile, non ordinabile | ||||
| 148A | 6697854 | |||
| Nessuna informazione disponibile, non ordinabile | ||||
| 149 | 6696991 | |||
| Tubo del Carburante | ||||
| 150 | 6698715 | 9.75 | 11.90 | |
| Tubo del carburante (fkm) L240 | ||||
| 152 | 6698851 | 11.55 | 14.09 | |
| Tubo del carburante (fkm) L260 | ||||
| 154 | 6698852 | 12.05 | 14.70 | |
| Passacavo del carburante (vecchio 701-72930-20) | ||||
| 155 | 6696167 | 1.15 | 1.40 | |
| Manico Posteriore (a) | ||||
| 156 | 6696773 | 4.20 | 5.12 | |
| Nessuna informazione disponibile, non ordinabile | ||||
| 157A | 6600026 | |||
| Non più disponibile, nessuna sostituzione | ||||
| 158A | 6696798 | |||
| Maniglia del freno (vecchio 6696778) | ||||
| 159 | 6698866 | 6.60 | 8.05 | |
| Coperchio del collegamento del freno | ||||
| 161 | 6696779 | 1.20 | 1.46 | |
| Filtro della pompa | ||||
| 162A | 6600351 | 2.70 | 3.29 | |
| Nessuna informazione disponibile, non ordinabile | ||||
| 163 | 6685311 | |||
| Corpo del filtro dell'olio | ||||
| 164 | 6685310 | 1.05 | 1.28 | |
| Nessuna informazione disponibile, non ordinabile | ||||
| 165 | 6696804 | |||
| Rondella | ||||
| 166 | 6685407 | 1.05 | 1.28 | |
| Deviatore d'aria | ||||
| 167 | 6696790 | 2.10 | 2.56 | |
| Avviamento a strappo (s) | ||||
| 168B | 6699417 | 17.46 | 21.30 | |
| Vite a tagliente (con flangia) D4x20 (nero) | ||||
| 169 | 302086 | 1.05 | 1.28 | |
| Tubo isolante del cavo dal 11 2013 | ||||
| 171 | 6698457 | 1.05 | 1.28 | |
| SPRING COVER | ||||
| 172 | 6698865 | 1.08 | 1.32 | |
| Passacavo del carburante | ||||
| 173 | 6685308 | 1.05 | 1.28 | |
| Nessuna informazione disponibile, non ordinabile | ||||
| 174 | 6699404 | |||
| VITE DI BLOCCO | ||||
| 175 | 6699475 | 1.04 | 1.27 | |
| Nessuna informazione disponibile, non ordinabile | ||||
| 176 | 6699483 | |||
| Non più disponibile, nessuna sostituzione | ||||
| 177 | 6699480 | |||
| VITE DI BLOCCO | ||||
| 178 | 6699476 | 1.04 | 1.27 | |
| Non più disponibile, nessuna sostituzione | ||||
| 179 | 6699478 | |||
| Molla ammortizzatore | ||||
| 180 | 6699479 | 1.65 | 2.01 | |
| Bobina | ||||
| 181 | 6699484 | 2.40 | 2.93 | |
| Corda di avviamento | ||||
| 182 | 6699469 | 1.04 | 1.27 | |
| Ferma corda | ||||
| 183 | 6699465 | 1.04 | 1.27 | |
| Pulsante di avviamento | ||||
| 184 | 6699467 | 1.95 | 2.38 | |
| Non più disponibile, nessuna sostituzione | ||||
| 185 | 6699473 | |||
| Carcassa della ventola | ||||
| 186 | 6699490 | 10.35 | 12.63 | |
| Vite autofilettante (con flangia) D4 | ||||
| 187 | 6699947 | 1.04 | 1.27 | |
| Nessuna informazione disponibile, non ordinabile | ||||
| 501 | 6685439 | |||
| Nessuna informazione disponibile, non ordinabile | ||||
| 502 | 6698582 | |||