Qui troverai tutte le parti e i disegni disponibili di “Hikoki CS33EB”. Da qui puoi ordinare direttamente tutte le parti desiderate. Molte parti devono essere ordinate dal produttore, a seconda della marca, ciò richiede da una a quattro settimane. Tutte le informazioni che abbiamo sono sul nostro sito web, non possiamo consigliarti su ciò di cui hai bisogno, per questo dovrai restituire la macchina per la riparazione. Nota quanto segue al momento dell’ordinazione:
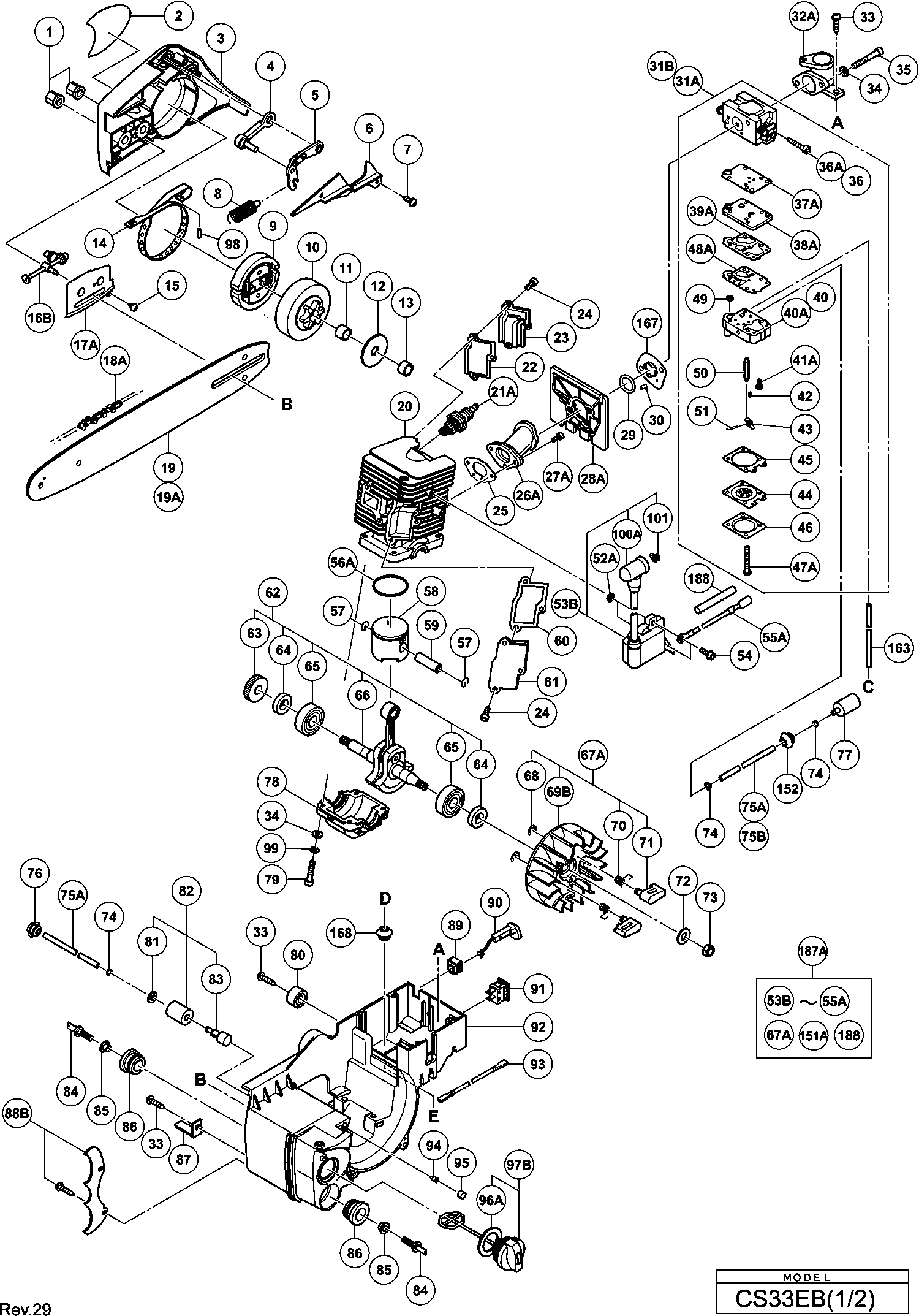
Disegni tecnici di Hikoki CS33EB
Elenco parti di Hikoki CS33EB
| Pos. | Descrizione | Prezzo IVA escl | Prezzo IVA incl | |
| I prezzi indicati sono comprensivi di IVA | ||||
| Nessuna informazione disponibile, non ordinabile | ||||
| *18A | 6697889 | |||
| Nessuna informazione disponibile, non ordinabile | ||||
| *19A | 6696992 | |||
| Assemblea candela (vecchio 6685085) | ||||
| *21A | 6699317 | 6.76 | 8.25 | |
| Nessuna informazione disponibile, non ordinabile | ||||
| *501 | 6685440 | |||
| Nessuna informazione disponibile, non ordinabile | ||||
| *601A | 6696992 | |||
| Dado di serraggio per asta della catena | ||||
| 1 | 6685416 | 1.05 | 1.28 | |
| Sottoassieme di coperchio laterale | ||||
| 3 | 6685406 | 8.85 | 10.80 | |
| Copertura laterale sotto-assembly (verde) | ||||
| 3 | 6685422 | 8.85 | 10.80 | |
| MONTAGGIO SUPPORTO FRENO | ||||
| 4 | 6685387 | 4.05 | 4.94 | |
| Assemblaggio del collegamento del freno | ||||
| 5 | 6685388 | 4.05 | 4.94 | |
| Coperchio del collegamento del freno | ||||
| 6 | 6685392 | 1.05 | 1.28 | |
| Vite Autofilettante (con flangia) D4x16 (nero) | ||||
| 7 | 305812 | 1.04 | 1.27 | |
| Molla del freno (vecchio 6685167) | ||||
| 8 | 6685389 | 1.05 | 1.28 | |
| Nessuna informazione disponibile, non ordinabile | ||||
| 9 | 6685362 | |||
| CARTER FRIZIONE | ||||
| 10 | 6685403 | 10.20 | 12.44 | |
| CUSCINETTO A RULLINI | ||||
| 11 | 6685361 | 4.05 | 4.94 | |
| Rondella | ||||
| 12 | 6685414 | 1.05 | 1.28 | |
| Non più disponibile, nessuna sostituzione | ||||
| 13 | 6685360 | |||
| Fascia freno | ||||
| 14 | 6685390 | 4.05 | 4.94 | |
| Vite filettante D3 | ||||
| 15 | 6685415 | 1.05 | 1.28 | |
| Estrattore di Catena | ||||
| 16B | 6698986 | 13.35 | 16.29 | |
| Piastra di Guida | ||||
| 17A | 6685394 | 2.10 | 2.56 | |
| Nessuna informazione disponibile, non ordinabile | ||||
| 18A | 6697889 | |||
| Nessuna informazione disponibile, non ordinabile | ||||
| 19 | 6685262 | |||
| Nessuna informazione disponibile, non ordinabile | ||||
| 19A | 6696992 | |||
| Cilindro (a) | ||||
| 20 | 6685404 | 56.65 | 69.11 | |
| CILINDRO | ||||
| 20 | 6685405 | 56.65 | 69.11 | |
| Assemblea candela Bpmr6a (vecchio 6685086) | ||||
| 21A | 6699319 | 8.91 | 10.87 | |
| Assemblea candela (vecchio 6685085) | ||||
| 21A | 6699317 | 6.76 | 8.25 | |
| Imballo del coperchio (b) | ||||
| 22 | 6685317 | 1.05 | 1.28 | |
| Coperchio della valvola di scarico (b) | ||||
| 23 | 6685315 | 2.10 | 2.56 | |
| Sigillo Blocco Hex. Bullone a testa esagonale M4x8 | ||||
| 24 | 6696315 | 1.20 | 1.46 | |
| Guarnizione | ||||
| 25 | 6685318 | 1.05 | 1.28 | |
| Ingestione (a) | ||||
| 26A | 6698897 | 6.90 | 8.42 | |
| Serratura esagonale, bullone testa M4x10 | ||||
| 27A | 6696860 | 1.05 | 1.28 | |
| Isolante del carburatore | ||||
| 28A | 6698898 | 2.10 | 2.56 | |
| Anello O | ||||
| 29 | 6696316 | 1.20 | 1.46 | |
| Guida di impulso | ||||
| 30 | 6685321 | 1.05 | 1.28 | |
| Nessuna informazione disponibile, non ordinabile | ||||
| 31 | 6685435 | |||
| Carburatore (c) Wlb-3 fino ad aprile 2011 (vecchio | ||||
| 31A | 6685437 | 96.94 | 118.26 | |
| Carburatore Ass'y (e) Wlb-5 | ||||
| 31B | 6698683 | 96.94 | 118.26 | |
| Supporto pulitore (vecchio 6685323) | ||||
| 32A | 6696843 | 4.20 | 5.12 | |
| Vite a tagliente (con flangia) D5x20 (nero) | ||||
| 33 | 302089 | 1.05 | 1.28 | |
| Rondella | ||||
| 34 | 6685408 | 1.05 | 1.28 | |
| Bullone a testa esagonale M5x45 | ||||
| 35 | 6696317 | 1.20 | 1.46 | |
| Vite di regolazione del minimo | ||||
| 36 | 6699731 | 3.80 | 4.64 | |
| Vite di regolazione del minimo | ||||
| 36A | 6696318 | 14.85 | 18.12 | |
| Guarnizione di passaggio | ||||
| 37A | 6696319 | 5.11 | 6.24 | |
| Piastra di passaggio | ||||
| 38A | 6696320 | 22.99 | 28.04 | |
| Guarnizione della pompa (vecchio 577-25292-20 & 66 | ||||
| 39A | 6684692 | 29.19 | 35.61 | |
| Corpo Ass'y Pompa | ||||
| 40 | 6699645 | 13.76 | 16.79 | |
| Corpo della pompa | ||||
| 40A | 6696322 | 27.23 | 33.21 | |
| Non più disponibile, nessuna sostituzione | ||||
| 41A | 6691305 | |||
| Molla della leva di misurazione | ||||
| 42 | 6696323 | 4.63 | 5.64 | |
| Leva di controllo (vecchio 473-25001-20) | ||||
| 43 | 6685217 | 3.30 | 4.03 | |
| Non più disponibile, nessuna sostituzione | ||||
| 44 | 6684690 | |||
| Non più disponibile, nessuna sostituzione | ||||
| 45 | 6685220 | |||
| Coperchio del diaframma (vecchio 476-25004-20) | ||||
| 46 | 6685222 | 4.45 | 5.43 | |
| Vite di regolazione (vecchio 548-25151-20 & 669632 | ||||
| 47A | 6684699 | 2.15 | 2.62 | |
| Diaframma della pompa (vecchio 576-25100-20 & 6696 | ||||
| 48A | 6684693 | 8.58 | 10.46 | |
| Schermo di ingresso (vecchio 578-25007-20) | ||||
| 49 | 6684700 | 4.29 | 5.23 | |
| Valvola a ago (vecchio 603-25012-20) | ||||
| 50 | 6685215 | 5.28 | 6.44 | |
| Perno della cerniera (vecchio 605-25001-20) | ||||
| 51 | 6685219 | 1.15 | 1.40 | |
| Non più disponibile, nessuna sostituzione | ||||
| 52A | 6698700 | |||
| Non più disponibile, nessuna sostituzione | ||||
| 53B | 6699989 | |||
| Bullone a testa esagonale M4x18 (con rondelle) | ||||
| 54 | 6696326 | 1.20 | 1.46 | |
| Cavo (b) (vecchio 6685338) | ||||
| 55A | 6699991 | 1.05 | 1.28 | |
| Anello del pistone (xr1-1856) | ||||
| 56A | 6685331 | 4.05 | 4.94 | |
| Clip di Cir | ||||
| 57 | 6685326 | 1.05 | 1.28 | |
| PISTONE | ||||
| 58 | 6696313 | 22.83 | 27.85 | |
| PISTONE | ||||
| 58 | 6685325 | 7.65 | 9.33 | |
| Spinotto del pistone | ||||
| 59 | 6685327 | 1.05 | 1.28 | |
| Imballo del coperchio (a) | ||||
| 60 | 6685316 | 1.05 | 1.28 | |
| Coperchio della valvola di scarico (a) | ||||
| 61 | 6685314 | 2.10 | 2.56 | |
| Insieme di Verme della Manovella | ||||
| 62 | 6685396 | 76.73 | 93.60 | |
| Verme | ||||
| 63 | 6685330 | 4.50 | 5.49 | |
| Guarnizione dell'olio | ||||
| 64 | 6685329 | 2.10 | 2.56 | |
| CUSCINETTO A SFERE | ||||
| 65 | 6685328 | 3.00 | 3.66 | |
| Albero Motore | ||||
| 66 | 6685324 | 43.86 | 53.51 | |
| Non più disponibile, nessuna sostituzione | ||||
| 67A | 6699993 | |||
| Anello di ritenzione D4 | ||||
| 68 | 6685336 | 1.05 | 1.28 | |
| Rotore del magneto | ||||
| 69A | 6699990 | 5.85 | 7.14 | |
| Rotore del magneto | ||||
| 69B | 6699990 | 5.85 | 7.14 | |
| Molla | ||||
| 70 | 6685335 | 1.05 | 1.28 | |
| Rocchetto di avviamento | ||||
| 71 | 6685334 | 1.05 | 1.28 | |
| Rondella | ||||
| 72 | 6685410 | 1.05 | 1.28 | |
| Dado | ||||
| 73 | 6685337 | 1.05 | 1.28 | |
| Clip D6 (vecchio 680-00070-20) | ||||
| 74 | 6685198 | 1.15 | 1.40 | |
| Tubo del Carburante | ||||
| 75A | 6698715 | 9.75 | 11.90 | |
| Nessuna informazione disponibile, non ordinabile | ||||
| 75B | 6698998 | |||
| Passacavo del carburante | ||||
| 76 | 6685308 | 1.05 | 1.28 | |
| Corpo filtro pompa (vecchio 675-11600-90/6692275/6 | ||||
| 77 | 6685199 | 4.45 | 5.43 | |
| Filtro della pompa | ||||
| 77A | 6600351 | 2.70 | 3.29 | |
| Carter della manovella | ||||
| 78 | 6685339 | 4.50 | 5.49 | |
| Bullone esagonale M5 | ||||
| 79 | 6685412 | 1.05 | 1.28 | |
| Ammortizzatore (b) | ||||
| 80 | 6685313 | 2.10 | 2.56 | |
| Rondella | ||||
| 81 | 6685407 | 1.05 | 1.28 | |
| Corpo filtro olio (vecchio 486-32710-90) | ||||
| 82 | 6685249 | 2.31 | 2.82 | |
| Corpo del filtro dell'olio | ||||
| 83 | 6685310 | 1.05 | 1.28 | |
| Bullone del Set di Ammortizzatore | ||||
| 84 | 6685413 | 1.05 | 1.28 | |
| Boccola Distanziatrice | ||||
| 85 | 696314 | 3.45 | 4.21 | |
| AMMORTIZZATORE (A) | ||||
| 86 | 6696327 | 4.20 | 5.12 | |
| Acchiappacatena | ||||
| 87 | 6685363 | 1.05 | 1.28 | |
| Perno | ||||
| 88B | 6696329 | 10.20 | 12.44 | |
| Gomma per asta del carburatore | ||||
| 89 | 6685369 | 1.05 | 1.28 | |
| Pulsante del Collettore di Scarico | ||||
| 90 | 6685368 | 1.05 | 1.28 | |
| Pulsante del Collettore di Scarico | ||||
| 90 | 6685421 | 1.05 | 1.28 | |
| Nessuna informazione disponibile, non ordinabile | ||||
| 91 | 6685364 | |||
| Non più disponibile, nessuna sostituzione | ||||
| 91A | 6601275 | |||
| Custodia del motore | ||||
| 92 | 6685307 | 27.50 | 33.55 | |
| Cavo (a) | ||||
| 93 | 6685365 | 1.05 | 1.28 | |
| Valvola di sfiato dell'aria (b) | ||||
| 94 | 6685370 | 2.10 | 2.56 | |
| Spugna per ventola di aria | ||||
| 95 | 66A6188 | 1.50 | 1.83 | |
| Imballaggio del tappo del serbatoio (vecchio 630-3 | ||||
| 96A | 6685179 | 1.15 | 1.40 | |
| Tappo del serbatoio completo | ||||
| 97A | 6698854 | 4.20 | 5.12 | |
| Tappo del serbatoio completo | ||||
| 97A | 6698855 | 4.20 | 5.12 | |
| Tappo del serbatoio completo | ||||
| 97B | 6698358 | 4.20 | 5.12 | |
| Rullo di aghi D3 | ||||
| 98 | 6685391 | 1.05 | 1.28 | |
| Rondella di molla M5 (10 pezzi) | ||||
| 99 | 949454 | 1.04 | 1.27 | |
| Nessuna informazione disponibile, non ordinabile | ||||
| 100B | 6601421 | |||
| Nessuna informazione disponibile, non ordinabile | ||||
| 101 | 6699186 | |||
| Bullone esagonale con bloccaggio M5x16 | ||||
| 121A | 6699415 | 1.80 | 2.20 | |
| Tubo di scappamento | ||||
| 122B | 6699412 | 1.04 | 1.27 | |
| Piastra di fissaggio della garza (b) | ||||
| 123B | 6699414 | 1.04 | 1.27 | |
| Maglia di scarico | ||||
| 124A | 6699413 | 1.04 | 1.27 | |
| Marmitta (b) | ||||
| 125A | 6699409 | 27.23 | 33.21 | |
| Marmitta (b) | ||||
| 125A | 6699410 | 5.70 | 6.95 | |
| Imballaggio del silenziatore | ||||
| 126 | 6685346 | 2.10 | 2.56 | |
| Coprifiltro dell'aria | ||||
| 127 | 6685382 | 2.10 | 2.56 | |
| Pulsante del pulitore | ||||
| 128A | 6696849 | 1.20 | 1.46 | |
| Asta dell'acceleratore | ||||
| 129A | 6696846 | 2.10 | 2.56 | |
| Impugnatura Posteriore | ||||
| 130A | 6698805 | 1.05 | 1.28 | |
| Blocco del commutatore | ||||
| 131 | 6685420 | 1.05 | 1.28 | |
| Blocco del commutatore | ||||
| 131 | 6685350 | 1.05 | 1.28 | |
| Molla leva gas (vecchio 6685349) | ||||
| 132A | 6600341 | 1.04 | 1.27 | |
| Spina a Molla 5x25 (vecchio 993-26005-254) | ||||
| 133 | 6685282 | 1.15 | 1.40 | |
| Regolatore | ||||
| 134 | 6685348 | 1.05 | 1.28 | |
| Regolatore | ||||
| 134 | 6685419 | 1.05 | 1.28 | |
| Cap interno Ass'y | ||||
| 135A | 6685351 | 4.50 | 5.49 | |
| Maniglia posteriore Ass'y Fino al 04/2011 | ||||
| 136 | 6685347 | 17.46 | 21.30 | |
| Manico Posteriore | ||||
| 136A | 6698685 | 20.90 | 25.50 | |
| Manico ad arco | ||||
| 137A | 6698997 | 9.15 | 11.16 | |
| Elemento del filtro dell'aria | ||||
| 138 | 6685378 | 8.10 | 9.88 | |
| Piastra di chiusura | ||||
| 139 | 6685381 | 1.05 | 1.28 | |
| Coperchio del cilindro | ||||
| 140 | 6685376 | 3.00 | 3.66 | |
| Coperchio del cilindro | ||||
| 140A | 6698687 | 10.20 | 12.44 | |
| Maniglia del freno | ||||
| 142 | 6685373 | 5.85 | 7.14 | |
| Molla della leva del freno | ||||
| 143 | 6685374 | 1.05 | 1.28 | |
| Rullo ad ago | ||||
| 144 | 6685356 | 1.05 | 1.28 | |
| Caso della pompa (vecchio 6685353) | ||||
| 145A | 6699118 | 7.50 | 9.15 | |
| Molla di ingranaggio della pompa | ||||
| 146 | 6685355 | 1.05 | 1.28 | |
| Ingranaggio della pompa | ||||
| 147 | 6685354 | 2.10 | 2.56 | |
| Non più disponibile, nessuna sostituzione | ||||
| 148 | 6685357 | |||
| Coperchio della pompa | ||||
| 149 | 6685359 | 1.05 | 1.28 | |
| Giunto del Tubo | ||||
| 150 | 6685358 | 1.05 | 1.28 | |
| Deviatore d'aria | ||||
| 151A | 6600345 | 1.04 | 1.27 | |
| Non più disponibile, nessuna sostituzione | ||||
| 152 | 6698931 | |||
| Avviamento a strappo incl.173-175,180-182,184 | ||||
| 160B | 6696847 | 20.90 | 25.50 | |
| Nessuna informazione disponibile, non ordinabile | ||||
| 160C | 6698684 | |||
| Vite di taglio (con flangia) D5x25 (nera) | ||||
| 162 | 305558 | 1.04 | 1.27 | |
| Nessuna informazione disponibile, non ordinabile | ||||
| 163 | 6698845 | |||
| Gommino di ritorno fino a 7.2014 (vecchio 6684627) | ||||
| 164A | 6697846 | 1.04 | 1.27 | |
| Tubo del carburante (vecchio 700-52545-26) | ||||
| 165 | 6692413 | 2.95 | 3.60 | |
| Pompa di adescamento Comp. (vecchio 442-25143-80) | ||||
| 166 | 6685139 | 5.94 | 7.24 | |
| INTAKE SPACER | ||||
| 167 | 6698847 | 9.90 | 12.08 | |
| Passacavo del carburante | ||||
| 168 | 6685308 | 1.05 | 1.28 | |
| Etichetta del primer dall'11.2013 per l'Europa | ||||
| 169 | 6699000 | 1.04 | 1.27 | |
| Nessuna informazione disponibile, non ordinabile | ||||
| 170 | 6698923 | |||
| Etichetta di marcatura del serbatoio | ||||
| 171 | 6698921 | 1.20 | 1.46 | |
| Etichetta di marcatura del serbatoio (25:1) | ||||
| 171 | 6698922 | 1.20 | 1.46 | |
| Etichetta di avvio dal 5.2011 per l'Europa | ||||
| 172 | 6698999 | 1.04 | 1.27 | |
| VITE DI BLOCCO | ||||
| 173 | 6699475 | 1.04 | 1.27 | |
| Non più disponibile, nessuna sostituzione | ||||
| 174 | 6699481 | |||
| Non più disponibile, nessuna sostituzione | ||||
| 175 | 6699480 | |||
| VITE DI BLOCCO | ||||
| 176 | 6699476 | 1.04 | 1.27 | |
| Non più disponibile, nessuna sostituzione | ||||
| 177 | 6699478 | |||
| Molla ammortizzatore | ||||
| 178 | 6699479 | 1.65 | 2.01 | |
| Bobina | ||||
| 179 | 6699485 | 2.40 | 2.93 | |
| Corda di avviamento | ||||
| 180 | 6699468 | 1.04 | 1.27 | |
| Corda di avviamento | ||||
| 180 | 6699469 | 1.04 | 1.27 | |
| Ferma corda | ||||
| 181 | 6699465 | 1.04 | 1.27 | |
| Pulsante di avviamento | ||||
| 182 | 6699467 | 1.95 | 2.38 | |
| Assemblea della maniglia dell'avviamento | ||||
| 183 | 6699471 | 3.15 | 3.84 | |
| Custodia ventola | ||||
| 184 | 6699486 | 7.80 | 9.52 | |
| Custodia ventola | ||||
| 184A | 6699494 | 11.10 | 13.54 | |
| Bullone Hd. M4x10 (con anello) | ||||
| 185 | 329983 | 1.65 | 2.01 | |
| Set Silenziatore (riparazione) Incl.121a,122b,123b | ||||
| 186 | 6699408 | 11.40 | 13.91 | |
| Set Silenziatore (riparazione) Incl.125a,121a Fino | ||||
| 186 | 6699407 | 9.30 | 11.35 | |
| Scarico (c) Ass'y (vecchio 6699406) | ||||
| 186A | 6601475 | 33.41 | 40.76 | |
| Set Magneto | ||||
| 187A | 6600344 | 34.93 | 42.61 | |
| Tubo isolante del cavo dal 11 2013 | ||||
| 188 | 6600343 | 1.04 | 1.27 | |
| Nessuna informazione disponibile, non ordinabile | ||||
| 501 | 6685440 | |||
| Chiave Combinata Box | ||||
| 502 | 6685402 | 3.15 | 3.84 | |
| Nessuna informazione disponibile, non ordinabile | ||||
| 601A | 6696992 | |||
| Perno | ||||
| 602 | 6696329 | 10.20 | 12.44 | |