Qui troverai tutte le parti e i disegni disponibili di “Hikoki CR18DMR”. Da qui puoi ordinare direttamente tutte le parti desiderate. Molte parti devono essere ordinate dal produttore, a seconda della marca, ciò richiede da una a quattro settimane. Tutte le informazioni che abbiamo sono sul nostro sito web, non possiamo consigliarti su ciò di cui hai bisogno, per questo dovrai restituire la macchina per la riparazione. Nota quanto segue al momento dell’ordinazione:
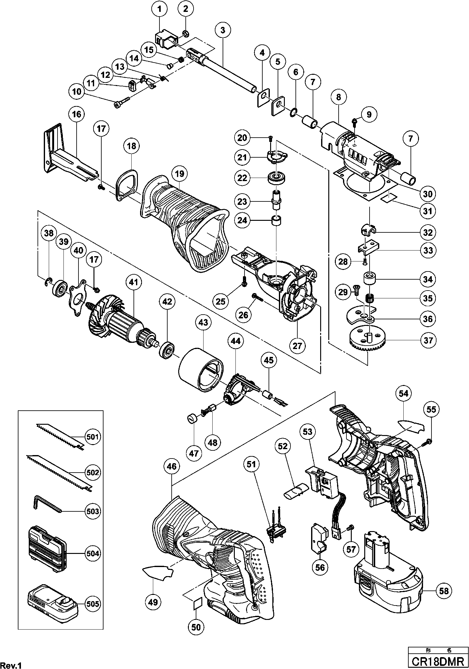
Disegni tecnici di Hikoki CR18DMR
Elenco parti di Hikoki CR18DMR
| Pos. | Descrizione | Prezzo IVA escl | Prezzo IVA incl | |
| I prezzi indicati sono comprensivi di IVA | ||||
| Porta lama da sega | ||||
| 1 | 321132 | 15.95 | 19.46 | |
| Dado M4 | ||||
| 2 | 322709 | 1.65 | 2.01 | |
| Stantuffo | ||||
| 3 | 324472 | 18.56 | 22.65 | |
| Guarnizione | ||||
| 4 | 996401 | 1.05 | 1.28 | |
| Imballaggio Di Feltro | ||||
| 5 | 996400 | 1.05 | 1.28 | |
| Anello di gomma | ||||
| 6 | 996407 | 1.05 | 1.28 | |
| Metallo D12x22 | ||||
| 7 | 956589 | 2.55 | 3.11 | |
| Coperchio interno | ||||
| 8 | 324471 | 18.56 | 22.65 | |
| Vite a brugola. (con rondella) M5x16 | ||||
| 9 | 305574 | 1.05 | 1.28 | |
| Bullone speciale M4 | ||||
| 10 | 322134 | 1.65 | 2.01 | |
| Cappuccio per Cr13vc | ||||
| 11 | 321130 | 1.35 | 1.65 | |
| Leva (a) Vb13y | ||||
| 12 | 321131 | 9.69 | 11.82 | |
| Molla | ||||
| 13 | 321135 | 2.55 | 3.11 | |
| Perno di supporto (b) Cr13vc | ||||
| 14 | 321134 | 12.45 | 15.19 | |
| Molla (b) | ||||
| 15 | 318483 | 1.20 | 1.46 | |
| Piastra di base KS 60 | ||||
| 16 | 319866 | 35.06 | 42.78 | |
| Vite della macchina M4x12 | ||||
| 17 | 951039 | 1.05 | 1.28 | |
| Piastra di copertura | ||||
| 18 | 324474 | 1.05 | 1.28 | |
| Caso Frontale | ||||
| 19 | 324473 | 18.56 | 22.65 | |
| SEAL LOCK PIATTO VITE M4X12 | ||||
| 20 | 993244 | 1.05 | 1.28 | |
| IMBALLAGGIO CUSCINETTO (B) | ||||
| 21 | 319849 | 1.35 | 1.65 | |
| Nessuna informazione disponibile, non ordinabile | ||||
| 22 | 6901ZZ | |||
| BARRA TOMMY | ||||
| 23 | 319848 | 8.85 | 10.80 | |
| Metallo (b) | ||||
| 24 | 954789 | 1.05 | 1.28 | |
| Bullone | ||||
| 25 | 996399 | 1.04 | 1.27 | |
| VITE D5X30 | ||||
| 26 | 986011 | 1.04 | 1.27 | |
| Copertura dell'ingranaggio | ||||
| 27 | 319844 | 35.00 | 42.70 | |
| Bullone | ||||
| 28 | 319875 | 3.00 | 3.66 | |
| BULLONE M6X16 | ||||
| 29 | 319851 | 1.35 | 1.65 | |
| Guarnizione | ||||
| 30 | 319856 | 3.00 | 3.66 | |
| Guarnizione | ||||
| 31 | 319874 | 1.35 | 1.65 | |
| Supporto | ||||
| 32 | 983567 | 5.11 | 6.24 | |
| Pezzo di connessione (vecchio 983568) | ||||
| 33 | 996405 | 19.94 | 24.32 | |
| GIUNTO | ||||
| 34 | 983541 | 22.00 | 26.84 | |
| Rullo ad ago | ||||
| 35 | 324470 | 3.30 | 4.03 | |
| Peso di bilanciamento Sv12v/sv12sd | ||||
| 36 | 319852 | 1.50 | 1.83 | |
| INGRANAGGIO | ||||
| 37 | 324469 | 13.65 | 16.65 | |
| Rondella | ||||
| 38 | 670514 | 1.05 | 1.28 | |
| Cuscinetto a sfere 6001vvcmps2l | ||||
| 39 | 6001VV | 6.60 | 8.05 | |
| Copertura del cuscinetto (b) | ||||
| 40 | 319843 | 1.35 | 1.65 | |
| Armatura DC 18v Includ.40-42,44 | ||||
| 41 | 360703 | 95.01 | 115.92 | |
| Cuscinetto a sfere 608vvmc2eps2l | ||||
| 42 | 608VVM | 5.70 | 6.95 | |
| Magnete | ||||
| 43 | 324468 | 26.54 | 32.38 | |
| blocco della spazzola completo | ||||
| 44 | 324478 | 4.20 | 5.12 | |
| Tubo termoretraibile | ||||
| 45 | 318247 | 1.05 | 1.28 | |
| Custodia (a).(b) Set | ||||
| 46 | 324475 | 69.99 | 85.38 | |
| Cappuccio della spazzola | ||||
| 47 | 319847 | 1.65 | 2.01 | |
| Spazzole di carbone (2 pezzi) (vecchio 999058) | ||||
| 48 | 999068 | 4.73 | 5.76 | |
| Pezzo terminale | ||||
| 51 | 324517 | 4.20 | 5.12 | |
| Pulsante di commutazione (s + d) | ||||
| 52 | 319760 | 1.05 | 1.28 | |
| Interruttore | ||||
| 53 | 319861 | 43.86 | 53.51 | |
| Vite a tagliente (con flangia) D4x20 (nero) | ||||
| 55 | 302086 | 1.05 | 1.28 | |
| Dissipatore di Calore Cr24dv/dv24dv | ||||
| 56 | 319812 | 2.85 | 3.48 | |
| Vite della macchina M3x12 | ||||
| 57 | 993963 | 1.05 | 1.28 | |
| Nessuna informazione disponibile, non ordinabile | ||||
| 58 | 322880 | |||
| Nessuna informazione disponibile, non ordinabile | ||||
| 501 | 318613 | |||
| Nessuna informazione disponibile, non ordinabile | ||||
| 502 | 318621 | |||
| Nessuna informazione disponibile, non ordinabile | ||||
| 503 | 944458 | |||
| Nessuna informazione disponibile, non ordinabile | ||||
| 504 | 324313 | |||
| Nessuna informazione disponibile, non ordinabile | ||||
| 602 | 958182 | |||
| Nessuna informazione disponibile, non ordinabile | ||||
| 603 | 958183 | |||
| Nessuna informazione disponibile, non ordinabile | ||||
| 604 | 959611 | |||
| Nessuna informazione disponibile, non ordinabile | ||||
| 605 | 958185 | |||
| Nessuna informazione disponibile, non ordinabile | ||||
| 606 | 958188 | |||
| Nessuna informazione disponibile, non ordinabile | ||||
| 607 | 996427 | |||
| Nessuna informazione disponibile, non ordinabile | ||||
| 608 | 959799 | |||
| Nessuna informazione disponibile, non ordinabile | ||||
| 609 | 959800 | |||
| Nessuna informazione disponibile, non ordinabile | ||||
| 610 | 318611 | |||
| Nessuna informazione disponibile, non ordinabile | ||||
| 611 | 318612 | |||
| Nessuna informazione disponibile, non ordinabile | ||||
| 612 | 318614 | |||
| Nessuna informazione disponibile, non ordinabile | ||||
| 613 | 324818 | |||
| Nessuna informazione disponibile, non ordinabile | ||||
| 614 | 324819 | |||
| Nessuna informazione disponibile, non ordinabile | ||||
| 615 | 318617 | |||
| Nessuna informazione disponibile, non ordinabile | ||||
| 616 | 318618 | |||
| Nessuna informazione disponibile, non ordinabile | ||||
| 617 | 318619 | |||
| Nessuna informazione disponibile, non ordinabile | ||||
| 618 | 318620 | |||
| Nessuna informazione disponibile, non ordinabile | ||||
| 619 | 318621 | |||