Qui troverai tutte le parti e i disegni disponibili di “Hikoki CR17Y”. Da qui puoi ordinare direttamente tutte le parti desiderate. Molte parti devono essere ordinate dal produttore, a seconda della marca, ciò richiede da una a quattro settimane. Tutte le informazioni che abbiamo sono sul nostro sito web, non possiamo consigliarti su ciò di cui hai bisogno, per questo dovrai restituire la macchina per la riparazione. Nota quanto segue al momento dell’ordinazione:
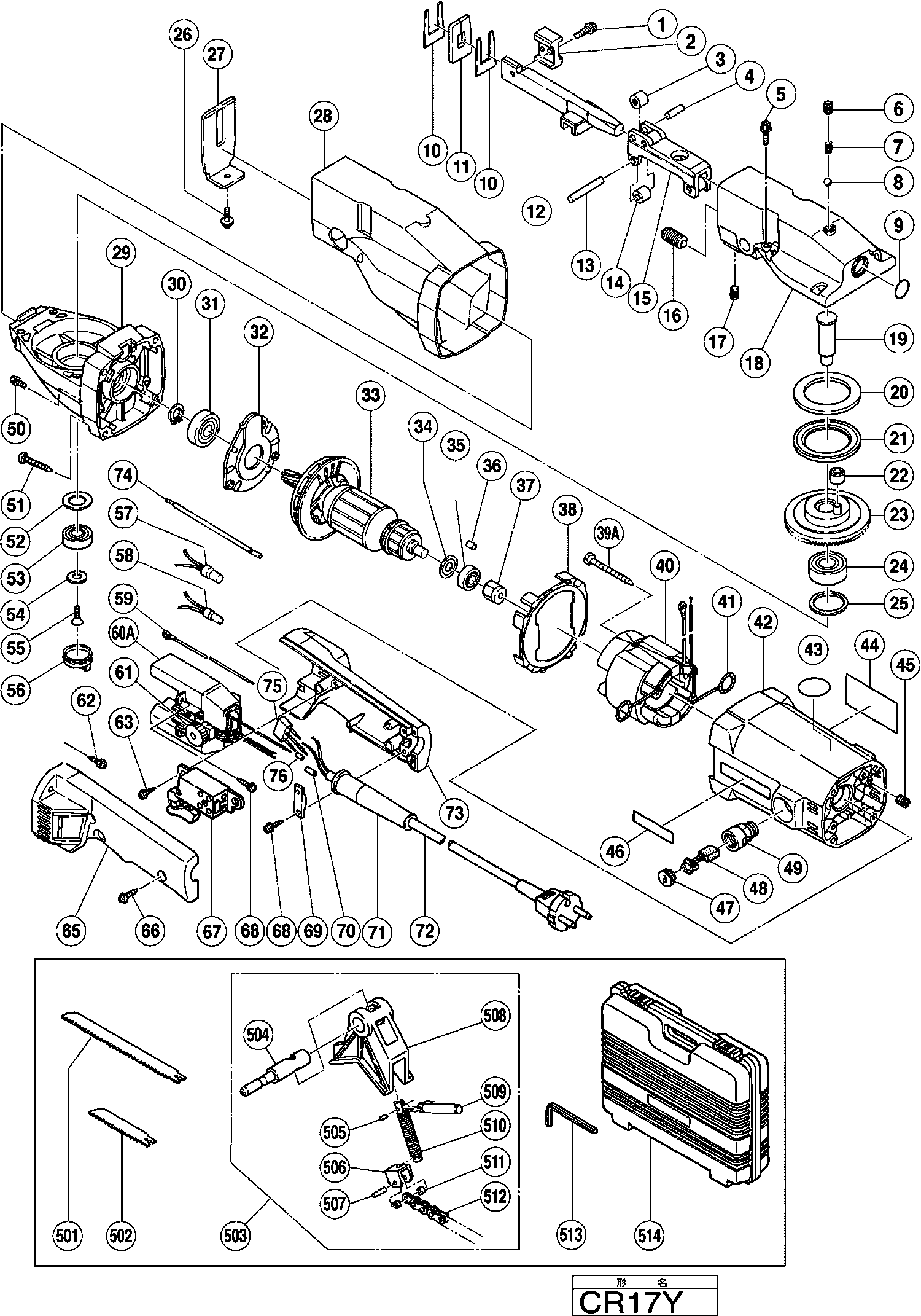
Disegni tecnici di Hikoki CR17Y
Elenco parti di Hikoki CR17Y
| Pos. | Descrizione | Prezzo IVA escl | Prezzo IVA incl | |
| I prezzi indicati sono comprensivi di IVA | ||||
| Nessuna informazione disponibile, non ordinabile | ||||
| *40 | 340246E | |||
| Nessuna informazione disponibile, non ordinabile | ||||
| *60 | 307842 | |||
| Interruttore | ||||
| *67 | 953178 | 37.95 | 46.30 | |
| Armatura del cavo D10.7 | ||||
| *71 | 940778 | 2.10 | 2.56 | |
| Glandola per cavo D8.2 (vecchia 958049z) | ||||
| *71 | 958049 | 1.04 | 1.27 | |
| Vite a brugola. (con rondella) M5x16 | ||||
| 1 | 305574 | 1.05 | 1.28 | |
| Nessuna informazione disponibile, non ordinabile | ||||
| 2 | 307121 | |||
| Cuscinetto a rullini Nk6/10t2 | ||||
| 3 | 984232 | 13.65 | 16.65 | |
| PIN (OLD 305581) | ||||
| 4 | 951534 | 1.00 | 1.22 | |
| Nessuna informazione disponibile, non ordinabile | ||||
| 5 | 305583 | |||
| Nessuna informazione disponibile, non ordinabile | ||||
| 6 | 305577 | |||
| Nessuna informazione disponibile, non ordinabile | ||||
| 7 | 305571 | |||
| Pallina di acciaio D6.35 (10 pezzi) | ||||
| 8 | 959150 | 1.35 | 1.65 | |
| O-RING (S-18) | ||||
| 9 | 878885 | 1.05 | 1.28 | |
| Nessuna informazione disponibile, non ordinabile | ||||
| 10 | 305575 | |||
| Nessuna informazione disponibile, non ordinabile | ||||
| 11 | 305576 | |||
| Nessuna informazione disponibile, non ordinabile | ||||
| 12A | 305572 | |||
| PINNA D6 | ||||
| 13 | 983564 | 3.00 | 3.66 | |
| MANICOTTO FILETTATO | ||||
| 14 | 305582 | 7.65 | 9.33 | |
| Nessuna informazione disponibile, non ordinabile | ||||
| 15 | 305580 | |||
| Nessuna informazione disponibile, non ordinabile | ||||
| 16 | 305563 | |||
| Vite di regolazione esagonale M5x8 | ||||
| 17 | 938477 | 1.05 | 1.28 | |
| Nessuna informazione disponibile, non ordinabile | ||||
| 18 | 305570 | |||
| BARRA TOMMY | ||||
| 19 | 305565 | 19.94 | 24.32 | |
| Rondella | ||||
| 20 | 305578 | 14.70 | 17.93 | |
| Nessuna informazione disponibile, non ordinabile | ||||
| 21 | 305579 | |||
| Nessuna informazione disponibile, non ordinabile | ||||
| 22 | 305567 | |||
| Nessuna informazione disponibile, non ordinabile | ||||
| 23 | 305566 | |||
| Cuscinetto a sfere 6202vvcmps2s | ||||
| 24 | 6202VV | 7.05 | 8.60 | |
| Nessuna informazione disponibile, non ordinabile | ||||
| 25 | 305719 | |||
| Nessuna informazione disponibile, non ordinabile | ||||
| 26 | 306017 | |||
| Piastra di base KS 60 | ||||
| 27 | 305585 | 3.90 | 4.76 | |
| Copertura isolante | ||||
| 28 | 305584 | 26.40 | 32.21 | |
| Nessuna informazione disponibile, non ordinabile | ||||
| 29 | 305562 | |||
| Rondella elastica D12 (10 pezzi) | ||||
| 30 | 939542 | 1.50 | 1.83 | |
| Cuscinetto a sfere 6201dducmav2s | ||||
| 31 | 6201DD | 6.30 | 7.69 | |
| Nessuna informazione disponibile, non ordinabile | ||||
| 32 | 305564 | |||
| STATORE 230V | ||||
| 33 | 360272E | 157.44 | 192.07 | |
| Rondella (a) | ||||
| 34 | 982631 | 1.04 | 1.27 | |
| Cuscinetto a sfere 608vvmc2eps2l | ||||
| 35 | 608VVM | 5.70 | 6.95 | |
| PENNA DI GOMMA | ||||
| 36 | 931701 | 1.05 | 1.28 | |
| Magnete | ||||
| 37 | 305559 | 12.75 | 15.56 | |
| Non più disponibile, nessuna sostituzione | ||||
| 38 | 305561 | |||
| Vite di taglio D5x60 | ||||
| 39A | 961501 | 1.04 | 1.27 | |
| STATOR ASS'Y 110V | ||||
| 40 | 340246J | 31.08 | 37.92 | |
| Punto di contatto Portaspazzola | ||||
| 41 | 930703 | 2.40 | 2.93 | |
| HUIS (GROENE GEDEELTE) | ||||
| 42 | 996078 | 38.44 | 46.90 | |
| Nessuna informazione disponibile, non ordinabile | ||||
| 43 | 986914 | |||
| Vite esagonale interna M4x6 | ||||
| 45 | 985114 | 1.05 | 1.28 | |
| Nessuna informazione disponibile, non ordinabile | ||||
| 46 | 957561 | |||
| Cappuccio della spazzola | ||||
| 47 | 945161 | 1.20 | 1.46 | |
| Spazzola di carbone (1 paio) | ||||
| 48 | 999043 | 4.50 | 5.49 | |
| Portaspazzole di Carbone | ||||
| 49 | 958900 | 6.45 | 7.87 | |
| Vite di blocco (con rondella sp.) M4x12 | ||||
| 50 | 987203 | 1.05 | 1.28 | |
| Vite D5x30 (vecchio 986011) | ||||
| 51 | 957580 | 1.05 | 1.28 | |
| Rondella | ||||
| 52 | 944525 | 1.05 | 1.28 | |
| Cuscinetto a sfera 6000 Vv, Cm9by, C8fse, G23ss | ||||
| 53 | 6000VV | 6.15 | 7.50 | |
| SLUITRING | ||||
| 54 | 953338 | 1.26 | 1.54 | |
| VITE DI BLOCCO SIGILLANTE M5X12 | ||||
| 55 | 305568 | 1.05 | 1.28 | |
| Coperchio del cuscinetto | ||||
| 56 | 305569 | 2.25 | 2.74 | |
| Giunzione di saldatura 50092 (10 pezzi) | ||||
| 57 | 959141 | 3.75 | 4.58 | |
| Giunzione di saldatura 50091 (10 pezzi) | ||||
| 58 | 959140 | 3.30 | 4.03 | |
| Non più disponibile, nessuna sostituzione | ||||
| 59 | 985289 | |||
| Nessuna informazione disponibile, non ordinabile | ||||
| 60 | 307842 | |||
| Controllore (a) 220v-240v Incl.61,75,76 | ||||
| 60A | 319948 | 134.20 | 163.72 | |
| Resistore Variabile | ||||
| 61 | 305699 | 23.93 | 29.19 | |
| Vite di taglio (con flangia) D5x25 (nera) | ||||
| 62 | 305558 | 1.04 | 1.27 | |
| Vite a tagliente (con flangia) D4x12 Fino a 1.2001 | ||||
| 63 | 305720 | 1.05 | 1.28 | |
| Nessuna informazione disponibile, non ordinabile | ||||
| 65 | 308100 | |||
| Vite per foratura D4x20 con flangia (nero) | ||||
| 66 | 301653 | 1.04 | 1.27 | |
| Interruttore | ||||
| 67 | 953178 | 37.95 | 46.30 | |
| Nessuna informazione disponibile, non ordinabile | ||||
| 68 | 984750 | |||
| MORSETTO DEL CAVO | ||||
| 69 | 960266 | 1.04 | 1.27 | |
| Manicotto filettato per cavo | ||||
| 70 | 981373 | 1.05 | 1.28 | |
| Armatura del cavo D10.7 | ||||
| 71 | 940778 | 2.10 | 2.56 | |
| Glandola per cavo D8.2 (vecchia 958049z) | ||||
| 71 | 958049 | 1.04 | 1.27 | |
| Nessuna informazione disponibile, non ordinabile | ||||
| 72 | 500234Z | |||
| Nessuna informazione disponibile, non ordinabile | ||||
| 73 | 305557 | |||
| Nessuna informazione disponibile, non ordinabile | ||||
| 74 | 307770 | |||
| Condensatore (vecchio 930030/991313) | ||||
| 75 | 994273 | 4.29 | 5.23 | |
| Manicotto filettato per cavo | ||||
| 76 | 981373 | 1.05 | 1.28 | |
| Nessuna informazione disponibile, non ordinabile | ||||
| 501 | 306980 | |||
| Nessuna informazione disponibile, non ordinabile | ||||
| 503 | 305587 | |||
| Nessuna informazione disponibile, non ordinabile | ||||
| 504 | 305589 | |||
| ROL PIN D4 X10 (10 STUKS) | ||||
| 505 | 949869 | 2.10 | 2.56 | |
| Nessuna informazione disponibile, non ordinabile | ||||
| 506 | 305591 | |||
| Ago D5x19.8 | ||||
| 507 | 305592 | 1.04 | 1.27 | |
| Nessuna informazione disponibile, non ordinabile | ||||
| 509 | 305594 | |||
| Nessuna informazione disponibile, non ordinabile | ||||
| 510 | 305593 | |||
| Boccola Distanziatrice | ||||
| 511 | 990561 | 1.95 | 2.38 | |
| Nessuna informazione disponibile, non ordinabile | ||||
| 512 | 305590 | |||
| Nessuna informazione disponibile, non ordinabile | ||||
| 513 | 944458 | |||
| Nessuna informazione disponibile, non ordinabile | ||||
| 601 | 305587 | |||
| Nessuna informazione disponibile, non ordinabile | ||||
| 602 | 305588 | |||
| Nessuna informazione disponibile, non ordinabile | ||||
| 603 | 305589 | |||
| Nessuna informazione disponibile, non ordinabile | ||||
| 604 | 305590 | |||
| Nessuna informazione disponibile, non ordinabile | ||||
| 605 | 305591 | |||
| Boccola Distanziatrice | ||||
| 606 | 990561 | 1.95 | 2.38 | |
| Ago D5x19.8 | ||||
| 607 | 305592 | 1.04 | 1.27 | |
| Nessuna informazione disponibile, non ordinabile | ||||
| 608 | 305593 | |||
| Nessuna informazione disponibile, non ordinabile | ||||
| 609 | 305594 | |||
| ROL PIN D4 X10 (10 STUKS) | ||||
| 610 | 949869 | 2.10 | 2.56 | |
| Porta Lama (a) per Lame Sottili | ||||
| 611 | 305700 | 19.39 | 23.65 | |
| Nessuna informazione disponibile, non ordinabile | ||||
| 613 | 958182 | |||
| Nessuna informazione disponibile, non ordinabile | ||||
| 614 | 958183 | |||
| Nessuna informazione disponibile, non ordinabile | ||||
| 615 | 959611 | |||
| Nessuna informazione disponibile, non ordinabile | ||||
| 616 | 958185 | |||
| Nessuna informazione disponibile, non ordinabile | ||||
| 617 | 958186 | |||
| Nessuna informazione disponibile, non ordinabile | ||||
| 618 | 958187 | |||
| Nessuna informazione disponibile, non ordinabile | ||||
| 619 | 958188 | |||
| Nessuna informazione disponibile, non ordinabile | ||||
| 620 | 996427 | |||
| Nessuna informazione disponibile, non ordinabile | ||||
| 621 | 959799 | |||
| Nessuna informazione disponibile, non ordinabile | ||||
| 622 | 959800 | |||
| Nessuna informazione disponibile, non ordinabile | ||||
| 623A | 318614 | |||
| Nessuna informazione disponibile, non ordinabile | ||||
| 624A | 318613 | |||
| Nessuna informazione disponibile, non ordinabile | ||||
| 625 | 310314 | |||