Qui troverai tutte le parti e i disegni disponibili di “Hikoki CM75EBP”. Da qui puoi ordinare direttamente tutte le parti desiderate. Molte parti devono essere ordinate dal produttore, a seconda della marca, ciò richiede da una a quattro settimane. Tutte le informazioni che abbiamo sono sul nostro sito web, non possiamo consigliarti su ciò di cui hai bisogno, per questo dovrai restituire la macchina per la riparazione. Nota quanto segue al momento dell’ordinazione:
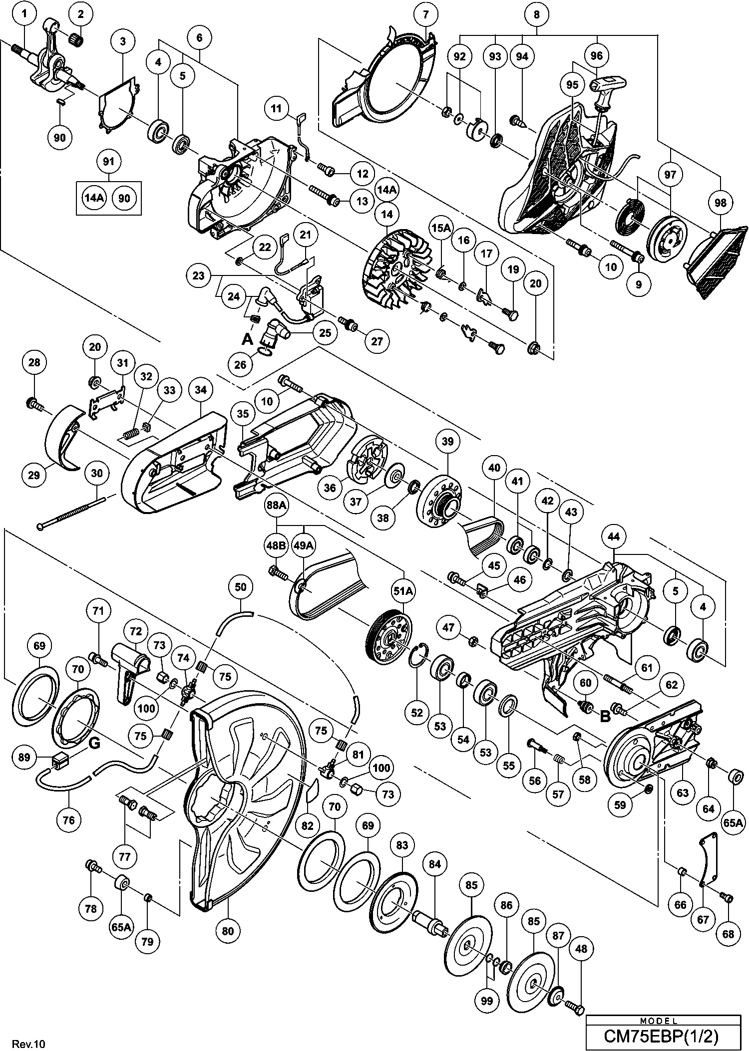
Disegni tecnici di Hikoki CM75EBP
Elenco parti di Hikoki CM75EBP
| Pos. | Descrizione | Prezzo IVA escl | Prezzo IVA incl | |
| I prezzi indicati sono comprensivi di IVA | ||||
| Nessuna informazione disponibile, non ordinabile | ||||
| 1 | 6699801 | |||
| Cuscinetto a Rullini (a) | ||||
| 2 | 6699803 | 3.60 | 4.39 | |
| Confezionamento del carter dell'albero motore | ||||
| 3 | 6699800 | 1.04 | 1.27 | |
| Cuscinetto a sfere 6202c3 | ||||
| 4 | 6202C3 | 4.35 | 5.31 | |
| Guarnizione dell'olio | ||||
| 5 | 6698914 | 3.15 | 3.84 | |
| Carter del manovellismo (a) | ||||
| 6 | 6600364 | 94.60 | 115.41 | |
| Guida ventilatore | ||||
| 7 | 6699875 | 3.15 | 3.84 | |
| Non più disponibile, nessuna sostituzione | ||||
| 8 | 6699876 | |||
| Set di bulloni M5 | ||||
| 9 | 6600374 | 1.80 | 2.20 | |
| Set di bulloni M5x25 | ||||
| 10 | 6699871 | 1.20 | 1.46 | |
| Nessuna informazione disponibile, non ordinabile | ||||
| 11 | 6699813 | |||
| Cavo di Terra | ||||
| 11A | 6696567 | 2.10 | 2.56 | |
| Vite (10 pezzi) | ||||
| 12 | 949812 | 2.40 | 2.93 | |
| Bullone esagonale di bloccaggio del sigillo M5 | ||||
| 13 | 6600365 | 1.80 | 2.20 | |
| Nessuna informazione disponibile, non ordinabile | ||||
| 14 | 6699808 | |||
| Rotto magnete (vecchio 6699808) | ||||
| 14A | 6600458 | 12.90 | 15.74 | |
| Nessuna informazione disponibile, non ordinabile | ||||
| 15 | 6699810 | |||
| Molla di Primavera Starter | ||||
| 15A | 6600477 | 1.05 | 1.28 | |
| Rondella 0.8 | ||||
| 16 | 6696857 | 1.05 | 1.28 | |
| Rocchetto di avviamento | ||||
| 17 | 6699811 | 1.04 | 1.27 | |
| Chim | ||||
| 18 | 6696434 | 1.04 | 1.27 | |
| Bullone | ||||
| 19 | 6696878 | 1.05 | 1.28 | |
| DADO M8 | ||||
| 20 | 6698581 | 1.20 | 1.46 | |
| Cavo | ||||
| 21 | 6699812 | 1.04 | 1.27 | |
| Non più disponibile, nessuna sostituzione | ||||
| 22 | 6698700 | |||
| Non più disponibile, nessuna sostituzione | ||||
| 23 | 6699809 | |||
| Set di cavi | ||||
| 24 | 6600434 | 11.25 | 13.72 | |
| Copertura dello scudo | ||||
| 25 | 6699814 | 2.70 | 3.29 | |
| Anello di copertura di protezione | ||||
| 26 | 6600373 | 1.80 | 2.20 | |
| Bullone a testa esagonale (con rondelle) M4x18 | ||||
| 27 | 6698388 | 1.05 | 1.28 | |
| Bullone con bottone a esagono incassato bloccante | ||||
| 28 | 6699909 | 1.20 | 1.46 | |
| Piastra di copertura (2 necessarie) | ||||
| 29 | 6699908 | 4.20 | 5.12 | |
| Bullone di tensione | ||||
| 30 | 6699907 | 2.10 | 2.56 | |
| Piastra di tensione | ||||
| 31 | 6699904 | 2.10 | 2.56 | |
| Molla tenditore | ||||
| 32 | 6699906 | 1.20 | 1.46 | |
| Dado di tensione | ||||
| 33 | 6699905 | 1.20 | 1.46 | |
| Copertura del braccio | ||||
| 34 | 6699903 | 6.60 | 8.05 | |
| Copertura frizione | ||||
| 35 | 6699878 | 8.85 | 10.80 | |
| Frizione | ||||
| 36 | 6699823 | 20.90 | 25.50 | |
| Flangia della frizione | ||||
| 37 | 6699822 | 4.20 | 5.12 | |
| Imballaggio Di Feltro | ||||
| 38 | 301946 | 1.04 | 1.27 | |
| CARTER FRIZIONE | ||||
| 39 | 6699821 | 12.90 | 15.74 | |
| CINGHIA | ||||
| 40 | 6699877 | 10.65 | 12.99 | |
| Cuscinetto a sfere 6001dducmps2s (vecchio 980925) | ||||
| 41 | 6001DD | 6.45 | 7.87 | |
| Nessuna informazione disponibile, non ordinabile | ||||
| 42 | 6696946 | |||
| Rondella | ||||
| 43 | 6685072 | 1.15 | 1.40 | |
| Caso di manovella (b) | ||||
| 44 | 6600366 | 128.01 | 156.18 | |
| Vite a testa esagonale M5x16 (con rondelle) | ||||
| 45 | 6699826 | 1.05 | 1.28 | |
| Base del tensionatore | ||||
| 46 | 6699825 | 1.20 | 1.46 | |
| NUT M6 | ||||
| 47 | 6698449 | 1.00 | 1.22 | |
| Dado M6 | ||||
| 47A | 329934 | 1.73 | 2.10 | |
| Bullone M8 | ||||
| 48 | 6699902 | 1.20 | 1.46 | |
| Bullone (con flangia) M8x15.5 | ||||
| 48A | 320971 | 1.05 | 1.28 | |
| Nessuna informazione disponibile, non ordinabile | ||||
| 49A | 6699900 | |||
| Tubo di Alimentazione Acqua | ||||
| 50 | 6699910 | 1.20 | 1.46 | |
| Puleggia (b) | ||||
| 51A | 6600436 | 12.15 | 14.82 | |
| Rondella D40 | ||||
| 52 | 948391 | 1.65 | 2.01 | |
| Cuscinetto a sfera 6203dducmav2s | ||||
| 53 | 6203DD | 7.65 | 9.33 | |
| Colletto Bb | ||||
| 54 | 6699880 | 2.10 | 2.56 | |
| Feltro (1) | ||||
| 55 | 6699879 | 1.20 | 1.46 | |
| Bullone M5 (s) | ||||
| 56 | 6699896 | 1.20 | 1.46 | |
| Molla di protezione della ruota | ||||
| 57 | 6699895 | 1.20 | 1.46 | |
| Dado bloccaggio M5 (vecchio 949566z) (10 Pezzi) | ||||
| 58 | 949566 | 1.04 | 1.27 | |
| Anello M6 (vecchio 949425z , 10 pezzi) | ||||
| 59 | 949425 | 1.05 | 1.28 | |
| Nessuna informazione disponibile, non ordinabile | ||||
| 60 | 6699850 | |||
| SUPPORTO DELLA MOLLA | ||||
| 60A | 6601390 | 2.85 | 3.48 | |
| Bullone Barra della Catena | ||||
| 61 | 6699881 | 2.10 | 2.56 | |
| Nessuna informazione disponibile, non ordinabile | ||||
| 62 | 6699176 | |||
| BRACCIO | ||||
| 63 | 6600367 | 64.08 | 78.17 | |
| Portaferma | ||||
| 64 | 6699883 | 1.20 | 1.46 | |
| Tappo in gomma (2 pezzi) (vecchio 6600368) | ||||
| 65A | 6600442 | 2.10 | 2.56 | |
| Collare | ||||
| 66 | 6699866 | 1.20 | 1.46 | |
| Piastra di braccio | ||||
| 67 | 6600396 | 1.80 | 2.20 | |
| Bullone a testa esagonale M5x12 (precoated) | ||||
| 68 | 6696836 | 1.20 | 1.46 | |
| Piastra (a) | ||||
| 69 | 6699885 | 2.10 | 2.56 | |
| AMMORTIZZATORE (A) | ||||
| 70 | 6699886 | 2.10 | 2.56 | |
| Bullone M5x16 | ||||
| 71 | 6699889 | 1.20 | 1.46 | |
| Manico (w) | ||||
| 72 | 6699888 | 2.10 | 2.56 | |
| Dado a cappello | ||||
| 73 | 6699892 | 2.10 | 2.56 | |
| Giunto di alimentazione dell'acqua (b) | ||||
| 74 | 6699891 | 1.20 | 1.46 | |
| DADO DI BLOCCO | ||||
| 75 | 6699912 | 1.20 | 1.46 | |
| Tubo di Alimentazione Acqua | ||||
| 76 | 6699911 | 1.20 | 1.46 | |
| Bullone dell'ugello | ||||
| 77 | 6699893 | 4.20 | 5.12 | |
| Bullone | ||||
| 78 | 996399 | 1.04 | 1.27 | |
| Portaferma | ||||
| 79 | 6600375 | 1.80 | 2.20 | |
| Pararuota (14') | ||||
| 80 | 6699920 | 93.09 | 113.57 | |
| Giunto di alimentazione dell'acqua (a) | ||||
| 81 | 6699890 | 1.20 | 1.46 | |
| Etichetta di marca del ruota (14") | ||||
| 82 | 6600377 | 1.80 | 2.20 | |
| Flangia (a) | ||||
| 83 | 6699894 | 18.56 | 22.65 | |
| MANDRINO | ||||
| 84 | 6699882 | 11.85 | 14.46 | |
| Rondella per ruote | ||||
| 85 | 6699897 | 5.70 | 6.95 | |
| Collare per mandrino | ||||
| 86 | 6699898 | 3.15 | 3.84 | |
| Rondella flangiata | ||||
| 87 | 6699901 | 1.20 | 1.46 | |
| Set puleggia (b) (vecchio 6699899) | ||||
| 88 | 6600438 | 14.70 | 17.93 | |
| Porta tubo | ||||
| 89 | 6600457 | 1.04 | 1.27 | |
| Chiavetta | ||||
| 90 | 6600459 | 1.04 | 1.27 | |
| Set Rotore Magneto | ||||
| 91 | 6600460 | 13.65 | 16.65 | |
| Set completo di camme | ||||
| 92 | 6600469 | 7.05 | 8.60 | |
| Guarnizione di Avviamento | ||||
| 93 | 6600471 | 5.85 | 7.14 | |
| Vite Esecutrice D4x16 | ||||
| 94 | 6600466 | 1.04 | 1.27 | |
| Corda di avviamento | ||||
| 95 | 6600468 | 7.65 | 9.33 | |
| Non più disponibile, nessuna sostituzione | ||||
| 96 | 6600467 | |||
| Set completo di bobina | ||||
| 97 | 6600470 | 21.04 | 25.67 | |
| Coperchio del case della ventola | ||||
| 98 | 6600464 | 19.39 | 23.65 | |
| Anello O (s-12) | ||||
| 99 | 875638 | 1.65 | 2.01 | |
| Rondella della puleggia | ||||
| 100 | 6600495 | 1.04 | 1.27 | |
| Tappo del serbatoio | ||||
| 101 | 6600369 | 5.10 | 6.22 | |
| Imballaggio del tappo del serbatoio (vecchio 630-3 | ||||
| 102 | 6685179 | 1.15 | 1.40 | |
| Nessuna informazione disponibile, non ordinabile | ||||
| 103 | 6699828 | |||
| Pompa di adescamento Comp. (vecchio 442-25143-80) | ||||
| 104 | 6685139 | 5.94 | 7.24 | |
| Tubo del Carburante | ||||
| 105 | 6698722 | 9.75 | 11.90 | |
| Tubo del carburante (rosa) | ||||
| 106 | 6699837 | 2.10 | 2.56 | |
| Tubo di carburante L220 | ||||
| 106A | 6601460 | 2.25 | 2.74 | |
| Vite autofilettante (con flangia) D4x25 (nero) | ||||
| 107 | 304035 | 1.04 | 1.27 | |
| Etichetta di marcatura del serbatoio (25:1) | ||||
| 108 | 6698922 | 1.20 | 1.46 | |
| Vite Autofilettante (con flangia) D4x16 (nero) | ||||
| 109 | 305812 | 1.04 | 1.27 | |
| Cappuccio di ventilazione dell'aria | ||||
| 110 | 6699838 | 1.20 | 1.46 | |
| Nessuna informazione disponibile, non ordinabile | ||||
| 111 | 6600370 | |||
| Non più disponibile, nessuna sostituzione | ||||
| 112 | 6698931 | |||
| Gommino di ritorno fino a 7.2014 (vecchio 6684627) | ||||
| 113 | 6697846 | 1.04 | 1.27 | |
| Manico Posteriore | ||||
| 114 | 6699827 | 26.68 | 32.54 | |
| Dado lungo M6 | ||||
| 116 | 6699852 | 1.20 | 1.46 | |
| Maniglia anteriore | ||||
| 117 | 6699842 | 22.83 | 27.85 | |
| Vite autoperforante flangiata D6 | ||||
| 118 | 6696872 | 1.05 | 1.28 | |
| Vite a testa esagonale M6x20 | ||||
| 119 | 881722 | 1.80 | 2.20 | |
| Molla Antivibrazione | ||||
| 120 | 6699849 | 1.20 | 1.46 | |
| Adattatore frontale | ||||
| 121 | 6699847 | 14.25 | 17.38 | |
| Fine della presa (b) | ||||
| 122 | 6699844 | 1.20 | 1.46 | |
| Hex. Bullone con testa a incasso M6x50 | ||||
| 123 | 6699819 | 1.04 | 1.27 | |
| Scarico | ||||
| 124 | 6699816 | 31.08 | 37.91 | |
| SCUDO TERMICO | ||||
| 125 | 6699815 | 1.80 | 2.20 | |
| Vite della testa della presa esagonale del blocco | ||||
| 126 | 6698899 | 1.20 | 1.46 | |
| Rondella | ||||
| 127 | 6685068 | 1.15 | 1.40 | |
| Tubo di scappamento | ||||
| 128 | 6699818 | 1.04 | 1.27 | |
| Guarnizione di scarico | ||||
| 129 | 6699817 | 1.04 | 1.27 | |
| Collare di blocco del grilletto | ||||
| 130 | 6699836 | 1.20 | 1.46 | |
| Blocco del grilletto | ||||
| 131 | 6699835 | 1.20 | 1.46 | |
| SPILLONE AD AGO D3 | ||||
| 132 | 6699834 | 1.20 | 1.46 | |
| Molla lever dell'acceleratore | ||||
| 133 | 6699833 | 1.20 | 1.46 | |
| Leva dell'acceleratore | ||||
| 134 | 6699832 | 1.20 | 1.46 | |
| Asta dell'acceleratore | ||||
| 135 | 6699863 | 1.20 | 1.46 | |
| Coperchio del cilindro | ||||
| 136 | 6699865 | 9.15 | 11.16 | |
| Tubo del Carburante | ||||
| 137 | 6698908 | 4.65 | 5.67 | |
| Nessuna informazione disponibile, non ordinabile | ||||
| 138 | 6685311 | |||
| Assieme corpo filtro pompa (vecchio 675-11657-90/6 | ||||
| 139 | 6692285 | 7.26 | 8.86 | |
| Portamolla | ||||
| 140 | 6699851 | 2.10 | 2.56 | |
| Molla Antivibrazione | ||||
| 141 | 6699824 | 2.10 | 2.56 | |
| Nessuna informazione disponibile, non ordinabile | ||||
| 142 | 6699320 | |||
| Tappo di decompressione | ||||
| 143 | 6600378 | 3.45 | 4.21 | |
| Decompr. | ||||
| 144 | 6698541 | 22.83 | 27.85 | |
| Fine della presa (a) | ||||
| 145 | 6699843 | 1.20 | 1.46 | |
| Nessuna informazione disponibile, non ordinabile | ||||
| 146 | 6600371 | |||
| Non più disponibile, nessuna sostituzione | ||||
| 146A | 6600478 | |||
| Clip isolante | ||||
| 147 | 6699862 | 1.20 | 1.46 | |
| Piastra isolante | ||||
| 148 | 6699858 | 2.10 | 2.56 | |
| Non più disponibile, nessuna sostituzione | ||||
| 149 | 6699860 | |||
| Tubo del carburante (fkm) | ||||
| 150 | 6699857 | 6.15 | 7.50 | |
| Carburatore Ass'y (c3m) | ||||
| 151 | 6699856 | 62.70 | 76.49 | |
| Vite (d) | ||||
| 152 | 6600385 | 3.45 | 4.21 | |
| Coperchio della pompa | ||||
| 153 | 6600386 | 10.35 | 12.63 | |
| Guarnizione della pompa | ||||
| 154 | 6600387 | 3.45 | 4.21 | |
| Diaframma della pompa | ||||
| 155 | 6600388 | 3.45 | 4.21 | |
| SETACCIO | ||||
| 156 | 6600389 | 5.10 | 6.22 | |
| Vite (e) | ||||
| 157 | 6600390 | 3.45 | 4.21 | |
| SPINA | ||||
| 158 | 6699082 | 1.05 | 1.28 | |
| Molla della leva di misurazione | ||||
| 159 | 6600391 | 3.45 | 4.21 | |
| Valvola ad ago di ingresso | ||||
| 160 | 6699081 | 7.05 | 8.60 | |
| Leva di dosaggio | ||||
| 161 | 6699084 | 1.65 | 2.01 | |
| Guarnizione della camera di misura | ||||
| 162 | 6600392 | 5.10 | 6.22 | |
| Diaframma di misurazione | ||||
| 163 | 6600393 | 9.75 | 11.90 | |
| Coperchio della camera di misurazione | ||||
| 164 | 6600394 | 42.76 | 52.17 | |
| Vite di regolazione (c) | ||||
| 165 | 6699094 | 1.05 | 1.28 | |
| Non più disponibile, nessuna sostituzione | ||||
| 166 | 6698873 | |||
| Dado quadrato (b) M5 | ||||
| 167 | 6699859 | 1.20 | 1.46 | |
| Vite a brugola M6x25 | ||||
| 168 | 991712 | 1.05 | 1.28 | |
| Imballaggio del cilindro | ||||
| 169 | 6600397 | 3.45 | 4.21 | |
| ANELLO DEL PISTONE | ||||
| 170 | 6699806 | 2.10 | 2.56 | |
| Clip di Cir | ||||
| 171 | 6699805 | 1.04 | 1.27 | |
| Non più disponibile, nessuna sostituzione | ||||
| 172 | 6699804 | |||
| Spinotto del pistone | ||||
| 173 | 6699802 | 1.65 | 2.01 | |
| Connettore di fornitura d'acqua | ||||
| 174 | 6699913 | 9.60 | 11.71 | |
| Non più disponibile, nessuna sostituzione | ||||
| 175 | 6699914 | |||
| Nessuna informazione disponibile, non ordinabile | ||||
| 176 | 6699915 | |||
| VALVE (OLD 6699915) | ||||
| 176A | 6601657 | 33.55 | 40.93 | |
| Accoppiatore | ||||
| 177 | 6699916 | 3.15 | 3.84 | |
| OCCHIELLO | ||||
| 178 | 6698787 | 1.80 | 2.20 | |
| Perno di blocco dell'acceleratore | ||||
| 179 | 6699829 | 1.20 | 1.46 | |
| Guarnizione del carburatore | ||||
| 180 | 6699855 | 1.20 | 1.46 | |
| Supporto del carburatore | ||||
| 181 | 6699854 | 4.20 | 5.12 | |
| Prefiltro | ||||
| 182 | 6699872 | 5.10 | 6.22 | |
| Etichetta di attenzione (eng) | ||||
| 183 | 6600382 | 3.45 | 4.21 | |
| Pulsante del pulitore | ||||
| 184 | 6699874 | 2.10 | 2.56 | |
| Imballaggio di Manopola | ||||
| 185 | 6698570 | 1.20 | 1.46 | |
| Etichetta di avvio (cm75) (ex) | ||||
| 186 | 6600381 | 1.80 | 2.20 | |
| Scatola pulente (b) | ||||
| 187 | 6699873 | 10.20 | 12.44 | |
| Corda in gomma | ||||
| 188 | 6699870 | 2.10 | 2.56 | |
| Scatola pulizia (a) | ||||
| 189 | 6699869 | 14.25 | 17.38 | |
| PENNA DI GOMMA | ||||
| 190 | 931701 | 1.05 | 1.28 | |
| Bottone Choke | ||||
| 191 | 6699864 | 1.20 | 1.46 | |
| Gomma per asta del carburatore | ||||
| 192 | 6685369 | 1.05 | 1.28 | |
| FILTRO DI CARTA | ||||
| 193 | 6699868 | 6.90 | 8.42 | |
| Filtro in Nylon | ||||
| 194 | 6699867 | 4.20 | 5.12 | |
| Bullone a testa esagonale (con rondelle) M5x55 | ||||
| 195 | 6699861 | 1.20 | 1.46 | |
| Nessuna informazione disponibile, non ordinabile | ||||
| 196 | 6696940 | |||
| Non più disponibile, nessuna sostituzione | ||||
| 196A | 6601275 | |||
| Non più disponibile, nessuna sostituzione | ||||
| 197 | 6698400 | |||
| Molla del perno di blocco dell'acceleratore | ||||
| 198 | 6699830 | 1.20 | 1.46 | |
| Cappuccio del perno di blocco dell'acceleratore | ||||
| 199 | 6699831 | 1.20 | 1.46 | |
| Piede posteriore | ||||
| 200 | 6699839 | 2.10 | 2.56 | |
| Molla Antivibrazione | ||||
| 201 | 6699840 | 1.20 | 1.46 | |
| Guardia inferiore | ||||
| 202 | 6699841 | 6.60 | 8.05 | |
| Guardia del silenziatore (vecchio 6600395) | ||||
| 203A | 6600443 | 42.49 | 51.83 | |
| Nessuna informazione disponibile, non ordinabile | ||||
| 204 | 6699845 | |||
| Nessuna informazione disponibile, non ordinabile | ||||
| 205 | 6699846 | |||
| GOMMA DEL PIEDINO FRONTALE (B) | ||||
| 205A | 6601393 | 1.50 | 1.83 | |
| Nessuna informazione disponibile, non ordinabile | ||||
| 206 | 6699848 | |||
| PIASTRA PER PIEDI FRONTALE (B) | ||||
| 206A | 6601392 | 2.25 | 2.74 | |
| Bullone a testa esagonale M5 (con rondelle) | ||||
| 207 | 6600372 | 1.80 | 2.20 | |
| Nessuna informazione disponibile, non ordinabile | ||||
| 207A | 6698386 | |||
| Spugna al minimo | ||||
| 208 | 6600056 | 1.05 | 1.28 | |
| Banda | ||||
| 209 | 6698943 | 1.20 | 1.46 | |
| Set di cavo di terra | ||||
| 210 | 6601373 | 1.35 | 1.65 | |
| SUPPORTO DELLA MOLLA | ||||
| 211 | 6601391 | 3.75 | 4.58 | |
| Rondella (b) Ds9dva/ds12dva/ds14dv Ds14dva/ds14dvb | ||||
| 212 | 6699112 | 1.04 | 1.27 | |
| Supporto piedino anteriore (vecchio 6601365) | ||||
| 213 | 6601394 | 6.15 | 7.50 | |
| Nessuna informazione disponibile, non ordinabile | ||||
| 501 | 6698582 | |||
| Nessuna informazione disponibile, non ordinabile | ||||
| 502 | 6699918 | |||
| Nessuna informazione disponibile, non ordinabile | ||||
| 503 | 875769 | |||
| Collare dell'adattatore | ||||
| 504 | 6699919 | 6.30 | 7.69 | |
| Nessuna informazione disponibile, non ordinabile | ||||
| 505 | 402328 | |||