Qui troverai tutte le parti e i disegni disponibili di “Hikoki CM6”. Da qui puoi ordinare direttamente tutte le parti desiderate. Molte parti devono essere ordinate dal produttore, a seconda della marca, ciò richiede da una a quattro settimane. Tutte le informazioni che abbiamo sono sul nostro sito web, non possiamo consigliarti su ciò di cui hai bisogno, per questo dovrai restituire la macchina per la riparazione. Nota quanto segue al momento dell’ordinazione:
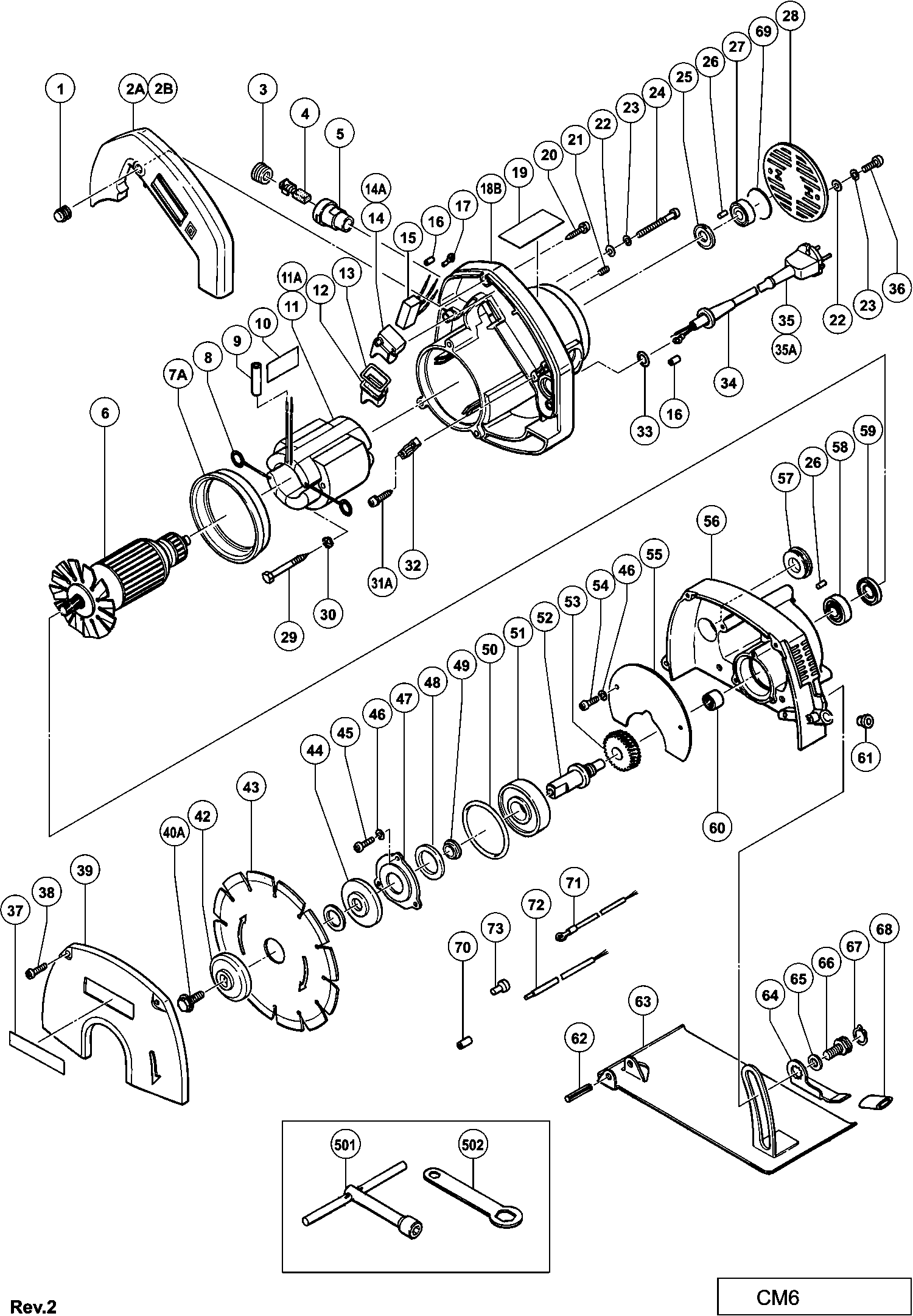
Disegni tecnici di Hikoki CM6
Elenco parti di Hikoki CM6
| Pos. | Descrizione | Prezzo IVA escl | Prezzo IVA incl | |
| I prezzi indicati sono comprensivi di IVA | ||||
| Nessuna informazione disponibile, non ordinabile | ||||
| *11 | 983859E | |||
| O-RING (S-9) | ||||
| *33 | 875806 | 1.00 | 1.22 | |
| Protezione del cavo D10.2 Fino a 11.1982 Per Aus | ||||
| *34 | 930026 | 3.00 | 3.66 | |
| SNOER 10.7 (USE 714500=2X1 5M) | ||||
| *35 | 500247Z | 6.18 | 7.54 | |
| RING | ||||
| *44 | 983860 | 12.98 | 15.84 | |
| RUBBER COVER (B) | ||||
| 1 | 956866 | 1.00 | 1.22 | |
| HANDGREEPDEKSEL | ||||
| 2A | 983857 | 11.34 | 13.83 | |
| Nessuna informazione disponibile, non ordinabile | ||||
| 2B | 956856Z | |||
| Cappuccio della spazzola | ||||
| 3 | 961781 | 2.55 | 3.11 | |
| Spazzola di carbone (1 paio) | ||||
| 4 | 999043 | 4.50 | 5.49 | |
| Portaspazzole di Carbone | ||||
| 5 | 981586 | 6.45 | 7.87 | |
| Nessuna informazione disponibile, non ordinabile | ||||
| 6 | 983860H | |||
| Guida per ventilatore | ||||
| 7A | 954584 | 1.80 | 2.20 | |
| Punto di contatto Portaspazzola | ||||
| 8 | 930703 | 2.40 | 2.93 | |
| SEAL PACKING | ||||
| 10 | 983858 | 1.00 | 1.22 | |
| Non più disponibile, nessuna sostituzione | ||||
| 11 | 983859F | |||
| Custodia in gomma | ||||
| 12 | 956882 | 1.50 | 1.83 | |
| Anello O (1ap-20) | ||||
| 13 | 944486 | 1.05 | 1.28 | |
| Nessuna informazione disponibile, non ordinabile | ||||
| 14 | 971667Z | |||
| Nessuna informazione disponibile, non ordinabile | ||||
| 14A | 963756Z | |||
| Condensatore Cm6 | ||||
| 15 | 500262Z | 6.45 | 7.87 | |
| Manicotto filettato per cavo | ||||
| 16 | 981373 | 1.05 | 1.28 | |
| Nessuna informazione disponibile, non ordinabile | ||||
| 17 | 961419Z | |||
| HUIS | ||||
| 18B | 983840 | 36.08 | 44.02 | |
| Vite rubinetto | ||||
| 20 | 982095 | 1.04 | 1.27 | |
| Vite di bloccaggio esagonale M5x6 | ||||
| 21 | 962782 | 1.04 | 1.27 | |
| Rondella di blocco M5 (vecchio 949424z , 10 pezzi) | ||||
| 22 | 949424 | 1.05 | 1.28 | |
| Rondella di molla M5 (10 pezzi) | ||||
| 23 | 949454 | 1.04 | 1.27 | |
| MACHINE SCREW M5X50 (10 PCS.) | ||||
| 24 | 949250 | 1.26 | 1.54 | |
| Anello di tenuta polvere (a) | ||||
| 25 | 956387 | 2.10 | 2.56 | |
| PENNA DI GOMMA (VECCHIA 976441) | ||||
| 26 | 946362 | 1.05 | 1.28 | |
| Cuscinetto a sfere 608vvmc2eps2l | ||||
| 27 | 608VVM | 5.70 | 6.95 | |
| COPERTURA POSTERIORE | ||||
| 28 | 956880 | 1.80 | 2.20 | |
| Vite D5x65 | ||||
| 29 | 960251 | 1.05 | 1.28 | |
| RONDINA | ||||
| 30 | 956764 | 1.04 | 1.27 | |
| Nessuna informazione disponibile, non ordinabile | ||||
| 31A | 984750 | |||
| Strip di serraggio (vecchio 994566) | ||||
| 32 | 937631 | 1.04 | 1.27 | |
| O-RING (S-9) | ||||
| 33 | 875806 | 1.00 | 1.22 | |
| O-RING (S-7) | ||||
| 33 | 876316 | 1.00 | 1.22 | |
| Protezione del cavo D10.2 Fino a 11.1982 Per Aus | ||||
| 34 | 930026 | 3.00 | 3.66 | |
| Pressacavo D8.2 | ||||
| 34 | 930487 | 2.25 | 2.74 | |
| SNOER 10.7 (USE 714500=2X1 5M) | ||||
| 35 | 500247Z | 6.18 | 7.54 | |
| SNOER 2.5M 2 X 1.0 H05VV-F W/PLUG 13A/250V (OLD 50 | ||||
| 35A | 500423Z | 12.87 | 15.70 | |
| Vite a Macchina M5X14 (10 Pezzi) | ||||
| 36 | 949238 | 1.05 | 1.28 | |
| HITACHI LABEL | ||||
| 37 | 983865 | 1.00 | 1.22 | |
| Vite per macchina M4x14 (10 pezzi) | ||||
| 38 | 949218 | 1.05 | 1.28 | |
| DEKSEL | ||||
| 39 | 983864 | 8.40 | 10.25 | |
| Vite sinistra M7x17,5 (vecchio 996258) | ||||
| 40A | 998335 | 1.05 | 1.28 | |
| RONDINA | ||||
| 42 | 957064 | 4.50 | 5.49 | |
| Nessuna informazione disponibile, non ordinabile | ||||
| 43 | 310854 | |||
| Rondella | ||||
| 44 | 983856 | 17.33 | 21.14 | |
| RING | ||||
| 44 | 983860 | 12.98 | 15.84 | |
| Vite per macchina M4x12 (10 pezzi) | ||||
| 45 | 949217 | 1.05 | 1.28 | |
| Rondella di molla M4 (10 pezzi) | ||||
| 46 | 949453 | 1.05 | 1.28 | |
| LAGERDEKSEL | ||||
| 47 | 983846 | 3.84 | 4.68 | |
| Anello X (vecchio 944520) | ||||
| 48 | 971134 | 2.25 | 2.74 | |
| BUS | ||||
| 49 | 983853 | 3.72 | 4.54 | |
| Anello O (s-42) | ||||
| 50 | 983852 | 1.95 | 2.38 | |
| Cuscinetto a sfere 6302vvcmps2s | ||||
| 51 | 6302VV | 9.30 | 11.35 | |
| BARRA TOMMY | ||||
| 52 | 983843 | 40.84 | 49.82 | |
| INGRANAGGIO | ||||
| 53 | 983844 | 14.71 | 17.95 | |
| Vite per macchina M4x8 (10 pezzi) | ||||
| 54 | 949215 | 1.05 | 1.28 | |
| PLATE | ||||
| 55 | 983845 | 1.00 | 1.22 | |
| TANDWIELHUISDEKSEL | ||||
| 56 | 983841 | 41.47 | 50.59 | |
| KAP | ||||
| 57 | 940831 | 1.00 | 1.22 | |
| Cuscinetto a sfere 6001vvcmps2l | ||||
| 58 | 6001VV | 6.60 | 8.05 | |
| Guarnizione | ||||
| 59 | 983847 | 2.55 | 3.11 | |
| Cuscinetto a rullini Hk0810 | ||||
| 60 | 670714 | 6.45 | 7.87 | |
| RUBBEREN BUS | ||||
| 61 | 930426 | 1.00 | 1.22 | |
| Spinotto a rullo D6x36 (vecchio 967029) (10 pezzi) | ||||
| 62 | 949874 | 5.85 | 7.14 | |
| Piastra di base KS 60 | ||||
| 63 | 983861 | 11.10 | 13.54 | |
| HANDEL | ||||
| 64 | 983863 | 1.38 | 1.68 | |
| Rondella di chiusura M8 (10 pezzi) | ||||
| 65 | 949426 | 1.05 | 1.28 | |
| LINKSBOUT | ||||
| 66 | 983862 | 2.22 | 2.71 | |
| Rondella Elastica D14 (10 Pezzi) | ||||
| 67 | 939543 | 2.55 | 3.11 | |
| AFDICHT RING | ||||
| 69 | 983866 | 1.00 | 1.22 | |
| Manicotto filettato per cavo | ||||
| 70 | 981373 | 1.05 | 1.28 | |
| INTERNAL WIRE | ||||
| 71 | 983869 | 1.00 | 1.22 | |
| INTERNAL WIRE ASS'Y | ||||
| 72 | 983880 | 1.00 | 1.22 | |
| Giunzione di saldatura 50091 (10 pezzi) | ||||
| 73 | 959140 | 3.30 | 4.03 | |
| Nessuna informazione disponibile, non ordinabile | ||||
| 501 | 940543 | |||
| Nessuna informazione disponibile, non ordinabile | ||||
| 502 | 941057 | |||
| Nessuna informazione disponibile, non ordinabile | ||||
| 601 | 980804 | |||
| Nessuna informazione disponibile, non ordinabile | ||||
| 602 | 310853 | |||
| Nessuna informazione disponibile, non ordinabile | ||||
| 604 | 306914 | |||
| Nessuna informazione disponibile, non ordinabile | ||||
| 605 | 306915 | |||
| Nessuna informazione disponibile, non ordinabile | ||||
| 606 | 306916 | |||