Qui troverai tutte le parti e i disegni disponibili di “Hikoki CM4ST”. Da qui puoi ordinare direttamente tutte le parti desiderate. Molte parti devono essere ordinate dal produttore, a seconda della marca, ciò richiede da una a quattro settimane. Tutte le informazioni che abbiamo sono sul nostro sito web, non possiamo consigliarti su ciò di cui hai bisogno, per questo dovrai restituire la macchina per la riparazione. Nota quanto segue al momento dell’ordinazione:
Disegni tecnici di Hikoki CM4ST
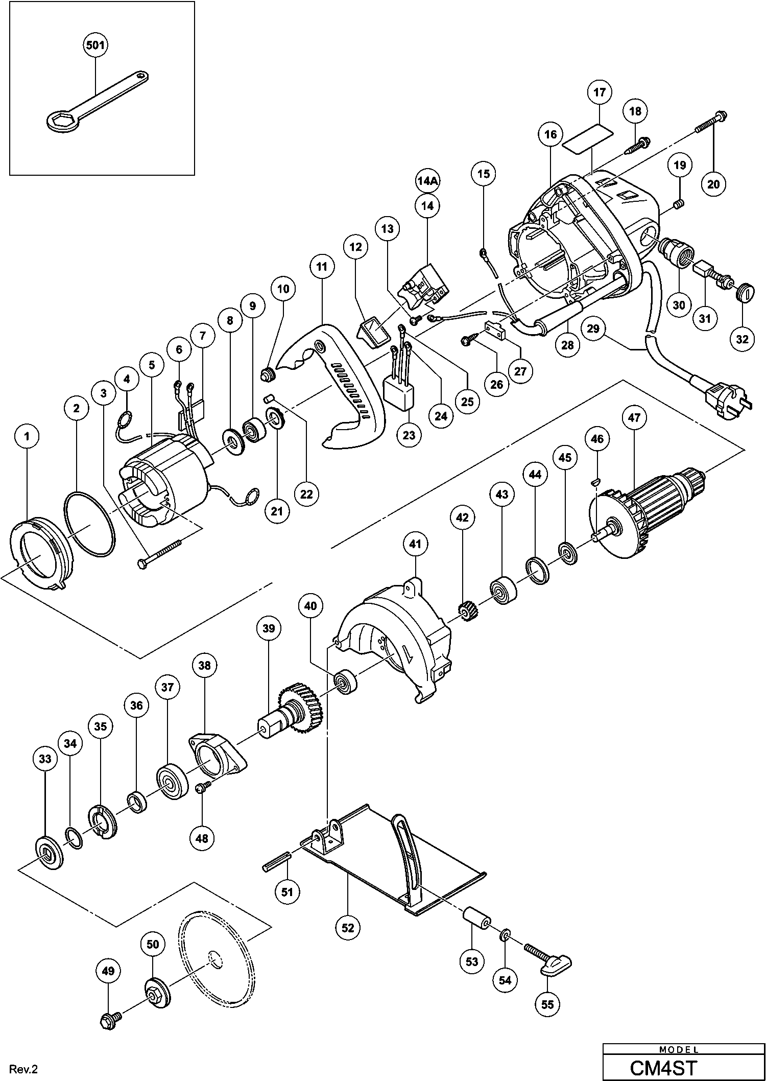
Elenco parti di Hikoki CM4ST
| Pos. | Descrizione | Prezzo IVA escl | Prezzo IVA incl | |
| I prezzi indicati sono comprensivi di IVA | ||||
| Nessuna informazione disponibile, non ordinabile | ||||
| 1A | 370666 | |||
| Nessuna informazione disponibile, non ordinabile | ||||
| 2 | 317756 | |||
| Vite D5x65 | ||||
| 3 | 960251 | 1.05 | 1.28 | |
| Punto di contatto Portaspazzola | ||||
| 4 | 930703 | 2.40 | 2.93 | |
| Nessuna informazione disponibile, non ordinabile | ||||
| 5 | 340783G | |||
| Terminale M4.0 (10 pezzi) | ||||
| 6 | 930804 | 3.00 | 3.66 | |
| SEAL PACKING | ||||
| 7 | 983858 | 1.00 | 1.22 | |
| Nessuna informazione disponibile, non ordinabile | ||||
| 8A | 370667 | |||
| Cuscinetto a sfere 608vvmc2eps2l | ||||
| 9 | 608VVM | 5.70 | 6.95 | |
| RUBBER COVER (B) | ||||
| 10 | 956866 | 1.00 | 1.22 | |
| Nessuna informazione disponibile, non ordinabile | ||||
| 11 | 333137 | |||
| Nessuna informazione disponibile, non ordinabile | ||||
| 12 | 303328 | |||
| Vite macchina (con rondella) M3.5x6 | ||||
| 13 | 305499 | 1.05 | 1.28 | |
| Nessuna informazione disponibile, non ordinabile | ||||
| 14 | 325531 | |||
| Nessuna informazione disponibile, non ordinabile | ||||
| 14A | 339708 | |||
| Terminale M4.0 (10 pezzi) | ||||
| 15 | 930804 | 3.00 | 3.66 | |
| Morsetto di Connessione | ||||
| 15 | 980063 | 1.04 | 1.27 | |
| Nessuna informazione disponibile, non ordinabile | ||||
| 16 | 317752 | |||
| Vite per foratura D4x20 con flangia (nero) | ||||
| 18 | 301653 | 1.04 | 1.27 | |
| Vite di regolazione esagonale M5x8 | ||||
| 19 | 938477 | 1.05 | 1.28 | |
| Vite da macchina (con rondelle) M5x25 | ||||
| 20 | 317751 | 2.70 | 3.29 | |
| Rondella di spinta | ||||
| 21 | 316394 | 3.30 | 4.03 | |
| PENNA DI GOMMA | ||||
| 22 | 931701 | 1.05 | 1.28 | |
| Condensatore (vecchio 930030/991313) | ||||
| 23 | 994273 | 4.29 | 5.23 | |
| Morsetto di Connessione | ||||
| 24 | 980063 | 1.04 | 1.27 | |
| Scheda di contatto | ||||
| 25 | 938108 | 1.20 | 1.46 | |
| Nessuna informazione disponibile, non ordinabile | ||||
| 26 | 984750 | |||
| MORSETTO DEL CAVO | ||||
| 27 | 960266 | 1.04 | 1.27 | |
| Protezione cavo D8.8 | ||||
| 28 | 380090 | 1.04 | 1.27 | |
| Boccola del cavo D10.1 | ||||
| 28 | 938051 | 1.04 | 1.27 | |
| Nessuna informazione disponibile, non ordinabile | ||||
| 29 | 500522Z | |||
| Portaspazzole di Carbone | ||||
| 30 | 958900 | 6.45 | 7.87 | |
| Spazzola di carbone (1 paio) | ||||
| 31 | 999043 | 4.50 | 5.49 | |
| Cappuccio della spazzola | ||||
| 32 | 945161 | 1.20 | 1.46 | |
| Nessuna informazione disponibile, non ordinabile | ||||
| 33 | 956879 | |||
| Anello O (1ap-20) | ||||
| 34 | 944486 | 1.05 | 1.28 | |
| Coperchio del cuscinetto | ||||
| 35 | 956872 | 2.70 | 3.29 | |
| Boccola Distanziatrice | ||||
| 36 | 303323 | 2.40 | 2.93 | |
| Cuscinetto a sfere 6002 Vv C7mfa | ||||
| 37 | 6002VV | 7.35 | 8.97 | |
| Nessuna informazione disponibile, non ordinabile | ||||
| 38 | 333240 | |||
| Nessuna informazione disponibile, non ordinabile | ||||
| 39 | 333241 | |||
| Cuscinetto a sfere 606zzmc3ps2s | ||||
| 40 | 606ZZM | 15.40 | 18.79 | |
| Nessuna informazione disponibile, non ordinabile | ||||
| 41 | 333126 | |||
| Nessuna informazione disponibile, non ordinabile | ||||
| 42 | 333242 | |||
| Cuscinetto a sfere 629vvmc2eps2l | ||||
| 43 | 629VVM | 5.85 | 7.14 | |
| Anello di gomma (1) | ||||
| 44 | 318647 | 1.65 | 2.01 | |
| Anello del Cuscinetto | ||||
| 45 | 958915 | 1.04 | 1.27 | |
| CHIAVETTA DI INSERIMENTO 2,5X8 | ||||
| 46 | 940220 | 1.35 | 1.65 | |
| Nessuna informazione disponibile, non ordinabile | ||||
| 47 | 360900F | |||
| Nessuna informazione disponibile, non ordinabile | ||||
| 48 | 303327 | |||
| Nessuna informazione disponibile, non ordinabile | ||||
| 49 | 303326 | |||
| Nessuna informazione disponibile, non ordinabile | ||||
| 50 | 956878 | |||
| ROL PIN D6X32 (10 STUKS) | ||||
| 51 | 949576 | 3.06 | 3.73 | |
| Nessuna informazione disponibile, non ordinabile | ||||
| 52 | 317759 | |||
| Nessuna informazione disponibile, non ordinabile | ||||
| 53 | 303330 | |||
| Rondella di molla M6 (vecchio 949455z, 10 pezzi) | ||||
| 54 | 949455 | 1.05 | 1.28 | |
| Bullone ad ali M6x37 | ||||
| 55 | 303331 | 1.04 | 1.27 | |
| Nessuna informazione disponibile, non ordinabile | ||||
| 501 | 941057 | |||
| TAPPO ACQUA | ||||
| 601 | 303648 | 6.30 | 7.69 | |
| Nessuna informazione disponibile, non ordinabile | ||||
| 602 | 956885 | |||
| Nessuna informazione disponibile, non ordinabile | ||||
| 603 | 956883 | |||
| Nessuna informazione disponibile, non ordinabile | ||||
| 604 | 321192 | |||
| Nessuna informazione disponibile, non ordinabile | ||||
| 605 | 939586 | |||
| Nessuna informazione disponibile, non ordinabile | ||||
| 606 | 939587 | |||