Qui troverai tutte le parti e i disegni disponibili di “Hikoki CJ65S3”. Da qui puoi ordinare direttamente tutte le parti desiderate. Molte parti devono essere ordinate dal produttore, a seconda della marca, ciò richiede da una a quattro settimane. Tutte le informazioni che abbiamo sono sul nostro sito web, non possiamo consigliarti su ciò di cui hai bisogno, per questo dovrai restituire la macchina per la riparazione. Nota quanto segue al momento dell’ordinazione:
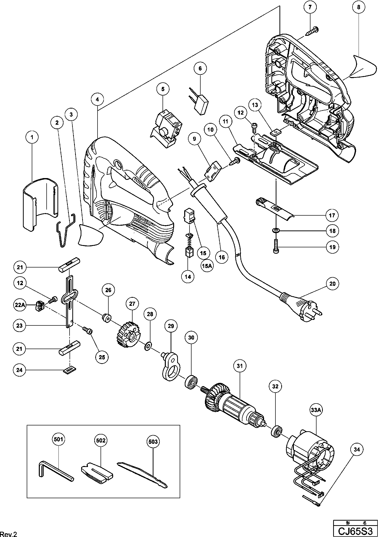
Disegni tecnici di Hikoki CJ65S3
Elenco parti di Hikoki CJ65S3
| Pos. | Descrizione | Prezzo IVA escl | Prezzo IVA incl | |
| I prezzi indicati sono comprensivi di IVA | ||||
| Cappuccio di protezione | ||||
| 1 | 325163 | 2.10 | 2.56 | |
| Barra di protezione | ||||
| 2 | 325164 | 1.05 | 1.28 | |
| Carter completo | ||||
| 4 | 325167 | 34.24 | 41.77 | |
| Interruttore | ||||
| 5 | 323575 | 27.50 | 33.55 | |
| Condensatore (vecchio 987178) | ||||
| 6 | 930039 | 1.95 | 2.38 | |
| Vite per foratura D4x20 con flangia (nero) | ||||
| 7 | 301653 | 1.04 | 1.27 | |
| MORSETTO DEL CAVO | ||||
| 9 | 960266 | 1.04 | 1.27 | |
| Nessuna informazione disponibile, non ordinabile | ||||
| 10 | 984750 | |||
| Piastra di base KS 60 | ||||
| 11 | 325161 | 7.35 | 8.97 | |
| Vite esagonale M4x8 (vecchio 973563,10 pezzi) | ||||
| 12 | 949811 | 1.50 | 1.83 | |
| Dado a piastra | ||||
| 13 | 962991 | 1.05 | 1.28 | |
| Spazzola di carbone (1 paio) | ||||
| 14 | 999041 | 4.50 | 5.49 | |
| Portaspazzole di Carbone | ||||
| 15 | 930483 | 1.65 | 2.01 | |
| Portaspazzole di Carbone | ||||
| 15A | 955203 | 2.40 | 2.93 | |
| Pressacavo D8.2 | ||||
| 16 | 930487 | 2.25 | 2.74 | |
| Portarotolo | ||||
| 17 | 325162 | 3.15 | 3.84 | |
| Rondella del bullone M4 (nero) per 220v-240v | ||||
| 18 | 323210 | 1.05 | 1.28 | |
| Vite a brugola M4x16 | ||||
| 19 | 949754 | 2.40 | 2.93 | |
| Nessuna informazione disponibile, non ordinabile | ||||
| 20 | 500409Z | |||
| Porta sega | ||||
| 21 | 325159 | 3.75 | 4.58 | |
| Porta lama da sega | ||||
| 22A | 325247 | 5.55 | 6.77 | |
| Stantuffo | ||||
| 23 | 325246 | 4.20 | 5.12 | |
| Rondella in feltro D 20/14 2mm | ||||
| 24 | 325248 | 1.05 | 1.28 | |
| Vite esagonale Seal Lock M3x8 | ||||
| 25 | 325241 | 1.65 | 2.01 | |
| CONNETTORE | ||||
| 26 | 325158 | 1.05 | 1.28 | |
| INGRANAGGIO | ||||
| 27 | 325157 | 13.50 | 16.47 | |
| Rondella | ||||
| 28 | 991733 | 1.05 | 1.28 | |
| Supporto | ||||
| 29 | 325155 | 4.50 | 5.49 | |
| Cuscinetto a sfere 608vvmc2eps2l | ||||
| 30 | 608VVM | 5.70 | 6.95 | |
| STATORE 230V | ||||
| 31 | 360724E | 36.16 | 44.12 | |
| Cuscinetto a sfere 626vvmc2erps2s | ||||
| 32 | 626VVM | 5.70 | 6.95 | |
| Stator 220v-230v H-90sa Includ.103 Per Nzl,saf | ||||
| 33A | 340669E | 18.70 | 22.81 | |
| Terminale Cavo (vecchio 941562,10 St. | ||||
| 34 | 960356 | 3.00 | 3.66 | |
| Rondella (VECCHIO 876205) | ||||
| 66A | 889024 | 1.04 | 1.27 | |
| Rondella (VECCHIO 876205) | ||||
| 107A | 889024 | 1.04 | 1.27 | |
| Nessuna informazione disponibile, non ordinabile | ||||
| 501 | 943277 | |||
| Nessuna informazione disponibile, non ordinabile | ||||
| 502 | 305810 | |||
| Nessuna informazione disponibile, non ordinabile | ||||
| 503 | 879356 | |||
| Nessuna informazione disponibile, non ordinabile | ||||
| 601 | 879330 | |||
| Nessuna informazione disponibile, non ordinabile | ||||
| 602 | 879331 | |||
| Nessuna informazione disponibile, non ordinabile | ||||
| 603 | 879332 | |||
| Nessuna informazione disponibile, non ordinabile | ||||
| 604 | 879333 | |||
| Nessuna informazione disponibile, non ordinabile | ||||
| 605 | 879334 | |||
| Nessuna informazione disponibile, non ordinabile | ||||
| 606 | 879335 | |||
| Nessuna informazione disponibile, non ordinabile | ||||
| 607 | 879357 | |||
| Nessuna informazione disponibile, non ordinabile | ||||
| 608 | 879391 | |||