Qui troverai tutte le parti e i disegni disponibili di “Hikoki CJ18DL”. Da qui puoi ordinare direttamente tutte le parti desiderate. Molte parti devono essere ordinate dal produttore, a seconda della marca, ciò richiede da una a quattro settimane. Tutte le informazioni che abbiamo sono sul nostro sito web, non possiamo consigliarti su ciò di cui hai bisogno, per questo dovrai restituire la macchina per la riparazione. Nota quanto segue al momento dell’ordinazione:
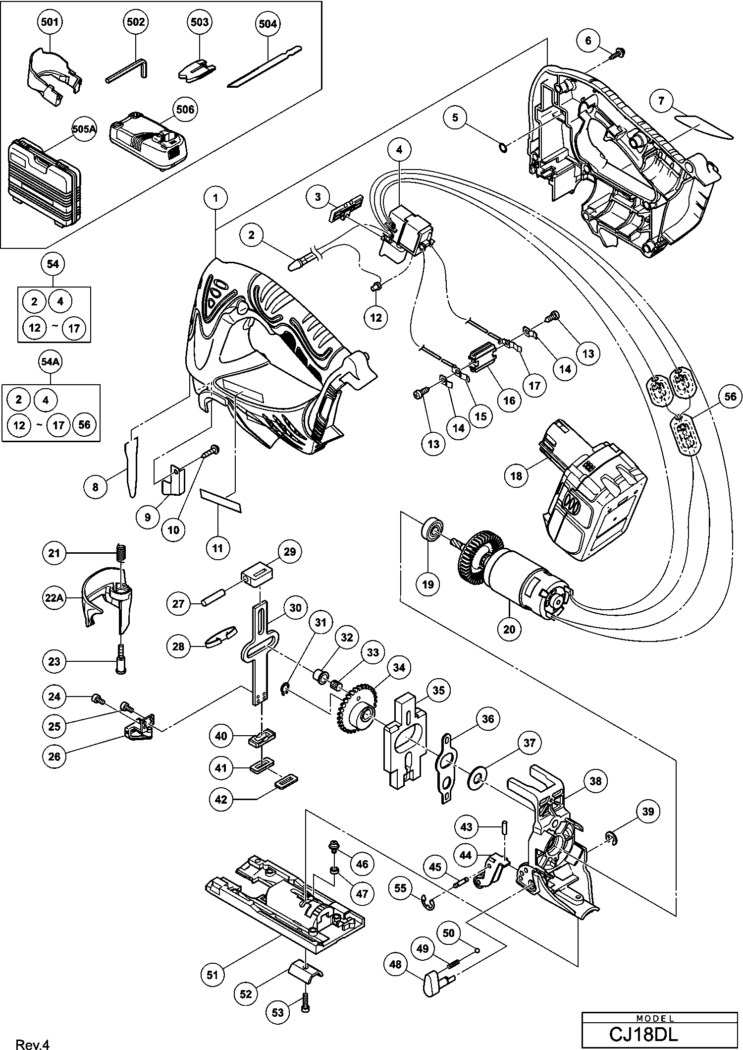
Disegni tecnici di Hikoki CJ18DL
Elenco parti di Hikoki CJ18DL
| Pos. | Descrizione | Prezzo IVA escl | Prezzo IVA incl | |
| I prezzi indicati sono comprensivi di IVA | ||||
| Custodia (a).(b) Set | ||||
| 1 | 328362 | 40.01 | 48.82 | |
| Led | ||||
| 2 | 328336 | 9.90 | 12.08 | |
| Pulsante di commutazione (s + d) | ||||
| 3 | 319760 | 1.05 | 1.28 | |
| Interruttore | ||||
| 4 | 328335 | 48.40 | 59.05 | |
| Anello O (p-6) | ||||
| 5 | 984528 | 1.05 | 1.28 | |
| Vite per foratura D4x20 con flangia (nero) | ||||
| 6 | 301653 | 1.04 | 1.27 | |
| Barra di protezione | ||||
| 8 | 328349 | 1.20 | 1.46 | |
| Fermamateriale (a) | ||||
| 9 | 321592 | 2.70 | 3.29 | |
| Vite D3x8 con rondella | ||||
| 10 | 984327 | 1.04 | 1.27 | |
| Giunzione di saldatura 50091 (10 pezzi) | ||||
| 12 | 959140 | 3.30 | 4.03 | |
| VITE C M4X35 | ||||
| 13 | 958715 | 1.04 | 1.27 | |
| Molla | ||||
| 14 | 996118 | 2.55 | 3.11 | |
| Terminale Ds 14dmr | ||||
| 15 | 322995 | 1.05 | 1.28 | |
| Pezzo del terminale | ||||
| 16 | 320997 | 1.20 | 1.46 | |
| Terminale Ds 14dmr | ||||
| 17 | 323003 | 1.05 | 1.28 | |
| Nessuna informazione disponibile, non ordinabile | ||||
| 18 | 327730 | |||
| Cuscinetto a sfere 608vvmc2eps2l | ||||
| 19 | 608VVM | 5.70 | 6.95 | |
| Motore Dc 18v | ||||
| 20 | 328361 | 38.09 | 46.47 | |
| Molla del leva Cj120v/va | ||||
| 21 | 321580 | 1.35 | 1.65 | |
| Nessuna informazione disponibile, non ordinabile | ||||
| 22 | 328347 | |||
| Leva (vecchio 328347) | ||||
| 22A | 370009 | 1.35 | 1.65 | |
| Bullone | ||||
| 23 | 328348 | 2.10 | 2.56 | |
| Vite esagonale Seal Lock M3x8 | ||||
| 24 | 325241 | 1.65 | 2.01 | |
| Sigillo Bloccaggio Esagonale. Bullone M3x6 | ||||
| 25 | 325077 | 1.65 | 2.01 | |
| Porta lama da sega | ||||
| 26 | 325076 | 26.95 | 32.88 | |
| PINNA D6 | ||||
| 27 | 983564 | 3.00 | 3.66 | |
| Molla a piastra | ||||
| 28 | 325071 | 3.30 | 4.03 | |
| Porta sega | ||||
| 29 | 325070 | 6.45 | 7.87 | |
| Stantuffo | ||||
| 30 | 328343 | 7.65 | 9.33 | |
| Rondella del bullone D7 | ||||
| 31 | 994251 | 1.05 | 1.28 | |
| CONNETTORE | ||||
| 32 | 328342 | 1.20 | 1.46 | |
| CUSCINETTO A RULLINI | ||||
| 33 | 325242 | 4.80 | 5.86 | |
| INGRANAGGIO | ||||
| 34 | 328341 | 18.15 | 22.14 | |
| Peso di bilanciamento Sv12v/sv12sd | ||||
| 35 | 328340 | 28.88 | 35.23 | |
| Camme orbitale | ||||
| 36 | 328339 | 6.45 | 7.87 | |
| RONDINA | ||||
| 37 | 957540 | 1.04 | 1.27 | |
| Porta Ingranaggi | ||||
| 38 | 328328 | 45.65 | 55.69 | |
| Rondella | ||||
| 39 | 673489 | 1.04 | 1.27 | |
| Porta sega | ||||
| 40 | 328344 | 1.20 | 1.46 | |
| Coperchio Imballaggio | ||||
| 41 | 328346 | 4.80 | 5.86 | |
| Guarnizione | ||||
| 42 | 328345 | 1.20 | 1.46 | |
| Rullo ad ago | ||||
| 43 | 328329 | 1.20 | 1.46 | |
| Portarotolo | ||||
| 44 | 328330 | 16.36 | 19.96 | |
| SPINA | ||||
| 45 | 328331 | 3.15 | 3.84 | |
| Vite per macchina (con rondella) M4x8 (nero) | ||||
| 46 | 315500 | 1.35 | 1.65 | |
| Anello di gomma (1) | ||||
| 47 | 321576 | 1.35 | 1.65 | |
| POMELLO | ||||
| 48 | 328332 | 8.70 | 10.61 | |
| Molla | ||||
| 49 | 982454 | 1.04 | 1.27 | |
| Pallina d'acciaio D3.97 (10 pezzi) | ||||
| 50 | 959155 | 1.04 | 1.27 | |
| Piastra di base KS 60 | ||||
| 51 | 321573 | 14.99 | 18.28 | |
| Blocco base Cj120v/va | ||||
| 52 | 321575 | 6.46 | 7.88 | |
| Vite a Brugola M5x14 (10 Pezzi) | ||||
| 53 | 949665 | 2.10 | 2.56 | |
| INTERRUTTORE + CONTATTI | ||||
| 54 | 328353 | 41.80 | 51.00 | |
| Nessuna informazione disponibile, non ordinabile | ||||
| 54A | 334860 | |||
| ANELLO FERMATORE | ||||
| 55 | 872971 | 1.05 | 1.28 | |
| SET CAVI FERRITE INTERNI | ||||
| 56 | 334853 | 8.40 | 10.25 | |
| Nessuna informazione disponibile, non ordinabile | ||||
| 501 | 328352 | |||
| Nessuna informazione disponibile, non ordinabile | ||||
| 502 | 944458 | |||
| Guardia anti-schegge | ||||
| 503 | 321590 | 1.50 | 1.83 | |
| Nessuna informazione disponibile, non ordinabile | ||||
| 504 | 879357 | |||
| Nessuna informazione disponibile, non ordinabile | ||||
| 505 | 328351 | |||
| Nessuna informazione disponibile, non ordinabile | ||||
| 505A | 339042 | |||
| Nessuna informazione disponibile, non ordinabile | ||||
| 601 | 963400 | |||
| Nessuna informazione disponibile, non ordinabile | ||||
| 602 | 879336 | |||
| Nessuna informazione disponibile, non ordinabile | ||||
| 603 | 879337 | |||
| Nessuna informazione disponibile, non ordinabile | ||||
| 604 | 879338 | |||
| Nessuna informazione disponibile, non ordinabile | ||||
| 605 | 879339 | |||
| Nessuna informazione disponibile, non ordinabile | ||||
| 606 | 879340 | |||
| Nessuna informazione disponibile, non ordinabile | ||||
| 607 | 879341 | |||
| Nessuna informazione disponibile, non ordinabile | ||||
| 608 | 321878 | |||
| PIASTRA BASE IN METALLO 145 MM DI LUNGHEZZA | ||||
| 609 | 321992 | 26.40 | 32.21 | |
| Bullone speciale | ||||
| 610 | 321996 | 1.65 | 2.01 | |
| Nessuna informazione disponibile, non ordinabile | ||||
| 611 | 321593 | |||
| Nessuna informazione disponibile, non ordinabile | ||||
| 612 | 325149 | |||
| Base in plastica lunga 150mm | ||||
| 613 | 321993 | 12.15 | 14.82 | |
| Nessuna informazione disponibile, non ordinabile | ||||
| 614 | 321591 | |||