Qui troverai tutte le parti e i disegni disponibili di “Hikoki CH55EPA”. Da qui puoi ordinare direttamente tutte le parti desiderate. Molte parti devono essere ordinate dal produttore, a seconda della marca, ciò richiede da una a quattro settimane. Tutte le informazioni che abbiamo sono sul nostro sito web, non possiamo consigliarti su ciò di cui hai bisogno, per questo dovrai restituire la macchina per la riparazione. Nota quanto segue al momento dell’ordinazione:
Disegni tecnici di Hikoki CH55EPA
Elenco parti di Hikoki CH55EPA
| Pos. | Descrizione | Prezzo IVA escl | Prezzo IVA incl | |
| I prezzi indicati sono comprensivi di IVA | ||||
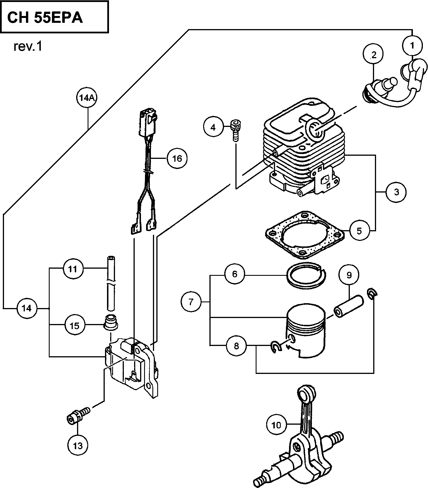
| Conjunto de tapon de bujía (antiguo 157-01570-90/6 | ||||
| 1 | 6687468 | 2.31 | 2.82 | |
| Candela di accensione Rcj8y | ||||
| 2 | 6699328 | 3.30 | 4.03 | |
| Set di cilindri (vecchio 001-07130-91) | ||||
| 3 | 6685489 | 34.19 | 41.71 | |
| Bullone esagonale M5x18/s (vecchio 994-61050-184) | ||||
| 4 | 6684586 | 2.15 | 2.62 | |
| Guarnizione del cilindro (vecchio 017-00980-20 & 6 | ||||
| 5 | 6685709 | 1.15 | 1.40 | |
| Anello di pistone (vecchio 041-00601-21/ 6686117) | ||||
| 6 | 6686118 | 4.45 | 5.43 | |
| Set pistone (vecchio 030-00070-90) | ||||
| 7 | 6685869 | 15.58 | 19.00 | |
| Circlip del perno del pistone (vecchio 039-00601-2 | ||||
| 8 | 6684590 | 2.15 | 2.62 | |
| Spinotto del pistone | ||||
| 9 | 6696944 | 3.33 | 4.06 | |
| Albero motore comp. (vecchio 046-07135-80) | ||||
| 10 | 6686217 | 42.20 | 51.48 | |
| Cavo ad alta tensione 140l (vecchio 178-20549-20/6 | ||||
| 11 | 6687888 | 2.31 | 2.82 | |
| Bullone con foro esagonale 4x15/ps (vecchio 994-63 | ||||
| 13 | 6684682 | 2.15 | 2.62 | |
| Ass'y di Bobina di Accensione (vecchio 6687665/669 | ||||
| 14 | 6699772 | 17.85 | 21.78 | |
| Nessuna informazione disponibile, non ordinabile | ||||
| 14A | 6697638 | |||
| Cappuccio in Gomma | ||||
| 15 | 6684602 | 2.15 | 2.62 | |
| Montaggio del filo di piombo | ||||
| 16 | 6697836 | 5.45 | 6.65 | |
| Calza dell'albero dell'ingranaggio 0.20 (vecchio 3 | ||||
| 31 | 6684604 | 2.15 | 2.62 | |
| Calza dell'albero dell'ingranaggio 0.30 (vecchio 3 | ||||
| 31 | 6684605 | 2.15 | 2.62 | |
| Cassa del Manovella Ass' (vecchia 072-07120-92) | ||||
| 32 | 6686585 | 36.15 | 44.10 | |
| Guarnizione dell'olio | ||||
| 33 | 6684607 | 4.29 | 5.23 | |
| Cuscinetto a sfere 6001 C3 | ||||
| 34 | 6684608 | 3.80 | 4.64 | |
| Guarnizione del carter della manovella (vecchio 09 | ||||
| 35 | 6686719 | 1.15 | 1.40 | |
| Bullone esagonale M5x18/s (vecchio 994-61050-184) | ||||
| 36 | 6684586 | 2.15 | 2.62 | |
| Roto Magneto Comp. | ||||
| 37 | 6601171 | 22.99 | 28.04 | |
| Nessuna informazione disponibile, non ordinabile | ||||
| 37A | 6696928 | |||
| Rondella M8 (vecchio 992-01080-011) | ||||
| 38 | 6684611 | 2.15 | 2.62 | |
| Dado M8 (vecchio 991-01080-011/327325/332299/72660 | ||||
| 39 | 6684612 | 2.15 | 2.62 | |
| Guarnizione del collettore di aspirazione | ||||
| 51 | 6689890 | 1.15 | 1.40 | |
| Set di Isolanti del Carburatore | ||||
| 52 | 6689914 | 5.94 | 7.24 | |
| Guarnizione del carburatore (vecchio 402-0602K-21/ | ||||
| 53 | 6684615 | 2.15 | 2.62 | |
| Bullone a foro esagonale 5x22/ws (vecchio 994-6405 | ||||
| 54 | 6695514 | 1.15 | 1.40 | |
| Vite 5x60/s (vecchio 994-14050-601) | ||||
| 55 | 6695354 | 1.15 | 1.40 | |
| Rondella | ||||
| 56 | 6684661 | 2.15 | 2.62 | |
| Tubo di protezione (vecchio 223-07000-90) | ||||
| 57 | 6688174 | 2.31 | 2.82 | |
| Clip D6 (vecchio 680-00070-20) | ||||
| 58 | 6685198 | 1.15 | 1.40 | |
| Nessuna informazione disponibile, non ordinabile | ||||
| 59 | 6684620 | |||
| Serbatoio, bianco (vecchio 591-07120-21/6691593/66 | ||||
| 60 | 6691592 | 9.58 | 11.68 | |
| Nessuna informazione disponibile, non ordinabile | ||||
| 61 | 6685049 | |||
| Collare 5.8 (vecchio 659-00801-20) | ||||
| 62 | 6692244 | 1.15 | 1.40 | |
| Set carburatore | ||||
| 63 | 6690512 | 66.40 | 81.01 | |
| Cappuccio girevole (vecchio 560-07120-21/6684628) | ||||
| 64 | 6691337 | 1.15 | 1.40 | |
| Bullone a buco esagonale 5x16/ps (vecchio 994-6305 | ||||
| 65 | 6695504 | 1.15 | 1.40 | |
| Bullone (con flangia) | ||||
| 65A | 6696574 | 1.05 | 1.28 | |
| Vite 5x20ws (vecchia 994-65050-205) | ||||
| 66 | 6695516 | 1.15 | 1.40 | |
| Nessuna informazione disponibile, non ordinabile | ||||
| 67 | 6684625 | |||
| Non più disponibile, nessuna sostituzione | ||||
| 68 | 6684880 | |||
| Gommino di ritorno fino a 7.2014 (vecchio 6684627) | ||||
| 69 | 6697846 | 1.04 | 1.27 | |
| Protezione Silenziatore Nero (vecchio 738-07162-20 | ||||
| 91 | 6692809 | 5.11 | 6.24 | |
| Vite 4x15ps (vecchio 994-15040-151) | ||||
| 92 | 6695373 | 1.15 | 1.40 | |
| Vite auto forante D4.5x12 (vecchio 990-73045-124) | ||||
| 94 | 6684637 | 2.15 | 2.62 | |
| Bullone a Testa Esagonale M5x50 (vecchio 990-51050 | ||||
| 95 | 6685114 | 1.15 | 1.40 | |
| Anello M5 (old 992-01050-061) | ||||
| 96 | 6684918 | 2.15 | 2.62 | |
| Set di marmitta (vecchio 704-07001-90) | ||||
| 98 | 6692487 | 11.88 | 14.49 | |
| Guarnizione Marmitta (vecchio 737-07000-20 & 66927 | ||||
| 100 | 6692745 | 1.15 | 1.40 | |
| Scudo termico | ||||
| 101 | 6687253 | 2.31 | 2.82 | |
| Nessuna informazione disponibile, non ordinabile | ||||
| 103 | 6697619 | |||
| Scarpa frizione | ||||
| 104 | 6688616 | 7.59 | 9.26 | |
| BRACCIO FRIZIONE COMP 54 NUOVO | ||||
| 104A | 6697161 | 6.90 | 8.42 | |
| Molla frizione (vecchio 342-06410-20) | ||||
| 105 | 6689430 | 2.31 | 2.82 | |
| Nessuna informazione disponibile, non ordinabile | ||||
| 105A | 6697618 | |||
| Piastra frizione A (vecchia 348-0602r-20) | ||||
| 106 | 6689528 | 1.15 | 1.40 | |
| Bullone a gradino (vecchio 357-00601-20) | ||||
| 107 | 6689627 | 1.15 | 1.40 | |
| Bullone di passaggio (vecchio 357-0075t-20) | ||||
| 107A | 6684646 | 2.15 | 2.62 | |
| Rondella | ||||
| 108 | 6684648 | 2.15 | 2.62 | |
| Set frizione (vecchio 276-06410-91) Nuovo | ||||
| 109 | 6688484 | 14.53 | 17.72 | |
| Nessuna informazione disponibile, non ordinabile | ||||
| 109A | 6696932 | |||
| Vite con foro esagonale M5x18/ws (vecchio 994-6405 | ||||
| 110 | 6684647 | 2.15 | 2.62 | |
| Vite con foro esagonale M5x30/ws (vecchio 994-6405 | ||||
| 112 | 6684973 | 2.15 | 2.62 | |
| Componente della morsetto del cavo (vecchio 198-11 | ||||
| 113 | 6688011 | 1.15 | 1.40 | |
| Corpo avviamento a strappo (vecchio 762-07130-91) | ||||
| 151 | 6692988 | 42.20 | 51.48 | |
| Maniglia di avviamento | ||||
| 152 | 6693240 | 14.35 | 17.51 | |
| Corpo avviamento a strappo Comp. (vecchio 772-0713 | ||||
| 153 | 6693039 | 24.20 | 29.52 | |
| Corda 2.6x830 (vecchia 783-07130-20) | ||||
| 154 | 6693175 | 6.44 | 7.85 | |
| Molla di richiamo (vecchio 780-07130-20) | ||||
| 155 | 6693139 | 9.74 | 11.88 | |
| Cassa molla (vecchio 778-07130-90) | ||||
| 156 | 6693102 | 30.25 | 36.90 | |
| Bobina della corda di avviamento (vecchio 774-0713 | ||||
| 157 | 6693080 | 6.44 | 7.85 | |
| Rondella | ||||
| 158 | 6687947 | 2.31 | 2.82 | |
| Vite a Taglio D5x14 (vecchio 990-72050-144) | ||||
| 159 | 6685275 | 1.15 | 1.40 | |
| Bullone a foro esagonale 4x18ws (vecchio 994-64040 | ||||
| 160 | 6695508 | 1.15 | 1.40 | |
| Dado flangia 5 (vecchio 991-82050-001) | ||||
| 161 | 6695169 | 1.15 | 1.40 | |
| Assemblea Puleggia Avviamento (old 798-07085-90) | ||||
| 162 | 6693408 | 32.21 | 39.30 | |
| Nessuna informazione disponibile, non ordinabile | ||||
| 171A | 6699995 | |||
| Carcassa avviamento a strappo Comp. (vecchio 772-0 | ||||
| 172 | 6684673 | 19.06 | 23.26 | |
| Corda di avviamento 3.5x860 (vecchio 783-0720f-20/ | ||||
| 173 | 6684674 | 4.29 | 5.23 | |
| Molla di richiamo (vecchio 780-06097-20/6697591) | ||||
| 174 | 6684675 | 11.55 | 14.09 | |
| Bobina della corda di avviamento | ||||
| 175A | 6699997 | 8.41 | 10.26 | |
| Molla d'ammortizzatore (vecchio 758-0651h-20) | ||||
| 176 | 6684677 | 8.58 | 10.46 | |
| PIASTRA CAMMA | ||||
| 177A | 6699996 | 2.55 | 3.11 | |
| Vite di regolazione (vecchio 839-03045-20) | ||||
| 178 | 6684679 | 2.15 | 2.62 | |
| Maniglia di avviamento | ||||
| 179 | 6684680 | 2.15 | 2.62 | |
| Puleggia di avviamento Ass'y (vecchio 798-0651h-90 | ||||
| 180 | 6684681 | 13.20 | 16.10 | |
| Bullone a foro esagonale 4x18ws (vecchio 994-64040 | ||||
| 181 | 6695508 | 1.15 | 1.40 | |
| Anello di fermata D4e (vecchio 993-55040-001) | ||||
| 182 | 6685101 | 1.15 | 1.40 | |
| Molla della frizione di avviamento (vecchio 790-06 | ||||
| 183 | 6684684 | 4.29 | 5.23 | |
| Morsa di avviamento (vecchio 788-0651h-20) | ||||
| 184 | 6684685 | 4.29 | 5.23 | |
| Ass'y di Piastra Camma | ||||
| 185 | 6699691 | 6.10 | 7.44 | |
| Cleaner Assy (vecchio 410-07142-91 e 6690047) | ||||
| 201 | 6690048 | 9.58 | 11.68 | |
| Coprifiltro dell'aria | ||||
| 202 | 6690391 | 4.45 | 5.43 | |
| Elemento del filtro dell'aria | ||||
| 203 | 6684654 | 2.15 | 2.62 | |
| Vite speciale (vecchio 380-0637c-20) | ||||
| 204 | 6689737 | 1.15 | 1.40 | |
| Corpo del pulitore Comp. (vecchio 423-00070-81) | ||||
| 205 | 6684656 | 8.58 | 10.46 | |
| Valvola di farfalla (vecchio 528-07143-81) | ||||
| 206 | 6684657 | 4.29 | 5.23 | |
| Nessuna informazione disponibile, non ordinabile | ||||
| 207 | 6684658 | |||
| Colletto 8 (vecchio 657-3252a-20) | ||||
| 208 | 6684659 | 2.15 | 2.62 | |
| Corpo pompa comp. (vecchio 575-25153-80) | ||||
| 221 | 6684879 | 62.16 | 75.84 | |
| Pompa di innesto comp. (vecchio 442-25151-80) | ||||
| 222 | 6684687 | 16.34 | 19.93 | |
| Coperchio del diaframma (vecchio 476-25151-20) | ||||
| 223 | 6684688 | 8.58 | 10.46 | |
| Corpo di innesco (vecchio 447-25108-20) | ||||
| 224 | 6684689 | 6.44 | 7.85 | |
| Diaframma di misurazione Comp. (vecchio 474-25241- | ||||
| 225 | 6690830 | 11.88 | 14.49 | |
| Guarnizione del diaframma (vecchio 475-25153-20) | ||||
| 226 | 6684691 | 8.58 | 10.46 | |
| Diaframma della pompa (vecchio 576-25100-20 & 6696 | ||||
| 227 | 6684693 | 8.58 | 10.46 | |
| Guarnizione pompa (vecchio 577-25100-20) | ||||
| 228 | 6691457 | 7.10 | 8.66 | |
| Getto principale #38 (vecchio 599-2000w-38) | ||||
| 229 | 6691844 | 4.45 | 5.43 | |
| O-RING (vecchio 550-25100-20) | ||||
| 230 | 6684695 | 4.29 | 5.23 | |
| Anello di arresto (vecchio 489-25100-20) | ||||
| 231 | 6684696 | 2.15 | 2.62 | |
| Snodo (vecchio 539-25120-20) | ||||
| 232 | 6684697 | 6.44 | 7.85 | |
| Vite di regolazione del gas (vecchio 548-25140-20) | ||||
| 233 | 6684698 | 4.29 | 5.23 | |
| Vite di regolazione (vecchio 548-25151-20 & 669632 | ||||
| 234 | 6684699 | 2.15 | 2.62 | |
| Schermo di ingresso (vecchio 578-25007-20) | ||||
| 235 | 6684700 | 4.29 | 5.23 | |
| Albero della stampella comp. (vecchio 289-07061-80 | ||||
| 251 | 6695969 | 15.73 | 19.18 | |
| Anello Ferma C-12 Esterno | ||||
| 252 | 6684664 | 2.15 | 2.62 | |
| Gomma Antivibrazione | ||||
| 253 | 6691839 | 3.30 | 4.03 | |
| Bullone con foro esagonale 5x16 (vecchio 990-51050 | ||||
| 254 | 6695046 | 1.15 | 1.40 | |
| Vite con foro esagonale M5x25/s (vecchio 994-16050 | ||||
| 255 | 6684709 | 2.15 | 2.62 | |
| Carcassa della ventola | ||||
| 256 | 6687029 | 15.13 | 18.45 | |
| Porta tubo, TPE | ||||
| 257 | 6689651 | 5.94 | 7.24 | |
| Anello M5 (old 992-01050-061) | ||||
| 258 | 6684918 | 2.15 | 2.62 | |
| Rondella | ||||
| 259 | 6689159 | 1.15 | 1.40 | |
| Raccordot metallico (vecchio 361-00990-20) | ||||
| 260 | 6689664 | 3.30 | 4.03 | |
| Albero motore 633l (vecchio 343-32243-20) | ||||
| 281 | 6689439 | 12.88 | 15.71 | |
| Tubo di direzione | ||||
| 282 | 6689303 | 20.11 | 24.54 | |
| Nessuna informazione disponibile, non ordinabile | ||||
| 283 | 6684831 | |||
| Montaggio del metallo di sollevamento (vecchio 335 | ||||
| 284 | 6689277 | 3.30 | 4.03 | |
| Staffa A (vecchio 215-32243-20) | ||||
| 285 | 6688103 | 2.31 | 2.82 | |
| Staffa B (vecchio 216-32243-20/6686103) | ||||
| 286 | 6688104 | 3.30 | 4.03 | |
| VITE CON FORO ESAGONALE 6X25S (VECCHIO 994-81060-2 | ||||
| 287 | 6684714 | 2.15 | 2.62 | |
| Nessuna informazione disponibile, non ordinabile | ||||
| 289 | 6685075 | |||
| Dado esagonale 6 (vecchio 6684792/991-01060-041/79 | ||||
| 290 | 6684835 | 2.15 | 2.62 | |
| Rondella | ||||
| 291 | 6695194 | 1.15 | 1.40 | |
| Manico frontale (vecchio 210-33160-22/6688095/6688 | ||||
| 292 | 6688096 | 7.75 | 9.46 | |
| Bullone Hex. Foro 5x55 (vecchio 990-51050-553) | ||||
| 293 | 6695056 | 1.15 | 1.40 | |
| Anello M5 (old 992-01050-061) | ||||
| 294 | 6684918 | 2.15 | 2.62 | |
| Anello 5 (vecchio 992-10050-062) | ||||
| 295 | 6684834 | 2.15 | 2.62 | |
| Leva dell'acceleratore Ass'y (vecchio 870-38449-90 | ||||
| 296 | 6693769 | 36.15 | 44.10 | |
| Cavo dell'acceleratore | ||||
| 297 | 6693982 | 19.96 | 24.35 | |
| Cavo dell'acceleratore 4t (vecchio 887-38449-80) | ||||
| 298 | 6694025 | 8.41 | 10.26 | |
| Pulsante di arresto Comp. (vecchio 156-37821-80) | ||||
| 299 | 6687452 | 13.91 | 16.97 | |
| Tubo di protezione 7x145l (vecchio 164-07014-50) N | ||||
| 300 | 6687523 | 1.05 | 1.28 | |
| Leva di sicurezza (vecchio 253-38400-20) | ||||
| 301 | 6684721 | 6.44 | 7.85 | |
| Molla di ritorno (vecchio 832-38400-20) | ||||
| 302 | 6684722 | 2.15 | 2.62 | |
| Tappo cieco (vecchio 322-38400-20) | ||||
| 303 | 6684724 | 2.15 | 2.62 | |
| Vite M5x20 (vecchio 994-31050-203) | ||||
| 304 | 6684803 | 2.15 | 2.62 | |
| Nessuna informazione disponibile, non ordinabile | ||||
| 305 | 6684727 | |||
| Vite M4x20 (nera) (vecchio 993-46040-202) | ||||
| 306 | 6684725 | 2.15 | 2.62 | |
| Leva dell'acceleratore (vecchio 880-38400-20) | ||||
| 307 | 6684804 | 8.58 | 10.46 | |
| Albero di trasmissione, 978l (vecchio 343-32292-20 | ||||
| 308 | 6689440 | 14.68 | 17.90 | |
| Albero di trasmissione 945 (vecchio 341-32273-81) | ||||
| 309 | 6689304 | 22.24 | 27.13 | |
| Boccole Ass'y (vecchio 6684831) | ||||
| 310 | 6697839 | 4.29 | 5.23 | |
| Impugnatura ad Anello, 24 Dia., nero (vecchio 500- | ||||
| 311 | 6691046 | 5.78 | 7.05 | |
| Staffa maniglia A (vecchio 506-37300-20) | ||||
| 312 | 6691134 | 2.31 | 2.82 | |
| Impugnatura (vecchia 503-3738e-20) | ||||
| 313 | 6691098 | 6.44 | 7.85 | |
| Bullone 6x43/p (nero) (vecchio 994-23060-432) | ||||
| 314 | 6684838 | 2.15 | 2.62 | |
| Vite per lamiera 5x20 (vecchio 993-11052-012) | ||||
| 315 | 6695255 | 1.15 | 1.40 | |
| Rondella | ||||
| 316 | 6689681 | 1.15 | 1.40 | |
| Cassa del cambio A, 24 Dia (vecchio 300-32287-21) | ||||
| 321 | 6688653 | 30.25 | 36.90 | |
| Cuscinetto a sfere 6901ZZ/OD (vecchio 999-61690-10 | ||||
| 322 | 6695582 | 9.74 | 11.88 | |
| Anello di arresto S-12, esterno (vecchio 993-52012 | ||||
| 323 | 6695302 | 1.15 | 1.40 | |
| Anello di arresto C-24.internal (vecchio 993-51024 | ||||
| 324 | 6684732 | 2.15 | 2.62 | |
| Nessuna informazione disponibile, non ordinabile | ||||
| 325 | 6698772 | |||
| ANELLO DI ARRESTO C-22, INTERNO (VECCHIO 993-51022 | ||||
| 326 | 6695293 | 1.15 | 1.40 | |
| CAPPELLO A GRASSO COMP. (VECCHIO 300-32250-80) | ||||
| 327 | 6688643 | 1.15 | 1.40 | |
| Bullone con foro esagonale 5x10 (vecchio 990-51050 | ||||
| 328 | 6695042 | 1.15 | 1.40 | |
| Vite con foro esagonale M5x25/s (vecchio 994-16050 | ||||
| 329 | 6684709 | 2.15 | 2.62 | |
| Bullone con foro esagonale 6x12 (vecchio 990-53060 | ||||
| 330 | 6695078 | 1.15 | 1.40 | |
| Rondella | ||||
| 331 | 6684822 | 2.15 | 2.62 | |
| Cassa ingranaggi B (vecchio 301-32286-21) (vecchio | ||||
| 332 | 6695981 | 40.24 | 49.09 | |
| Nessuna informazione disponibile, non ordinabile | ||||
| 333 | 6695528 | |||
| ANELLO DI ARRESTO C-26, INTERNO (VECCHIO 993-51026 | ||||
| 334 | 6695294 | 1.15 | 1.40 | |
| Rondella | ||||
| 335 | 6684822 | 2.15 | 2.62 | |
| Anello di arresto E-6 (vecchio 993-55060-000) | ||||
| 336 | 6695310 | 1.15 | 1.40 | |
| Coperchio del carter ingranaggi A (vecchio 327-322 | ||||
| 337 | 6689167 | 1.15 | 1.40 | |
| Vite a buco esagonale 4x8 (vecchio 990-51040-085) | ||||
| 338 | 6695035 | 1.15 | 1.40 | |
| Nessuna informazione disponibile, non ordinabile | ||||
| 339 | 6698772 | |||
| ANELLO DI ARRESTO C-22, INTERNO (VECCHIO 993-51022 | ||||
| 340 | 6695293 | 1.15 | 1.40 | |
| Manico (vecchio 210-32286-20) | ||||
| 341 | 6688089 | 4.45 | 5.43 | |
| Vite a testa rotonda con foro esagonale 6x15 (vecc | ||||
| 342 | 6695079 | 1.15 | 1.40 | |
| Guarnizione in Gomma | ||||
| 343 | 6686669 | 1.15 | 1.40 | |
| Non più disponibile, nessuna sostituzione | ||||
| 344 | 6696411 | |||
| Pulsante di maniglia A Comp. (vecchio 512-32286-80 | ||||
| 345 | 6691200 | 3.30 | 4.03 | |
| Vite Plus 6x14 (vecchio 990-23060-141) | ||||
| 346 | 6695016 | 1.15 | 1.40 | |
| Dado 6 Ups-p (vecchio 991-87060-001 & 6698766) | ||||
| 347 | 6695175 | 1.15 | 1.40 | |
| Piastra di supporto (vecchio 462-32286-20) | ||||
| 348 | 6690744 | 11.23 | 13.69 | |
| Guarnizione in Gomma | ||||
| 349 | 6686659 | 1.15 | 1.40 | |
| LIMITATORE DI ANGOLO (VECCHIO 222-32286-20) | ||||
| 350 | 6688159 | 2.31 | 2.82 | |
| Rondella | ||||
| 351 | 6684639 | 2.15 | 2.62 | |
| Composizione dell'albero a camme (vecchio 100-3228 | ||||
| 361 | 6686790 | 36.15 | 44.10 | |
| Aste a camme (vecchio 101-33160-22/6686808) | ||||
| 362 | 6686809 | 5.94 | 7.24 | |
| Piastra guida asta camma (vecchia 075-32280-20) | ||||
| 363 | 6686611 | 1.15 | 1.40 | |
| Guida per taglierina 625.5mm (vecchio 122-32286-21 | ||||
| 364 | 6687125 | 24.20 | 29.52 | |
| Taglierino (vecchio 120-32287-21/6696516) | ||||
| 365 | 6687079 | 46.29 | 56.47 | |
| Bullone | ||||
| 366 | 6687158 | 1.15 | 1.40 | |
| Non più disponibile, nessuna sostituzione | ||||
| 367 | 6687187 | |||
| Dado a flangia | ||||
| 368 | 6695170 | 1.15 | 1.40 | |
| Vite a svasatura con foro esagonale 6x16 (vecchio | ||||
| 369 | 6695073 | 1.15 | 1.40 | |
| Guarnizione in Gomma | ||||
| 370 | 6686647 | 1.15 | 1.40 | |
| Piastra di bloccaggio della barra dell'albero a ca | ||||
| 371 | 6686826 | 1.15 | 1.40 | |
| Coperchio del case dell'ingranaggio B (vecchio 328 | ||||
| 372 | 6689173 | 24.20 | 29.52 | |
| Cuscinetto a sfere 608 Zz C3 | ||||
| 373 | 6695547 | 3.30 | 4.03 | |
| Bullone forato esagonale 4x10s (vecchio 994-61040- | ||||
| 374 | 6695484 | 1.15 | 1.40 | |
| Vite con foro esagonale M4x12/s (vecchio 994-61040 | ||||
| 375 | 6684595 | 2.15 | 2.62 | |
| Copri taglierina (vecchio 138-33168-20) | ||||
| 376 | 6687301 | 8.41 | 10.26 | |
| Non più disponibile, nessuna sostituzione | ||||
| 377 | 6687162 | |||
| Bullone a svasatura con foro esagonale 6x25 (vecch | ||||
| 378 | 6695075 | 1.15 | 1.40 | |
| Guarnizione in Gomma | ||||
| 379 | 6686666 | 1.15 | 1.40 | |
| Distanziale (vecchio 296-32286-20) | ||||
| 380 | 6688633 | 1.15 | 1.40 | |
| Piastra di protezione | ||||
| 381A | 6601208 | 13.86 | 16.91 | |
| Dado 6 Ups-p (vecchio 991-87060-001 & 6698766) | ||||
| 382 | 6695175 | 1.15 | 1.40 | |
| Rondella | ||||
| 383 | 6684639 | 2.15 | 2.62 | |
| Chiave combinata 10x19 ,più (vecchio 036-29331-50) | ||||
| 501 | 6685997 | 4.45 | 5.43 | |
| Nessuna informazione disponibile, non ordinabile | ||||
| 502 | 6684813 | |||
| Nessuna informazione disponibile, non ordinabile | ||||
| 503 | 6692867 | |||
| Marca Simbolo Ch55epa(s) (vecchio 929-51301-20) Nu | ||||
| 601 | 6694746 | 1.15 | 1.40 | |
| Placca Nome Ch55epa(sm) (vecchio 929-51300-20) Nuo | ||||
| 602 | 6694745 | 1.05 | 1.28 | |