Qui troverai tutte le parti e i disegni disponibili di “Hikoki C9SA2”. Da qui puoi ordinare direttamente tutte le parti desiderate. Molte parti devono essere ordinate dal produttore, a seconda della marca, ciò richiede da una a quattro settimane. Tutte le informazioni che abbiamo sono sul nostro sito web, non possiamo consigliarti su ciò di cui hai bisogno, per questo dovrai restituire la macchina per la riparazione. Nota quanto segue al momento dell’ordinazione:
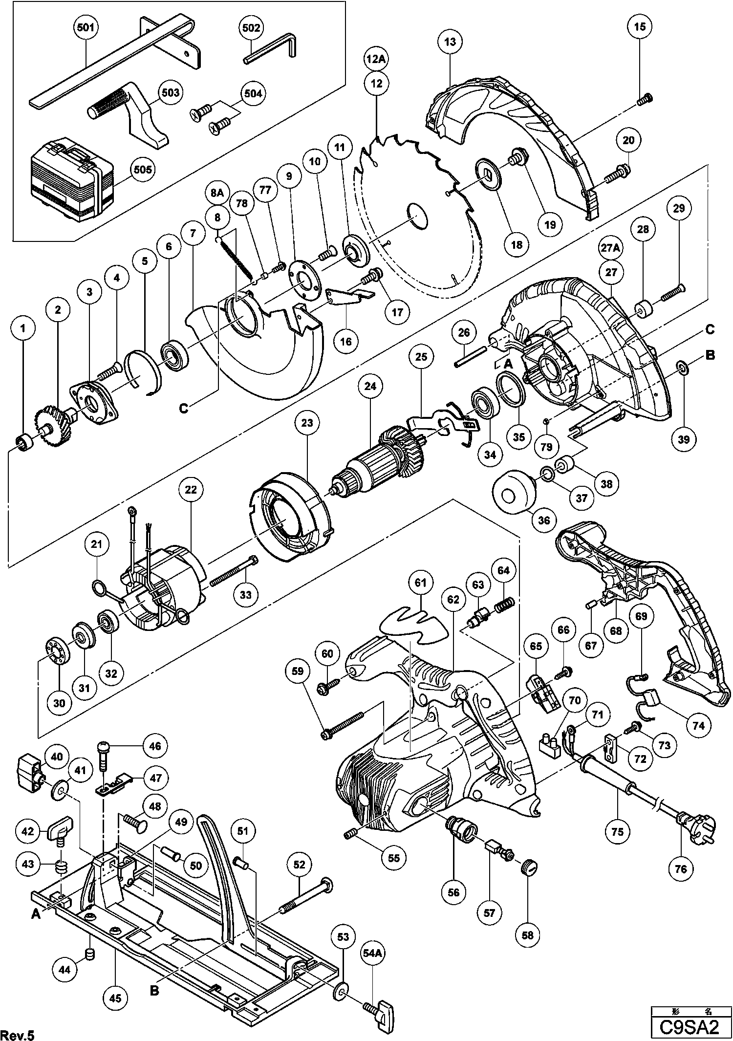
Disegni tecnici di Hikoki C9SA2
Elenco parti di Hikoki C9SA2
| Pos. | Descrizione | Prezzo IVA escl | Prezzo IVA incl | |
| I prezzi indicati sono comprensivi di IVA | ||||
| Cuscinetto a rullini Hk1212 | ||||
| 1 | 673002 | 4.35 | 5.31 | |
| Albero del ingranaggio | ||||
| 2 | 303789 | 26.13 | 31.87 | |
| Supporto Del Cuscinetto | ||||
| 3 | 303790 | 8.85 | 10.80 | |
| Vite a testa piatta Seal Lock M6x14 | ||||
| 4 | 303797 | 1.05 | 1.28 | |
| Guida per il tavolo rotante C8fc | ||||
| 5 | 998887 | 9.30 | 11.35 | |
| Cuscinetto a sfera 6203vvcmps2s | ||||
| 6 | 6203VV | 7.80 | 9.52 | |
| Nessuna informazione disponibile, non ordinabile | ||||
| 7 | 326803 | |||
| Nessuna informazione disponibile, non ordinabile | ||||
| 8 | 303906 | |||
| Nessuna informazione disponibile, non ordinabile | ||||
| 8A | 328626 | |||
| Coperchio del cuscinetto C9u | ||||
| 9 | 303804 | 2.10 | 2.56 | |
| Piastra di bloccaggio sigillante Vite M5x14 | ||||
| 10 | 992013 | 1.05 | 1.28 | |
| Rondella | ||||
| 11 | 303365 | 3.60 | 4.39 | |
| Nessuna informazione disponibile, non ordinabile | ||||
| 12 | 326830 | |||
| Nessuna informazione disponibile, non ordinabile | ||||
| 12A | 335001 | |||
| CAPPUCCIO PROTETTIVO | ||||
| 13 | 325354 | 14.03 | 17.11 | |
| Bullone Speciale | ||||
| 15 | 324139 | 1.65 | 2.01 | |
| Leva | ||||
| 16A | 370542 | 1.04 | 1.27 | |
| Vite meccanica (con rondelle) M4x10 (nero) | ||||
| 17 | 304043 | 1.05 | 1.28 | |
| Dado di bloccaggio | ||||
| 18 | 302423 | 2.10 | 2.56 | |
| Vite esagonale Hd. M8x15.5 C9bu2 | ||||
| 19 | 324662 | 1.95 | 2.38 | |
| Vite per Macchina (con rondelle) M4x14 (nero) | ||||
| 20 | 305691 | 1.05 | 1.28 | |
| Punto di contatto Portaspazzola | ||||
| 21 | 937623 | 1.04 | 1.27 | |
| Statore 230v | ||||
| 22 | 340660Q | 42.21 | 51.50 | |
| VELD 110 VOLT | ||||
| 22 | 340660P | 39.44 | 48.12 | |
| Guida per ventilatore | ||||
| 23 | 325352 | 1.05 | 1.28 | |
| STATORE 230V | ||||
| 24 | 360759E | 66.69 | 81.36 | |
| ANKER 110 VOLT | ||||
| 24 | 360759C | 62.26 | 75.96 | |
| Leva di blocco | ||||
| 25 | 303793 | 4.65 | 5.67 | |
| Spinotto a rullo D8x50 (10 pezzi) | ||||
| 26 | 949884 | 10.65 | 12.99 | |
| Custodia del ingranaggio | ||||
| 27 | 325350 | 59.68 | 72.80 | |
| Nessuna informazione disponibile, non ordinabile | ||||
| 27A | 328627 | |||
| Cuscino C18dmr | ||||
| 28 | 961729 | 1.05 | 1.28 | |
| Vite (10 pezzi) | ||||
| 29 | 949794 | 1.65 | 2.01 | |
| Boccola di gomma | ||||
| 30 | 325356 | 1.05 | 1.28 | |
| CUSCINETTO | ||||
| 31 | 325355 | 3.00 | 3.66 | |
| Cuscinetto a sfera 6000 Vv, Cm9by, C8fse, G23ss | ||||
| 32 | 6000VV | 6.15 | 7.50 | |
| Vite D5x65 | ||||
| 33 | 960251 | 1.05 | 1.28 | |
| Cuscinetto a sfere 6202vvcmps2s | ||||
| 34 | 6202VV | 7.05 | 8.60 | |
| Anello di gomma (1) | ||||
| 35 | 303792 | 1.05 | 1.28 | |
| PULSANTE | ||||
| 36 | 324660 | 4.35 | 5.31 | |
| O-RING (P-7) (OUD 676531) | ||||
| 37 | 889335 | 1.00 | 1.22 | |
| MANICOTTO FILETTATO | ||||
| 38 | 303801 | 3.60 | 4.39 | |
| Rondella (vecchio 961436z) | ||||
| 39 | 961436 | 1.05 | 1.28 | |
| Dado ad alette M8 | ||||
| 40 | 324658 | 3.00 | 3.66 | |
| Rondella M8 (10 Pezzi) | ||||
| 41 | 949433 | 1.05 | 1.28 | |
| Bullone ad Ala M6x15 | ||||
| 42 | 301806 | 1.05 | 1.28 | |
| Molla (vecchio 996224) | ||||
| 43 | 947859 | 1.04 | 1.27 | |
| Vite di regolazione M6x6 | ||||
| 44 | 302469 | 1.05 | 1.28 | |
| Nessuna informazione disponibile, non ordinabile | ||||
| 45 | 326804 | |||
| Vite a Macchina (con Rondella sp.) M4x6 | ||||
| 46 | 317333 | 1.50 | 1.83 | |
| FERMAGLIO PER CAVO | ||||
| 47 | 324659 | 1.95 | 2.38 | |
| Bullone (quadrato) M8x30 | ||||
| 48 | 302457 | 1.04 | 1.27 | |
| Piastra di bisezione | ||||
| 49 | 308481 | 4.65 | 5.67 | |
| Non più disponibile, nessuna sostituzione | ||||
| 50 | 308482 | |||
| Rivetto D6x17 | ||||
| 51 | 308480 | 1.05 | 1.28 | |
| BULLONE M8 | ||||
| 52 | 303800 | 2.55 | 3.11 | |
| Anello M6 (vecchio 949425z , 10 pezzi) | ||||
| 53 | 949425 | 1.05 | 1.28 | |
| Bullone ad ali M6x20 | ||||
| 54A | 328923 | 1.50 | 1.83 | |
| Vite di regolazione esagonale M5x8 | ||||
| 55 | 938477 | 1.05 | 1.28 | |
| Portaspazzole di Carbone | ||||
| 56 | 983362 | 6.45 | 7.87 | |
| Spazzola di carbone (1 paio) | ||||
| 57 | 999038 | 9.30 | 11.35 | |
| Cappuccio della spazzola | ||||
| 58 | 961781 | 2.55 | 3.11 | |
| Vite della macchina M5X40 | ||||
| 59 | 303796 | 1.04 | 1.27 | |
| Vite per foratura D4x20 con flangia (nero) | ||||
| 60 | 301653 | 1.04 | 1.27 | |
| Cassetta del rivestimento DUO 110 - Set | ||||
| 62 | 325362 | 28.05 | 34.22 | |
| Pulsante AGC 18 | ||||
| 63 | 325358 | 1.05 | 1.28 | |
| Molla | ||||
| 64 | 325359 | 1.05 | 1.28 | |
| Interruttore | ||||
| 65 | 325357 | 21.04 | 25.67 | |
| Vite a tagliente (con flangia) D4x12 Fino a 1.2001 | ||||
| 66 | 305720 | 1.05 | 1.28 | |
| PENNA DI GOMMA (VECCHIA 976441) | ||||
| 67 | 946362 | 1.05 | 1.28 | |
| Copertura del Manico | ||||
| 68 | 325351 | 9.30 | 11.35 | |
| Morsetto di Connessione | ||||
| 69 | 980063 | 1.04 | 1.27 | |
| Morsetto | ||||
| 70 | 938307 | 2.13 | 2.59 | |
| Terminale M4.0 (10 pezzi) | ||||
| 71 | 930804 | 3.00 | 3.66 | |
| Morsetto di Connessione | ||||
| 71 | 980063 | 1.04 | 1.27 | |
| Strip di serraggio (vecchio 994566) | ||||
| 72 | 937631 | 1.04 | 1.27 | |
| Nessuna informazione disponibile, non ordinabile | ||||
| 73 | 984750 | |||
| Condensatore (vecchio 987178) | ||||
| 74 | 930039 | 1.95 | 2.38 | |
| Armatura del cavo D10.7 | ||||
| 75 | 940778 | 2.10 | 2.56 | |
| Glandola per cavo D8.2 (vecchia 958049z) | ||||
| 75 | 958049 | 1.04 | 1.27 | |
| SNOER 2.5M 2 X 1.0 H05VV-F W/PLUG 13A/250V (OLD 50 | ||||
| 76 | 500423Z | 12.87 | 15.70 | |
| Cavo 2,5m 2 X 1.0 H05vv-f (Vecchio 500395z) | ||||
| 76 | 500447Z | 6.60 | 8.05 | |
| Vite M4X14 | ||||
| 77 | 311836 | 1.04 | 1.27 | |
| Distanziatore M4 | ||||
| 78 | 311837 | 1.04 | 1.27 | |
| Dado a Cappuccio Esagonale M4 | ||||
| 79 | 311839 | 1.05 | 1.28 | |
| Nessuna informazione disponibile, non ordinabile | ||||
| 501 | 303888 | |||
| Nessuna informazione disponibile, non ordinabile | ||||
| 502 | 872422 | |||
| Nessuna informazione disponibile, non ordinabile | ||||
| 503 | 303811 | |||
| Vite a testa crociata M6x16 (10 pezzi) | ||||
| 504 | 949340 | 1.35 | 1.65 | |
| Nessuna informazione disponibile, non ordinabile | ||||
| 505 | 325364 | |||
| Nessuna informazione disponibile, non ordinabile | ||||
| 601 | 325365 | |||
| Nessuna informazione disponibile, non ordinabile | ||||
| 602 | 324669 | |||
| PULSANTE | ||||
| 603 | 303338 | 2.40 | 2.93 | |