Qui troverai tutte le parti e i disegni disponibili di “Hikoki C7UY”. Da qui puoi ordinare direttamente tutte le parti desiderate. Molte parti devono essere ordinate dal produttore, a seconda della marca, ciò richiede da una a quattro settimane. Tutte le informazioni che abbiamo sono sul nostro sito web, non possiamo consigliarti su ciò di cui hai bisogno, per questo dovrai restituire la macchina per la riparazione. Nota quanto segue al momento dell’ordinazione:
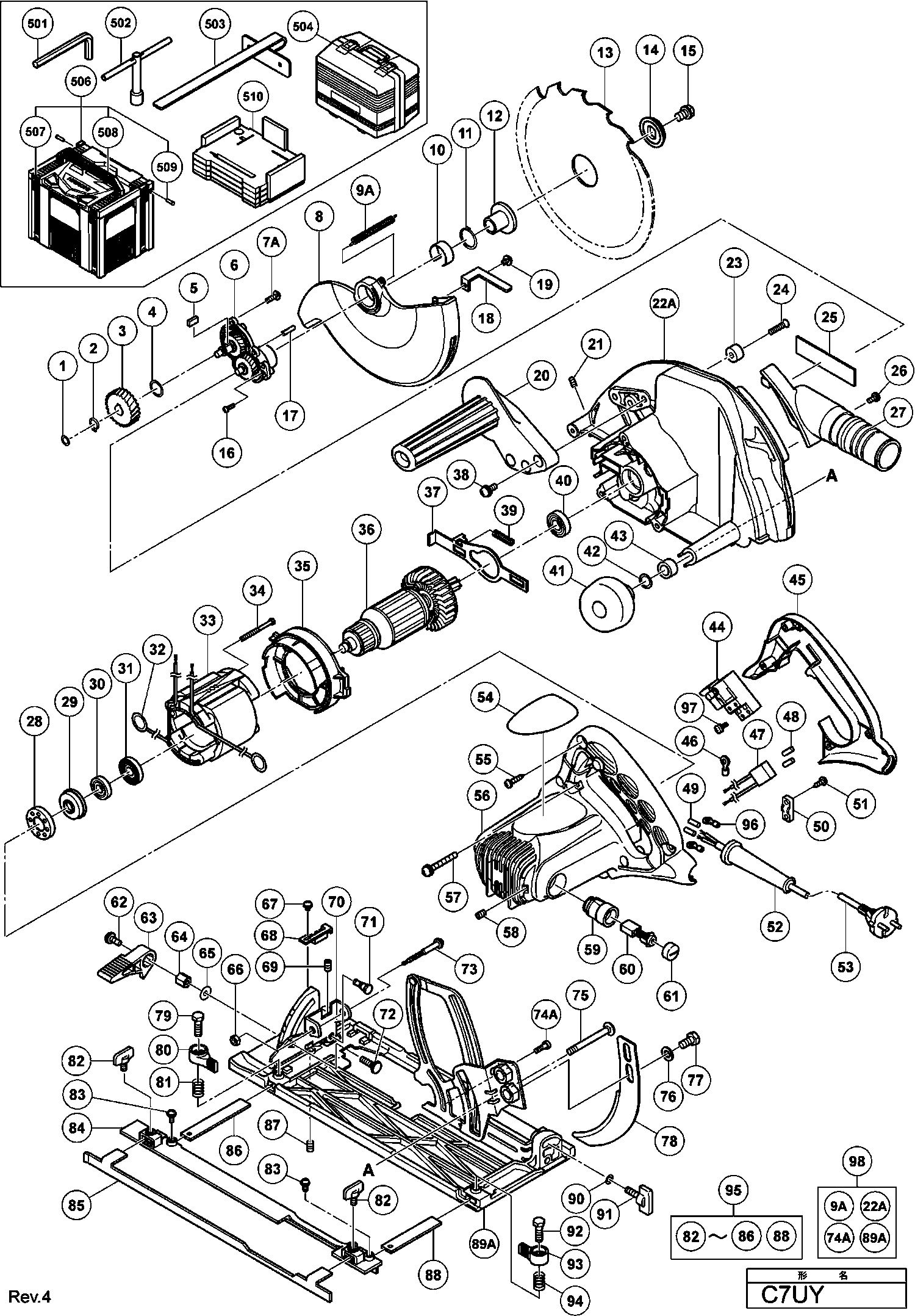
Disegni tecnici di Hikoki C7UY
Elenco parti di Hikoki C7UY
| Pos. | Descrizione | Prezzo IVA escl | Prezzo IVA incl | |
| I prezzi indicati sono comprensivi di IVA | ||||
| Nessuna informazione disponibile, non ordinabile | ||||
| *27 | 997247 | |||
| Stator 220v-230v H-90sa Includ.103 Per Nzl,saf | ||||
| *33 | 340762E | 51.84 | 63.24 | |
| VELD 110 VOLT | ||||
| *33 | 340762G | 30.20 | 36.84 | |
| STATORE 230V | ||||
| *36 | 360882E | 94.46 | 115.24 | |
| Interruttore | ||||
| *44 | 963756Z | 13.20 | 16.10 | |
| Interruttore | ||||
| *44 | 302470 | 10.95 | 13.36 | |
| Protezione cavo D8.8 | ||||
| *52 | 380090 | 1.04 | 1.27 | |
| Boccola del cavo D10.1 | ||||
| *52 | 938051 | 1.04 | 1.27 | |
| SNOER 2.5M 2 X 1.0 H05VV-F W/PLUG 13A/250V (OLD 50 | ||||
| *53 | 500423Z | 12.87 | 15.70 | |
| SNOER 10.7 (USE 714500=2X1 5M) | ||||
| *53 | 500247Z | 6.18 | 7.54 | |
| Nessuna informazione disponibile, non ordinabile | ||||
| *56 | 330996 | |||
| Rondella M6 (10 Pezzi) | ||||
| *76 | 949432 | 1.05 | 1.28 | |
| Bullone (h) M6x10 Sui,saf | ||||
| *77 | 331513 | 1.05 | 1.28 | |
| Coltello divisorio CS 50 EBG | ||||
| *78 | 331016 | 3.15 | 3.84 | |
| Nessuna informazione disponibile, non ordinabile | ||||
| *8 | 335414 | |||
| Bullone ad ala M6x12 | ||||
| *82 | 307947 | 1.35 | 1.65 | |
| Vite da Macchina M5x12 Nero | ||||
| *83 | 331761 | 1.65 | 2.01 | |
| Adattatore per Riga Guida Sui | ||||
| *84 | 330968 | 8.33 | 10.16 | |
| Piastra del Binario di Guida Sui | ||||
| *85 | 330978 | 4.20 | 5.12 | |
| Nessuna informazione disponibile, non ordinabile | ||||
| *86 | 330979 | |||
| Nessuna informazione disponibile, non ordinabile | ||||
| *88 | 330980 | |||
| Bullone M6x10 Sui | ||||
| *92 | 331004 | 5.55 | 6.77 | |
| Leva KA 65 | ||||
| *93 | 330972 | 1.95 | 2.38 | |
| Molla (b) | ||||
| *94 | 330983 | 1.05 | 1.28 | |
| Guida 350 mm | ||||
| *95 | 331762 | 14.65 | 17.87 | |
| Rondella | ||||
| 1 | 991733 | 1.05 | 1.28 | |
| Anello di Ritenzione per Albero D11 Fino a 9.2012 | ||||
| 2 | 316487 | 1.65 | 2.01 | |
| Primo Ingranaggio | ||||
| 3 | 331756 | 8.25 | 10.06 | |
| Anello O | ||||
| 4 | 331304 | 1.05 | 1.28 | |
| Cuneo di montaggio 4x4x10 *td5-1-4* | ||||
| 5 | 930511 | 2.40 | 2.93 | |
| Supporto Del Cuscinetto | ||||
| 6 | 330999 | 55.14 | 67.27 | |
| Vite di blocco (con rondella sp.) M4x12 | ||||
| 7A | 328628 | 1.05 | 1.28 | |
| CAPPUCCIO PROTETTIVO | ||||
| 8 | 331015 | 12.45 | 15.19 | |
| Molla di ritorno | ||||
| 9A | 337086 | 1.04 | 1.27 | |
| RONDINA | ||||
| 10 | 330981 | 1.05 | 1.28 | |
| Rondella elastica | ||||
| 11 | 939548 | 4.65 | 5.67 | |
| Rondella (a) | ||||
| 12 | 330985 | 5.03 | 6.13 | |
| Nessuna informazione disponibile, non ordinabile | ||||
| 13 | 330888 | |||
| Flangia OS 400 EQ | ||||
| 14 | 330986 | 3.15 | 3.84 | |
| Bullone M7x17.5 con rondella | ||||
| 15 | 957749 | 1.05 | 1.28 | |
| Vite Macchina M3 | ||||
| 16 | 331001 | 1.95 | 2.38 | |
| Rullo ad ago | ||||
| 17 | 998426 | 1.05 | 1.28 | |
| Leva KA 65 | ||||
| 18 | 330977 | 1.05 | 1.28 | |
| Vite a macchina M4x8 nera | ||||
| 19 | 325079 | 1.65 | 2.01 | |
| MANIGLIA LATERALE | ||||
| 20 | 330973 | 4.20 | 5.12 | |
| Vite di bloccaggio esagonale M5x6 | ||||
| 21 | 962782 | 1.04 | 1.27 | |
| COPERTURA DEL CASETTO DI INGRANAGGI | ||||
| 22A | 337079 | 20.76 | 25.33 | |
| Cuscino C18dmr | ||||
| 23 | 961729 | 1.05 | 1.28 | |
| Vite (10 pezzi) | ||||
| 24 | 949794 | 1.65 | 2.01 | |
| Piastra Hitachi | ||||
| 25 | 328922 | 1.95 | 2.38 | |
| Piastra Hitachi | ||||
| 25A | 328922 | 1.95 | 2.38 | |
| Vite di Macchina M4x12 (nera) con Rondella | ||||
| 26 | 935196 | 1.04 | 1.27 | |
| Nessuna informazione disponibile, non ordinabile | ||||
| 27 | 997247 | |||
| Boccola di gomma | ||||
| 28 | 331006 | 1.95 | 2.38 | |
| CUSCINETTO | ||||
| 29 | 322089 | 4.80 | 5.86 | |
| Cuscinetto a sfere 608vvmc2eps2l | ||||
| 30 | 608VVM | 5.70 | 6.95 | |
| Guarnizione Antipolvere G18u/ua/ub e altri | ||||
| 31 | 315877 | 1.05 | 1.28 | |
| Punto di contatto Portaspazzola | ||||
| 32 | 930703 | 2.40 | 2.93 | |
| Stator 220v-230v H-90sa Includ.103 Per Nzl,saf | ||||
| 33 | 340762E | 51.84 | 63.24 | |
| VELD 110 VOLT | ||||
| 33 | 340762G | 30.20 | 36.84 | |
| Vite tagliente D5x55 | ||||
| 34 | 953174 | 1.04 | 1.27 | |
| Guida per ventilatore | ||||
| 35 | 330971 | 3.45 | 4.21 | |
| STATORE 230V | ||||
| 36 | 360882E | 94.46 | 115.24 | |
| Blocco | ||||
| 37 | 330976 | 2.10 | 2.56 | |
| Vite della macchina M5x16 (vecchio 949238) | ||||
| 38 | 990541 | 1.05 | 1.28 | |
| Molla (a) Dh18vb | ||||
| 39 | 330982 | 1.05 | 1.28 | |
| Cuscinetto a sfera 6000 Vv, Cm9by, C8fse, G23ss | ||||
| 40 | 6000VV | 6.15 | 7.50 | |
| PULSANTE | ||||
| 41 | 324660 | 4.35 | 5.31 | |
| O-RING (P-7) (OUD 676531) | ||||
| 42 | 889335 | 1.00 | 1.22 | |
| MANICOTTO FILETTATO | ||||
| 43 | 319830 | 2.10 | 2.56 | |
| Interruttore | ||||
| 44 | 963756Z | 13.20 | 16.10 | |
| Interruttore | ||||
| 44 | 302470 | 10.95 | 13.36 | |
| Copertura del Manico | ||||
| 45 | 330969 | 8.40 | 10.25 | |
| Terminale M4.0 (10 pezzi) | ||||
| 46 | 930804 | 3.00 | 3.66 | |
| Condensatore (vecchio 987178) | ||||
| 47 | 930039 | 1.95 | 2.38 | |
| Manicotto filettato per cavo | ||||
| 48 | 981373 | 1.05 | 1.28 | |
| Manicotto filettato per cavo | ||||
| 49 | 981373 | 1.05 | 1.28 | |
| Strip di serraggio (vecchio 994566) | ||||
| 50 | 937631 | 1.04 | 1.27 | |
| Nessuna informazione disponibile, non ordinabile | ||||
| 51 | 984750 | |||
| Protezione cavo D8.8 | ||||
| 52 | 380090 | 1.04 | 1.27 | |
| Boccola del cavo D10.1 | ||||
| 52 | 938051 | 1.04 | 1.27 | |
| Cavo 3M 2 X 1,0 H05vv-f con spina 16a CEE | ||||
| 53 | 500461Z | 17.88 | 21.81 | |
| SNOER 2.5M 2 X 1.0 H05VV-F W/PLUG 13A/250V (OLD 50 | ||||
| 53 | 500423Z | 12.87 | 15.70 | |
| SNOER 10.7 (USE 714500=2X1 5M) | ||||
| 53 | 500247Z | 6.18 | 7.54 | |
| Vite per foratura D4x20 con flangia (nero) | ||||
| 55 | 301653 | 1.04 | 1.27 | |
| Cassetta del rivestimento DUO 110 - Set | ||||
| 56 | 330995 | 26.60 | 32.45 | |
| Vite di macchina (con rondelle) M5x40 (nero) | ||||
| 57 | 322123 | 1.65 | 2.01 | |
| Vite di regolazione esagonale M5x8 | ||||
| 58 | 938477 | 1.05 | 1.28 | |
| PORTA SPAZZOLA | ||||
| 59 | 957051 | 5.25 | 6.40 | |
| Spazzola di carbone (1 paio) | ||||
| 60 | 999043 | 4.50 | 5.49 | |
| Coperchio della spazzola | ||||
| 61 | 935829 | 1.05 | 1.28 | |
| Vite di chiusura (con rondelle sp) M6x14 | ||||
| 62 | 322260 | 1.50 | 1.83 | |
| Leva di bloccaggio | ||||
| 63 | 322600 | 3.15 | 3.84 | |
| DADO DI BLOCCAGGIO | ||||
| 64 | 328048 | 1.05 | 1.28 | |
| RONDINA | ||||
| 65 | 320975 | 1.05 | 1.28 | |
| Dado a U M5 | ||||
| 66 | 308387 | 1.05 | 1.28 | |
| NYLON MOER M5 | ||||
| 66A | 377291 | 1.00 | 1.22 | |
| Vite a macchina M4 | ||||
| 67 | 331003 | 1.95 | 2.38 | |
| FERMAGLIO PER CAVO | ||||
| 68 | 324659 | 1.95 | 2.38 | |
| Vite di bloccaggio esagonale M5x6 | ||||
| 69 | 319541 | 1.50 | 1.83 | |
| Piastra di bisezione | ||||
| 70 | 330975 | 3.15 | 3.84 | |
| Perno Scalino D6x13 | ||||
| 71 | 320163 | 1.50 | 1.83 | |
| Dado | ||||
| 72 | 942808 | 1.05 | 1.28 | |
| Vite di regolazione (a) (fino a 09.2008) | ||||
| 73 | 322096 | 1.95 | 2.38 | |
| Vite M6 | ||||
| 74A | 337081 | 1.04 | 1.27 | |
| BULLONE M8 | ||||
| 75 | 303800 | 2.55 | 3.11 | |
| Rondella M6 (10 Pezzi) | ||||
| 76 | 949432 | 1.05 | 1.28 | |
| Bullone (h) M6x10 Sui,saf | ||||
| 77 | 331513 | 1.05 | 1.28 | |
| Coltello divisorio CS 50 EBG | ||||
| 78 | 331016 | 3.15 | 3.84 | |
| Bullone M6x10 Sui | ||||
| 79 | 331004 | 5.55 | 6.77 | |
| Leva KA 65 | ||||
| 80 | 330972 | 1.95 | 2.38 | |
| Molla (b) | ||||
| 81 | 330983 | 1.05 | 1.28 | |
| Bullone ad ala M6x12 | ||||
| 82 | 307947 | 1.35 | 1.65 | |
| Vite da Macchina M5x12 Nero | ||||
| 83 | 331761 | 1.65 | 2.01 | |
| Adattatore per Riga Guida Sui | ||||
| 84 | 330968 | 8.33 | 10.16 | |
| Piastra del Binario di Guida Sui | ||||
| 85 | 330978 | 4.20 | 5.12 | |
| Nessuna informazione disponibile, non ordinabile | ||||
| 86 | 330979 | |||
| Vite di regolazione M6x6 | ||||
| 87 | 302469 | 1.05 | 1.28 | |
| Nessuna informazione disponibile, non ordinabile | ||||
| 88 | 330980 | |||
| Piastra di base KS 60 | ||||
| 89A | 337083 | 35.75 | 43.62 | |
| Anello M6 (vecchio 949425z , 10 pezzi) | ||||
| 90 | 949425 | 1.05 | 1.28 | |
| Bullone ad ala M6x17 | ||||
| 91 | 302459 | 1.05 | 1.28 | |
| Bullone M6x10 Sui | ||||
| 92 | 331004 | 5.55 | 6.77 | |
| Leva KA 65 | ||||
| 93 | 330972 | 1.95 | 2.38 | |
| Molla (b) | ||||
| 94 | 330983 | 1.05 | 1.28 | |
| Guida 350 mm | ||||
| 95 | 331762 | 14.65 | 17.87 | |
| Morsetto di Connessione | ||||
| 96 | 980063 | 1.04 | 1.27 | |
| Vite macchina (con rondella) M3.5x6 | ||||
| 97 | 305499 | 1.05 | 1.28 | |
| Coperchio ingranaggio + piastra base | ||||
| 98 | 337085 | 57.34 | 69.95 | |
| Nessuna informazione disponibile, non ordinabile | ||||
| 501 | 990666 | |||
| Nessuna informazione disponibile, non ordinabile | ||||
| 502 | 940543 | |||
| Nessuna informazione disponibile, non ordinabile | ||||
| 503 | 302756 | |||
| Nessuna informazione disponibile, non ordinabile | ||||
| 504 | 331498 | |||
| Nessuna informazione disponibile, non ordinabile | ||||
| 506 | 337528 | |||
| Nessuna informazione disponibile, non ordinabile | ||||
| 507 | 336472 | |||
| Nessuna informazione disponibile, non ordinabile | ||||
| 508 | 336473 | |||
| Nessuna informazione disponibile, non ordinabile | ||||
| 509 | 336474 | |||
| Nessuna informazione disponibile, non ordinabile | ||||
| 510 | 337658 | |||