Qui troverai tutte le parti e i disegni disponibili di “Hikoki C7UM”. Da qui puoi ordinare direttamente tutte le parti desiderate. Molte parti devono essere ordinate dal produttore, a seconda della marca, ciò richiede da una a quattro settimane. Tutte le informazioni che abbiamo sono sul nostro sito web, non possiamo consigliarti su ciò di cui hai bisogno, per questo dovrai restituire la macchina per la riparazione. Nota quanto segue al momento dell’ordinazione:
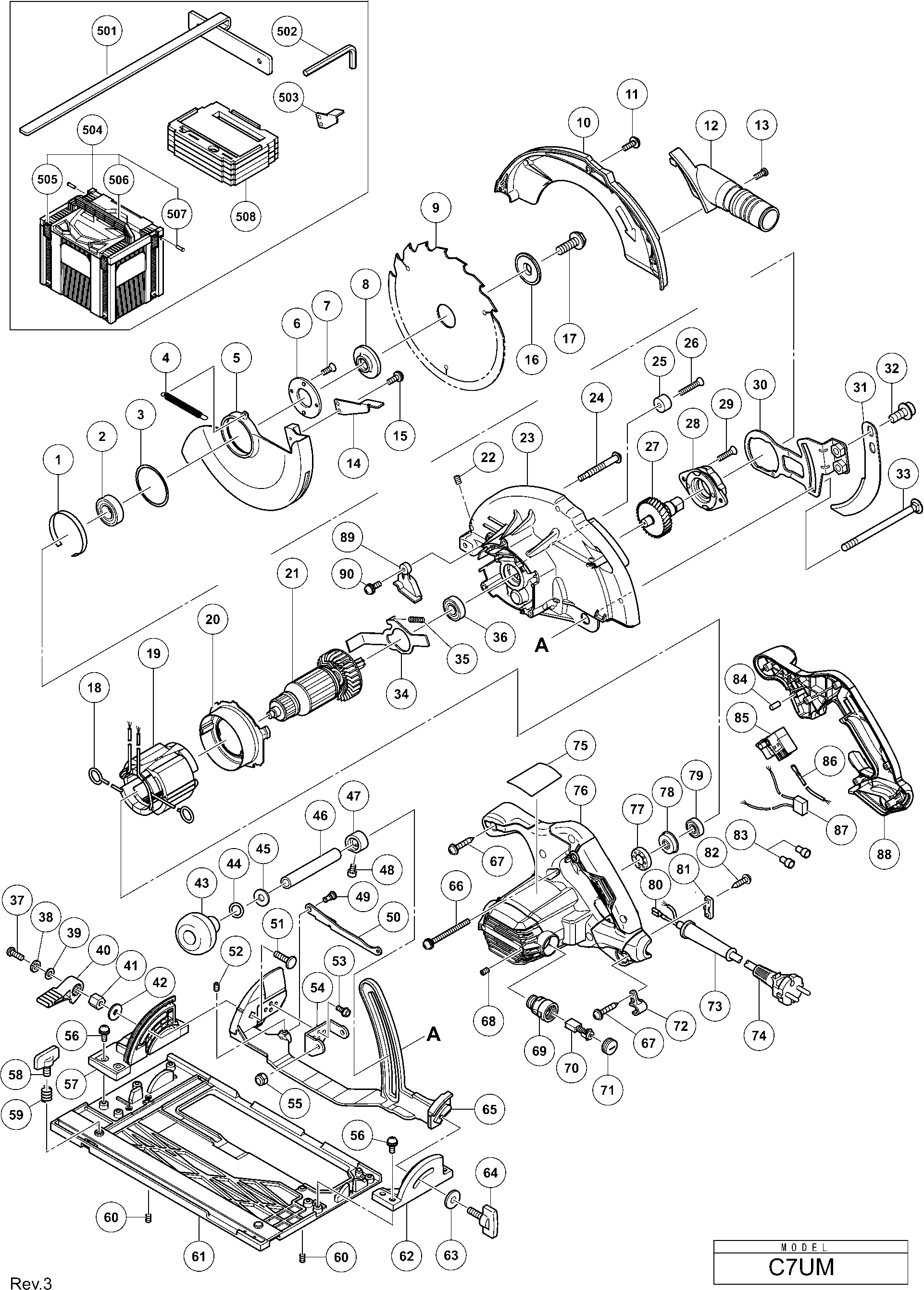
Disegni tecnici di Hikoki C7UM
Elenco parti di Hikoki C7UM
| Pos. | Descrizione | Prezzo IVA escl | Prezzo IVA incl | |
| I prezzi indicati sono comprensivi di IVA | ||||
| Guida per il tavolo rotante C8fc | ||||
| 1 | 998887 | 9.30 | 11.35 | |
| CUSCINETTO A SFERE 6003VVCM (RITENUTA IN NYLON) | ||||
| 2 | 327694 | 5.25 | 6.40 | |
| Rondella | ||||
| 3 | 370591 | 1.04 | 1.27 | |
| Molla di ritorno | ||||
| 4 | 370373 | 1.04 | 1.27 | |
| Guardia inferiore | ||||
| 5 | 370356 | 11.55 | 14.09 | |
| Coperchio del cuscinetto RTS 400 REQ | ||||
| 6 | 302435 | 1.35 | 1.65 | |
| Vite della piastra di blocco del sigillo M4x10 | ||||
| 7 | 990430 | 1.04 | 1.27 | |
| Rondella (a) | ||||
| 8 | 370272 | 2.25 | 2.74 | |
| Nessuna informazione disponibile, non ordinabile | ||||
| 9 | 324668 | |||
| Coprisedia | ||||
| 10 | 370354 | 10.95 | 13.36 | |
| Coprisedia | ||||
| 10A | 370354 | 10.95 | 13.36 | |
| Vite della macchina M4x12 | ||||
| 11 | 951039 | 1.05 | 1.28 | |
| Nessuna informazione disponibile, non ordinabile | ||||
| 12 | 997247 | |||
| Vite di Macchina M4x12 (nera) con Rondella | ||||
| 13 | 935196 | 1.04 | 1.27 | |
| Leva | ||||
| 14 | 370542 | 1.04 | 1.27 | |
| Vite di Macchina M4x12 (nera) con Rondella | ||||
| 15 | 935196 | 1.04 | 1.27 | |
| Rondella (b) Ds9dva/ds12dva/ds14dv Ds14dva/ds14dvb | ||||
| 16 | 370279 | 2.25 | 2.74 | |
| Vite esagonale Hd. M8x15.5 C9bu2 | ||||
| 17 | 324662 | 1.95 | 2.38 | |
| Punto di contatto Portaspazzola | ||||
| 18 | 930703 | 2.40 | 2.93 | |
| Stator 220v-230v H-90sa Includ.103 Per Nzl,saf | ||||
| 19 | 340945E | 28.60 | 34.89 | |
| Guida ventilatore | ||||
| 20 | 370342 | 1.20 | 1.46 | |
| STATORE 230V | ||||
| 21 | 361037E | 34.79 | 42.44 | |
| Vite di bloccaggio esagonale M5x6 | ||||
| 22 | 962782 | 1.04 | 1.27 | |
| Coperchio del ingranaggio | ||||
| 23 | 370350 | 22.00 | 26.84 | |
| Vite di regolazione (a) (fino a 09.2008) | ||||
| 24 | 322096 | 1.95 | 2.38 | |
| Cuscino C18dmr | ||||
| 25 | 961729 | 1.05 | 1.28 | |
| Vite (10 pezzi) | ||||
| 26 | 949794 | 1.65 | 2.01 | |
| Set di mandrino e ingranaggi | ||||
| 27 | 370371 | 11.55 | 14.09 | |
| SUPPORTO DEL CUSCINETTO | ||||
| 28 | 370353 | 5.40 | 6.59 | |
| Piastra di bloccaggio sigillante Vite M5x14 | ||||
| 29 | 992013 | 1.05 | 1.28 | |
| BRACCIO | ||||
| 30 | 370364 | 4.20 | 5.12 | |
| Coltello divisorio | ||||
| 31 | 370365 | 3.75 | 4.58 | |
| Bullone esagonale a brugola M8 | ||||
| 32 | 370287 | 1.05 | 1.28 | |
| Bullone Diagonale M8 | ||||
| 33 | 370662 | 8.40 | 10.25 | |
| Leva di bloccaggio | ||||
| 34 | 370363 | 1.20 | 1.46 | |
| Molla (a) Dh18vb | ||||
| 35 | 330982 | 1.05 | 1.28 | |
| Cuscinetto a sfere 6001vvcmps2l | ||||
| 36 | 6001VV | 6.60 | 8.05 | |
| Vite per macchine M6x14 | ||||
| 37 | 333922 | 1.20 | 1.46 | |
| Rondella di molla M6 (vecchio 949455z, 10 pezzi) | ||||
| 38 | 949455 | 1.05 | 1.28 | |
| Anello M6 (vecchio 949425z , 10 pezzi) | ||||
| 39 | 949425 | 1.05 | 1.28 | |
| Leva di bloccaggio | ||||
| 40 | 323923 | 1.05 | 1.28 | |
| DADO DI BLOCCAGGIO | ||||
| 41 | 333921 | 4.20 | 5.12 | |
| Rondella (g) | ||||
| 42 | 318452 | 1.20 | 1.46 | |
| PULSANTE | ||||
| 43 | 324660 | 4.35 | 5.31 | |
| O-RING (P-7) (OUD 676531) | ||||
| 44 | 889335 | 1.00 | 1.22 | |
| Rondella M8 (10 Pezzi) | ||||
| 45 | 949433 | 1.05 | 1.28 | |
| Manicotto (a) | ||||
| 46 | 370825 | 4.50 | 5.49 | |
| Manicotto (b) | ||||
| 47 | 370268 | 3.00 | 3.66 | |
| Bullone a testa esagonale di bloccaggio M4x6 | ||||
| 48 | 370278 | 1.04 | 1.27 | |
| Perno Scalino D6x13 | ||||
| 49 | 320163 | 1.50 | 1.83 | |
| Piastra (b) | ||||
| 50 | 370369 | 1.05 | 1.28 | |
| Bullone (quadrato) D6 | ||||
| 51 | 370377 | 1.04 | 1.27 | |
| Vite di bloccaggio esagonale M5x6 | ||||
| 52 | 319541 | 1.50 | 1.83 | |
| Vite a brugola con flangia M5x12 | ||||
| 53 | 305755 | 1.04 | 1.27 | |
| Piastra di smusso (c) | ||||
| 54 | 370370 | 1.04 | 1.27 | |
| Dado a U M5 | ||||
| 55 | 308387 | 1.05 | 1.28 | |
| NYLON MOER M5 | ||||
| 55A | 377291 | 1.00 | 1.22 | |
| Vite per macchina M5x14 Nero | ||||
| 56 | 678653 | 1.05 | 1.28 | |
| Piastra Smussata (a) | ||||
| 57 | 370347 | 2.85 | 3.48 | |
| Bullone ad Ala M6x15 | ||||
| 58 | 301806 | 1.05 | 1.28 | |
| Molla (vecchio 996224) | ||||
| 59 | 947859 | 1.04 | 1.27 | |
| Vite di regolazione M6x6 | ||||
| 60 | 302469 | 1.05 | 1.28 | |
| NYLOCK SET SCREW M6 NEW | ||||
| 60A | 379529 | 1.00 | 1.22 | |
| Corpo di base | ||||
| 61 | 370358 | 25.30 | 30.87 | |
| Piastra Smussata (b) | ||||
| 62 | 370348 | 2.40 | 2.93 | |
| Anello M6 (vecchio 949425z , 10 pezzi) | ||||
| 63 | 949425 | 1.05 | 1.28 | |
| Bullone ad ala M6x17 | ||||
| 64 | 302459 | 1.05 | 1.28 | |
| COLLEGAMENTO | ||||
| 65 | 370361 | 18.56 | 22.65 | |
| Vite Macchina M5x50 | ||||
| 66 | 997841 | 1.05 | 1.28 | |
| Vite per foratura D4x20 con flangia (nero) | ||||
| 67 | 301653 | 1.04 | 1.27 | |
| Vite di regolazione esagonale M5x8 | ||||
| 68 | 938477 | 1.05 | 1.28 | |
| Portaspazzole di Carbone | ||||
| 69 | 958900 | 6.45 | 7.87 | |
| Spazzola di carbone (1 paio) | ||||
| 70 | 999043 | 4.50 | 5.49 | |
| Cappuccio della spazzola | ||||
| 71 | 945161 | 1.20 | 1.46 | |
| Portacavo | ||||
| 72 | 370269 | 1.04 | 1.27 | |
| Nessuna informazione disponibile, non ordinabile | ||||
| 73 | 953327 | |||
| Nessuna informazione disponibile, non ordinabile | ||||
| 74 | 500390Z | |||
| Montaggio della Scocca Incl. 86,87 | ||||
| 76 | 370339 | 23.65 | 28.85 | |
| Montaggio della Scocca Incl. 86,87 | ||||
| 76A | 370339 | 23.65 | 28.85 | |
| Boccola di gomma | ||||
| 77 | 331006 | 1.95 | 2.38 | |
| CUSCINETTO | ||||
| 78 | 322089 | 4.80 | 5.86 | |
| Cuscinetto a sfere 608vv | ||||
| 79 | 333945 | 1.80 | 2.20 | |
| Terminale Div.tipi | ||||
| 80 | 331707 | 1.88 | 2.29 | |
| Strip di serraggio (vecchio 994566) | ||||
| 81 | 937631 | 1.04 | 1.27 | |
| Nessuna informazione disponibile, non ordinabile | ||||
| 82 | 984750 | |||
| Giunzione di saldatura 50092 (10 pezzi) | ||||
| 83 | 959141 | 3.75 | 4.58 | |
| PENNA DI GOMMA | ||||
| 84 | 931701 | 1.05 | 1.28 | |
| Interruttore | ||||
| 85 | 334474 | 10.05 | 12.26 | |
| Nessuna informazione disponibile, non ordinabile | ||||
| 86 | 370661 | |||
| Condensatore (vecchio 987178) | ||||
| 87 | 930039 | 1.95 | 2.38 | |
| Coprimerella | ||||
| 88 | 370341 | 9.15 | 11.16 | |
| PIASTRA (C) | ||||
| 89 | 371213 | 1.05 | 1.28 | |
| Vite di Macchina M4x12 (nera) con Rondella | ||||
| 90 | 935196 | 1.04 | 1.27 | |
| GUIDA | ||||
| 501 | 370587 | 3.45 | 4.21 | |
| Nessuna informazione disponibile, non ordinabile | ||||
| 502 | 872422 | |||
| LEVA | ||||
| 503 | 370264 | 1.04 | 1.27 | |
| Nessuna informazione disponibile, non ordinabile | ||||
| 504 | 337528 | |||
| Nessuna informazione disponibile, non ordinabile | ||||
| 505 | 336472 | |||
| Nessuna informazione disponibile, non ordinabile | ||||
| 506 | 336473 | |||
| Nessuna informazione disponibile, non ordinabile | ||||
| 507 | 336474 | |||
| Nessuna informazione disponibile, non ordinabile | ||||
| 508 | 370588 | |||