Qui troverai tutte le parti e i disegni disponibili di “Hikoki C7SS”. Da qui puoi ordinare direttamente tutte le parti desiderate. Molte parti devono essere ordinate dal produttore, a seconda della marca, ciò richiede da una a quattro settimane. Tutte le informazioni che abbiamo sono sul nostro sito web, non possiamo consigliarti su ciò di cui hai bisogno, per questo dovrai restituire la macchina per la riparazione. Nota quanto segue al momento dell’ordinazione:
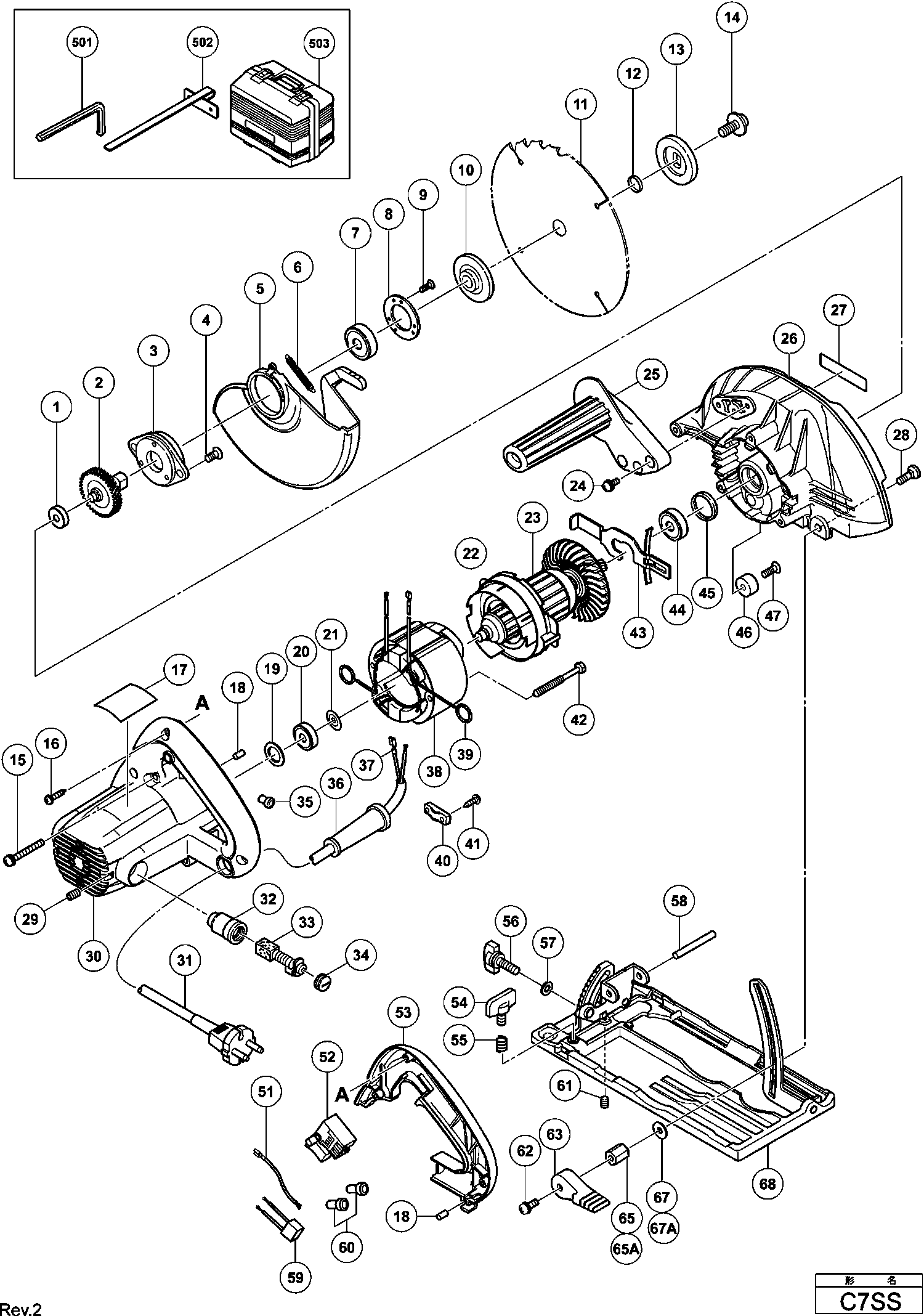
Disegni tecnici di Hikoki C7SS
Elenco parti di Hikoki C7SS
| Pos. | Descrizione | Prezzo IVA escl | Prezzo IVA incl | |
| I prezzi indicati sono comprensivi di IVA | ||||
| Rondella (a1) per Chi,pan,mex | ||||
| *10 | 317466 | 9.00 | 10.98 | |
| Rondella (a) | ||||
| *10 | 322099 | 7.35 | 8.97 | |
| Rondella (a) | ||||
| *10 | 323928 | 3.15 | 3.84 | |
| Nessuna informazione disponibile, non ordinabile | ||||
| *11 | 331659 | |||
| Nessuna informazione disponibile, non ordinabile | ||||
| *11A | 372881 | |||
| Flangia Di Fissaggio | ||||
| *13 | 324563 | 4.20 | 5.12 | |
| STATORE 230V | ||||
| *23 | 360883E | 53.63 | 65.42 | |
| Nessuna informazione disponibile, non ordinabile | ||||
| *24 | 887021 | |||
| MANIGLIA LATERALE | ||||
| *25 | 330973 | 4.20 | 5.12 | |
| AS EN TANDWIELSET (OUD 322088) | ||||
| *2A | 373459 | 5.82 | 7.10 | |
| Cavo | ||||
| *31 | 500240Z | 13.18 | 16.07 | |
| Cavo 2,5m 2 X 1.0 H05vv-f (Vecchio 500395z) | ||||
| *31 | 500447Z | 6.60 | 8.05 | |
| SNOER 10.7 (USE 714500=2X1 5M) | ||||
| *31 | 500247Z | 6.18 | 7.54 | |
| Boccola del cavo D10.1 | ||||
| *36 | 938051 | 1.04 | 1.27 | |
| Statore 230v | ||||
| *38 | 340614E | 24.75 | 30.20 | |
| Non più disponibile, nessuna sostituzione | ||||
| *51 | 331269 | |||
| Interruttore | ||||
| *52 | 331259 | 20.35 | 24.83 | |
| Vite ad ali (a) M6x15 | ||||
| *56 | 308364 | 1.05 | 1.28 | |
| VITE A FARFALLA (A) | ||||
| *56 | 307937 | 1.05 | 1.28 | |
| Condensatore (vecchio 987178) | ||||
| *59 | 930039 | 1.95 | 2.38 | |
| Nessuna informazione disponibile, non ordinabile | ||||
| *61A | 381655 | |||
| Piastra di base KS 60 | ||||
| *68 | 331270 | 32.31 | 39.42 | |
| Metallo | ||||
| 1 | 963803 | 1.50 | 1.83 | |
| Albero e set di ingranaggi | ||||
| 2 | 322088 | 32.18 | 39.25 | |
| Supporto Del Cuscinetto | ||||
| 3 | 308361 | 3.30 | 4.03 | |
| VITE DI BLOCCO SIGILLANTE M5X12 | ||||
| 4 | 305568 | 1.05 | 1.28 | |
| Guardia inferiore (dal 04.2007 per Aus,nzl) | ||||
| 5 | 331273 | 10.05 | 12.26 | |
| Molla di ritorno | ||||
| 6 | 331268 | 1.05 | 1.28 | |
| Cuscinetto a sfere 6002 Vv C7mfa | ||||
| 7 | 6002VV | 7.35 | 8.97 | |
| Coperchio del cuscinetto RTS 400 REQ | ||||
| 8 | 308362 | 2.40 | 2.93 | |
| Vite a Testa Piana di Blocco del Sigillo M3x12 | ||||
| 9 | 308773 | 1.05 | 1.28 | |
| Rondella (a1) per Chi,pan,mex | ||||
| 10 | 317466 | 9.00 | 10.98 | |
| Rondella (a) | ||||
| 10 | 323928 | 3.15 | 3.84 | |
| RONDÈLLA (A) | ||||
| 10A | 373052 | 2.40 | 2.93 | |
| Nessuna informazione disponibile, non ordinabile | ||||
| 11 | 334709 | |||
| Nessuna informazione disponibile, non ordinabile | ||||
| 11A | 372881 | |||
| Anello D15.9/i.d.14.5 | ||||
| 12 | 990100 | 1.65 | 2.01 | |
| Flangia Di Fissaggio | ||||
| 13 | 324563 | 4.20 | 5.12 | |
| RONDELLA (B) (VECCHIO 323924) | ||||
| 13A | 375604 | 1.04 | 1.27 | |
| Vite Ø7x17,5 | ||||
| 14 | 325541 | 3.75 | 4.58 | |
| Vite macchina (con rondelle) M5x45 (nero) | ||||
| 15 | 302434 | 1.04 | 1.27 | |
| Vite Autofilettante (con flangia) D4x23 (nero) | ||||
| 16 | 328643 | 1.05 | 1.28 | |
| PENNA DI GOMMA | ||||
| 18 | 931701 | 1.05 | 1.28 | |
| Rondella di spinta | ||||
| 19 | 331264 | 1.05 | 1.28 | |
| Cuscinetto a sfere 608vvmc2eps2l | ||||
| 20 | 608VVM | 5.70 | 6.95 | |
| Rondella (a) | ||||
| 21 | 982631 | 1.04 | 1.27 | |
| Guida per ventilatore | ||||
| 22 | 322002 | 1.35 | 1.65 | |
| STATORE 230V | ||||
| 23 | 360883E | 53.63 | 65.42 | |
| Nessuna informazione disponibile, non ordinabile | ||||
| 24 | 887021 | |||
| MANIGLIA LATERALE | ||||
| 25 | 330973 | 4.20 | 5.12 | |
| Coperchio interno | ||||
| 26 | 331272 | 26.60 | 32.45 | |
| Dado | ||||
| 28 | 942808 | 1.05 | 1.28 | |
| Vite di regolazione esagonale M5x8 | ||||
| 29 | 938477 | 1.05 | 1.28 | |
| Cassetta del rivestimento DUO 110 - Set | ||||
| 30 | 331260 | 14.30 | 17.45 | |
| Cavo 3M 2 X 1,0 H05vv-f con spina 16a CEE | ||||
| 31 | 500461Z | 17.88 | 21.81 | |
| Cavo | ||||
| 31 | 500240Z | 13.18 | 16.07 | |
| Cavo 2,5m 2 X 1.0 H05vv-f (Vecchio 500395z) | ||||
| 31 | 500447Z | 6.60 | 8.05 | |
| SNOER 10.7 (USE 714500=2X1 5M) | ||||
| 31 | 500247Z | 6.18 | 7.54 | |
| PORTA SPAZZOLA | ||||
| 32 | 957051 | 5.25 | 6.40 | |
| Spazzola di carbone (1 paio) | ||||
| 33 | 999043 | 4.50 | 5.49 | |
| Coperchio della spazzola | ||||
| 34 | 935829 | 1.05 | 1.28 | |
| Giunzione di saldatura 50091 (10 pezzi) | ||||
| 35 | 959140 | 3.30 | 4.03 | |
| Protezione cavo D8.8 | ||||
| 36 | 380090 | 1.04 | 1.27 | |
| Boccola del cavo D10.1 | ||||
| 36 | 938051 | 1.04 | 1.27 | |
| Terminale Div.tipi | ||||
| 37 | 331707 | 1.88 | 2.29 | |
| Statore 230v | ||||
| 38 | 340614E | 24.75 | 30.20 | |
| Punto di contatto Portaspazzola | ||||
| 39 | 930703 | 2.40 | 2.93 | |
| Strip di serraggio (vecchio 994566) | ||||
| 40 | 937631 | 1.04 | 1.27 | |
| Nessuna informazione disponibile, non ordinabile | ||||
| 41 | 984750 | |||
| Vite tagliente D5x55 | ||||
| 42 | 953174 | 1.04 | 1.27 | |
| Leva di blocco | ||||
| 43 | 307918 | 5.25 | 6.40 | |
| Cuscinetto a sfera 6000 Vv, Cm9by, C8fse, G23ss | ||||
| 44 | 6000VV | 6.15 | 7.50 | |
| Anello di gomma (1) | ||||
| 45 | 318647 | 1.65 | 2.01 | |
| Cuscino C18dmr | ||||
| 46 | 961729 | 1.05 | 1.28 | |
| Vite (10 pezzi) | ||||
| 47 | 949794 | 1.65 | 2.01 | |
| Non più disponibile, nessuna sostituzione | ||||
| 51 | 331269 | |||
| Interruttore | ||||
| 52 | 331259 | 20.35 | 24.83 | |
| Copertura del Manico | ||||
| 53 | 331261 | 4.20 | 5.12 | |
| Vite ad ali M6x18 Eccetto per Usa,can | ||||
| 54 | 307898 | 1.65 | 2.01 | |
| Molla | ||||
| 55 | 941056 | 1.05 | 1.28 | |
| VITE A FARFALLA (A) | ||||
| 56 | 307937 | 1.05 | 1.28 | |
| Vite ad ali (a) M6x15 | ||||
| 56 | 308364 | 1.05 | 1.28 | |
| RONDELLA M6 | ||||
| 57 | 948167 | 1.04 | 1.27 | |
| SPINA A RULLO D6X50 (10 PEZZI) | ||||
| 58 | 949750 | 7.35 | 8.97 | |
| Condensatore (vecchio 987178) | ||||
| 59 | 930039 | 1.95 | 2.38 | |
| Giunzione di saldatura 50092 (10 pezzi) | ||||
| 60 | 959141 | 3.75 | 4.58 | |
| Vite di regolazione (con blocco sigillo) M6x8 | ||||
| 61 | 308109 | 1.04 | 1.27 | |
| Vite di chiusura (con rondelle sp) M6x14 | ||||
| 62 | 322260 | 1.50 | 1.83 | |
| Leva di bloccaggio | ||||
| 63 | 323923 | 1.05 | 1.28 | |
| DADO DI BLOCCAGGIO | ||||
| 65 | 328048 | 1.05 | 1.28 | |
| DADO DI BLOCCAGGIO | ||||
| 65A | 331267 | 2.10 | 2.56 | |
| Rondella (c) | ||||
| 67 | 329933 | 1.88 | 2.29 | |
| RONDINA | ||||
| 67A | 320975 | 1.05 | 1.28 | |
| Piastra di base KS 60 | ||||
| 68 | 331270 | 32.31 | 39.42 | |
| Nessuna informazione disponibile, non ordinabile | ||||
| 501 | 944459 | |||
| Nessuna informazione disponibile, non ordinabile | ||||
| 502 | 302756 | |||
| Nessuna informazione disponibile, non ordinabile | ||||
| 503 | 331671 | |||
| Nessuna informazione disponibile, non ordinabile | ||||
| 601 | 302981 | |||
| Rondella (a) | ||||
| 602 | 322099 | 7.35 | 8.97 | |