Qui troverai tutte le parti e i disegni disponibili di “Hikoki C7SE”. Da qui puoi ordinare direttamente tutte le parti desiderate. Molte parti devono essere ordinate dal produttore, a seconda della marca, ciò richiede da una a quattro settimane. Tutte le informazioni che abbiamo sono sul nostro sito web, non possiamo consigliarti su ciò di cui hai bisogno, per questo dovrai restituire la macchina per la riparazione. Nota quanto segue al momento dell’ordinazione:
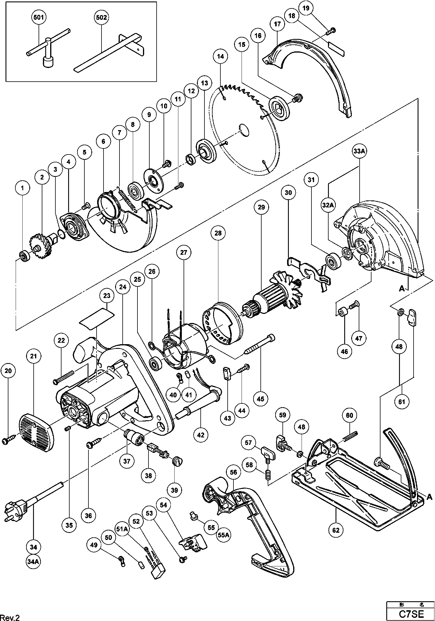
Disegni tecnici di Hikoki C7SE
Elenco parti di Hikoki C7SE
| Pos. | Descrizione | Prezzo IVA escl | Prezzo IVA incl | |
| I prezzi indicati sono comprensivi di IVA | ||||
| Cuscinetto a sfere 626vvmc2erps2s | ||||
| 1 | 626VVM | 5.70 | 6.95 | |
| Nessuna informazione disponibile, non ordinabile | ||||
| 2 | 317925 | |||
| Anello O (p-16) | ||||
| 3 | 873095 | 1.04 | 1.27 | |
| LAGERHOUDER | ||||
| 4 | 940867 | 6.90 | 8.42 | |
| Nessuna informazione disponibile, non ordinabile | ||||
| 5 | 990299 | |||
| Nessuna informazione disponibile, non ordinabile | ||||
| 6 | 317923 | |||
| Molla di ritorno | ||||
| 7 | 957062 | 1.04 | 1.27 | |
| Cuscinetto a sfere 6202vvcmps2s | ||||
| 8 | 6202VV | 7.05 | 8.60 | |
| LAGERKAP | ||||
| 9 | 940868 | 1.08 | 1.32 | |
| Vite a macchina (con rondella speciale) M4x10 | ||||
| 10 | 307635 | 1.05 | 1.28 | |
| Vite della macchina M4x8 | ||||
| 11 | 986723 | 1.05 | 1.28 | |
| Boccola Distanziatrice | ||||
| 12 | 961366 | 1.04 | 1.27 | |
| Rondella | ||||
| 13 | 993598 | 2.70 | 3.29 | |
| Nessuna informazione disponibile, non ordinabile | ||||
| 14 | 317929 | |||
| RONDINA | ||||
| 15 | 957064 | 4.50 | 5.49 | |
| Bullone M7x17.5 con rondella | ||||
| 16 | 957749 | 1.05 | 1.28 | |
| Nessuna informazione disponibile, non ordinabile | ||||
| 17 | 317926 | |||
| Vite per macchina M4x16 (10 pezzi) | ||||
| 19 | 949219 | 1.20 | 1.46 | |
| Vite per foratura D4x20 con flangia (nero) | ||||
| 20 | 301653 | 1.04 | 1.27 | |
| ACHTER DEKSEL | ||||
| 21 | 961732 | 1.74 | 2.12 | |
| Vite macchina (con rondelle) M5x45 (nero) | ||||
| 22 | 302434 | 1.04 | 1.27 | |
| Nessuna informazione disponibile, non ordinabile | ||||
| 24 | 317936 | |||
| Cuscinetto a sfere 608vvmc2eps2l | ||||
| 25 | 608VVM | 5.70 | 6.95 | |
| Punto di contatto Portaspazzola | ||||
| 26 | 930703 | 2.40 | 2.93 | |
| Nessuna informazione disponibile, non ordinabile | ||||
| 27 | 340448H | |||
| Nessuna informazione disponibile, non ordinabile | ||||
| 28 | 987940 | |||
| Nessuna informazione disponibile, non ordinabile | ||||
| 29 | 360501F | |||
| SCHAKELBLOKKERING | ||||
| 30 | 987981 | 3.48 | 4.25 | |
| Cuscinetto a sfere 6001vvcmps2l | ||||
| 31 | 6001VV | 6.60 | 8.05 | |
| Anello di gomma (VECCHIO 996252) | ||||
| 32A | 958130 | 1.65 | 2.01 | |
| Nessuna informazione disponibile, non ordinabile | ||||
| 33A | 317924 | |||
| SNOER 2.5M 2 X 1.0 H05VV-F W/PLUG 13A/250V (OLD 50 | ||||
| 34 | 500423Z | 12.87 | 15.70 | |
| Vite di regolazione esagonale M5x8 | ||||
| 35 | 938477 | 1.05 | 1.28 | |
| Vite a taglio (con flangia) D4x25 (nero) | ||||
| 36 | 307028 | 1.05 | 1.28 | |
| PORTA SPAZZOLA | ||||
| 37 | 957051 | 5.25 | 6.40 | |
| Spazzola di carbone (1 paio) | ||||
| 38 | 999043 | 4.50 | 5.49 | |
| Coperchio della spazzola | ||||
| 39 | 935829 | 1.05 | 1.28 | |
| Morsetto di Connessione | ||||
| 40 | 980063 | 1.04 | 1.27 | |
| Manicotto filettato per cavo | ||||
| 41 | 981373 | 1.05 | 1.28 | |
| Protezione cavo D8.8 | ||||
| 42 | 380090 | 1.04 | 1.27 | |
| Boccola del cavo D10.1 | ||||
| 42 | 938051 | 1.04 | 1.27 | |
| Strip di serraggio (vecchio 994566) | ||||
| 43 | 937631 | 1.04 | 1.27 | |
| Nessuna informazione disponibile, non ordinabile | ||||
| 44 | 984750 | |||
| Vite di taglio D5x60 | ||||
| 45 | 961501 | 1.04 | 1.27 | |
| Cuscino C18dmr | ||||
| 46 | 961729 | 1.05 | 1.28 | |
| Vite (10 pezzi) | ||||
| 47 | 949794 | 1.65 | 2.01 | |
| RONDELLA M6 | ||||
| 48 | 948167 | 1.04 | 1.27 | |
| Morsetto di Connessione | ||||
| 49 | 980063 | 1.04 | 1.27 | |
| Terminale Div.tipi | ||||
| 49 | 311741 | 1.04 | 1.27 | |
| Manicotto filettato per cavo | ||||
| 50 | 981373 | 1.05 | 1.28 | |
| Scheda di contatto | ||||
| 51A | 938108 | 1.20 | 1.46 | |
| Condensatore (vecchio 930030/991313) | ||||
| 52 | 994273 | 4.29 | 5.23 | |
| Vite macchina (con rondella) M3.5x6 | ||||
| 53 | 305499 | 1.05 | 1.28 | |
| Interruttore | ||||
| 54 | 957747 | 14.03 | 17.11 | |
| Interruttore | ||||
| 54 | 963756Z | 13.20 | 16.10 | |
| Interruttore | ||||
| 54 | 302470 | 10.95 | 13.36 | |
| Giunzione di saldatura 50091 (10 pezzi) | ||||
| 55 | 959140 | 3.30 | 4.03 | |
| Giunzione di saldatura 50092 (10 pezzi) | ||||
| 55A | 959141 | 3.75 | 4.58 | |
| Nessuna informazione disponibile, non ordinabile | ||||
| 56 | 302320 | |||
| Bullone ad Ala M6x15 | ||||
| 57 | 301806 | 1.05 | 1.28 | |
| Molla (vecchio 996224) | ||||
| 58 | 947859 | 1.04 | 1.27 | |
| Bullone ad ala M6x17 | ||||
| 59 | 302459 | 1.05 | 1.28 | |
| ROL PIN D6X30 (10 STUKS) | ||||
| 60 | 949515 | 3.48 | 4.25 | |
| Montaggio bullone (quadrato) M6x22 Includ.89 | ||||
| 61 | 314620 | 6.45 | 7.87 | |
| Nessuna informazione disponibile, non ordinabile | ||||
| 62 | 317927 | |||
| Nessuna informazione disponibile, non ordinabile | ||||
| 501 | 940543 | |||
| Nessuna informazione disponibile, non ordinabile | ||||
| 502 | 316106 | |||
| Nessuna informazione disponibile, non ordinabile | ||||
| 601 | 940878 | |||
| Nessuna informazione disponibile, non ordinabile | ||||
| 602 | 879099 | |||
| Nessuna informazione disponibile, non ordinabile | ||||
| 603 | 879101 | |||
| Nessuna informazione disponibile, non ordinabile | ||||
| 604 | 879100 | |||
| Nessuna informazione disponibile, non ordinabile | ||||
| 605 | 879102 | |||
| Nessuna informazione disponibile, non ordinabile | ||||
| 606 | 939156 | |||
| Nessuna informazione disponibile, non ordinabile | ||||
| 607 | 961734 | |||
| Nessuna informazione disponibile, non ordinabile | ||||
| 608 | 323717 | |||