Qui troverai tutte le parti e i disegni disponibili di “Hikoki C7MFA”. Da qui puoi ordinare direttamente tutte le parti desiderate. Molte parti devono essere ordinate dal produttore, a seconda della marca, ciò richiede da una a quattro settimane. Tutte le informazioni che abbiamo sono sul nostro sito web, non possiamo consigliarti su ciò di cui hai bisogno, per questo dovrai restituire la macchina per la riparazione. Nota quanto segue al momento dell’ordinazione:
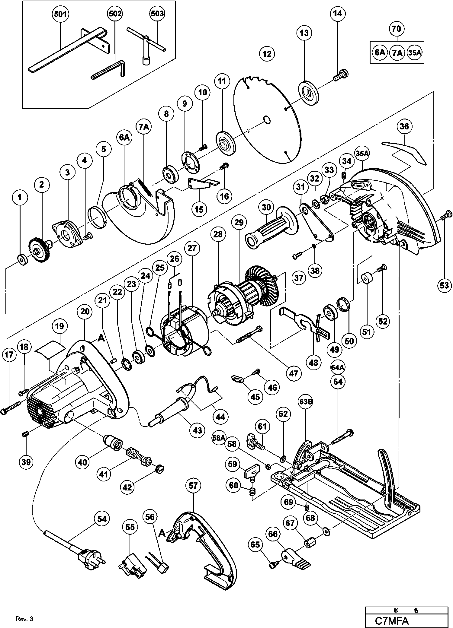
Disegni tecnici di Hikoki C7MFA
Elenco parti di Hikoki C7MFA
| Pos. | Descrizione | Prezzo IVA escl | Prezzo IVA incl | |
| I prezzi indicati sono comprensivi di IVA | ||||
| Rondella (a) | ||||
| *11 | 322099 | 7.35 | 8.97 | |
| Rondella (a) | ||||
| *11 | 323928 | 3.15 | 3.84 | |
| Nessuna informazione disponibile, non ordinabile | ||||
| *12 | 323894 | |||
| Alloggiamento Ass'y (verde) Inclu.39,40 | ||||
| *20 | 323929 | 26.68 | 32.54 | |
| Statore 230v | ||||
| *27 | 340614E | 24.75 | 30.20 | |
| STATORE 230V | ||||
| *29 | 360694E | 41.80 | 51.00 | |
| ANKER 110 VOLT | ||||
| *29 | 360694C | 39.05 | 47.64 | |
| Carcassa del cambio completa | ||||
| *35A | 336974 | 15.40 | 18.79 | |
| Cavo 2,5m 2 X 1.0 H05vv-f (Vecchio 500395z) | ||||
| *54 | 500447Z | 6.60 | 8.05 | |
| SNOER 10.7 (USE 714500=2X1 5M) | ||||
| *54 | 500247Z | 6.18 | 7.54 | |
| Coperchio della Maniglia (verde) | ||||
| *57 | 323931 | 5.70 | 6.95 | |
| Coperchio del manico (verde nero) Per Fra | ||||
| *57 | 323932 | 5.70 | 6.95 | |
| Guardia inferiore (dal 04.2007 per Aus,nzl) | ||||
| *6A | 336976 | 7.20 | 8.78 | |
| Custodia dell'ingranaggio + copertura protettiva | ||||
| *70 | 336977 | 21.45 | 26.17 | |
| Molla di ritorno | ||||
| *7A | 336975 | 1.04 | 1.27 | |
| Metallo | ||||
| 1 | 963803 | 1.50 | 1.83 | |
| Nessuna informazione disponibile, non ordinabile | ||||
| 2 | 322088 | |||
| AS EN TANDWIELSET (OUD 322088) | ||||
| 2A | 373459 | 5.82 | 7.10 | |
| Supporto Del Cuscinetto | ||||
| 3 | 308361 | 3.30 | 4.03 | |
| VITE DI BLOCCO SIGILLANTE M5X12 | ||||
| 4 | 305568 | 1.05 | 1.28 | |
| RONDINA | ||||
| 5 | 318192 | 1.65 | 2.01 | |
| Guardia inferiore (dal 04.2007 per Aus,nzl) | ||||
| 6A | 336976 | 7.20 | 8.78 | |
| Molla di ritorno | ||||
| 7A | 336975 | 1.04 | 1.27 | |
| Cuscinetto a sfere 6002 Vv C7mfa | ||||
| 8 | 6002VV | 7.35 | 8.97 | |
| Coperchio del cuscinetto RTS 400 REQ | ||||
| 9 | 308362 | 2.40 | 2.93 | |
| Vite a Testa Piana di Blocco del Sigillo M3x12 | ||||
| 10 | 308773 | 1.05 | 1.28 | |
| Rondella (a) | ||||
| 11 | 322099 | 7.35 | 8.97 | |
| Rondella (a) | ||||
| 11 | 323928 | 3.15 | 3.84 | |
| Nessuna informazione disponibile, non ordinabile | ||||
| 12 | 323894 | |||
| Nessuna informazione disponibile, non ordinabile | ||||
| 13 | 323924 | |||
| RONDELLA (B) (VECCHIO 323924) | ||||
| 13A | 375604 | 1.04 | 1.27 | |
| Bullone M7x17.5 con rondella | ||||
| 14 | 957749 | 1.05 | 1.28 | |
| Nessuna informazione disponibile, non ordinabile | ||||
| 15 | 302464 | |||
| Leva | ||||
| 15A | 370542 | 1.04 | 1.27 | |
| Vite meccanica (con rondelle) M4x10 (nero) | ||||
| 16 | 304043 | 1.05 | 1.28 | |
| Vite macchina (con rondelle) M5x45 (nero) | ||||
| 17 | 302434 | 1.04 | 1.27 | |
| Vite per foratura D4x20 con flangia (nero) | ||||
| 18 | 301653 | 1.04 | 1.27 | |
| ALLOGGIAMENTO | ||||
| 20 | 323930 | 31.49 | 38.41 | |
| Alloggiamento Ass'y (verde) Inclu.39,40 | ||||
| 20 | 323929 | 26.68 | 32.54 | |
| Scatola NERA | ||||
| 20 | 332415 | 14.30 | 17.45 | |
| PENNA DI GOMMA | ||||
| 21 | 931701 | 1.05 | 1.28 | |
| Rondella di spinta | ||||
| 22 | 316394 | 3.30 | 4.03 | |
| Cuscinetto a sfere 608vvmc2eps2l | ||||
| 23 | 608VVM | 5.70 | 6.95 | |
| Rondella (a) | ||||
| 24 | 982631 | 1.04 | 1.27 | |
| Punto di contatto Portaspazzola | ||||
| 25 | 930703 | 2.40 | 2.93 | |
| Manicotto filettato per cavo | ||||
| 26 | 981373 | 1.05 | 1.28 | |
| Statore 230v | ||||
| 27 | 340614E | 24.75 | 30.20 | |
| Guida per ventilatore | ||||
| 28 | 322002 | 1.35 | 1.65 | |
| STATORE 230V | ||||
| 29 | 360694E | 41.80 | 51.00 | |
| ANKER 110 VOLT | ||||
| 29 | 360694C | 39.05 | 47.64 | |
| Nessuna informazione disponibile, non ordinabile | ||||
| 30 | 323925 | |||
| STRISCIA | ||||
| 31 | 323926 | 2.10 | 2.56 | |
| Rondella M10 (10 pezzi) | ||||
| 32 | 949458 | 1.05 | 1.28 | |
| Dado a cappuccio m10 | ||||
| 33 | 323927 | 1.65 | 2.01 | |
| Vite di bloccaggio esagonale M5x6 | ||||
| 34 | 962782 | 1.04 | 1.27 | |
| Carcassa del cambio completa | ||||
| 35A | 336974 | 15.40 | 18.79 | |
| Vite della macchina M5x12 (10 pezzi) | ||||
| 37 | 949237 | 1.05 | 1.28 | |
| Rondella di molla M5 (10 pezzi) | ||||
| 38 | 949454 | 1.04 | 1.27 | |
| Vite di regolazione esagonale M5x8 | ||||
| 39 | 938477 | 1.05 | 1.28 | |
| PORTA SPAZZOLA | ||||
| 40 | 957051 | 5.25 | 6.40 | |
| Spazzola di carbone (1 paio) | ||||
| 41 | 999043 | 4.50 | 5.49 | |
| Coperchio della spazzola | ||||
| 42 | 935829 | 1.05 | 1.28 | |
| Nessuna informazione disponibile, non ordinabile | ||||
| 43 | 953327 | |||
| Manicotto filettato per cavo | ||||
| 44 | 981373 | 1.05 | 1.28 | |
| Strip di serraggio (vecchio 994566) | ||||
| 45 | 937631 | 1.04 | 1.27 | |
| Nessuna informazione disponibile, non ordinabile | ||||
| 46 | 984750 | |||
| Vite tagliente D5x55 | ||||
| 47 | 953174 | 1.04 | 1.27 | |
| Leva di blocco | ||||
| 48 | 307918 | 5.25 | 6.40 | |
| Cuscinetto a sfera 6000 Vv, Cm9by, C8fse, G23ss | ||||
| 49 | 6000VV | 6.15 | 7.50 | |
| Anello di gomma (1) | ||||
| 50 | 318647 | 1.65 | 2.01 | |
| Cuscino C18dmr | ||||
| 51 | 961729 | 1.05 | 1.28 | |
| Vite (10 pezzi) | ||||
| 52 | 949794 | 1.65 | 2.01 | |
| Dado | ||||
| 53 | 942808 | 1.05 | 1.28 | |
| Cavo 2,5m 2 X 1.0 Senza Spina | ||||
| 54 | 500237Z | 11.40 | 13.91 | |
| Cavo 2,5m 2 X 1.0 H05vv-f (Vecchio 500395z) | ||||
| 54 | 500447Z | 6.60 | 8.05 | |
| SNOER 10.7 (USE 714500=2X1 5M) | ||||
| 54 | 500247Z | 6.18 | 7.54 | |
| Nessuna informazione disponibile, non ordinabile | ||||
| 55 | 963756Z | |||
| Condensatore (vecchio 987178) | ||||
| 56 | 930039 | 1.95 | 2.38 | |
| Coperchio della Maniglia (verde) | ||||
| 57 | 323931 | 5.70 | 6.95 | |
| Coperchio del manico (verde nero) Per Fra | ||||
| 57 | 323932 | 5.70 | 6.95 | |
| Manicotto di blocco Cm12y | ||||
| 58 | 315253 | 7.35 | 8.97 | |
| Dado a U M5 | ||||
| 58A | 308387 | 1.05 | 1.28 | |
| NYLON MOER M5 | ||||
| 58B | 377291 | 1.00 | 1.22 | |
| Vite ad ali M6x18 Eccetto per Usa,can | ||||
| 59 | 307898 | 1.65 | 2.01 | |
| Molla | ||||
| 60 | 941056 | 1.05 | 1.28 | |
| VITE A FARFALLA (A) | ||||
| 61 | 307937 | 1.05 | 1.28 | |
| RONDELLA M6 | ||||
| 62 | 948167 | 1.04 | 1.27 | |
| Piastra di base KS 60 | ||||
| 63B | 330840 | 38.09 | 46.47 | |
| Piastra di base KS 60 | ||||
| 63C | 330840 | 38.09 | 46.47 | |
| Vite di regolazione (a) (fino a 09.2008) | ||||
| 64 | 315183 | 4.80 | 5.86 | |
| Vite di regolazione (a) (fino a 09.2008) | ||||
| 64A | 322096 | 1.95 | 2.38 | |
| Vite di chiusura (con rondelle sp) M6x14 | ||||
| 65 | 322260 | 1.50 | 1.83 | |
| Leva di bloccaggio | ||||
| 66 | 323923 | 1.05 | 1.28 | |
| DADO DI BLOCCAGGIO | ||||
| 67 | 323922 | 2.10 | 2.56 | |
| RONDINA | ||||
| 68 | 320975 | 1.05 | 1.28 | |
| Vite di regolazione (con blocco sigillo) M6x8 | ||||
| 69 | 308109 | 1.04 | 1.27 | |
| Nessuna informazione disponibile, non ordinabile | ||||
| 69A | 381655 | |||
| Custodia dell'ingranaggio + copertura protettiva | ||||
| 70 | 336977 | 21.45 | 26.17 | |
| Nessuna informazione disponibile, non ordinabile | ||||
| 501 | 302756 | |||
| Nessuna informazione disponibile, non ordinabile | ||||
| 502 | 990666 | |||
| Nessuna informazione disponibile, non ordinabile | ||||
| 503 | 940543 | |||
| Nessuna informazione disponibile, non ordinabile | ||||
| 601 | 302981 | |||
| HANGER | ||||
| 602 | 954619 | 3.30 | 4.03 | |