Qui troverai tutte le parti e i disegni disponibili di “Hikoki C6SF”. Da qui puoi ordinare direttamente tutte le parti desiderate. Molte parti devono essere ordinate dal produttore, a seconda della marca, ciò richiede da una a quattro settimane. Tutte le informazioni che abbiamo sono sul nostro sito web, non possiamo consigliarti su ciò di cui hai bisogno, per questo dovrai restituire la macchina per la riparazione. Nota quanto segue al momento dell’ordinazione:
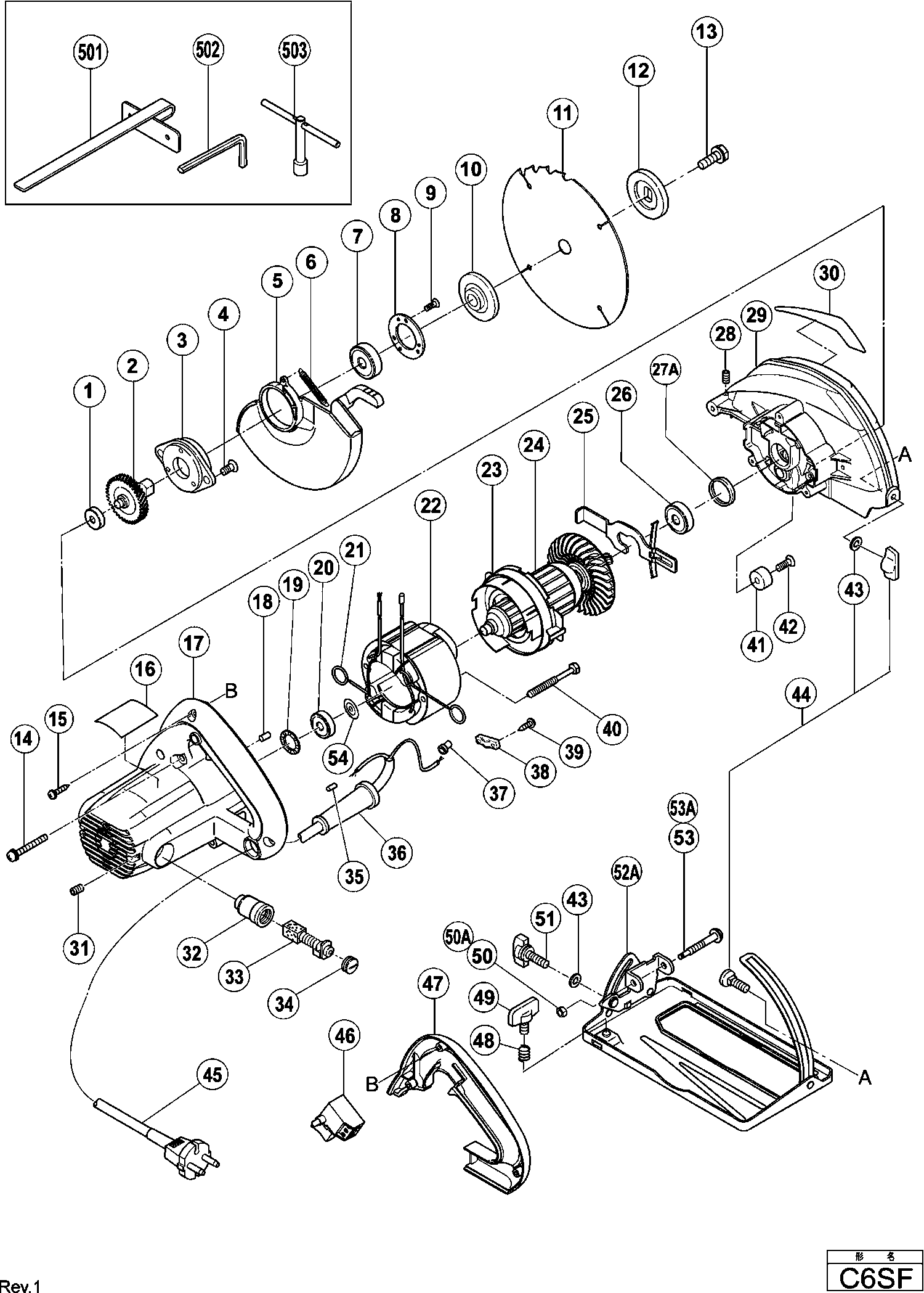
Disegni tecnici di Hikoki C6SF
Elenco parti di Hikoki C6SF
| Pos. | Descrizione | Prezzo IVA escl | Prezzo IVA incl | |
| I prezzi indicati sono comprensivi di IVA | ||||
| Metallo | ||||
| 1 | 963803 | 1.50 | 1.83 | |
| Nessuna informazione disponibile, non ordinabile | ||||
| 2 | 322088 | |||
| Supporto Del Cuscinetto | ||||
| 3 | 308361 | 3.30 | 4.03 | |
| VITE DI BLOCCO SIGILLANTE M5X12 | ||||
| 4 | 305568 | 1.05 | 1.28 | |
| Nessuna informazione disponibile, non ordinabile | ||||
| 5 | 322506 | |||
| Molla di ritorno | ||||
| 6 | 317203 | 3.30 | 4.03 | |
| Cuscinetto a sfere 6002 Vv C7mfa | ||||
| 7 | 6002VV | 7.35 | 8.97 | |
| Coperchio del cuscinetto RTS 400 REQ | ||||
| 8 | 308362 | 2.40 | 2.93 | |
| Vite a Testa Piana di Blocco del Sigillo M3x12 | ||||
| 9 | 308773 | 1.05 | 1.28 | |
| Rondella (a) | ||||
| 10 | 322099 | 7.35 | 8.97 | |
| Nessuna informazione disponibile, non ordinabile | ||||
| 12 | 322100 | |||
| Bullone M7x17.5 con rondella | ||||
| 13 | 957749 | 1.05 | 1.28 | |
| Vite macchina (con rondelle) M5x45 (nero) | ||||
| 14 | 302434 | 1.04 | 1.27 | |
| Vite per foratura D4x20 con flangia (nero) | ||||
| 15 | 301653 | 1.04 | 1.27 | |
| Nessuna informazione disponibile, non ordinabile | ||||
| 17 | 322504 | |||
| PENNA DI GOMMA | ||||
| 18 | 931701 | 1.05 | 1.28 | |
| Rondella di spinta | ||||
| 19 | 316394 | 3.30 | 4.03 | |
| Cuscinetto a sfere 608vvmc2eps2l | ||||
| 20 | 608VVM | 5.70 | 6.95 | |
| Punto di contatto Portaspazzola | ||||
| 21 | 930703 | 2.40 | 2.93 | |
| Nessuna informazione disponibile, non ordinabile | ||||
| 22 | 340571F | |||
| Guida per ventilatore | ||||
| 23 | 322002 | 1.35 | 1.65 | |
| Nessuna informazione disponibile, non ordinabile | ||||
| 24 | 360694F | |||
| Leva di blocco | ||||
| 25 | 307918 | 5.25 | 6.40 | |
| Cuscinetto a sfera 6000 Vv, Cm9by, C8fse, G23ss | ||||
| 26 | 6000VV | 6.15 | 7.50 | |
| Anello di gomma (1) | ||||
| 27A | 318647 | 1.65 | 2.01 | |
| Vite di bloccaggio esagonale M5x6 | ||||
| 28 | 962782 | 1.04 | 1.27 | |
| Nessuna informazione disponibile, non ordinabile | ||||
| 29 | 322004 | |||
| Vite di regolazione esagonale M5x8 | ||||
| 31 | 938477 | 1.05 | 1.28 | |
| PORTA SPAZZOLA | ||||
| 32 | 957051 | 5.25 | 6.40 | |
| Spazzola di carbone (1 paio) | ||||
| 33 | 999043 | 4.50 | 5.49 | |
| Coperchio della spazzola | ||||
| 34 | 935829 | 1.05 | 1.28 | |
| Manicotto filettato per cavo | ||||
| 35 | 981373 | 1.05 | 1.28 | |
| Nessuna informazione disponibile, non ordinabile | ||||
| 36 | 953327 | |||
| Giunzione di saldatura 50091 (10 pezzi) | ||||
| 37 | 959140 | 3.30 | 4.03 | |
| Strip di serraggio (vecchio 994566) | ||||
| 38 | 937631 | 1.04 | 1.27 | |
| Nessuna informazione disponibile, non ordinabile | ||||
| 39 | 984750 | |||
| Vite tagliente D5x55 | ||||
| 40 | 953174 | 1.04 | 1.27 | |
| Cuscino C18dmr | ||||
| 41 | 961729 | 1.05 | 1.28 | |
| Vite (10 pezzi) | ||||
| 42 | 949794 | 1.65 | 2.01 | |
| RONDELLA M6 | ||||
| 43 | 948167 | 1.04 | 1.27 | |
| Montaggio bullone (quadrato) M6x22 Includ.89 | ||||
| 44 | 314620 | 6.45 | 7.87 | |
| SNOER 2.5M 2 X 1.0 H05VV-F W/PLUG 13A/250V (OLD 50 | ||||
| 45 | 500423Z | 12.87 | 15.70 | |
| Nessuna informazione disponibile, non ordinabile | ||||
| 46 | 322578 | |||
| Nessuna informazione disponibile, non ordinabile | ||||
| 47 | 322505 | |||
| Molla | ||||
| 48 | 941056 | 1.05 | 1.28 | |
| Vite ad ali M6x18 Eccetto per Usa,can | ||||
| 49 | 307898 | 1.65 | 2.01 | |
| Manicotto di blocco Cm12y | ||||
| 50 | 315253 | 7.35 | 8.97 | |
| Dado a U M5 | ||||
| 50A | 308387 | 1.05 | 1.28 | |
| Vite ad ali (a) M6x15 | ||||
| 51 | 308364 | 1.05 | 1.28 | |
| Nessuna informazione disponibile, non ordinabile | ||||
| 52A | 330845 | |||
| Vite di regolazione (a) (fino a 09.2008) | ||||
| 53 | 315183 | 4.80 | 5.86 | |
| Vite di regolazione (a) (fino a 09.2008) | ||||
| 53A | 322096 | 1.95 | 2.38 | |
| Rondella (a) | ||||
| 54 | 982631 | 1.04 | 1.27 | |
| Nessuna informazione disponibile, non ordinabile | ||||
| 501 | 302756 | |||
| Nessuna informazione disponibile, non ordinabile | ||||
| 502 | 990666 | |||
| Nessuna informazione disponibile, non ordinabile | ||||
| 503 | 940543 | |||
| HANGER | ||||
| 601 | 954619 | 3.30 | 4.03 | |