Qui troverai tutte le parti e i disegni disponibili di “Hikoki C6MFA”. Da qui puoi ordinare direttamente tutte le parti desiderate. Molte parti devono essere ordinate dal produttore, a seconda della marca, ciò richiede da una a quattro settimane. Tutte le informazioni che abbiamo sono sul nostro sito web, non possiamo consigliarti su ciò di cui hai bisogno, per questo dovrai restituire la macchina per la riparazione. Nota quanto segue al momento dell’ordinazione:
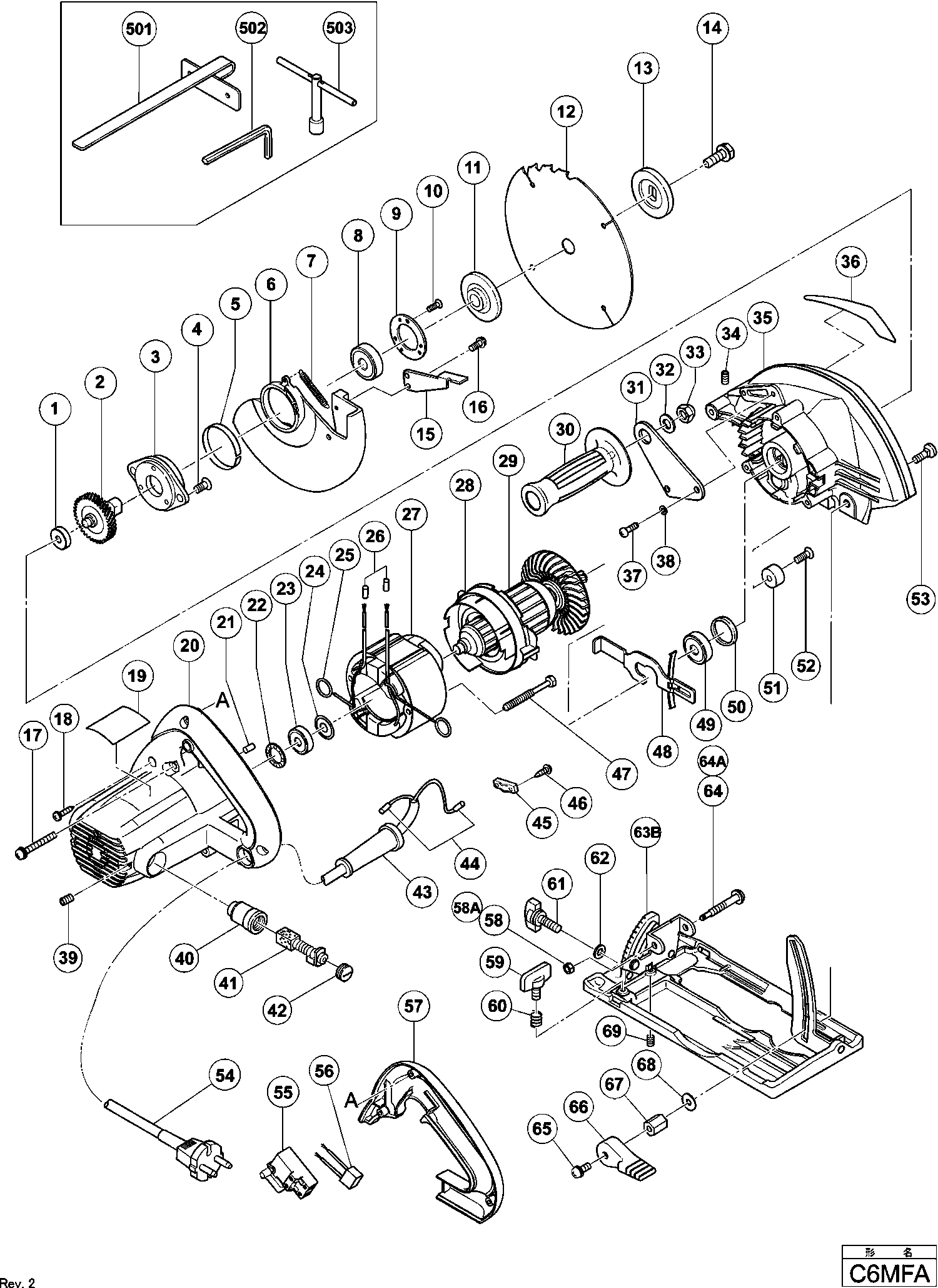
Disegni tecnici di Hikoki C6MFA
Elenco parti di Hikoki C6MFA
| Pos. | Descrizione | Prezzo IVA escl | Prezzo IVA incl | |
| I prezzi indicati sono comprensivi di IVA | ||||
| Metallo | ||||
| 1 | 963803 | 1.50 | 1.83 | |
| Nessuna informazione disponibile, non ordinabile | ||||
| 2 | 322088 | |||
| Supporto Del Cuscinetto | ||||
| 3 | 308361 | 3.30 | 4.03 | |
| VITE DI BLOCCO SIGILLANTE M5X12 | ||||
| 4 | 305568 | 1.05 | 1.28 | |
| RONDINA | ||||
| 5 | 318192 | 1.65 | 2.01 | |
| Nessuna informazione disponibile, non ordinabile | ||||
| 6 | 323937 | |||
| Nessuna informazione disponibile, non ordinabile | ||||
| 7 | 302442 | |||
| Cuscinetto a sfere 6002 Vv C7mfa | ||||
| 8 | 6002VV | 7.35 | 8.97 | |
| Coperchio del cuscinetto RTS 400 REQ | ||||
| 9 | 308362 | 2.40 | 2.93 | |
| Vite a Testa Piana di Blocco del Sigillo M3x12 | ||||
| 10 | 308773 | 1.05 | 1.28 | |
| Rondella (a) | ||||
| 11 | 322099 | 7.35 | 8.97 | |
| Rondella (a) | ||||
| 11 | 323928 | 3.15 | 3.84 | |
| Nessuna informazione disponibile, non ordinabile | ||||
| 12 | 323892 | |||
| Nessuna informazione disponibile, non ordinabile | ||||
| 13 | 323924 | |||
| Bullone M7x17.5 con rondella | ||||
| 14 | 957749 | 1.05 | 1.28 | |
| Nessuna informazione disponibile, non ordinabile | ||||
| 15 | 302464 | |||
| Vite meccanica (con rondelle) M4x10 (nero) | ||||
| 16 | 304043 | 1.05 | 1.28 | |
| Vite macchina (con rondelle) M5x45 (nero) | ||||
| 17 | 302434 | 1.04 | 1.27 | |
| Vite per foratura D4x20 con flangia (nero) | ||||
| 18 | 301653 | 1.04 | 1.27 | |
| ALLOGGIAMENTO | ||||
| 20 | 323930 | 31.49 | 38.41 | |
| Alloggiamento Ass'y (verde) Inclu.39,40 | ||||
| 20 | 323929 | 26.68 | 32.54 | |
| PENNA DI GOMMA | ||||
| 21 | 931701 | 1.05 | 1.28 | |
| Rondella di spinta | ||||
| 22 | 316394 | 3.30 | 4.03 | |
| Cuscinetto a sfere 608vvmc2eps2l | ||||
| 23 | 608VVM | 5.70 | 6.95 | |
| Rondella (a) | ||||
| 24 | 982631 | 1.04 | 1.27 | |
| Punto di contatto Portaspazzola | ||||
| 25 | 930703 | 2.40 | 2.93 | |
| Manicotto filettato per cavo | ||||
| 26 | 981373 | 1.05 | 1.28 | |
| Statore 230v | ||||
| 27 | 340614E | 24.75 | 30.20 | |
| Guida per ventilatore | ||||
| 28 | 322002 | 1.35 | 1.65 | |
| STATORE 230V | ||||
| 29 | 360694E | 41.80 | 51.00 | |
| ANKER 110 VOLT | ||||
| 29 | 360694C | 39.05 | 47.64 | |
| Nessuna informazione disponibile, non ordinabile | ||||
| 30 | 323925 | |||
| STRISCIA | ||||
| 31 | 323926 | 2.10 | 2.56 | |
| Rondella M10 (10 pezzi) | ||||
| 32 | 949458 | 1.05 | 1.28 | |
| Dado a cappuccio m10 | ||||
| 33 | 323927 | 1.65 | 2.01 | |
| Vite di bloccaggio esagonale M5x6 | ||||
| 34 | 962782 | 1.04 | 1.27 | |
| Nessuna informazione disponibile, non ordinabile | ||||
| 35 | 323935 | |||
| Vite della macchina M5x12 (10 pezzi) | ||||
| 37 | 949237 | 1.05 | 1.28 | |
| Rondella di molla M5 (10 pezzi) | ||||
| 38 | 949454 | 1.04 | 1.27 | |
| Vite di regolazione esagonale M5x8 | ||||
| 39 | 938477 | 1.05 | 1.28 | |
| PORTA SPAZZOLA | ||||
| 40 | 957051 | 5.25 | 6.40 | |
| Spazzola di carbone (1 paio) | ||||
| 41 | 999043 | 4.50 | 5.49 | |
| Coperchio della spazzola | ||||
| 42 | 935829 | 1.05 | 1.28 | |
| Nessuna informazione disponibile, non ordinabile | ||||
| 43 | 953327 | |||
| Manicotto filettato per cavo | ||||
| 44 | 981373 | 1.05 | 1.28 | |
| Strip di serraggio (vecchio 994566) | ||||
| 45 | 937631 | 1.04 | 1.27 | |
| Nessuna informazione disponibile, non ordinabile | ||||
| 46 | 984750 | |||
| Vite tagliente D5x55 | ||||
| 47 | 953174 | 1.04 | 1.27 | |
| Leva di blocco | ||||
| 48 | 307918 | 5.25 | 6.40 | |
| Cuscinetto a sfera 6000 Vv, Cm9by, C8fse, G23ss | ||||
| 49 | 6000VV | 6.15 | 7.50 | |
| Anello di gomma (1) | ||||
| 50 | 318647 | 1.65 | 2.01 | |
| Cuscino C18dmr | ||||
| 51 | 961729 | 1.05 | 1.28 | |
| Vite (10 pezzi) | ||||
| 52 | 949794 | 1.65 | 2.01 | |
| Dado | ||||
| 53 | 942808 | 1.05 | 1.28 | |
| Cavo 3M 2 X 1,0 H05vv-f con spina 16a CEE | ||||
| 54 | 500461Z | 17.88 | 21.81 | |
| SNOER 10.7 (USE 714500=2X1 5M) | ||||
| 54 | 500247Z | 6.18 | 7.54 | |
| Nessuna informazione disponibile, non ordinabile | ||||
| 55 | 963756Z | |||
| Condensatore (vecchio 987178) | ||||
| 56 | 930039 | 1.95 | 2.38 | |
| Coperchio della Maniglia (verde) | ||||
| 57 | 323931 | 5.70 | 6.95 | |
| Coperchio del manico (verde nero) Per Fra | ||||
| 57 | 323932 | 5.70 | 6.95 | |
| Manicotto di blocco Cm12y | ||||
| 58 | 315253 | 7.35 | 8.97 | |
| Dado a U M5 | ||||
| 58A | 308387 | 1.05 | 1.28 | |
| Vite ad ali M6x18 Eccetto per Usa,can | ||||
| 59 | 307898 | 1.65 | 2.01 | |
| Molla | ||||
| 60 | 941056 | 1.05 | 1.28 | |
| VITE A FARFALLA (A) | ||||
| 61 | 307937 | 1.05 | 1.28 | |
| RONDELLA M6 | ||||
| 62 | 948167 | 1.04 | 1.27 | |
| Nessuna informazione disponibile, non ordinabile | ||||
| 63B | 330841 | |||
| Vite di regolazione (a) (fino a 09.2008) | ||||
| 64 | 315183 | 4.80 | 5.86 | |
| Vite di regolazione (a) (fino a 09.2008) | ||||
| 64A | 322096 | 1.95 | 2.38 | |
| Vite di chiusura (con rondelle sp) M6x14 | ||||
| 65 | 322260 | 1.50 | 1.83 | |
| Leva di bloccaggio | ||||
| 66 | 323923 | 1.05 | 1.28 | |
| DADO DI BLOCCAGGIO | ||||
| 67 | 323922 | 2.10 | 2.56 | |
| RONDINA | ||||
| 68 | 320975 | 1.05 | 1.28 | |
| Vite di regolazione (con blocco sigillo) M6x8 | ||||
| 69 | 308109 | 1.04 | 1.27 | |
| Nessuna informazione disponibile, non ordinabile | ||||
| 501 | 302756 | |||
| Nessuna informazione disponibile, non ordinabile | ||||
| 502 | 990666 | |||
| Nessuna informazione disponibile, non ordinabile | ||||
| 503 | 940543 | |||
| Nessuna informazione disponibile, non ordinabile | ||||
| 601 | 302981 | |||
| HANGER | ||||
| 602 | 954619 | 3.30 | 4.03 | |