Qui troverai tutte le parti e i disegni disponibili di “Hikoki C6DC2”. Da qui puoi ordinare direttamente tutte le parti desiderate. Molte parti devono essere ordinate dal produttore, a seconda della marca, ciò richiede da una a quattro settimane. Tutte le informazioni che abbiamo sono sul nostro sito web, non possiamo consigliarti su ciò di cui hai bisogno, per questo dovrai restituire la macchina per la riparazione. Nota quanto segue al momento dell’ordinazione:
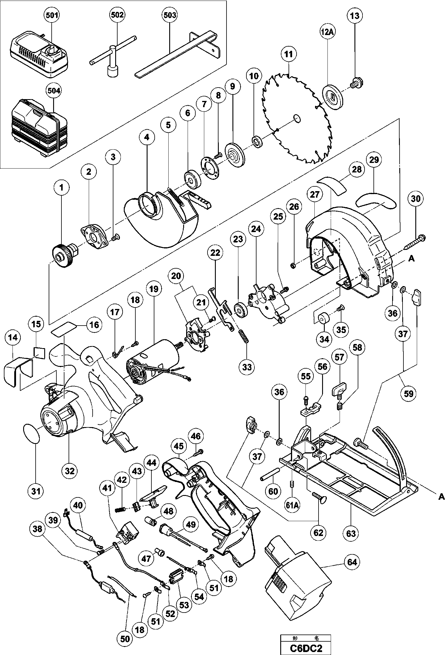
Disegni tecnici di Hikoki C6DC2
Elenco parti di Hikoki C6DC2
| Pos. | Descrizione | Prezzo IVA escl | Prezzo IVA incl | |
| I prezzi indicati sono comprensivi di IVA | ||||
| Nessuna informazione disponibile, non ordinabile | ||||
| 1 | 317468 | |||
| Supporto Del Cuscinetto | ||||
| 2 | 308361 | 3.30 | 4.03 | |
| VITE DI BLOCCO SIGILLANTE M5X12 | ||||
| 3 | 305568 | 1.05 | 1.28 | |
| Nessuna informazione disponibile, non ordinabile | ||||
| 4 | 317202 | |||
| Molla di ritorno | ||||
| 5 | 317203 | 3.30 | 4.03 | |
| Cuscinetto a sfere 6002 Vv C7mfa | ||||
| 6 | 6002VV | 7.35 | 8.97 | |
| Coperchio del cuscinetto RTS 400 REQ | ||||
| 7 | 308362 | 2.40 | 2.93 | |
| Vite a Testa Piana di Blocco del Sigillo M3x12 | ||||
| 8 | 308773 | 1.05 | 1.28 | |
| Rondella (a2) | ||||
| 9 | 317465 | 9.00 | 10.98 | |
| Rondella (a1) per Chi,pan,mex | ||||
| 9 | 317466 | 9.00 | 10.98 | |
| Anello D15.9/i.d.14.5 | ||||
| 10 | 990100 | 1.65 | 2.01 | |
| Nessuna informazione disponibile, non ordinabile | ||||
| 11 | 317452 | |||
| Flangia Di Fissaggio | ||||
| 12A | 324563 | 4.20 | 5.12 | |
| Bullone M7x17.5 con rondella | ||||
| 13 | 957749 | 1.05 | 1.28 | |
| Nessuna informazione disponibile, non ordinabile | ||||
| 14 | 317204 | |||
| Nessuna informazione disponibile, non ordinabile | ||||
| 17 | 317211 | |||
| VITE C M4X35 | ||||
| 18 | 958715 | 1.04 | 1.27 | |
| Nessuna informazione disponibile, non ordinabile | ||||
| 19 | 320996 | |||
| Nessuna informazione disponibile, non ordinabile | ||||
| 20 | 318347 | |||
| Vite speciale M5 | ||||
| 21 | 317914 | 1.65 | 2.01 | |
| Nessuna informazione disponibile, non ordinabile | ||||
| 22 | 317194 | |||
| Cuscinetto a sfere 609vvmc2ps2s | ||||
| 23 | 609VVM | 6.00 | 7.32 | |
| Nessuna informazione disponibile, non ordinabile | ||||
| 24 | 317195 | |||
| Bullone NYLOCK M4X12 | ||||
| 25 | 317196 | 1.65 | 2.01 | |
| Dado M5 (nero) | ||||
| 26 | 302012 | 1.05 | 1.28 | |
| Nessuna informazione disponibile, non ordinabile | ||||
| 27 | 317201 | |||
| Vite a taglio (con flangia) D5x50 | ||||
| 30 | 317449 | 1.65 | 2.01 | |
| CUSTODIA | ||||
| 32 | 321003 | 27.50 | 33.55 | |
| Molla (vecchia 961803z) | ||||
| 33 | 961803 | 1.20 | 1.46 | |
| Cuscino C18dmr | ||||
| 34 | 310842 | 1.05 | 1.28 | |
| Vite M5x20 (10 pezzi) | ||||
| 35 | 949793 | 1.35 | 1.65 | |
| Anello M6 (vecchio 949425z , 10 pezzi) | ||||
| 36 | 949425 | 1.05 | 1.28 | |
| RONDELLA M6 | ||||
| 37 | 948167 | 1.04 | 1.27 | |
| Nessuna informazione disponibile, non ordinabile | ||||
| 38 | 320998 | |||
| Vite macchina (con rondella) M3.5x6 | ||||
| 39 | 307887 | 1.04 | 1.27 | |
| Nessuna informazione disponibile, non ordinabile | ||||
| 40 | 317455 | |||
| SCHAKELAAR | ||||
| 41 | 980061 | 15.34 | 18.71 | |
| Molla (f) | ||||
| 42 | 301631 | 1.04 | 1.27 | |
| Scheda di contatto | ||||
| 43 | 317207 | 1.35 | 1.65 | |
| PULSANTE | ||||
| 44 | 319904 | 1.50 | 1.83 | |
| Nessuna informazione disponibile, non ordinabile | ||||
| 45 | 321004 | |||
| Vite Autofilettante (con flangia) D4x16 (nero) | ||||
| 46 | 305812 | 1.04 | 1.27 | |
| Giunzione di saldatura 50092 (10 pezzi) | ||||
| 47 | 959141 | 3.75 | 4.58 | |
| Lampada (12v 5w) | ||||
| 48 | 315229 | 9.30 | 11.35 | |
| Nessuna informazione disponibile, non ordinabile | ||||
| 49 | 320999 | |||
| Fascetta per cavi Cl10sa, Cg18dal, Cg18dl | ||||
| 50 | 321002 | 1.35 | 1.65 | |
| Molla | ||||
| 51 | 996118 | 2.55 | 3.11 | |
| Nessuna informazione disponibile, non ordinabile | ||||
| 52 | 321001 | |||
| Pezzo del terminale | ||||
| 53 | 320997 | 1.20 | 1.46 | |
| Scheda di contatto | ||||
| 54 | 321000 | 4.05 | 4.94 | |
| Vite per macchina (con rondella) M4x8 (nero) | ||||
| 55 | 317200 | 1.65 | 2.01 | |
| Nessuna informazione disponibile, non ordinabile | ||||
| 56 | 321006 | |||
| Vite ad ali M6x18 Eccetto per Usa,can | ||||
| 57 | 307898 | 1.65 | 2.01 | |
| Molla | ||||
| 58 | 941056 | 1.05 | 1.28 | |
| Montaggio bullone (quadrato) M6x22 Includ.89 | ||||
| 59 | 314620 | 6.45 | 7.87 | |
| ROLL PIN D6X45 (10 PCS.) NEW | ||||
| 60 | 949523 | 6.06 | 7.39 | |
| Vite di regolazione (con blocco sigillo) M6x8 | ||||
| 61A | 308109 | 1.04 | 1.27 | |
| Nessuna informazione disponibile, non ordinabile | ||||
| 62 | 314621 | |||
| Nessuna informazione disponibile, non ordinabile | ||||
| 63 | 321005 | |||
| Nessuna informazione disponibile, non ordinabile | ||||
| 64 | 319764 | |||
| Nessuna informazione disponibile, non ordinabile | ||||
| 502 | 940543 | |||
| Nessuna informazione disponibile, non ordinabile | ||||
| 503 | 302756 | |||
| Nessuna informazione disponibile, non ordinabile | ||||
| 504 | 321100 | |||