Qui troverai tutte le parti e i disegni disponibili di “Hikoki C15FB”. Da qui puoi ordinare direttamente tutte le parti desiderate. Molte parti devono essere ordinate dal produttore, a seconda della marca, ciò richiede da una a quattro settimane. Tutte le informazioni che abbiamo sono sul nostro sito web, non possiamo consigliarti su ciò di cui hai bisogno, per questo dovrai restituire la macchina per la riparazione. Nota quanto segue al momento dell’ordinazione:
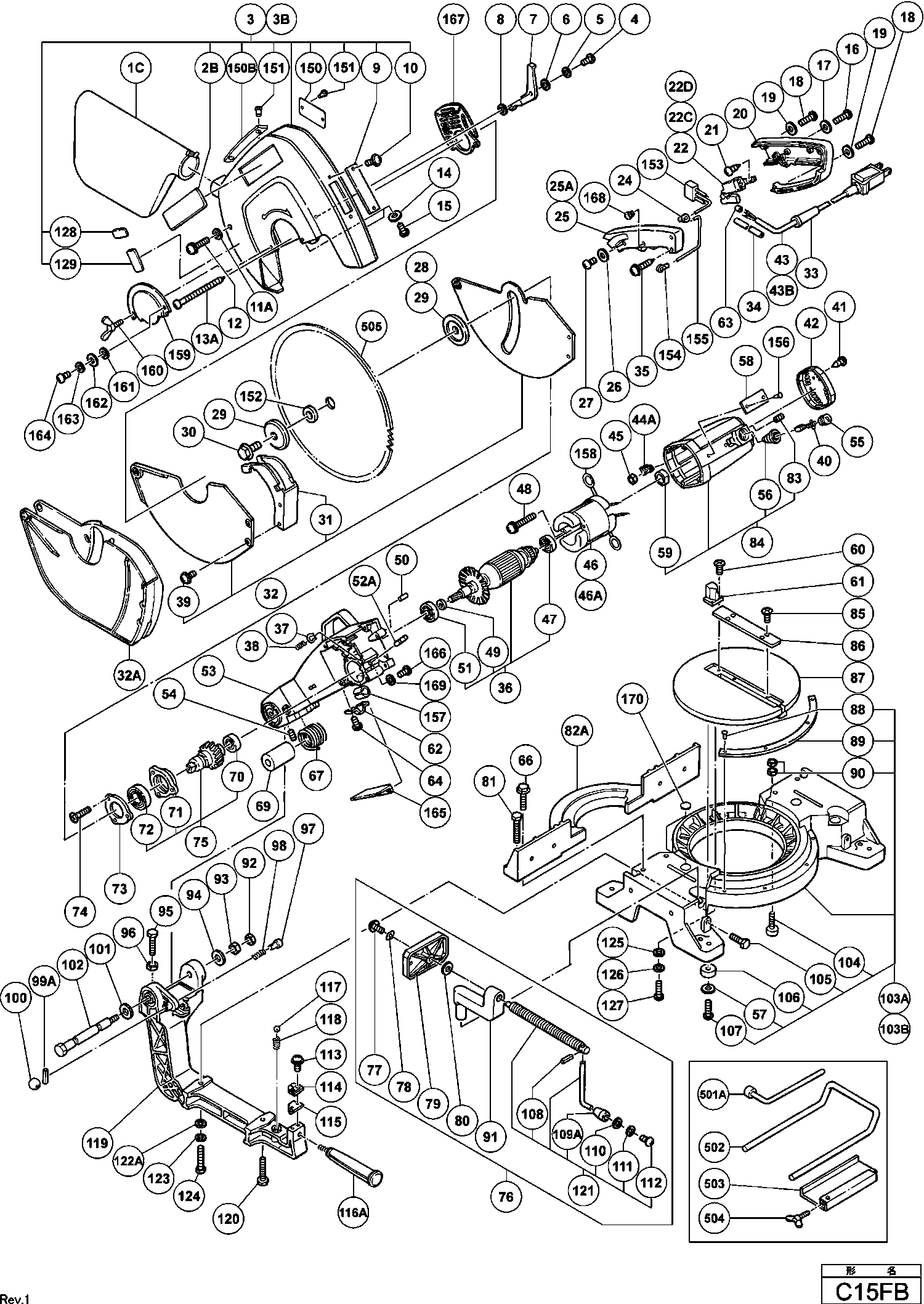
Disegni tecnici di Hikoki C15FB
Elenco parti di Hikoki C15FB
| Pos. | Descrizione | Prezzo IVA escl | Prezzo IVA incl | |
| I prezzi indicati sono comprensivi di IVA | ||||
| Nessuna informazione disponibile, non ordinabile | ||||
| 1C | 322955 | |||
| Nessuna informazione disponibile, non ordinabile | ||||
| 2B | 951653 | |||
| Non più disponibile, nessuna sostituzione | ||||
| 3B | 988908 | |||
| Nessuna informazione disponibile, non ordinabile | ||||
| 3S | 988912 | |||
| Nessuna informazione disponibile, non ordinabile | ||||
| 3T | 988914 | |||
| Vite della macchina M6x12 (10 pezzi) | ||||
| 4 | 949255 | 1.35 | 1.65 | |
| Rondella di molla M6 (vecchio 949455z, 10 pezzi) | ||||
| 5 | 949455 | 1.05 | 1.28 | |
| RING | ||||
| 6 | 972256 | 1.98 | 2.42 | |
| Nessuna informazione disponibile, non ordinabile | ||||
| 7 | 988901 | |||
| Rondella | ||||
| 8 | 974484 | 1.05 | 1.28 | |
| COVER | ||||
| 9 | 988112 | 3.30 | 4.03 | |
| Vite a macchina M5x10 | ||||
| 10 | 976706 | 1.04 | 1.27 | |
| RING (B) | ||||
| 11A | 936311 | 1.00 | 1.22 | |
| Vite M5 X 16 | ||||
| 12 | 987512 | 1.04 | 1.27 | |
| Vite di Toccaggio D5x90 | ||||
| 13A | 320186 | 1.50 | 1.83 | |
| Rondella M5 (vecchio 949431z, 10 pezzi) | ||||
| 14 | 949431 | 1.04 | 1.27 | |
| Vite per macchina M4x10 (10 pezzi) (VECCHIO 949216 | ||||
| 15 | 949216 | 1.05 | 1.28 | |
| Vite a Macchina M5X16 (10 Pezzi) | ||||
| 16 | 949239 | 1.05 | 1.28 | |
| Rondella M5 (vecchio 949431z, 10 pezzi) | ||||
| 17 | 949431 | 1.04 | 1.27 | |
| Vite a Macchina M5X20 (10 Pezzi) | ||||
| 18 | 949241 | 1.35 | 1.65 | |
| Rondella M5 (vecchio 949431z, 10 pezzi) | ||||
| 19 | 949431 | 1.04 | 1.27 | |
| Maniglia TSC 55 | ||||
| 20 | 988107 | 13.95 | 17.02 | |
| Vite D4 X 10 | ||||
| 21 | 974572 | 1.05 | 1.28 | |
| Interruttore | ||||
| 22 | 974664Z | 37.95 | 46.30 | |
| Interruttore | ||||
| 22 | 976450 | 27.09 | 33.05 | |
| Non più disponibile, nessuna sostituzione | ||||
| 25A | 988920 | |||
| HANDGREEPDEKSEL | ||||
| 25S | 988108 | 5.04 | 6.15 | |
| Rondella M5 (vecchio 949431z, 10 pezzi) | ||||
| 26 | 949431 | 1.04 | 1.27 | |
| Vite della macchina M5x12 (10 pezzi) | ||||
| 27 | 949237 | 1.05 | 1.28 | |
| Rondella | ||||
| 29 | 988896 | 17.33 | 21.14 | |
| Bullone (a) M10 | ||||
| 30 | 988101 | 1.95 | 2.38 | |
| Armatura del cavo D10.7 | ||||
| 33 | 940778 | 2.10 | 2.56 | |
| Nessuna informazione disponibile, non ordinabile | ||||
| 34 | 988893 | |||
| Vite a tagliente D4x25 con rondella | ||||
| 35 | 988889 | 1.05 | 1.28 | |
| STATORE 230V | ||||
| 36 | 360065E | 183.70 | 224.11 | |
| Armatura 240v | ||||
| 36 | 360065F | 183.70 | 224.11 | |
| Rondella elastica | ||||
| 37 | 974577 | 1.05 | 1.28 | |
| Molla di calibro | ||||
| 38 | 948363 | 1.05 | 1.28 | |
| Spazzola di carbone (1 paio) | ||||
| 40 | 999044 | 4.50 | 5.49 | |
| Vite D4 X 10 | ||||
| 41 | 974572 | 1.05 | 1.28 | |
| COPERTURA | ||||
| 42 | 974571 | 5.25 | 6.40 | |
| Nessuna informazione disponibile, non ordinabile | ||||
| 43 | 952802Z | |||
| MOERDEKSEL | ||||
| 44A | 937892 | 1.00 | 1.22 | |
| Dado M5 (10 Pezzi) (VECCHIO 949555Z) | ||||
| 45 | 949555 | 1.05 | 1.28 | |
| Nessuna informazione disponibile, non ordinabile | ||||
| 46 | 974613D | |||
| Statore 220v-230v Includ.158 | ||||
| 46A | 340198H | 99.00 | 120.78 | |
| Assieme stator 240v Includ.103 | ||||
| 46S | 974613F | 121.96 | 148.79 | |
| Cuscinetto a sfere 6200 Vv | ||||
| 47 | 6200VV | 6.15 | 7.50 | |
| Vite della macchina M5x75 | ||||
| 48 | 974603 | 1.05 | 1.28 | |
| Boccola Distanziatrice | ||||
| 49 | 947622 | 1.04 | 1.27 | |
| PENNA DI GOMMA (VECCHIA 976441) | ||||
| 50 | 946362 | 1.05 | 1.28 | |
| Cuscinetto a sfere 6002dducmps2s | ||||
| 51 | 6002DD | 7.05 | 8.60 | |
| SPINA DI FERMO | ||||
| 52A | 974576 | 1.35 | 1.65 | |
| Custodia del ingranaggio | ||||
| 53 | 988881 | 99.14 | 120.95 | |
| Vite di regolazione esagonale M6x10 | ||||
| 54 | 968247 | 1.04 | 1.27 | |
| Cappuccio della spazzola | ||||
| 55 | 978445 | 1.05 | 1.28 | |
| Portaspazzole di carbonio (vecchio 500301) | ||||
| 56 | 980487 | 5.68 | 6.92 | |
| Rondella M5 (vecchio 949431z, 10 pezzi) | ||||
| 57 | 949431 | 1.04 | 1.27 | |
| BEARING BUSHING | ||||
| 59 | 988886 | 8.16 | 9.96 | |
| Vite M4x10 (10 pezzi) | ||||
| 60 | 949322 | 1.05 | 1.28 | |
| GUARDIA | ||||
| 61 | 988900 | 1.95 | 2.38 | |
| SNOERKLEM | ||||
| 62 | 934028 | 1.00 | 1.22 | |
| Manicotto filettato per cavo | ||||
| 63 | 981373 | 1.05 | 1.28 | |
| Vite per macchina M4x10 (10 pezzi) (VECCHIO 949216 | ||||
| 64 | 949216 | 1.05 | 1.28 | |
| Nessuna informazione disponibile, non ordinabile | ||||
| 66 | 988877 | |||
| Molla | ||||
| 67 | 988878 | 10.95 | 13.36 | |
| MANICOTTO ESATRICO | ||||
| 69 | 988879 | 11.55 | 14.09 | |
| Cuscinetto a sfere 6001vvcmps2l | ||||
| 70 | 6001VV | 6.60 | 8.05 | |
| BEARING HOLDER | ||||
| 71 | 988883 | 8.76 | 10.69 | |
| Cuscinetto a sfere 6006ZZ | ||||
| 72 | 6006ZZ | 10.20 | 12.44 | |
| Nessuna informazione disponibile, non ordinabile | ||||
| 73 | 988884 | |||
| Vite Hd M6x25 (10 Pezzi) | ||||
| 74 | 949342 | 1.65 | 2.01 | |
| Montaggio del mandrino | ||||
| 75 | 988882 | 84.56 | 103.17 | |
| Nessuna informazione disponibile, non ordinabile | ||||
| 76 | 988897 | |||
| Vite per macchine M6 X 10(vecchio303405) | ||||
| 77 | 997314 | 1.05 | 1.28 | |
| WAVE WASHER M10 | ||||
| 78 | 974612 | 1.00 | 1.22 | |
| Nessuna informazione disponibile, non ordinabile | ||||
| 79 | 988106 | |||
| Rondella M10 (Vecchio 949434z, 10 Pezzi) | ||||
| 80 | 949434 | 1.35 | 1.65 | |
| Vite M10x60 (10 pezzi) | ||||
| 81 | 949634 | 5.10 | 6.22 | |
| Morsa (b) C15fb | ||||
| 82A | 988876 | 78.79 | 96.12 | |
| INBUSSTELSCHROEF M4X5 | ||||
| 83 | 967508 | 1.00 | 1.22 | |
| HUIS | ||||
| 84 | 974566 | 52.80 | 64.42 | |
| Vite M4x10 (10 pezzi) | ||||
| 85 | 949322 | 1.05 | 1.28 | |
| Guida lama di sega | ||||
| 86 | 974579 | 3.90 | 4.76 | |
| Nessuna informazione disponibile, non ordinabile | ||||
| 87 | 988870 | |||
| Rivetto D2,5x4,8 (10 pezzi) | ||||
| 88 | 949510 | 1.04 | 1.27 | |
| SCALA | ||||
| 89 | 988907 | 5.85 | 7.14 | |
| Dado di bloccaggio (inserto in nylon) M10 | ||||
| 90 | 949572 | 2.40 | 2.93 | |
| Nessuna informazione disponibile, non ordinabile | ||||
| 91 | 988898 | |||
| Dado autobloccante M12 (10 pz) | ||||
| 92 | 949574 | 3.00 | 3.66 | |
| Dado M12 (10 Pezzi) | ||||
| 93 | 949561 | 3.00 | 3.66 | |
| Rondella M12 (Vecchio 949437z, 10 Pezzi) | ||||
| 94 | 949437 | 1.95 | 2.38 | |
| Nessuna informazione disponibile, non ordinabile | ||||
| 95 | 988872 | |||
| Dado di bloccaggio (inserto in nylon) M10 | ||||
| 96 | 949572 | 2.40 | 2.93 | |
| SPINA | ||||
| 97 | 988874 | 4.80 | 5.86 | |
| Molla di calibro | ||||
| 98 | 948363 | 1.05 | 1.28 | |
| Spinotto D4x32 (10 Pezzi) | ||||
| 99A | 949685 | 2.55 | 3.11 | |
| Impugnatura | ||||
| 100 | 967896 | 2.55 | 3.11 | |
| Rondella M16 | ||||
| 101 | 955818 | 1.05 | 1.28 | |
| Nessuna informazione disponibile, non ordinabile | ||||
| 102 | 988880 | |||
| Nessuna informazione disponibile, non ordinabile | ||||
| 103A | 988906 | |||
| VITE DI BLOCCO | ||||
| 104 | 988891 | 3.75 | 4.58 | |
| BOUT M10X30 (10 STUKS) | ||||
| 105 | 949698 | 3.06 | 3.73 | |
| Gomma del piede | ||||
| 106 | 964851 | 1.05 | 1.28 | |
| Vite a Macchina M5X20 (10 Pezzi) | ||||
| 107 | 949241 | 1.35 | 1.65 | |
| Roll Pin D3x16 (10 pezzi) | ||||
| 108 | 949496 | 1.65 | 2.01 | |
| BUS (OUD 964860) | ||||
| 109A | 962561 | 1.00 | 1.22 | |
| Rondella di chiusura (b) (vecchio 976448) | ||||
| 110 | 962569 | 1.05 | 1.28 | |
| Rondella di molla M4 (10 pezzi) | ||||
| 111 | 949453 | 1.05 | 1.28 | |
| Vite per macchina M4x10 (10 pezzi) (VECCHIO 949216 | ||||
| 112 | 949216 | 1.05 | 1.28 | |
| Vite a macchina M5x10 | ||||
| 113 | 976706 | 1.04 | 1.27 | |
| INDICATORE | ||||
| 114 | 976826 | 1.05 | 1.28 | |
| SPACER | ||||
| 115 | 976804 | 1.00 | 1.22 | |
| Nessuna informazione disponibile, non ordinabile | ||||
| 116A | 988875 | |||
| Pallina di acciaio D12.7 (10 pezzi) | ||||
| 117 | 959153 | 5.40 | 6.59 | |
| VEER | ||||
| 118 | 967150 | 1.00 | 1.22 | |
| Cerniera (a) | ||||
| 119 | 988871 | 154.55 | 188.55 | |
| BOLT M10X65 (W/WASHERS) | ||||
| 120 | 988873 | 1.08 | 1.32 | |
| Montaggio di viti compreso 70,71 | ||||
| 121 | 988104 | 25.71 | 31.37 | |
| Rondella | ||||
| 122A | 302998 | 1.05 | 1.28 | |
| Rondella M10 (10 pezzi) | ||||
| 123 | 949458 | 1.05 | 1.28 | |
| SCREW (G) | ||||
| 124 | 988905 | 1.00 | 1.22 | |
| RING (B) | ||||
| 125 | 936311 | 1.00 | 1.22 | |
| Rondella di molla M6 (vecchio 949455z, 10 pezzi) | ||||
| 126 | 949455 | 1.05 | 1.28 | |
| Vite della macchina M6x16 (10 pezzi) | ||||
| 127 | 949256 | 1.35 | 1.65 | |
| Anello di riempimento per D25.4 | ||||
| 152 | 976451 | 3.30 | 4.03 | |
| Contatto della spazzola di carbone (vecchio 957004 | ||||
| 158 | 998744 | 1.20 | 1.46 | |
| Nessuna informazione disponibile, non ordinabile | ||||
| 501A | 985051 | |||
| HOUDER | ||||
| 502 | 974562 | 9.36 | 11.42 | |
| Fermaglio | ||||
| 503 | 974561 | 7.05 | 8.60 | |
| Vite a farfalla M6x20 | ||||
| 504 | 949404 | 7.65 | 9.33 | |
| Nessuna informazione disponibile, non ordinabile | ||||
| 601 | 988904 | |||