Qui troverai tutte le parti e i disegni disponibili di “Hikoki C12LDH”. Da qui puoi ordinare direttamente tutte le parti desiderate. Molte parti devono essere ordinate dal produttore, a seconda della marca, ciò richiede da una a quattro settimane. Tutte le informazioni che abbiamo sono sul nostro sito web, non possiamo consigliarti su ciò di cui hai bisogno, per questo dovrai restituire la macchina per la riparazione. Nota quanto segue al momento dell’ordinazione:
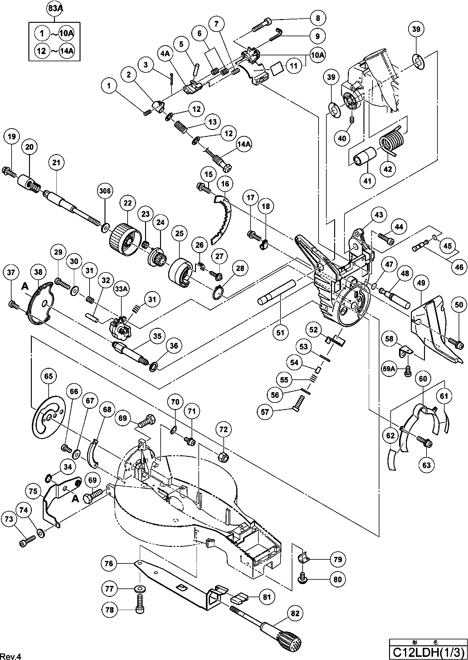
Disegni tecnici di Hikoki C12LDH
Elenco parti di Hikoki C12LDH
| Pos. | Descrizione | Prezzo IVA escl | Prezzo IVA incl | |
| I prezzi indicati sono comprensivi di IVA | ||||
| Molla (b) | ||||
| 1 | 323141 | 1.05 | 1.28 | |
| Porta laser (a) | ||||
| 2 | 323137 | 1.05 | 1.28 | |
| Spina suddivisa D2x12 (10 pezzi) | ||||
| 3 | 949531 | 1.05 | 1.28 | |
| Nessuna informazione disponibile, non ordinabile | ||||
| 4A | 328943 | |||
| Spinotto a rullo D3x14 (10 pezzi) | ||||
| 5 | 949900 | 2.40 | 2.93 | |
| Molla (c) | ||||
| 6 | 323142 | 1.05 | 1.28 | |
| Vite di bloccaggio esagonale M5x6 | ||||
| 7 | 962782 | 1.04 | 1.27 | |
| Nessuna informazione disponibile, non ordinabile | ||||
| 8 | 323144 | |||
| MORSETTO DEL CAVO | ||||
| 9 | 975144 | 1.04 | 1.27 | |
| Base Laser Ass. Inclusa.11 | ||||
| 10A | 331876 | 4.65 | 5.67 | |
| Rondella | ||||
| 12 | 323143 | 1.05 | 1.28 | |
| Molla (a) Dh18vb | ||||
| 13 | 323140 | 1.05 | 1.28 | |
| Modulo Laser (a) Ass'y | ||||
| 14A | 331879 | 82.36 | 100.48 | |
| Vite della macchina M5x16 (vecchio 949238) | ||||
| 15 | 990541 | 1.05 | 1.28 | |
| Nessuna informazione disponibile, non ordinabile | ||||
| 16 | 324971 | |||
| Vite di Macchina M4x12 (nera) con Rondella | ||||
| 17 | 935196 | 1.04 | 1.27 | |
| Clip di Nylon | ||||
| 18 | 973313 | 1.05 | 1.28 | |
| Nessuna informazione disponibile, non ordinabile | ||||
| 19 | 323208 | |||
| MANIGLIA DI BLOCCAGGIO (VECCHIO 322935) | ||||
| 20A | 371742 | 1.20 | 1.46 | |
| Nessuna informazione disponibile, non ordinabile | ||||
| 21 | 325032 | |||
| Nessuna informazione disponibile, non ordinabile | ||||
| 22 | 325033 | |||
| Nessuna informazione disponibile, non ordinabile | ||||
| 23 | 325035 | |||
| Nessuna informazione disponibile, non ordinabile | ||||
| 24 | 325036 | |||
| Nessuna informazione disponibile, non ordinabile | ||||
| 25 | 325034 | |||
| Nessuna informazione disponibile, non ordinabile | ||||
| 26 | 325037 | |||
| Nessuna informazione disponibile, non ordinabile | ||||
| 27 | 307811 | |||
| ANELLO DI RITENZIONE | ||||
| 28 | 962553 | 1.05 | 1.28 | |
| Vite a Macchina M5X20 (10 Pezzi) | ||||
| 29 | 949241 | 1.35 | 1.65 | |
| Rondella M6 (10 Pezzi) | ||||
| 30 | 949432 | 1.05 | 1.28 | |
| Molla (c) | ||||
| 31 | 323142 | 1.05 | 1.28 | |
| Ago D5x19.8 | ||||
| 32 | 305592 | 1.04 | 1.27 | |
| Encoder | ||||
| 33A | 323619 | 46.75 | 57.04 | |
| Rondella elastica D12 (10 pezzi) | ||||
| 34 | 939542 | 1.50 | 1.83 | |
| Nessuna informazione disponibile, non ordinabile | ||||
| 35 | 325030 | |||
| Rondella M16 | ||||
| 36 | 322934 | 1.05 | 1.28 | |
| Vite per macchina M4x10 (10 pezzi) (VECCHIO 949216 | ||||
| 37 | 949216 | 1.05 | 1.28 | |
| Nessuna informazione disponibile, non ordinabile | ||||
| 38 | 324972 | |||
| Anello di guida (d) | ||||
| 39 | 323684 | 1.05 | 1.28 | |
| Vite a brugola con blocco di sicurezza M6x10 | ||||
| 40 | 307956 | 1.05 | 1.28 | |
| MANICOTTO ESATRICO | ||||
| 41 | 323594 | 1.05 | 1.28 | |
| Molla (a) Dh18vb | ||||
| 42 | 323595 | 5.10 | 6.22 | |
| Nessuna informazione disponibile, non ordinabile | ||||
| 43 | 325027 | |||
| Vite a Brugola M6x20 (10 Pezzi) | ||||
| 44 | 949660 | 3.30 | 4.03 | |
| Anello O (p-6) | ||||
| 45 | 984528 | 1.05 | 1.28 | |
| Perno di arresto compreso.94 | ||||
| 46 | 302518 | 4.50 | 5.49 | |
| Anello di gomma | ||||
| 47 | 996407 | 1.05 | 1.28 | |
| Chiodo Fisso Fino 11.2014 | ||||
| 48 | 325028 | 4.20 | 5.12 | |
| Nessuna informazione disponibile, non ordinabile | ||||
| 49 | 324973 | |||
| Vite della macchina M5x16 (vecchio 949238) | ||||
| 50 | 990541 | 1.05 | 1.28 | |
| Albero (c) C12fch | ||||
| 51 | 323593 | 3.15 | 3.84 | |
| Nessuna informazione disponibile, non ordinabile | ||||
| 52 | 325029 | |||
| Rondella M6 (10 Pezzi) | ||||
| 53 | 949432 | 1.05 | 1.28 | |
| Nessuna informazione disponibile, non ordinabile | ||||
| 54 | 303006 | |||
| Molla (c) | ||||
| 55 | 323142 | 1.05 | 1.28 | |
| Anello M4 (10 pezzi) | ||||
| 56 | 949423 | 1.05 | 1.28 | |
| Vite per macchina M4x20 (10 pezzi) | ||||
| 57 | 949221 | 1.05 | 1.28 | |
| Porta guida polvere C10fch | ||||
| 58 | 322963 | 1.05 | 1.28 | |
| Vite per macchina M4x8 (10 pezzi) | ||||
| 59A | 949215 | 1.05 | 1.28 | |
| Nessuna informazione disponibile, non ordinabile | ||||
| 60 | 324968 | |||
| Nessuna informazione disponibile, non ordinabile | ||||
| 61 | 324969 | |||
| Nessuna informazione disponibile, non ordinabile | ||||
| 62 | 324970 | |||
| Vite per macchina M4x16 | ||||
| 63 | 993539 | 1.04 | 1.27 | |
| Nessuna informazione disponibile, non ordinabile | ||||
| 65 | 324978 | |||
| Vite per macchina M4x10 (10 pezzi) (VECCHIO 949216 | ||||
| 66 | 949216 | 1.05 | 1.28 | |
| Anello M4 (10 pezzi) | ||||
| 67 | 949423 | 1.05 | 1.28 | |
| Nessuna informazione disponibile, non ordinabile | ||||
| 68 | 324977 | |||
| Nessuna informazione disponibile, non ordinabile | ||||
| 69 | 325019 | |||
| Nessuna informazione disponibile, non ordinabile | ||||
| 70 | 324974 | |||
| Vite meccanica (con rondelle) M4x10 (nero) | ||||
| 71 | 304043 | 1.05 | 1.28 | |
| Dado in nylon M12 | ||||
| 72 | 680418 | 3.30 | 4.03 | |
| Vite a brugola M5x16 (10 pezzi) | ||||
| 73 | 949821 | 2.55 | 3.11 | |
| Rondella di molla M5 (10 pezzi) | ||||
| 74 | 949454 | 1.04 | 1.27 | |
| Nessuna informazione disponibile, non ordinabile | ||||
| 75 | 325031 | |||
| Diaframma | ||||
| 76 | 323627 | 6.30 | 7.69 | |
| Rondella di sicurezza M8 (10 pezzi) | ||||
| 77 | 949457 | 1.05 | 1.28 | |
| Vite esagonale incassata M8x16 Hd(10 pezzi)(vecchi | ||||
| 78 | 949655 | 3.90 | 4.76 | |
| Nessuna informazione disponibile, non ordinabile | ||||
| 79 | 323609 | |||
| Vite a macchina (con rondella speciale) M4x10 | ||||
| 80 | 307635 | 1.05 | 1.28 | |
| Nessuna informazione disponibile, non ordinabile | ||||
| 81 | 324987 | |||
| Maniglia Laterale | ||||
| 82 | 323680 | 3.15 | 3.84 | |
| Supporto Laser Include.1-10a,12-14a | ||||
| 83A | 329314 | 36.10 | 44.04 | |
| Nessuna informazione disponibile, non ordinabile | ||||
| 101 | 325046 | |||
| Inserimento Tavola (b) C12fch | ||||
| 102 | 323649 | 2.10 | 2.56 | |
| Vite della macchina M5x16 (vecchio 949238) | ||||
| 103 | 990541 | 1.05 | 1.28 | |
| Nessuna informazione disponibile, non ordinabile | ||||
| 104 | 975348 | |||
| Nessuna informazione disponibile, non ordinabile | ||||
| 105 | 318929 | |||
| Vite meccanica (con rondelle) M4x10 (nero) | ||||
| 106 | 304043 | 1.05 | 1.28 | |
| INDICATOR (A) | ||||
| 107 | 318927 | 1.26 | 1.54 | |
| Nessuna informazione disponibile, non ordinabile | ||||
| 108 | 324976 | |||
| Vite per macchina M4x16 | ||||
| 109 | 993539 | 1.04 | 1.27 | |
| Nessuna informazione disponibile, non ordinabile | ||||
| 110 | 325021 | |||
| Vite per macchina M4x16 | ||||
| 111 | 993539 | 1.04 | 1.27 | |
| Nessuna informazione disponibile, non ordinabile | ||||
| 112 | 324986 | |||
| Nessuna informazione disponibile, non ordinabile | ||||
| 113 | 324984 | |||
| Nessuna informazione disponibile, non ordinabile | ||||
| 114 | 324983 | |||
| Foglio del pannello (a) | ||||
| 115 | 323616 | 1.65 | 2.01 | |
| Pannello indicatore Incl.115 | ||||
| 116 | 323615 | 4.20 | 5.12 | |
| Imballaggio (d) | ||||
| 117 | 323608 | 1.05 | 1.28 | |
| Nessuna informazione disponibile, non ordinabile | ||||
| 118 | 324979 | |||
| Vite per macchina M4x16 | ||||
| 119 | 993539 | 1.04 | 1.27 | |
| Nessuna informazione disponibile, non ordinabile | ||||
| 120 | 324985 | |||
| Clip di Nylon | ||||
| 121 | 980523 | 1.05 | 1.28 | |
| Nessuna informazione disponibile, non ordinabile | ||||
| 123 | 325026 | |||
| Nessuna informazione disponibile, non ordinabile | ||||
| 124 | 324981 | |||
| Nessuna informazione disponibile, non ordinabile | ||||
| 125 | 324982 | |||
| Molla (c) | ||||
| 126 | 323142 | 1.05 | 1.28 | |
| Encoder | ||||
| 127A | 323619 | 46.75 | 57.04 | |
| Ago D5x19.8 | ||||
| 128 | 305592 | 1.04 | 1.27 | |
| Rondella M6 (10 Pezzi) | ||||
| 129 | 949432 | 1.05 | 1.28 | |
| Vite a Macchina M5X20 (10 Pezzi) | ||||
| 130 | 949241 | 1.35 | 1.65 | |
| Nessuna informazione disponibile, non ordinabile | ||||
| 131 | 323622 | |||
| Copertura Antipolvere | ||||
| 132 | 323623 | 1.05 | 1.28 | |
| Vite per macchina M4x8 (10 pezzi) | ||||
| 133 | 949215 | 1.05 | 1.28 | |
| Nessuna informazione disponibile, non ordinabile | ||||
| 134 | 323677 | |||
| Nessuna informazione disponibile, non ordinabile | ||||
| 135 | 323678 | |||
| Bullone ad Ala M6x15 | ||||
| 136 | 301806 | 1.05 | 1.28 | |
| Rondella M6 (10 Pezzi) | ||||
| 138 | 949432 | 1.05 | 1.28 | |
| Piastra di serraggio CS 50 EB | ||||
| 139 | 302532 | 2.40 | 2.93 | |
| Vite per macchina M4x10 (10 pezzi) (VECCHIO 949216 | ||||
| 140 | 949216 | 1.05 | 1.28 | |
| Nessuna informazione disponibile, non ordinabile | ||||
| 141 | 322954 | |||
| Vite M8x35 (10 Pezzi) | ||||
| 142 | 949678 | 2.55 | 3.11 | |
| Rondella di sicurezza M8 (10 pezzi) | ||||
| 143 | 949457 | 1.05 | 1.28 | |
| Rondella M8 (10 Pezzi) | ||||
| 144 | 949433 | 1.05 | 1.28 | |
| Bullone ad Ala M6x15 | ||||
| 145 | 301806 | 1.05 | 1.28 | |
| Nessuna informazione disponibile, non ordinabile | ||||
| 146 | 324995 | |||
| Molla (c) | ||||
| 147 | 323142 | 1.05 | 1.28 | |
| Nessuna informazione disponibile, non ordinabile | ||||
| 148 | 324993 | |||
| Nessuna informazione disponibile, non ordinabile | ||||
| 150 | 325049 | |||
| Vite Hd M6x25 (10 Pezzi) | ||||
| 151 | 949342 | 1.65 | 2.01 | |
| FLAT HD.SCREW M6X35 (10 PCS.) | ||||
| 152 | 949795 | 1.08 | 1.32 | |
| Dado in nylon M6 | ||||
| 153 | 963837 | 1.05 | 1.28 | |
| Nessuna informazione disponibile, non ordinabile | ||||
| 154 | 324994 | |||
| Nessuna informazione disponibile, non ordinabile | ||||
| 155 | 325271 | |||
| Liner (a) | ||||
| 157 | 323625 | 3.15 | 3.84 | |
| Vite Macchina M5x16 (nero) | ||||
| 158 | 302317 | 1.05 | 1.28 | |
| Rondella M5 (vecchio 949431z, 10 pezzi) | ||||
| 159 | 949431 | 1.04 | 1.27 | |
| Nessuna informazione disponibile, non ordinabile | ||||
| 160 | 324975 | |||
| Nessuna informazione disponibile, non ordinabile | ||||
| 161 | 323603 | |||
| Nessuna informazione disponibile, non ordinabile | ||||
| 162 | 322910 | |||
| Vite M6x10 (10 pezzi) | ||||
| 163 | 949610 | 1.20 | 1.46 | |
| Vite M5 X 16 | ||||
| 164 | 987512 | 1.04 | 1.27 | |
| Nessuna informazione disponibile, non ordinabile | ||||
| 165 | 323605 | |||
| Nessuna informazione disponibile, non ordinabile | ||||
| 167 | 325264 | |||
| Nessuna informazione disponibile, non ordinabile | ||||
| 168 | 323626 | |||
| Nessuna informazione disponibile, non ordinabile | ||||
| 169 | 325270 | |||
| Nessuna informazione disponibile, non ordinabile | ||||
| 171 | 324990 | |||
| Nessuna informazione disponibile, non ordinabile | ||||
| 172 | 324988 | |||
| Rivetto D2,5x4,8 (10 pezzi) | ||||
| 173 | 949510 | 1.04 | 1.27 | |
| Scala (a) | ||||
| 176 | 323656 | 5.85 | 7.14 | |
| Rondella M6 (10 Pezzi) | ||||
| 177 | 949432 | 1.05 | 1.28 | |
| Nessuna informazione disponibile, non ordinabile | ||||
| 201 | 325048 | |||
| Vite della macchina M5x16 (vecchio 949238) | ||||
| 202 | 990541 | 1.05 | 1.28 | |
| Nessuna informazione disponibile, non ordinabile | ||||
| 203 | 325013 | |||
| Nessuna informazione disponibile, non ordinabile | ||||
| 204 | 325022 | |||
| Nessuna informazione disponibile, non ordinabile | ||||
| 205 | 949828 | |||
| Rondella di molla M5 (10 pezzi) | ||||
| 206 | 949454 | 1.04 | 1.27 | |
| Rondella M5 (vecchio 949431z, 10 pezzi) | ||||
| 207 | 949431 | 1.04 | 1.27 | |
| Armatura del cavo D10.7 | ||||
| 208 | 940778 | 2.10 | 2.56 | |
| Strip di serraggio (vecchio 994566) | ||||
| 209 | 937631 | 1.04 | 1.27 | |
| Nessuna informazione disponibile, non ordinabile | ||||
| 210 | 984750 | |||
| Nessuna informazione disponibile, non ordinabile | ||||
| 212 | 307811 | |||
| Nessuna informazione disponibile, non ordinabile | ||||
| 213 | 307811 | |||
| Giunzione di saldatura 50092 (10 pezzi) | ||||
| 214 | 959141 | 3.75 | 4.58 | |
| Nessuna informazione disponibile, non ordinabile | ||||
| 215 | 325014 | |||
| Interruttore | ||||
| 216 | 323634 | 5.70 | 6.95 | |
| Interruttore | ||||
| 217 | 323635 | 5.70 | 6.95 | |
| Nessuna informazione disponibile, non ordinabile | ||||
| 218 | 324999 | |||
| Nessuna informazione disponibile, non ordinabile | ||||
| 219 | 984750 | |||
| Alimentazione commutata Ass'y | ||||
| 220A | 371120 | 18.15 | 22.14 | |
| Vite per foratura D4x20 con flangia (nero) | ||||
| 221 | 301653 | 1.04 | 1.27 | |
| Nessuna informazione disponibile, non ordinabile | ||||
| 222 | 325043 | |||
| Nessuna informazione disponibile, non ordinabile | ||||
| 223 | 325261 | |||
| Nessuna informazione disponibile, non ordinabile | ||||
| 224 | 325262 | |||
| Nessuna informazione disponibile, non ordinabile | ||||
| 225 | 325263 | |||
| Nessuna informazione disponibile, non ordinabile | ||||
| 226 | 324998 | |||
| Nessuna informazione disponibile, non ordinabile | ||||
| 228 | 325002 | |||
| Vite di macchina (con rondelle) M5x40 (nero) | ||||
| 229 | 322123 | 1.65 | 2.01 | |
| Nessuna informazione disponibile, non ordinabile | ||||
| 230 | 325000 | |||
| Punto di contatto Portaspazzola | ||||
| 231 | 937623 | 1.04 | 1.27 | |
| Nessuna informazione disponibile, non ordinabile | ||||
| 232 | 340648D | |||
| Vite tagliente D5x55 | ||||
| 233 | 953174 | 1.04 | 1.27 | |
| Nessuna informazione disponibile, non ordinabile | ||||
| 234 | 325045 | |||
| Vite di regolazione esagonale M5x8 | ||||
| 235 | 938477 | 1.05 | 1.28 | |
| Supporto della spazzola di carbone (vecchia 938241 | ||||
| 236 | 938241 | 6.45 | 7.87 | |
| Spazzola di carbone (1 paio) | ||||
| 237 | 999038 | 9.30 | 11.35 | |
| Cappuccio della spazzola | ||||
| 238 | 945161 | 1.20 | 1.46 | |
| Guida per ventilatore | ||||
| 239 | 322915 | 2.25 | 2.74 | |
| Nessuna informazione disponibile, non ordinabile | ||||
| 240 | 360743U | |||
| Cuscinetto a sfera 6000 Vv, Cm9by, C8fse, G23ss | ||||
| 241 | 6000VV | 6.15 | 7.50 | |
| Rondella | ||||
| 242 | 302428 | 1.04 | 1.27 | |
| Rondella Antipolvere (b) | ||||
| 243 | 325003 | 1.05 | 1.28 | |
| Cuscinetto a sfere 6201vvcmps2s | ||||
| 244 | 6201VV | 6.45 | 7.87 | |
| Vite esagonale M6x16 (10 pezzi) | ||||
| 245 | 949755 | 3.00 | 3.66 | |
| Nessuna informazione disponibile, non ordinabile | ||||
| 246 | 325004 | |||
| Clip di Nylon | ||||
| 247 | 980523 | 1.05 | 1.28 | |
| Bullone (a) M10 | ||||
| 248 | 988101 | 1.95 | 2.38 | |
| Nessuna informazione disponibile, non ordinabile | ||||
| 249 | 323652 | |||
| Nessuna informazione disponibile, non ordinabile | ||||
| 251 | 325023 | |||
| Nessuna informazione disponibile, non ordinabile | ||||
| 252 | 325005 | |||
| Vite a testa piatta M4x10 (nera) | ||||
| 253 | 318363 | 1.50 | 1.83 | |
| Nessuna informazione disponibile, non ordinabile | ||||
| 254 | 325008 | |||
| Nessuna informazione disponibile, non ordinabile | ||||
| 255 | 6904DD | |||
| Nessuna informazione disponibile, non ordinabile | ||||
| 256 | 323208 | |||
| Nessuna informazione disponibile, non ordinabile | ||||
| 257 | 325007 | |||
| Nessuna informazione disponibile, non ordinabile | ||||
| 258 | 325006 | |||
| Cuscinetto a sfere 608vvmc2eps2l | ||||
| 259 | 608VVM | 5.70 | 6.95 | |
| Vite della macchina M5x10 (10 pezzi) | ||||
| 262 | 949236 | 1.05 | 1.28 | |
| Rondella M5 (vecchio 949431z, 10 pezzi) | ||||
| 263 | 949431 | 1.04 | 1.27 | |
| Copertura Mandrino | ||||
| 264 | 323675 | 1.05 | 1.28 | |
| Vite per macchina M4x16 | ||||
| 265 | 993539 | 1.04 | 1.27 | |
| Nessuna informazione disponibile, non ordinabile | ||||
| 266 | 325047 | |||
| Nessuna informazione disponibile, non ordinabile | ||||
| 267 | 323654 | |||
| Puleggia (a) | ||||
| 270 | 324443 | 4.20 | 5.12 | |
| Rondella Super Lock | ||||
| 271 | 961157 | 1.05 | 1.28 | |
| Dado M10 (10 Pezzi) | ||||
| 272 | 949560 | 2.40 | 2.93 | |
| Cintura | ||||
| 273 | 324427 | 26.26 | 32.04 | |
| Nessuna informazione disponibile, non ordinabile | ||||
| 274 | 325009 | |||
| Cuscinetto a sfere 608vvmc2eps2l | ||||
| 279 | 608VVM | 5.70 | 6.95 | |
| Rullo ad ago | ||||
| 280 | 983545 | 1.05 | 1.28 | |
| Supporto Del Cuscinetto | ||||
| 281 | 325259 | 3.15 | 3.84 | |
| Vite a Macchina M5X20 (10 Pezzi) | ||||
| 282 | 949241 | 1.35 | 1.65 | |
| Nessuna informazione disponibile, non ordinabile | ||||
| 283 | 325018 | |||
| Perno di Blocco (b) | ||||
| 284 | 325017 | 2.10 | 2.56 | |
| Vite meccanica (con rondelle) M4x10 (nero) | ||||
| 285 | 304043 | 1.05 | 1.28 | |
| Nessuna informazione disponibile, non ordinabile | ||||
| 286 | 325016 | |||
| Rondella M7 | ||||
| 288 | 322948 | 1.05 | 1.28 | |
| Nessuna informazione disponibile, non ordinabile | ||||
| 289 | 325041 | |||
| Vite M6 | ||||
| 290 | 322950 | 1.05 | 1.28 | |
| Vite Speciale (c) M5 | ||||
| 291 | 322947 | 1.05 | 1.28 | |
| RONDINA | ||||
| 292 | 322938 | 1.05 | 1.28 | |
| Vite a testa piatta M4x10 (nera) | ||||
| 293 | 318363 | 1.50 | 1.83 | |
| Nessuna informazione disponibile, non ordinabile | ||||
| 294 | 325039 | |||
| Piastra di copertura | ||||
| 295 | 323672 | 6.75 | 8.24 | |
| Cuscino C18dmr | ||||
| 296 | 323673 | 1.05 | 1.28 | |
| Coperchio di protezione (a) | ||||
| 297 | 323667 | 31.49 | 38.41 | |
| Molla di ritorno | ||||
| 298 | 323671 | 1.05 | 1.28 | |
| Vite della macchina M5x10 (10 pezzi) | ||||
| 299 | 949236 | 1.05 | 1.28 | |
| Nessuna informazione disponibile, non ordinabile | ||||
| 300 | 325040 | |||
| Etichetta TSC 55 FESTOOL | ||||
| 301 | 323670 | 1.05 | 1.28 | |
| Rondella di molla M5 (10 pezzi) | ||||
| 302 | 949454 | 1.04 | 1.27 | |
| Vite della macchina M5x10 (10 pezzi) | ||||
| 303 | 949236 | 1.05 | 1.28 | |
| Vite per macchina M4x8 (10 pezzi) | ||||
| 304 | 949215 | 1.05 | 1.28 | |
| Nessuna informazione disponibile, non ordinabile | ||||
| 305 | 325038 | |||
| Rondella M10 (Vecchio 949434z, 10 Pezzi) | ||||
| 306 | 949434 | 1.35 | 1.65 | |
| Nessuna informazione disponibile, non ordinabile | ||||
| 501 | 944458 | |||
| Nessuna informazione disponibile, non ordinabile | ||||
| 502 | 985051 | |||
| Nessuna informazione disponibile, non ordinabile | ||||
| 503 | 322955 | |||
| Nessuna informazione disponibile, non ordinabile | ||||
| 601 | 323546 | |||
| Bullone ad Ala M6x15 | ||||
| 602 | 301806 | 1.05 | 1.28 | |
| Nessuna informazione disponibile, non ordinabile | ||||
| 604 | 321390 | |||
| Nessuna informazione disponibile, non ordinabile | ||||
| 605 | 323682 | |||
| Nessuna informazione disponibile, non ordinabile | ||||
| 606 | 323547 | |||
| Nessuna informazione disponibile, non ordinabile | ||||
| 607 | 323682 | |||
| Nessuna informazione disponibile, non ordinabile | ||||
| 608 | 321390 | |||
| Bullone ad Ala M6x15 | ||||
| 610 | 301806 | 1.05 | 1.28 | |
| Assemblaggio Portaoggetti Incluso 620-625 | ||||
| 611 | 323657 | 43.86 | 53.51 | |
| Nessuna informazione disponibile, non ordinabile | ||||
| 612 | 321549 | |||
| Dado farfalla M6 (10 pezzi) | ||||
| 613 | 949313 | 4.65 | 5.67 | |
| Dado M6 (10pcs) | ||||
| 614 | 949556 | 1.05 | 1.28 | |
| KLEMPLAAT | ||||
| 615 | 322047 | 1.38 | 1.68 | |
| Anello M6 (vecchio 949425z , 10 pezzi) | ||||
| 616 | 949425 | 1.05 | 1.28 | |
| Nessuna informazione disponibile, non ordinabile | ||||
| 617 | 323681 | |||
| Fermaglio | ||||
| 618 | 974561 | 7.05 | 8.60 | |
| Vite a farfalla M6x20 | ||||
| 619 | 949404 | 7.65 | 9.33 | |
| Nessuna informazione disponibile, non ordinabile | ||||
| 620 | 323523 | |||
| Nessuna informazione disponibile, non ordinabile | ||||
| 621 | 322957 | |||
| Nessuna informazione disponibile, non ordinabile | ||||
| 622 | 321551 | |||
| Manopola M6 X 11 | ||||
| 623 | 998836 | 1.65 | 2.01 | |
| Nessuna informazione disponibile, non ordinabile | ||||
| 625 | 306985 | |||
| Gomma del piede | ||||
| 626 | 964851 | 1.05 | 1.28 | |
| Vite meccanica (con rondelle) M4x10 (nero) | ||||
| 627 | 304043 | 1.05 | 1.28 | |
| Albero della morsa | ||||
| 628 | 318967 | 3.00 | 3.66 | |
| Nessuna informazione disponibile, non ordinabile | ||||
| 629 | 323545 | |||
| Nessuna informazione disponibile, non ordinabile | ||||
| 630 | 323522 | |||
| Nessuna informazione disponibile, non ordinabile | ||||
| 631 | 305546 | |||
| Nessuna informazione disponibile, non ordinabile | ||||
| 632 | 309418 | |||
| Nessuna informazione disponibile, non ordinabile | ||||
| 633 | 301721 | |||
| Nessuna informazione disponibile, non ordinabile | ||||
| 634 | 310875 | |||