Qui troverai tutte le parti e i disegni disponibili di “Hikoki BUL-SH3”. Da qui puoi ordinare direttamente tutte le parti desiderate. Molte parti devono essere ordinate dal produttore, a seconda della marca, ciò richiede da una a quattro settimane. Tutte le informazioni che abbiamo sono sul nostro sito web, non possiamo consigliarti su ciò di cui hai bisogno, per questo dovrai restituire la macchina per la riparazione. Nota quanto segue al momento dell’ordinazione:
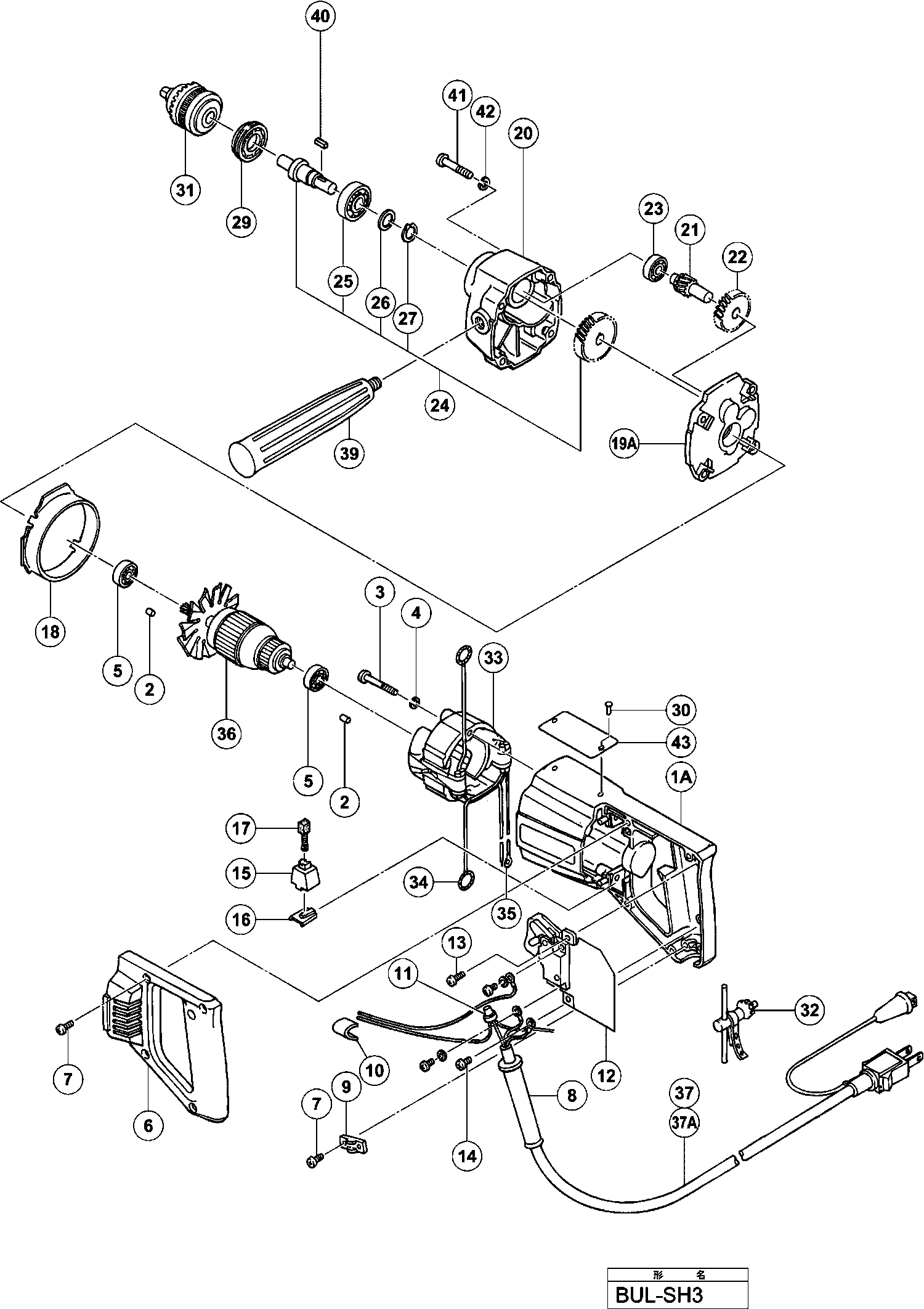
Disegni tecnici di Hikoki BUL-SH3
Elenco parti di Hikoki BUL-SH3
| Pos. | Descrizione | Prezzo IVA escl | Prezzo IVA incl | |
| I prezzi indicati sono comprensivi di IVA | ||||
| Nessuna informazione disponibile, non ordinabile | ||||
| 1A | 980380 | |||
| PENNA DI GOMMA | ||||
| 2 | 931701 | 1.05 | 1.28 | |
| Vite a macchina M5x40 (VECCHIO 949248Z) | ||||
| 3 | 949248 | 1.80 | 2.20 | |
| Rondella di molla M5 (10 pezzi) | ||||
| 4 | 949454 | 1.04 | 1.27 | |
| Cuscinetto a sfere 608vvmc2eps2l | ||||
| 5 | 608VVM | 5.70 | 6.95 | |
| Nessuna informazione disponibile, non ordinabile | ||||
| 6 | 980381 | |||
| Vite per macchina M4x14 (10 pezzi) | ||||
| 7 | 949218 | 1.05 | 1.28 | |
| Protezione cavo D8.8 | ||||
| 8 | 380090 | 1.04 | 1.27 | |
| Boccola del cavo D10.1 | ||||
| 8 | 938051 | 1.04 | 1.27 | |
| Strip di serraggio (vecchio 994566) | ||||
| 9 | 937631 | 1.04 | 1.27 | |
| Giunzione di saldatura 50091 (10 pezzi) | ||||
| 11 | 959140 | 3.30 | 4.03 | |
| Interruttore | ||||
| 12 | 930244 | 20.21 | 24.66 | |
| Vite macchina M4x6 (10 pezzi) | ||||
| 13 | 949214 | 1.05 | 1.28 | |
| Nessuna informazione disponibile, non ordinabile | ||||
| 14 | 949292 | |||
| Nessuna informazione disponibile, non ordinabile | ||||
| 15 | 931745 | |||
| Nessuna informazione disponibile, non ordinabile | ||||
| 16 | 930204 | |||
| Spazzola di carbone (1 paio) | ||||
| 17 | 999041 | 4.50 | 5.49 | |
| Nessuna informazione disponibile, non ordinabile | ||||
| 18 | 930329 | |||
| Coperchio interno | ||||
| 19A | 980403 | 5.40 | 6.59 | |
| Nessuna informazione disponibile, non ordinabile | ||||
| 20 | 980400 | |||
| SECOND PINION | ||||
| 21 | 930850 | 3.96 | 4.83 | |
| EERSTE TANDWIEL | ||||
| 22 | 930368 | 3.48 | 4.25 | |
| Cuscinetto a sfere 608vvmc2eps2l | ||||
| 23 | 608VVM | 5.70 | 6.95 | |
| AS EN TANDWIEL | ||||
| 24 | 960355 | 11.44 | 13.96 | |
| Cuscinetto a sfere 6201vvcmps2s | ||||
| 25 | 6201VV | 6.45 | 7.87 | |
| Rondella | ||||
| 26 | 930334 | 1.05 | 1.28 | |
| Rondella elastica D12 (10 pezzi) | ||||
| 27 | 939542 | 1.50 | 1.83 | |
| Coperchio del cuscinetto | ||||
| 29 | 930214 | 3.60 | 4.39 | |
| NAGEL D2.5X3.2 (10 STKS.) | ||||
| 30 | 949509 | 1.00 | 1.22 | |
| Nessuna informazione disponibile, non ordinabile | ||||
| 31 | 321810 | |||
| Nessuna informazione disponibile, non ordinabile | ||||
| 32 | 930515 | |||
| Nessuna informazione disponibile, non ordinabile | ||||
| 33 | 980441F | |||
| Punto di contatto Portaspazzola | ||||
| 34 | 931867 | 1.05 | 1.28 | |
| Terminale Cavo (vecchio 941562,10 St. | ||||
| 35 | 960356 | 3.00 | 3.66 | |
| Nessuna informazione disponibile, non ordinabile | ||||
| 36 | 930383F | |||
| Cavo | ||||
| 37 | 500243Z | 18.15 | 22.14 | |
| Nessuna informazione disponibile, non ordinabile | ||||
| 37A | 500427Z | |||
| Nessuna informazione disponibile, non ordinabile | ||||
| 39 | 961073 | |||
| Chiavetta 3x3x8 | ||||
| 40 | 944109 | 1.70 | 2.07 | |
| Vite a macchina M5x35 (10 pezzi) | ||||
| 41 | 949247 | 1.65 | 2.01 | |
| Rondella di molla M5 (10 pezzi) | ||||
| 42 | 949454 | 1.04 | 1.27 | |