Qui troverai tutte le parti e i disegni disponibili di “Hikoki BG-100”. Da qui puoi ordinare direttamente tutte le parti desiderate. Molte parti devono essere ordinate dal produttore, a seconda della marca, ciò richiede da una a quattro settimane. Tutte le informazioni che abbiamo sono sul nostro sito web, non possiamo consigliarti su ciò di cui hai bisogno, per questo dovrai restituire la macchina per la riparazione. Nota quanto segue al momento dell’ordinazione:
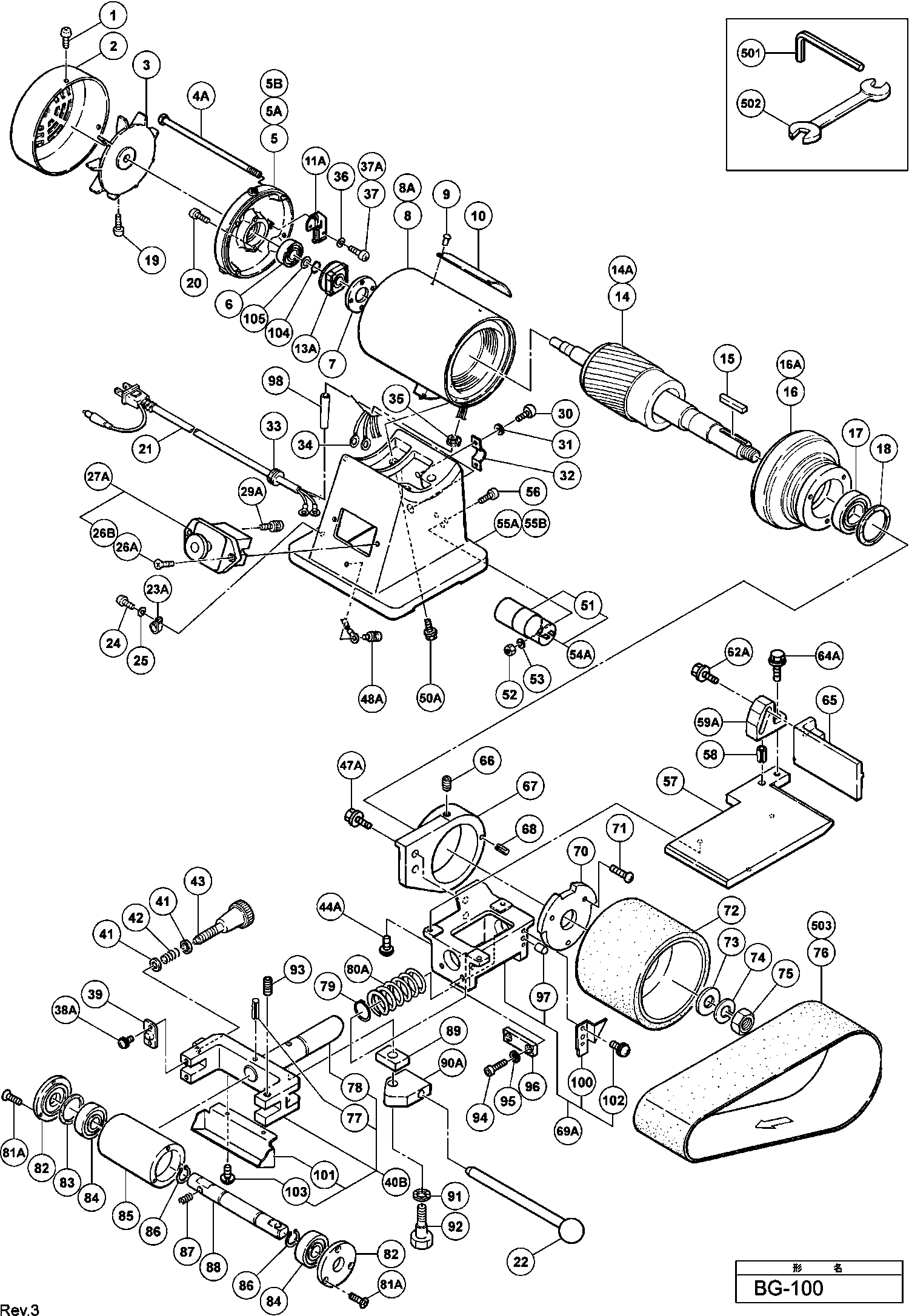
Disegni tecnici di Hikoki BG-100
Elenco parti di Hikoki BG-100
| Pos. | Descrizione | Prezzo IVA escl | Prezzo IVA incl | |
| I prezzi indicati sono comprensivi di IVA | ||||
| Vite della macchina M5x8 (10 pezzi) | ||||
| 1 | 949235 | 1.05 | 1.28 | |
| DEKSEL VOOR BG-100 | ||||
| 2 | 935168 | 9.60 | 11.71 | |
| WAAIER VOOR BG-100 | ||||
| 3 | 935167 | 6.30 | 7.69 | |
| Bullone M5x190 | ||||
| 4A | 329327 | 3.30 | 4.03 | |
| TUSSENDEKSEL VOOR BG-100 | ||||
| 5 | 935165 | 27.56 | 33.62 | |
| Coperchio intermedio | ||||
| 5A | 329329 | 52.53 | 64.08 | |
| Coperchio intermedio | ||||
| 5B | 329325 | 52.53 | 64.08 | |
| Cuscinetto a sfere 6202vvcmps2s | ||||
| 6 | 6202VV | 7.05 | 8.60 | |
| KAP | ||||
| 7 | 935160 | 6.30 | 7.69 | |
| Nessuna informazione disponibile, non ordinabile | ||||
| 8 | 935191E | |||
| Nessuna informazione disponibile, non ordinabile | ||||
| 8A | 340724E | |||
| Rivetto D2,5x4,8 (10 pezzi) | ||||
| 9 | 949510 | 1.04 | 1.27 | |
| Interruttore centrifugo (r) Dal 5.2003 | ||||
| 11A | 329326 | 35.06 | 42.78 | |
| Vite per macchina M4x10 (10 pezzi) (VECCHIO 949216 | ||||
| 12 | 949216 | 1.05 | 1.28 | |
| Interruttore centrifugo (r) Dal 5.2003 | ||||
| 13A | 329321 | 35.06 | 42.78 | |
| Nessuna informazione disponibile, non ordinabile | ||||
| 15 | 967187 | |||
| EIND HOUDER | ||||
| 16 | 935161 | 35.26 | 43.02 | |
| Coperchio finale (lato ruota di contatto) dal 5.20 | ||||
| 16A | 329324 | 90.48 | 110.38 | |
| Cuscinetto a sfere 6206vvcmps2s | ||||
| 17 | 6206VV | 14.40 | 17.57 | |
| Nessuna informazione disponibile, non ordinabile | ||||
| 18 | 935162 | |||
| Vite a Macchina M5X14 (10 Pezzi) | ||||
| 19 | 949238 | 1.05 | 1.28 | |
| Vite per macchina M4x20 (10 pezzi) | ||||
| 20 | 949221 | 1.05 | 1.28 | |
| Nessuna informazione disponibile, non ordinabile | ||||
| 21 | 500228Z | |||
| HENDEL BG-100 | ||||
| 22 | 935181 | 6.18 | 7.54 | |
| Nessuna informazione disponibile, non ordinabile | ||||
| 23A | 966049 | |||
| Vite per macchina M4x12 (10 pezzi) | ||||
| 24 | 949217 | 1.05 | 1.28 | |
| Rondella di molla M4 (10 pezzi) | ||||
| 25 | 949453 | 1.05 | 1.28 | |
| Vite M4x12 (10 pezzi) | ||||
| 26A | 949323 | 1.05 | 1.28 | |
| Vite per macchina M4x16 | ||||
| 26B | 993539 | 1.04 | 1.27 | |
| SCHAKELAAR (OUD 935406) | ||||
| 27A | 934702 | 24.09 | 29.39 | |
| MACHINE SCREW (BRASS) M4X6 (10PCS | ||||
| 29A | 949601 | 1.98 | 2.42 | |
| Vite per macchina M4x12 (10 pezzi) | ||||
| 30 | 949217 | 1.05 | 1.28 | |
| Rondella di molla M4 (10 pezzi) | ||||
| 31 | 949453 | 1.05 | 1.28 | |
| Nessuna informazione disponibile, non ordinabile | ||||
| 32 | 935155 | |||
| Nessuna informazione disponibile, non ordinabile | ||||
| 33 | 935156 | |||
| Terminali di cavo (10 pezzi) | ||||
| 34 | 959144 | 3.00 | 3.66 | |
| Nessuna informazione disponibile, non ordinabile | ||||
| 35 | 935151 | |||
| Rondella di molla M4 (10 pezzi) | ||||
| 36 | 949453 | 1.05 | 1.28 | |
| Vite per macchina M4x8 (10 pezzi) | ||||
| 37 | 949215 | 1.05 | 1.28 | |
| Vite per macchina M4x12 (10 pezzi) | ||||
| 37A | 949217 | 1.05 | 1.28 | |
| Vite meccanica (con rondelle) M4x10 (nero) | ||||
| 38A | 304043 | 1.05 | 1.28 | |
| VEERRING | ||||
| 39 | 936371 | 1.00 | 1.22 | |
| Assemblea del supporto della tensione (vecchio 952 | ||||
| 40B | 952494 | 122.51 | 149.47 | |
| VEERHOUDER | ||||
| 41 | 936367 | 1.00 | 1.22 | |
| VEER | ||||
| 42 | 936368 | 1.00 | 1.22 | |
| KNOP | ||||
| 43 | 935188 | 8.52 | 10.39 | |
| IMBUS HD BOUT M4X16 | ||||
| 44A | 307354 | 1.00 | 1.22 | |
| Nessuna informazione disponibile, non ordinabile | ||||
| 47A | 307351 | |||
| MACHINE SCREW (BRASS) M4X6 (10PCS | ||||
| 48A | 949601 | 1.98 | 2.42 | |
| BOLT (W/WASHER M8X25 | ||||
| 50A | 978930 | 1.00 | 1.22 | |
| Nessuna informazione disponibile, non ordinabile | ||||
| 51 | 935154 | |||
| Dado M4 (10 Pezzi) | ||||
| 52 | 949554 | 1.05 | 1.28 | |
| Rondella di molla M4 (10 pezzi) | ||||
| 53 | 949453 | 1.05 | 1.28 | |
| Rumoroso con banda suppressor di rumore | ||||
| 54A | 336566 | 97.63 | 119.10 | |
| BASE | ||||
| 55A | 935152 | 55.82 | 68.10 | |
| Nessuna informazione disponibile, non ordinabile | ||||
| 55B | 336565 | |||
| Vite per macchina M4x16 (10 pezzi) | ||||
| 56 | 949219 | 1.20 | 1.46 | |
| VOETPLAAT BG-100 | ||||
| 57 | 935185 | 67.16 | 81.94 | |
| Nessuna informazione disponibile, non ordinabile | ||||
| 57A | 377008 | |||
| Spina a rullo D10x20 (10 Pezzi) | ||||
| 58 | 949886 | 17.60 | 21.47 | |
| TOOL REST HOLDER | ||||
| 59A | 936354 | 5.28 | 6.44 | |
| Nessuna informazione disponibile, non ordinabile | ||||
| 62A | 307351 | |||
| Nessuna informazione disponibile, non ordinabile | ||||
| 64A | 307351 | |||
| PLAAT | ||||
| 65 | 936353 | 12.10 | 14.76 | |
| Nessuna informazione disponibile, non ordinabile | ||||
| 66 | 976080 | |||
| HOUDER | ||||
| 67 | 935170 | 23.87 | 29.12 | |
| ROL PIN (OUD 935172) (10 STUKS) | ||||
| 68 | 949877 | 2.82 | 3.44 | |
| FRAME ASS'Y (OUD 935173) | ||||
| 69A | 935202 | 72.00 | 87.84 | |
| PLAAT | ||||
| 70 | 935163 | 8.64 | 10.54 | |
| Vite della macchina M6x20 (10 pezzi) | ||||
| 71 | 949258 | 1.65 | 2.01 | |
| CONTACTSCHIJF | ||||
| 72 | 936303 | 99.11 | 120.91 | |
| RING M16 | ||||
| 73 | 955817 | 1.00 | 1.22 | |
| VEERRING M16 (10STUKS) | ||||
| 74 | 949464 | 1.38 | 1.68 | |
| MOER LINKS M16 | ||||
| 75 | 935426 | 1.00 | 1.22 | |
| Nessuna informazione disponibile, non ordinabile | ||||
| 76 | 939704 | |||
| Anello di ritenzione tipo C | ||||
| 79 | 948310 | 1.35 | 1.65 | |
| Molla (vecchio 935175) | ||||
| 80A | 936361 | 5.70 | 6.95 | |
| Vite a testa piatta Seal Lock M4x14 | ||||
| 81A | 320437 | 1.80 | 2.20 | |
| LAGERHUIS | ||||
| 82 | 936366 | 6.54 | 7.98 | |
| RING | ||||
| 83 | 936315 | 1.00 | 1.22 | |
| Cuscinetto a sfere 6204vvcmps2s | ||||
| 84 | 6204VV | 9.15 | 11.16 | |
| SNAARSCHIJF | ||||
| 85 | 936364 | 38.44 | 46.90 | |
| Anello di ritenzione D20 (10 pezzi) | ||||
| 86 | 939547 | 3.90 | 4.76 | |
| VEER | ||||
| 87 | 936370 | 1.00 | 1.22 | |
| POULLEY ASSY | ||||
| 88 | 952476 | 38.44 | 46.90 | |
| PLAAT | ||||
| 89 | 935177 | 4.68 | 5.71 | |
| HANDGREEPPLAAT (OUD 935178) | ||||
| 90A | 952474 | 14.90 | 18.18 | |
| RING | ||||
| 91 | 935179 | 1.00 | 1.22 | |
| BOUT | ||||
| 92 | 935180 | 4.08 | 4.98 | |
| INBUSSTELSCHROEF M10X30 | ||||
| 93 | 935183 | 1.00 | 1.22 | |
| Vite esagonale incassata M6x12 (vecchio 949657z,10 | ||||
| 94 | 949657 | 3.00 | 3.66 | |
| Rondella di molla M6 (vecchio 949455z, 10 pezzi) | ||||
| 95 | 949455 | 1.05 | 1.28 | |
| PLAAT | ||||
| 96 | 935176 | 2.94 | 3.59 | |
| OLIE CAP | ||||
| 97 | 966716 | 1.00 | 1.22 | |
| Coperchio di sicurezza (a) | ||||
| 100 | 935200 | 18.43 | 22.48 | |
| Copertura di sicurezza (b) | ||||
| 101 | 935201 | 25.58 | 31.20 | |
| Vite per macchine M5x12 | ||||
| 102 | 995046 | 1.05 | 1.28 | |
| Vite per macchine M5x12 | ||||
| 103 | 995046 | 1.05 | 1.28 | |
| Rondella elastica | ||||
| 104 | 329322 | 3.30 | 4.03 | |
| Anello di distanza AU 43 FF | ||||
| 105 | 329323 | 3.30 | 4.03 | |
| Nessuna informazione disponibile, non ordinabile | ||||
| 501 | 944459 | |||
| Nessuna informazione disponibile, non ordinabile | ||||
| 502A | 949168 | |||
| Nessuna informazione disponibile, non ordinabile | ||||
| 503 | 939705 | |||
| Nessuna informazione disponibile, non ordinabile | ||||
| 601A | 948163 | |||
| Nessuna informazione disponibile, non ordinabile | ||||
| 602 | 939700 | |||
| Nessuna informazione disponibile, non ordinabile | ||||
| 603 | 939701 | |||
| Nessuna informazione disponibile, non ordinabile | ||||
| 604 | 939702 | |||
| Nessuna informazione disponibile, non ordinabile | ||||
| 605 | 939706 | |||
| Nessuna informazione disponibile, non ordinabile | ||||
| 606 | 939707 | |||
| Nessuna informazione disponibile, non ordinabile | ||||
| 607 | 939708 | |||
| Nessuna informazione disponibile, non ordinabile | ||||
| 608 | 939709 | |||
| Nessuna informazione disponibile, non ordinabile | ||||
| 609 | 939710 | |||
| Nessuna informazione disponibile, non ordinabile | ||||
| 610 | 939711 | |||
| Nessuna informazione disponibile, non ordinabile | ||||
| 611 | 939712 | |||
| Nessuna informazione disponibile, non ordinabile | ||||
| 612 | 939717 | |||
| Nessuna informazione disponibile, non ordinabile | ||||
| 613 | 939723 | |||